Enhancing Doubly Fed Induction Generator Low-Voltage Ride-through Capability Using Dynamic Voltage Restorer with Adaptive Noise Cancellation Technique
Abstract
1. Introduction
- ▪
- Expensive cost of its components as it needs a regulated DC source, inverter, injection transformer and passive filter.
- ▪
- The regulation circuit of the DC link may result in harmonics injection in the utility system.
- A modified DVR topology is developed with a wind-driven DFIG to enhance the LVRT during voltage dips.
- A new DVR control method based on adaptive noise cancelation (ANC) technique to compensate for both voltage variation and harmonic mitigation at DFIG terminals is proposed.
- The DVR design is examined to assess its effectiveness under severe utility grid transients and variations of loads that have the same PCC.
- The performance of the proposed DVR is thoroughly investigated during critical and abnormal situations of the power system to precisely select the DVR component ratings to reduce its overall cost.
- The bidirectional active and reactive power flows among system components are investigated to assess the required ratings of DVR components and storage elements to effectively adjust any of the critical conditions facing the DFIG in a fast manner.
2. Description of the Power System Used in the Study
3. DVR Circuit Design and DC Link Online Regulation
- ▪
- Voltage source inverter with a series injecting transformer;
- ▪
- Energy storage capacitor with regulation circuit; and
- ▪
- Passive filter.
3.1. Voltage Source Inverter with A Series Injecting Transformer
3.2. Energy Storage Capacitor with a Regulation Circuit
3.3. Passive Filters
3.3.1. DVR Passive Filter
3.3.2. Shunt Passive Filter
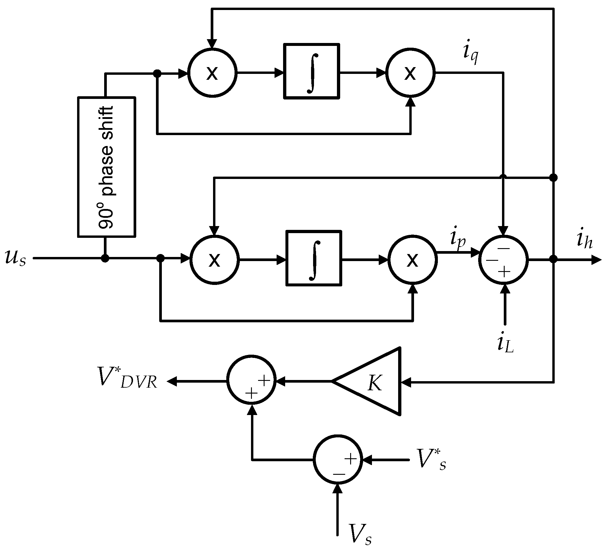
4. Proposed DVR Control Using ANC Technique
5. Proposed System Performance
- The DC link capacitor voltage of the DVR is regulated at 7 kV.
- The low-pass filter of the VSI is designed to have a cut-off frequency of 450 Hz using a 52 μF filter capacitor and 2.4 mH filter inductor.
- The rated power of the series-injecting transformer is 5 MVA and its turns ratio is (1:1).
6. Simulation Results
7. Conclusions
Author Contributions
Funding
Institutional Review Board Statement
Informed Consent Statement
Data Availability Statement
Conflicts of Interest
References
- Owusu, P.A.; Asumadu-Sarkodie, S. A review of renewable energy sources, sustainability issues and climate change mitigation. Cogent Eng. 2016, 3, 1167990. [Google Scholar] [CrossRef]
- Askarian, I.; Eren, S.; Pahlevani, M.; Knight, A.M.; Knight, A. Digital Real-Time Harmonic Estimator for Power Converters in Future Micro-Grids. IEEE Trans. Smart Grid 2017, 9, 6398–6407. [Google Scholar] [CrossRef]
- Kandil, T.; Ahmed, M.A. Control and Operation of Dynamic Voltage Restorer with Online Regulated DC-Link Capacitor in Microgrid System. Can. J. Electr. Comput. Eng. 2020, 43, 331–341. [Google Scholar] [CrossRef]
- Qin, B.; Li, H.; Zhou, X.; Li, J.; Liu, W. Low-Voltage Ride-Through Techniques in DFIG-Based Wind Turbines: A Review. Appl. Sci. 2020, 10, 2154. [Google Scholar] [CrossRef]
- Alotaibi, Z.S.; Khonkar, H.I.; Al Amoudi, A.O.; Alqahtani, S.H. Current status and future perspectives for localizing the solar photovoltaic industry in the Kingdom of Saudi Arabia. Energy Transit. 2020, 4, 1–9. [Google Scholar] [CrossRef]
- Zia, M.F.; Elbouchikhi, E.; Benbouzid, M. Microgrids energy management systems: A critical review on methods, solutions, and prospects. Appl. Energy 2018, 222, 1033–1055. [Google Scholar] [CrossRef]
- Alotaibi, I.; Abido, M.A.; Khalid, M.; Savkin, A.V. A Comprehensive Review of Recent Advances in Smart Grids: A Sustainable Future with Renewable Energy Resources. Energies 2020, 13, 6269. [Google Scholar] [CrossRef]
- Kamarposhti, M.A.; Mozafari, S.B.; Soleymani, S.; Hosseini, S.M. Improving the wind penetration level of the power systems connected to doubly fed induction generator wind farms considering voltage stability constraints. J. Renew. Sustain. Energy 2015, 7, 043121. [Google Scholar] [CrossRef]
- Benali, A.; Khiat, M.; Allaoui, T.; Denai, M. Power Quality Improvement and Low Voltage Ride Through Capability in Hybrid Wind-PV Farms Grid-Connected Using Dynamic Voltage Restorer. IEEE Access 2018, 6, 68634–68648. [Google Scholar] [CrossRef]
- Xu, H.; Hu, J.; He, Y. Operation of Wind-Turbine-Driven DFIG Systems Under Distorted Grid Voltage Conditions: Analysis and Experimental Validations. IEEE Trans. Power Electron. 2011, 27, 2354–2366. [Google Scholar] [CrossRef]
- Gkavanoudis, S.I.; Demoulias, C.S. A control strategy for enhancing the Fault Ride-Through capability of a microgrid during balanced and unbalanced grid voltage sags. Sustain. Energy Grids Netw. 2015, 3, 1–11. [Google Scholar] [CrossRef]
- Xie, D.; Xu, Z.; Yang, L.; Østergaard, J.; Xue, Y.; Wong, K.P. A Comprehensive LVRT Control Strategy for DFIG Wind Turbines with Enhanced Reactive Power Support. IEEE Trans. Power Syst. 2013, 28, 3302–3310. [Google Scholar] [CrossRef]
- Justo, J.J.; Ro, K.-S. Control strategies of doubly fed induction generator-based wind turbine system with new rotor current protection topology. J. Renew. Sustain. Energy 2012, 4, 43123. [Google Scholar] [CrossRef]
- Pereira, R.; Pereira, A.J.C.; Ferreira, C.M.; Barbosa, F.P.M. Influence of Crowbar and Chopper Protection on DFIG during Low Voltage Ride Through. Energies 2018, 11, 885. [Google Scholar] [CrossRef]
- Pannell, G.; Zahawi, B.; Atkinson, D.J.; Missailidis, P. Evaluation of the Performance of a DC-Link Brake Chopper as a DFIG Low-Voltage Fault-Ride-Through Device. IEEE Trans. Energy Convers. 2013, 28, 535–542. [Google Scholar] [CrossRef]
- Hossain, J.; Pota, H.; Ugrinovskii, V.A.; Ramos, R. Simultaneous STATCOM and Pitch Angle Control for Improved LVRT Capability of Fixed-Speed Wind Turbines. IEEE Trans. Sustain. Energy 2010, 1, 142–151. [Google Scholar] [CrossRef]
- Molinas, M.; Suul, J.A.; Undeland, T. Low Voltage Ride Through of Wind Farms with Cage Generators: STATCOM versus SVC. IEEE Trans. Power Electron. 2008, 23, 1104–1117. [Google Scholar] [CrossRef]
- Yunus, A.M.S.; Masoum, M.A.S.; Abu-Siada, A. Effect of STATCOM on the Low-Voltage-Ride-through Capability of Type-D Wind Turbine Generator; IEEE PES Innovative Smart Grid Technologies: Perth, WA, Australia, 2011; pp. 1–5. [Google Scholar]
- Falehi, A.D.; Rafiee, M. Maximum efficiency of wind energy using novel Dynamic Voltage Restorer for DFIG based Wind Turbine. Energy Rep. 2018, 4, 308–322. [Google Scholar] [CrossRef]
- Ghosh, A.; Ledwich, G. Structures and control of a dynamic voltage regulator (DVR). In Proceedings of the 2001 IEEE Power Engineering Society Winter Meeting. Conference Proceedings (Cat. No.01CH37194), Columbus, OH, USA, 28 January–2 February 2002; Volume 3, pp. 1027–1032. [Google Scholar]
- Helal, A.A.; Saied, M.H. Dynamic voltage restorer adopting 150° conduction angle VSI. In Proceedings of the 2009 IEEE Electrical Power & Energy Conference (EPEC), Montreal, BC, Canada, 22–23 October 2009; pp. 1–6. [Google Scholar]
- Padiyar, K.R. FACTS Controllers in Power Transmission and Distribution; New Age International (P) Limited: New Delhi, India, 2007; ISBN 9788122421422. [Google Scholar]
- Kim, H.; Kim, J.H.; Sul, S.K. A design consideration of output filters for dynamic voltage restorers. In Proceedings of the 2004 IEEE 35th Annual Power Electronics Specialists Conference (IEEE Cat. No. 04CH37551), Aachen, Germany, 20–25 June 2004; Volume 6, pp. 4268–4272. [Google Scholar] [CrossRef]
- Choi, S.S.; Li, J.D.; Vilathgamuwa, D.M. A Generalized Voltage Compensation Strategy for Mitigating the Impacts of Voltage Sags/Swells. IEEE Trans. Power Deliv. 2005, 20, 2289–2297. [Google Scholar] [CrossRef]
- Abas, N.; Dilshad, S.; Khalid, A.; Saleem, M.S.; Khan, N. Power Quality Improvement Using Dynamic Voltage Restorer. IEEE Access 2020, 8, 164325–164339. [Google Scholar] [CrossRef]
- Jowder, F. Design and analysis of dynamic voltage restorer for deep voltage sag and harmonic compensation. IET Gener. Transm. Distrib. 2009, 3, 547–560. [Google Scholar] [CrossRef]
- He, S.; Xiong, J.; Dai, D. Modeling and Stability Analysis of Three-Phase PWM Rectifier. In Proceedings of the 2018 IEEE International Power Electronics and Application Conference and Exposition (PEAC), Shenzhen, China, 4–7 November 2018; pp. 1–5. [Google Scholar]
- Kwak, S.; Toliyat, H. Design and Rating Comparisons of PWM Voltage Source Rectifiers and Active Power Filters for AC Drives with Unity Power Factor. IEEE Trans. Power Electron. 2005, 20, 1133–1142. [Google Scholar] [CrossRef]
- Vilathgamuwa, D.M.; Perera, A.; Choi, S. Voltage sag compensation with energy optimized dynamic voltage restorer. IEEE Trans. Power Deliv. 2003, 18, 928–936. [Google Scholar] [CrossRef]
- Wang, Q.; Wu, N.; Wang, Z. A neuron adaptive detecting approach of harmonic current for APF and its realization of analog circuit. IEEE Trans. Instrum. Meas. 2001, 50, 77–84. [Google Scholar] [CrossRef]
- Ran, L.; Xiang, D.; Tavner, P.; Yang, S. Control of a doubly fed induction generator in a wind turbine during grid fault ride-through. In Proceedings of the 2006 IEEE Power Engineering Society General Meeting, Montreal, QC, Canada, 18–22 June 2006; p. 1. [Google Scholar]
- Rahimi, M.; Parniani, M. Transient Performance Improvement of Wind Turbines with Doubly Fed Induction Generators Using Nonlinear Control Strategy. IEEE Trans. Energy Convers. 2009, 25, 514–525. [Google Scholar] [CrossRef]
- Rahmann, C.; Haubrich, H.-J.; Moser, A.; Palma-Behnke, R.; Vargas, L.; Salles, M.B.C. Justified Fault-Ride-Through Requirements for Wind Turbines in Power Systems. IEEE Trans. Power Syst. 2011, 26, 1555–1563. [Google Scholar] [CrossRef]
- Ghosh, A.; Jindal, A.; Joshi, A. Design of a Capacitor-Supported Dynamic Voltage Restorer (DVR) for Unbalanced and Distorted Loads. IEEE Trans. Power Deliv. 2004, 19, 405–413. [Google Scholar] [CrossRef][Green Version]
- Soomro, D.M.; Keat, Y.W.; Baloch, M.H.; Abdullah, M.N.; Radzi, N.H.M.; Memon, Z.A. Mitigation of Voltage Sag Caused by Unbalanced Load by Using DFT Controlled DVR. In Proceedings of the 2019 IEEE International Conference on Innovative Research and Development (ICIRD), Jakarta, Indonesia, 28–30 June 2019; pp. 1–6. [Google Scholar]





























| DFIG parameters | Bus voltage | 13.8 kV |
| Wind farm | 575 V, 9 MVA | |
| Wind farm transformer | 15 MVA, 0.575/13.8 kV | |
| Load 1 | 12.5 MVA inductive load | |
| Load 2 | 10 MVA non-linear load | |
| DVR parameters | DC link voltage | Max. 10 kV, Min. 5 kV |
| DC link capacitor | Max. 5000 μF, Min. 2000 μF | |
| Injection transformer | 5MVA, 10 kV, a = 1:1 | |
| Filter inductor, Lf | 2.4 mH | |
| Filter capacitor, Cf | 52 μF | |
| PWM rectifier parameters | DC link voltage | Max. 10 kV, Min. 5 kV |
| Coupling transformer | 5 MVA, 13.8/6.9 kV | |
| Line inductor L | 7.5 mH | |
| DC link capacitor, C | Max. 5000 μF, Min. 2000 μF | |
| DC voltage PI controller | Kp = 0.8, ki = 1.5 |
| Before Sag | During Sag | |||
|---|---|---|---|---|
| Using DVR | No DVR | Using DVR | No DVR | |
| PDFIG (MW) | 9.7 | 9.72 | 9.6 | 1.5 |
| QDFIG (MVAR) | −4.2 | −4.17 | −4.18 | −0.5, −11 |
| Psys (MW) | PLoad (MW) | PDFIG (MW) | PDVR (MW) | |
|---|---|---|---|---|
| Before sag | 11.4 | −21 | 9.7 | 0 |
| During sag | −2.9 | −6.3 | 9.3 | −4 |
| Qsys (MVAR) | QLoad (MVAR) | QDFIG (MVAR) | QDVR (MVAR) | |
|---|---|---|---|---|
| Before sag | 11.8 | −10.1 | −1.7 | 0 |
| During sag | 3.8 | −3 | −1.5 | 0 |
| VDFIG THD | Istator THD | Irotor THD | Tem ripple | |
|---|---|---|---|---|
| No DVR | 21.9% | 13.36% | 14.28% | 24% |
| Using DVR | 2.15% | 2% | 2.82% | 5% |
Publisher’s Note: MDPI stays neutral with regard to jurisdictional claims in published maps and institutional affiliations. |
© 2022 by the authors. Licensee MDPI, Basel, Switzerland. This article is an open access article distributed under the terms and conditions of the Creative Commons Attribution (CC BY) license (https://creativecommons.org/licenses/by/4.0/).
Share and Cite
Ahmed, M.A.; Kandil, T.; Ahmed, E.M. Enhancing Doubly Fed Induction Generator Low-Voltage Ride-through Capability Using Dynamic Voltage Restorer with Adaptive Noise Cancellation Technique. Sustainability 2022, 14, 859. https://doi.org/10.3390/su14020859
Ahmed MA, Kandil T, Ahmed EM. Enhancing Doubly Fed Induction Generator Low-Voltage Ride-through Capability Using Dynamic Voltage Restorer with Adaptive Noise Cancellation Technique. Sustainability. 2022; 14(2):859. https://doi.org/10.3390/su14020859
Chicago/Turabian StyleAhmed, Mohamed Adel, Tarek Kandil, and Emad M. Ahmed. 2022. "Enhancing Doubly Fed Induction Generator Low-Voltage Ride-through Capability Using Dynamic Voltage Restorer with Adaptive Noise Cancellation Technique" Sustainability 14, no. 2: 859. https://doi.org/10.3390/su14020859
APA StyleAhmed, M. A., Kandil, T., & Ahmed, E. M. (2022). Enhancing Doubly Fed Induction Generator Low-Voltage Ride-through Capability Using Dynamic Voltage Restorer with Adaptive Noise Cancellation Technique. Sustainability, 14(2), 859. https://doi.org/10.3390/su14020859

