Controller Design of a Brake-By-Wire System Based on Giant-Magnetostrictive Material for an Intelligent Vehicle
Abstract
:1. Introduction
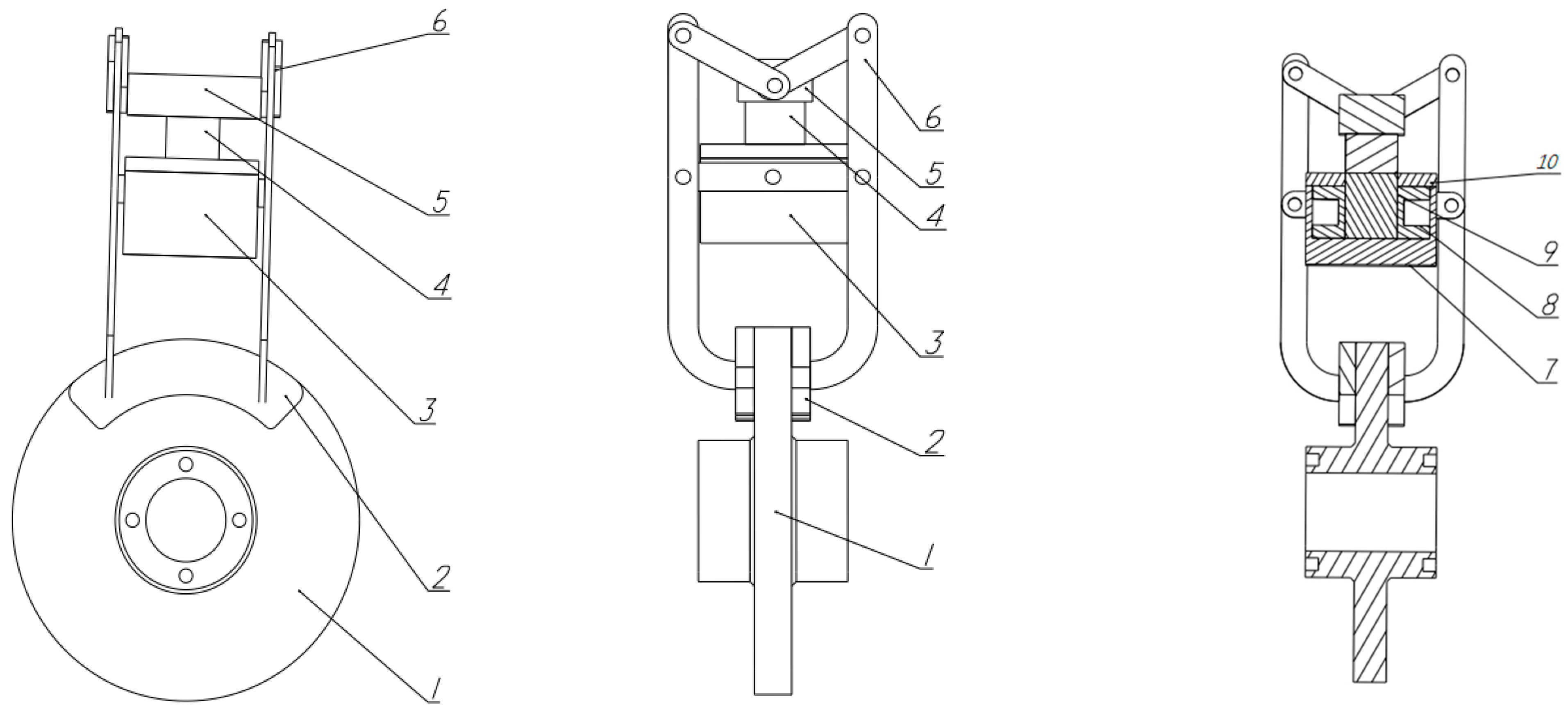
2. Structural Design of Brake-By-Wire System
2.1. Design of Magnetostrictive Actuator
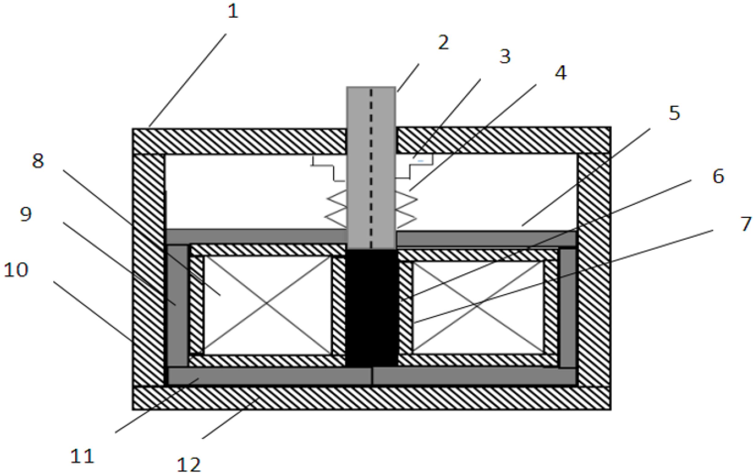
2.2. Magnetostrictive Disc Brake Structure Design
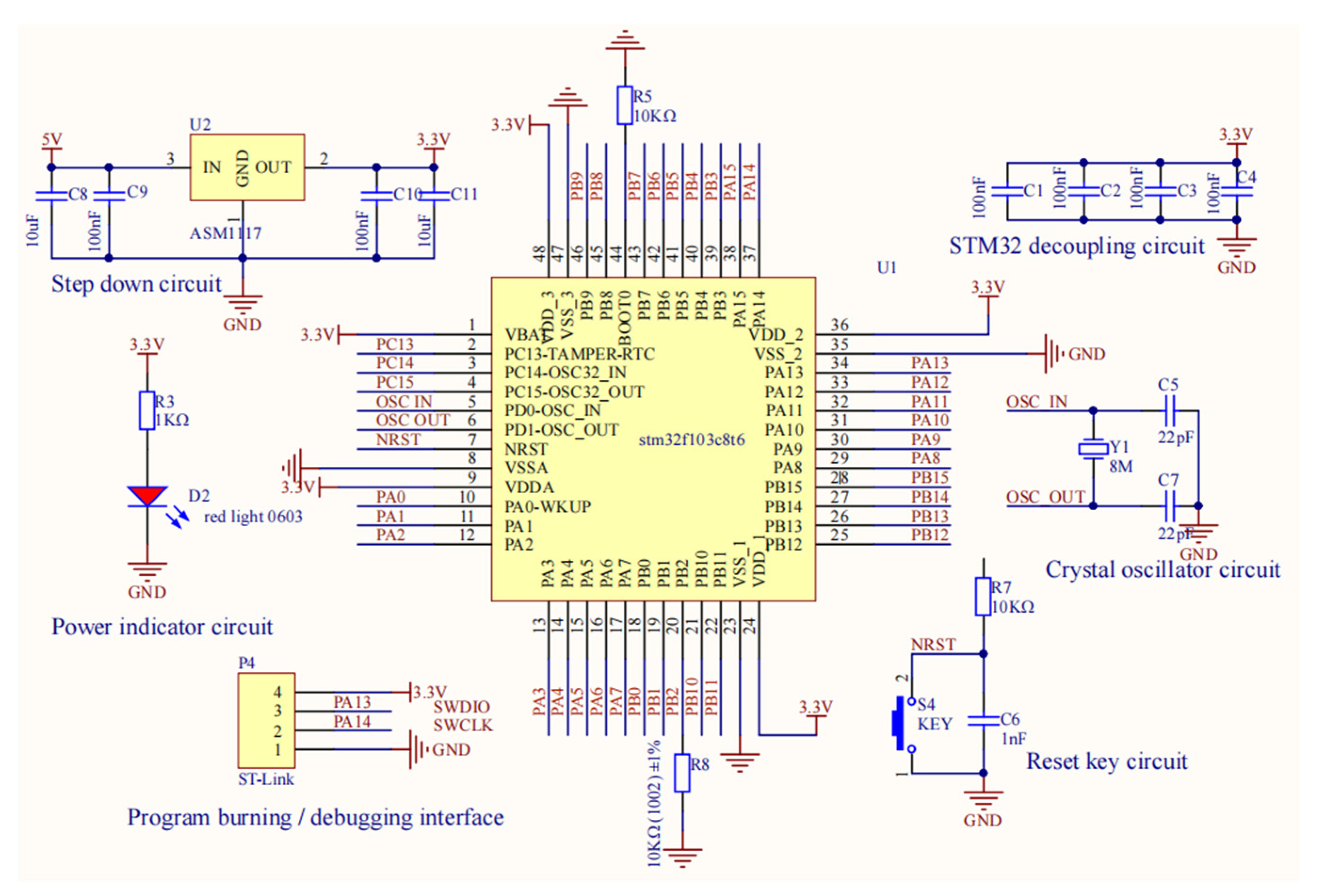
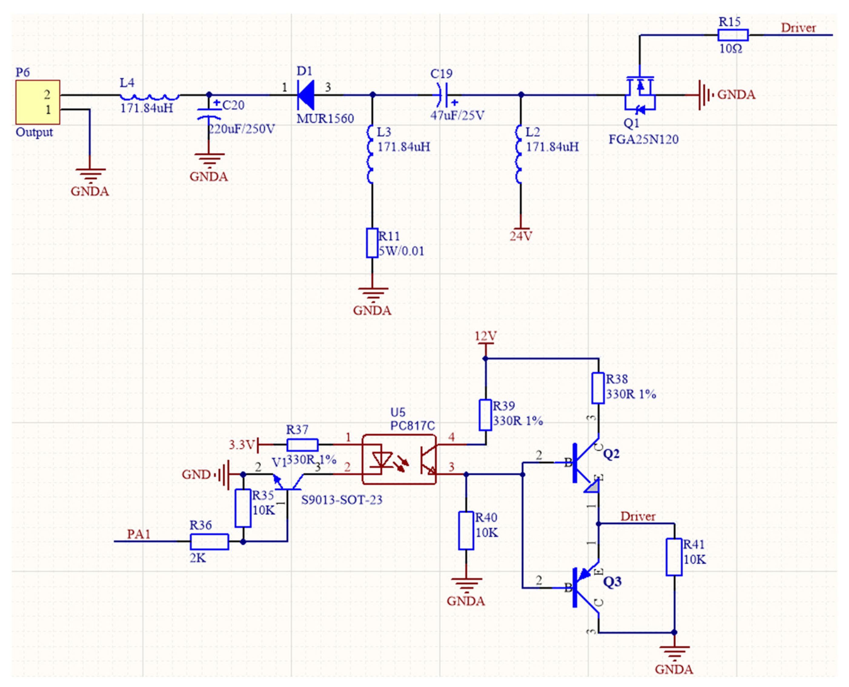
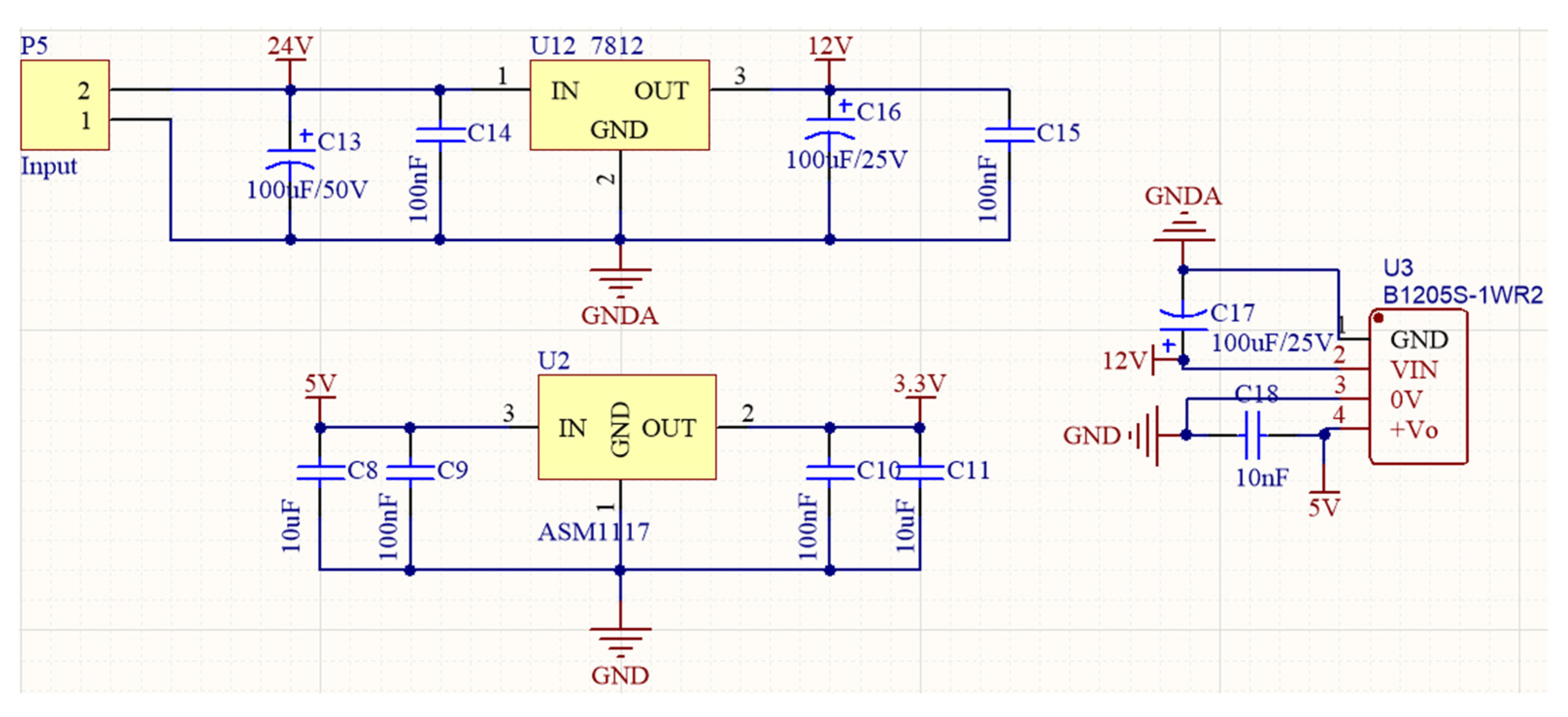
3. Hardware Design of Control System
Hardware Circuit Design
4. Software Design of Control System
4.1. Sensor Selection and Transformer Design
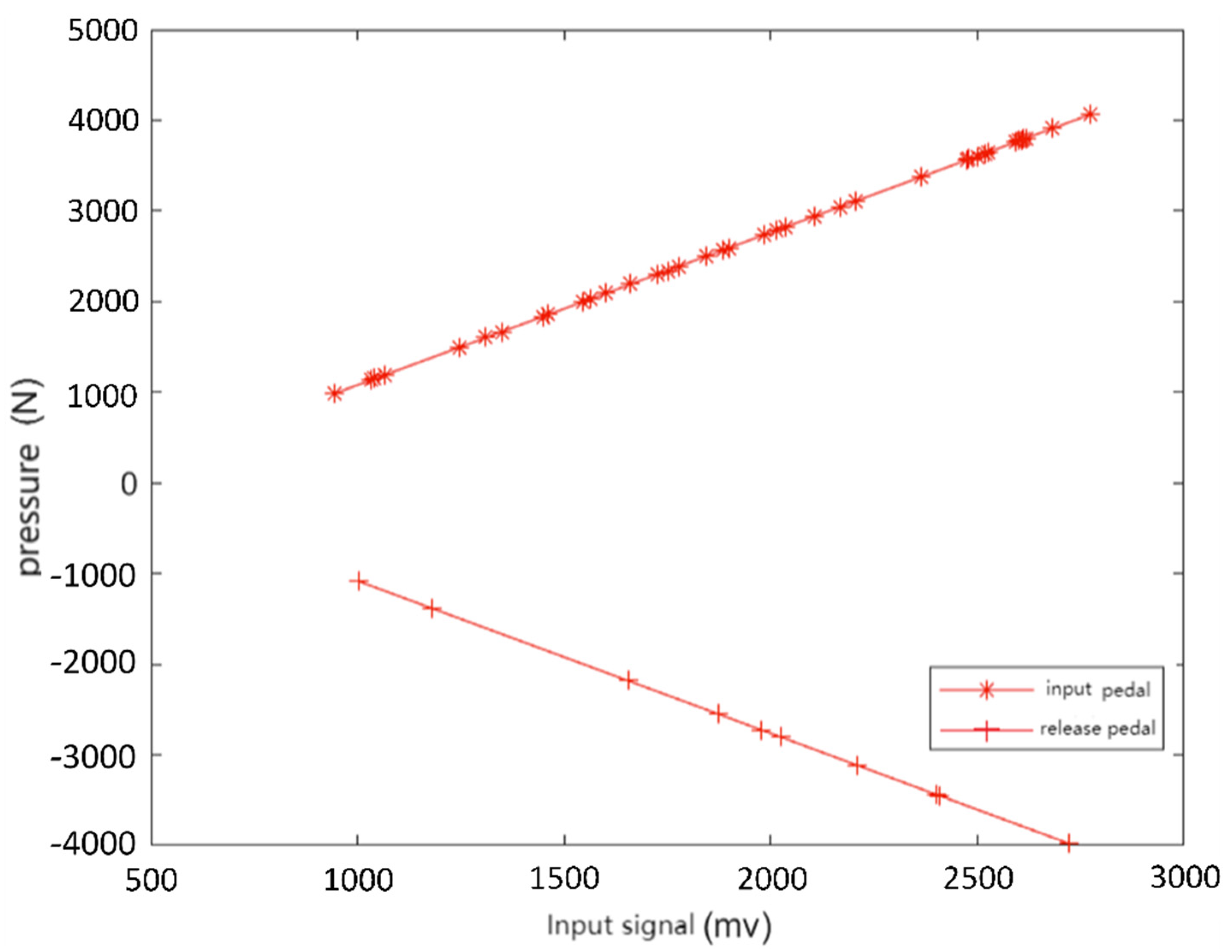
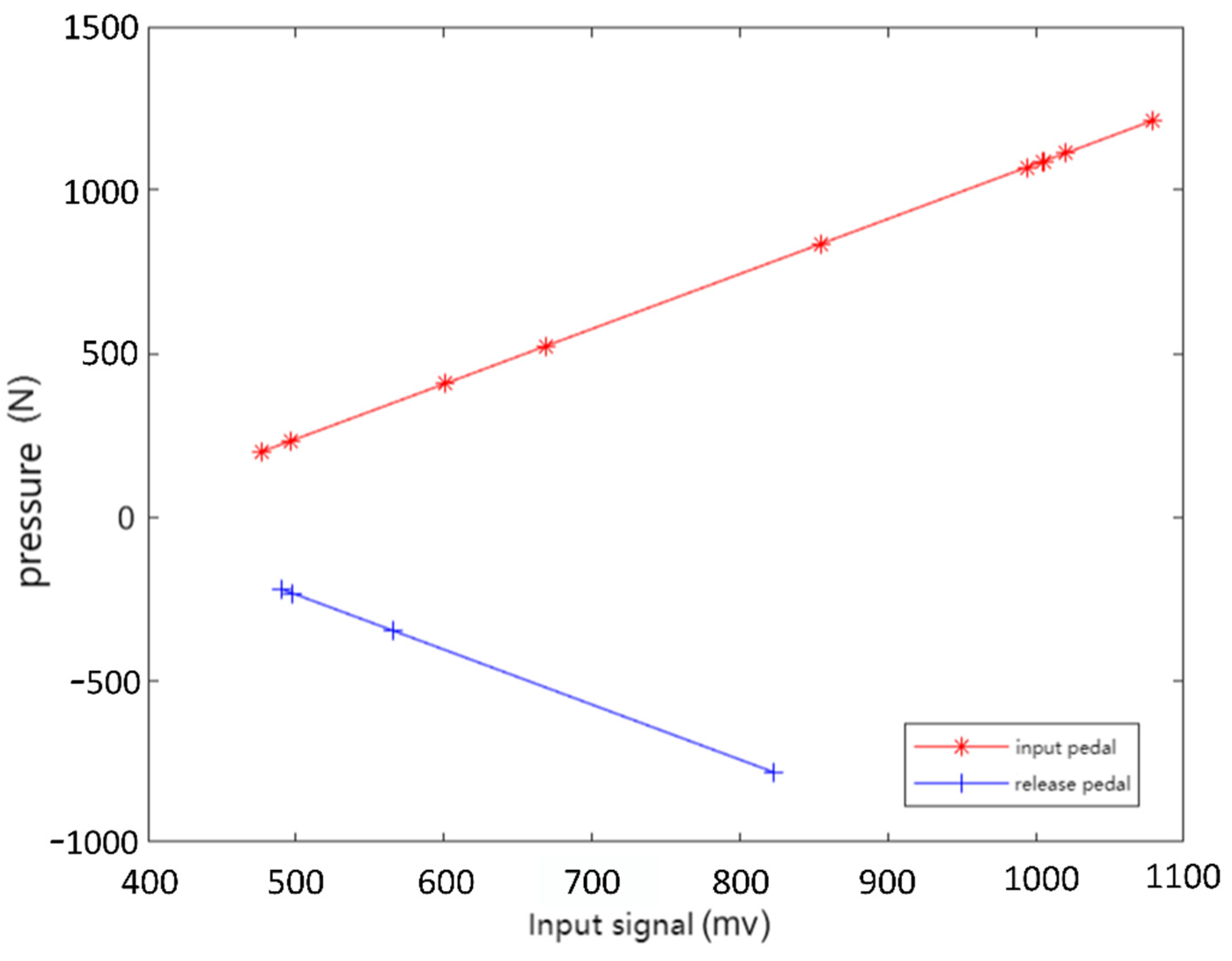
4.1.1. Selection of Pedal Sensor
4.1.2. Transformer Module Design
4.1.3. Voltage Feedback Module Selection
5. Experimental Testing and Analysis
6. Conclusions
Author Contributions
Funding
Institutional Review Board Statement
Informed Consent Statement
Data Availability Statement
Conflicts of Interest
References
- Zong, C.F.; Li, G.; Zheng, H.Y.; He, L.; Zhang, Z.X. Study Progress and Outlook of Chassis Control Technology for X-by-wire Automobile. China J. Highw. Transp. 2013, 26, 160–176. [Google Scholar]
- Fu, Y.F.; Hu, X.H.; Wang, W.R.; Ge, Z. Simulation and experimental study of a new electromechanical brake with automatic wear adjustment function. Int. J. Automot. Technol. 2020, 21, 227–238. [Google Scholar] [CrossRef]
- Bill, K.; Balz, J.; Dusil, V. Electromechanical Disc Brake. U.S. Patent No. 6,158,558, 12 December 2000. [Google Scholar]
- Keller, F. Electromagnetic Wheel Brake Device. U.S. Patent No. 6,536,561, 25 March 2003. [Google Scholar]
- Gombert, B.; Guttenberg, P. The electronic wedge brake. ATZ Worldw. 2006, 108, 2–5. [Google Scholar] [CrossRef]
- Hasan, M.H.C.; Hassan, M.K.; Ahmad, F.; Marhaban, M.H. Modelling and design of optimized electronic wedge brake. In Proceedings of the 2019 IEEE International Conference on Automatic Control and Intelligent Systems (I2CACIS), Selangor, Malaysia, 29 June 2019. [Google Scholar]
- Jo, C.H.; Lee, S.M.; Song, H.L.; Cho, Y.S.; Kim, I.; Hyun, D.Y.; Kim, H.S. Design and control of an upper-wedge-type electronic brake. J. Automob. Eng. 2010, 224, 1393–1405. [Google Scholar] [CrossRef]
- Hwang, Y.; Choi, S.B. Robust control of electronic wedge brake with adaptive pad friction estimation. Int. J. Veh. Des. 2013, 62, 165–187. [Google Scholar] [CrossRef]
- Jo, C.; Hwang, S.-H.; Kim, H. Clamping-force control for electromechanical brake. IEEE Trans. Veh. Technol. 2010, 59, 3205–3212. [Google Scholar] [CrossRef]
- Kwon, S.-B.; Kwon, Y.-D.; Lee, S.-J.; Shin, S.-Y.; Kim, G.-Y. Numerical analysis for the coating thickness prediction in continuous hot-dip galvanizing. J. Mech. Sci. Technol. 2009, 23, 3471–3478. [Google Scholar] [CrossRef]
- Ki, Y.H.; Lee, K.J.; Cheon, J.S.; Ahn, H.S. Design and implementation of a new clamping force estimator in electro-mechanical brake systems. Int. J. Automot. Technol. 2013, 14, 739–745. [Google Scholar] [CrossRef]
- Yu, Z.; Han, W.; Xu, S.; Xiong, L. Review on hydraulic pressure control of electro-hydraulic brake system. J. Mech. Eng. 2017, 53, 1–15. [Google Scholar] [CrossRef]
- Wang, A.-M.; Meng, J.-J.; Xu, R.-X.; He, C.-X. Structural optimization and dynamic performance study of super magnetostrictive exciter. Vib. Shock. 2019, 38, 184–190. [Google Scholar]
- Chu, C.; Xu, Q.; Jia, X.; Zhang, X.; Xiao, Y. Parameterized Structure Design of Giant-magnetostrictive Disc Brake. J. Phys. Conf. Ser. 2021, 1865, 032031. [Google Scholar] [CrossRef]
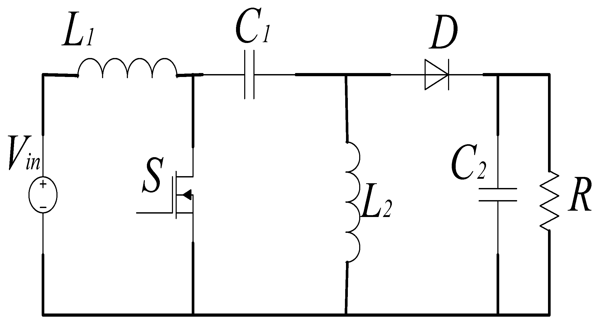
- Gao, S.; Zhao, S.; Zhang, L.; Li, J. A new high gain DC/DC converter based on Sepic. Electron. Technol. Appl. 2021, 47, 108–111. [Google Scholar]






















| Project | Automobile Mass ma (kg) | Front Axle Load m1 (kg) | Rear Axle Load m2 (kg) | Centroid Height hg (mm) | Wheelbase L (mm) | Tire Specifications |
|---|---|---|---|---|---|---|
| Fully loaded | 800 | 440 | 360 | 560 | 2100 | 175/65R14 |
| Name | Parameter | Name | Parameter |
|---|---|---|---|
| Coil radius | 12 mm | Shell | Iron alloy |
| Outer coil radius | 35 mm | Magnetizer | Industrial pure iron |
| Enameled coil diameter | 1 mm | Sleeve | ABS plastic |
| The coil number of turns | 1400 | Coil skeleton | ABS plastic |
| Maximum drive flow | 4 A | Adjusting nut | Brass |
| Driving magnetic field | Output shaft | 45 steel |
| The Serial Number | Duty Cycle of Input Signal | Output Theoretical Voltage Value (V) |
|---|---|---|
| 1 | 0–10% | 2.6 |
| 2 | 10–20% | 6 |
| 3 | 20–30% | 10 |
| 4 | 30–40% | 16 |
| 5 | 40–50% | 24 |
| 6 | 50–60% | 36 |
| 7 | 60–70% | 56 |
Publisher’s Note: MDPI stays neutral with regard to jurisdictional claims in published maps and institutional affiliations. |
© 2022 by the authors. Licensee MDPI, Basel, Switzerland. This article is an open access article distributed under the terms and conditions of the Creative Commons Attribution (CC BY) license (https://creativecommons.org/licenses/by/4.0/).
Share and Cite
Chu, C.; Zhu, R.; Jia, X. Controller Design of a Brake-By-Wire System Based on Giant-Magnetostrictive Material for an Intelligent Vehicle. Sustainability 2022, 14, 11057. https://doi.org/10.3390/su141711057
Chu C, Zhu R, Jia X. Controller Design of a Brake-By-Wire System Based on Giant-Magnetostrictive Material for an Intelligent Vehicle. Sustainability. 2022; 14(17):11057. https://doi.org/10.3390/su141711057
Chicago/Turabian StyleChu, Changbao, Renjie Zhu, and Xingjian Jia. 2022. "Controller Design of a Brake-By-Wire System Based on Giant-Magnetostrictive Material for an Intelligent Vehicle" Sustainability 14, no. 17: 11057. https://doi.org/10.3390/su141711057
APA StyleChu, C., Zhu, R., & Jia, X. (2022). Controller Design of a Brake-By-Wire System Based on Giant-Magnetostrictive Material for an Intelligent Vehicle. Sustainability, 14(17), 11057. https://doi.org/10.3390/su141711057

