Two-Layer Optimal Operation of AC–DC Hybrid Microgrid Considering Carbon Emissions Trading in Multiple Scenarios
Abstract
:1. Introduction
- A two-layer optimization model has been established considering the benefits of each part of the hybrid microgrid.
- The carbon trading mechanism has been integrated into the upper layer optimization model. Moreover, the different carbon trading prices on carbon emissions and operation costs have been investigated.
- The demand response and dynamic conversion efficiency have been taken into account.
- The uncertainties of WT power and PV power output and AC and DC load have been evaluated.
- The effect of different electricity price models on total operating costs and carbon emissions and power output have been evaluated.
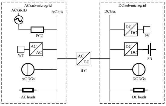
2. The Structure and Operation Method of the AC–DC Hybrid Microgrid
3. Mathematical Model for AC–DC Hybrid Microgrid Double Layer Optimization
3.1. Upper Layer Model
3.1.1. Comprehensive Operating Cost Model
3.1.2. Carbon Trading Mechanism
3.2. Lower Layer Model
3.2.1. AC Sub-Microgrid Optimization Model
3.2.2. DC Sub-Microgrid Optimization Model
4. Scenario Analysis Method
4.1. Scene Generation
4.2. Scene Reduction
5. Case Study
5.1. System Structure and Data
5.2. Comparison Analysis of Different Scenarios and Strategies
5.3. Day-Ahead Forecast Optimization Results Analysis
5.4. The Impact of Carbon Trading Price on System Operation
6. Conclusions
- (1)
- The optimization model proposed in this paper has good results in terms of the economic benefits of microgrids as well as carbon emissions, realizing a reasonable allocation and use of resources and effectively coordinating the economy and low carbon of system operation.
- (2)
- In this paper, the impact of various uncertainties on the system was verified by simulating and analyzing the uncertainties of wind, PV, load, and tariff. A reasonable time-sharing tariff strategy can not only reduce system operating costs but also reduce carbon emissions to a certain extent.
- (3)
- By comparing the impact of the price of carbon trading costs on the optimized operation results, this paper concludes that the total operating cost of the system steadily increases with the increase in carbon trading price, and the carbon emissions show a phased decrease with the change of carbon trading price; furthermore, setting a reasonable carbon trading price can synergize low carbon and economy.
Author Contributions
Funding
Informed Consent Statement
Conflicts of Interest
References
- Kumar, P.P.; Saini, R.P. Optimization of an off-grid integrated hybrid renewable energy system with different battery technologies for rural electrification in India. J. Energy Storage 2020, 32, 101912. [Google Scholar] [CrossRef]
- Zhu, L.; Tong, Q.; Yan, X.; Liu, Y.; Zhang, J.; Li, Y.; Huang, G. Optimal design of multi-energy complementary power generation system considering fossil energy scarcity coefficient under uncertainty. J. Clean. Prod. 2020, 274, 122732. [Google Scholar] [CrossRef]
- Zahraoui, Y.; Alhamrouni, I.; Mekhilef, S.; Basir Khan, M.R.; Seyedmahmoudian, M.; Stojcevski, A.; Horan, B. Energy Management System in Microgrids: A Comprehensive Review. Sustainability 2021, 13, 10492. [Google Scholar] [CrossRef]
- Wang, K.; Niu, D.; Yu, M.; Liang, Y.; Yang, X.; Wu, J.; Xu, X. Analysis and Countermeasures of China’s Green Electric Power Development. Sustainability 2021, 13, 708. [Google Scholar] [CrossRef]
- Azeem, O.; Ali, M.; Abbas, G.; Uzair, M.; Qahmash, A.; Algarni, A.; Hussain, M. A Comprehensive Review on Integration Challenges, Optimization Techniques and Control Strategies of Hybrid AC/DC Microgrid. Appl. Sci. 2021, 11, 6242. [Google Scholar] [CrossRef]
- Li, P.; Zheng, M. Multi-objective optimal operation of hybrid AC/DC microgrid considering source-network-load coordination. J. Mod. Power Syst. Clean Energy 2019, 7, 1229–1240. [Google Scholar] [CrossRef] [Green Version]
- Jiang, K.; Wu, F.; Zong, X.; Shi, L.; Lin, K. Distributed Dynamic Economic Dispatch of an Isolated AC/DC Hybrid Microgrid Based on a Finite-Step Consensus Algorithm. Energies 2019, 12, 4637. [Google Scholar] [CrossRef] [Green Version]
- Wei, B.; Han, X.; Wang, P.; Yu, H.; Li, W.; Guo, L. Temporally Coordinated Energy Management for AC/DC Hybrid Microgrid Considering Dynamic Conversion Efficiency of Bidirectional AC/DC Converter. IEEE Access 2020, 8, 70878–70889. [Google Scholar] [CrossRef]
- Li, Y.; Yang, Z.; Li, G.; Zhao, D.; Tian, W. Optimal Scheduling of an Isolated Microgrid With Battery Storage Considering Load and Renewable Generation Uncertainties. IEEE Trans. Ind. Electron. 2018, 66, 1565–1575. [Google Scholar] [CrossRef] [Green Version]
- Hosseini, S.M.; Carli, R.; Dotoli, M. Robust Optimal Energy Management of a Residential Microgrid Under Uncertainties on Demand and Renewable Power Generation. IEEE Trans. Autom. Sci. Eng. 2021, 18, 618–637. [Google Scholar] [CrossRef]
- Jabr, R.A. Mixed-Integer Convex Optimization for DC Microgrid Droop Control. IEEE Trans. Power Syst. 2021, 36, 5901–5908. [Google Scholar] [CrossRef]
- Deng, X.; Lv, T. Power system planning with increasing variable renewable energy: A review of optimization models. J. Clean. Prod. 2019, 246, 118962. [Google Scholar] [CrossRef]
- Jiang, Y.; Kang, L.; Liu, Y. The coordinated optimal design of a PV-battery system with multiple types of PV arrays and batteries: A case study of power smoothing. J. Clean. Prod. 2021, 310, 127436. [Google Scholar] [CrossRef]
- Mbungu, N.T.; Naidoo, R.M.; Bansal, R.C.; Vahidinasab, V. Overview of the Optimal Smart Energy Coordination for Microgrid Applications. IEEE Access 2019, 7, 163063–163084. [Google Scholar] [CrossRef]
- Qiu, H.; Gu, W.; Xu, Y.; Zhao, B. Multi-Time-Scale Rolling Optimal Dispatch for AC/DC Hybrid Microgrids with Day-Ahead Distributionally Robust Scheduling. IEEE Trans. Sustain. Energy 2018, 10, 1653–1663. [Google Scholar] [CrossRef]
- Liang, Z.; Chen, H.; Wang, X.; Chen, S.; Zhang, C. Risk-Based Uncertainty Set Optimization Method for Energy Management of Hybrid AC/DC Microgrids with Uncertain Renewable Generation. IEEE Trans. Smart Grid 2020, 11, 1526–1542. [Google Scholar] [CrossRef]
- Li, Q.; Li, A.; Wang, T.; Cai, Y. Interconnected hybrid AC-DC microgrids security enhancement using blockchain technology considering uncertainty. Int. J. Electr. Power Energy Syst. 2021, 133, 107324. [Google Scholar] [CrossRef]
- Zhang, L.; Yang, Y.; Li, Q.; Gao, W.; Qian, F.; Song, L. Economic optimization of microgrids based on peak shaving and CO2 reduction effect: A case study in Japan. J. Clean. Prod. 2021, 321, 128973. [Google Scholar] [CrossRef]
- Li, F.; Qin, J.; Kang, Y. Closed-Loop Hierarchical Operation for Optimal Unit Commitment and Dispatch in Microgrids: A Hybrid System Approach. IEEE Trans. Power Syst. 2020, 35, 516–526. [Google Scholar] [CrossRef] [Green Version]
- Li, L.; Yu, S. Optimal management of multi-stakeholder distributed energy systems in low-carbon communities considering demand response resources and carbon tax. Sustain. Cities Soc. 2020, 61, 102230. [Google Scholar] [CrossRef]
- Su, J.; Li, Z.; Jin, A.J. Practical Model for Optimal Carbon Control with Distributed Energy Resources. IEEE Access 2021, 9, 161603–161612. [Google Scholar] [CrossRef]
- Saeed, M.H.; Wang, F.; Salem, S.; Khan, Y.A.; Kalwar, B.A.; Fars, A. Two-stage intelligent planning with improved artificial bee colony algorithm for a microgrid by considering the uncertainty of renewable sources. Energy Rep. 2021, 7, 8912–8928. [Google Scholar] [CrossRef]
- Kharrich, M.; Kamel, S.; Hassan, M.H.; ElSayed, S.K.; Taha, I.B.M. An Improved Heap-Based Optimizer for Optimal Design of a Hybrid Microgrid Considering Reliability and Availability Constraints. Sustainability 2021, 13, 10419. [Google Scholar] [CrossRef]
- Lu, H.; Ma, X.; Huang, K.; Azimi, M. Carbon trading volume and price forecasting in China using multiple machine learning models. J. Clean. Prod. 2020, 249, 119386. [Google Scholar] [CrossRef]
- Zakeri, A.; Dehghanian, F.; Fahimnia, B.; Sarkis, J. Carbon pricing versus emissions trading: A supply chain planning perspective. Int. J. Prod. Econ. 2015, 164, 197–205. [Google Scholar] [CrossRef] [Green Version]
- Cao, K.; Xu, X.; Wu, Q.; Zhang, Q. Optimal production and carbon emission reduction level under cap-and-trade and low carbon subsidy policies. J. Clean. Prod. 2017, 167, 505–513. [Google Scholar] [CrossRef]
- Zhu, L.; Zhou, X.; Zhang, X.; Yan, Z.; Guo, S.; Tang, L. Integrated resources planning in microgrids considering interruptible loads and shiftable loads. J. Mod. Power Syst. Clean Energy 2018, 6, 802–815. [Google Scholar] [CrossRef] [Green Version]
- Wu, N.; Wang, H.; Yin, L.; Yuan, X.; Leng, X. Application Conditions of Bounded Rationality and a Microgrid Energy Management Control Strategy Combining Real-Time Power Price and Demand-Side Response. IEEE Access 2020, 8, 227327–227339. [Google Scholar] [CrossRef]
- Hu, M.; Xiao, F.; Wang, S. Neighborhood-level coordination and negotiation techniques for managing demand-side flexibility in residential microgrids. Renew. Sustain. Energy Rev. 2021, 135, 110248. [Google Scholar] [CrossRef]
- Liu, Z.; Liu, S.; Li, Q.; Zhang, Y.; Deng, W.; Zhou, L. Optimal Day-ahead Scheduling of Islanded Microgrid Considering Risk-based Reserve Decision. J. Mod. Power Syst. Clean Energy 2021, 9, 1149–1160. [Google Scholar] [CrossRef]
- Faraji, J.; Hashemi-Dezaki, H.; Ketabi, A. Optimal probabilistic scenario-based operation and scheduling of prosumer microgrids considering uncertainties of renewable energy sources. Energy Sci. Eng. 2020, 8, 3942–3960. [Google Scholar] [CrossRef]
- Cen, B.; Cai, Z.; Liu, P.; Chen, Y.; Sun, Y.; Hu, K.; Zeng, X. Characteristic matching of stochastic scenarios and flexible resource capacity optimisation for isolated microgrids. IET Gener. Transm. Distrib. 2020, 14, 6009–6018. [Google Scholar] [CrossRef]
- Li, P.; Xu, D.; Zhou, Z.; Lee, W.; Zhao, B. Stochastic optimal operation of microgrid based on chaotic binary particle swarm optimization. IEEE Trans. Smart Grid 2016, 7, 66–73. [Google Scholar] [CrossRef]
- Mohamed, F.A.; Koivo, H.N. System modelling and online optimal management of microgrid using mesh adaptive direct search. Int. J. Electr. Power Energy Syst. 2010, 32, 398–407. [Google Scholar] [CrossRef]
- Pipattanasomporn, M.; Willingham, M.; Rahman, S. Implications of on-site distributed generation for commercial/industrial facilities. IEEE Trans. Power Syst. 2005, 20, 206–212. [Google Scholar] [CrossRef]
















| Literatures | Microgrid Type | Planning Horizon | Title | Consider Carbon Constraint | Considered Uncertainties | Model |
|---|---|---|---|---|---|---|
| Ref. [6] | AC–DC hybrid microgrid | 24-h | Grid-connected | No | No | Multi-objective optimization |
| Ref. [7] | AC–DC hybrid microgrid | 24-h | Island | No | No | Dynamic economic dispatch |
| Ref. [8] | AC–DC hybrid microgrid | 24-h | Grid-connected | No | Renewable energy and load | The intraday rolling energy management |
| Ref. [9] | AC microgrid | 24-h | Island | No | Wind power, PV power, and load | MILP |
| Ref. [10] | Residential Microgrid | 24-h | Grid-connected | No | Noncontrollable load and Renewable energy source | MILP |
| Ref. [15] | AC–DC hybrid microgrid | 24-h | Island | No | Wind power and PV power | MILP |
| Ref. [16] | AC–DC hybrid microgrid | 24-h | Grid-connected | No | Wind power and PV power | MILP |
| Ref. [17] | AC–DC hybrid microgrid | 24-h | Grid-connected | No | Wind power and PV power | Copula model |
| Ref. [18] | AC microgrid | 1-year 24-h | Grid-connected | Yes | PV power | Multi-objective optimization |
| Ref. [19] | AC microgrid | 24-h | Grid-connected | Yes | No | MILP |
| Ref. [20] | Distributed energy system | 24-h | Grid-connected | Yes | No | analytical target cascading |
| Ref. [21] | AC microgrid | 24-h | Grid-connected | Yes | No | Energy Blockchain |
| This paper | AC–DC hybrid microgrid | 24-h | Grid-connected | Yes | WT, PV, AC and DC load | MILP |
| Area | Unit | Pmin (kW) | Pmax (kW) | δi | ki |
|---|---|---|---|---|---|
| AC sub-microgrid | WT | 0 | 40 | -- | 0.0296 |
| DEG | 10 | 80 | 50 | 0.0880 | |
| MT | 10 | 80 | 60 | 0.0474 | |
| DC sub-microgrid | PV | 0 | 40 | -- | 0.0096 |
| FC | 10 | 80 | 60 | 0.0260 | |
| SB | −30 | 30 | -- | 0.0175 |
| No. | Scenario Probability (%) | Total Cost (CNY) | Carbon Emissions (kg) |
|---|---|---|---|
| Predict Scenario | -- | 1794.89 | 2548.93 |
| Scenario 1 | 10.7 | 1790.15 | 2511.79 |
| Scenario 2 | 34.4 | 1797.31 | 2551.44 |
| Scenario 3 | 9.1 | 1779.72 | 2524.09 |
| Scenario 4 | 29.1 | 1756.69 | 2528.71 |
| Scenario 5 | 16.7 | 1874.93 | 2559.32 |
| No. | CACyx (CNY) | CDCyx (CNY) | CGRID (CNY) | Total Cost (CNY) | Ed (kg) | |
|---|---|---|---|---|---|---|
| Strategy 1 | 976.17 | 459.47 | 232.96 | 1794.89 | 2548.93 | |
| Strategy 2 | a | 986.91 | 560.23 | 120.49 | 1710.51 | 2681.63 |
| b | 945.24 | 459.47 | 263.61 | 1876.71 | 2516.68 | |
| Strategy 3 | a | 975.27 | 273.75 | 489.02 | 1835.54 | 2564.42 |
| b | 900.41 | 460.34 | 287.75 | 1760.53 | 2512.18 | |
| c | 989.14 | 591.77 | 166.37 | 1876.62 | 2721.64 | |
Publisher’s Note: MDPI stays neutral with regard to jurisdictional claims in published maps and institutional affiliations. |
© 2022 by the authors. Licensee MDPI, Basel, Switzerland. This article is an open access article distributed under the terms and conditions of the Creative Commons Attribution (CC BY) license (https://creativecommons.org/licenses/by/4.0/).
Share and Cite
Yan, L.; Zhao, Y.; Xue, T.; Ma, N.; Li, Z.; Yan, Z. Two-Layer Optimal Operation of AC–DC Hybrid Microgrid Considering Carbon Emissions Trading in Multiple Scenarios. Sustainability 2022, 14, 10524. https://doi.org/10.3390/su141710524
Yan L, Zhao Y, Xue T, Ma N, Li Z, Yan Z. Two-Layer Optimal Operation of AC–DC Hybrid Microgrid Considering Carbon Emissions Trading in Multiple Scenarios. Sustainability. 2022; 14(17):10524. https://doi.org/10.3390/su141710524
Chicago/Turabian StyleYan, Laiqing, Yulin Zhao, Tailin Xue, Ning Ma, Zhenwen Li, and Zutai Yan. 2022. "Two-Layer Optimal Operation of AC–DC Hybrid Microgrid Considering Carbon Emissions Trading in Multiple Scenarios" Sustainability 14, no. 17: 10524. https://doi.org/10.3390/su141710524
APA StyleYan, L., Zhao, Y., Xue, T., Ma, N., Li, Z., & Yan, Z. (2022). Two-Layer Optimal Operation of AC–DC Hybrid Microgrid Considering Carbon Emissions Trading in Multiple Scenarios. Sustainability, 14(17), 10524. https://doi.org/10.3390/su141710524

