Control Strategy for Offshore Wind Farms with DC Collection System Based on Series-Connected Diode Rectifier
Abstract
:1. Introduction
2. System Configuration and Coupling Mechanism
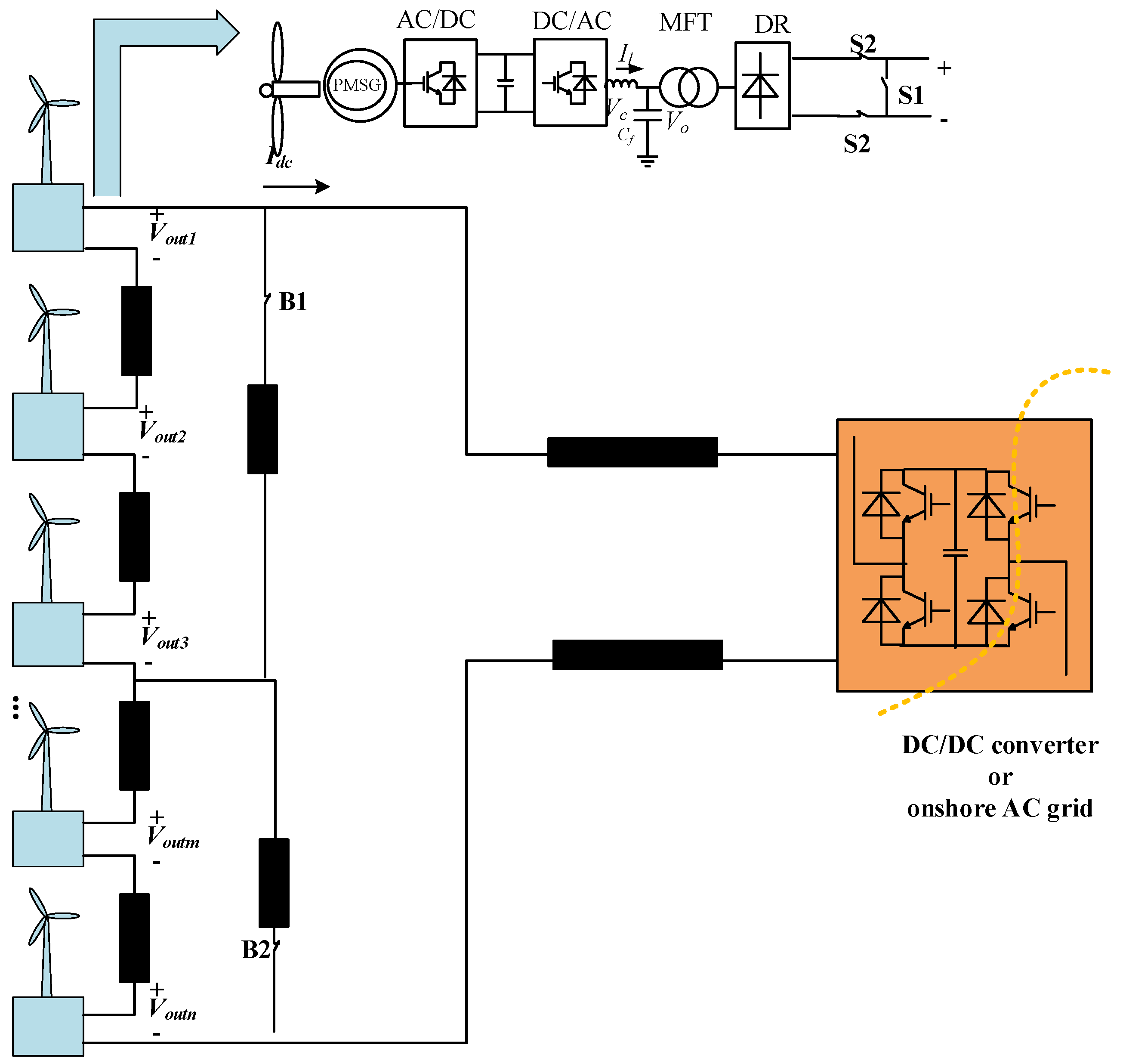
2.1. Topology
2.2. Coupling Mechanism of SCUs
3. System Control Strategy
3.1. Characteristics of DR
3.2. Control Strategy of Receiving End Converter
3.3. Control Strategy of Wind Turbine Converters
4. Fault Analysis and Ride-through Strategy
4.1. Receiving End AC Fault
4.2. DC Grounding Fault
4.3. Open DC Line Fault
5. Simulation
5.1. Start-Up
5.2. Wind Speed Growth Scenario
5.3. AC Fault of Receiving End
5.4. DC Grounding Fault U
6. Conclusions
- (1)
- With the coupling mechanism analysis, it is pointed out that the CDC mode is suitable for SCUs to eliminate energy curtailment without an auxiliary control strategy or equipment during unequal wind speed. Characteristics of DR are analyzed, and the linear relationship among active power, AC voltage of the MF transformer, output DC voltage, and output DC current of SCUs is researched first. Combining DR characteristics and CDC mode, a coordinate control strategy for the DC wind farm is proposed, where the receiving end converter operates as a DC current source with the DC current controller and the offshore wind turbine operates as a DC voltage source with a triple loop mediate AC voltage control strategy. Under the coordinate control strategy, the SCUs can track its MPPT without energy curtailment or overvoltage issues.
- (2)
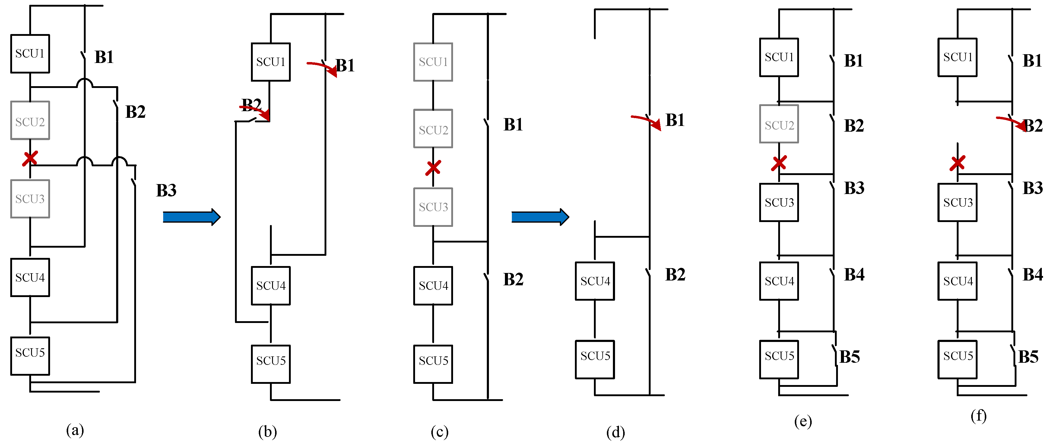
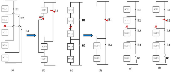
- The fault isolation problems caused by SCUs are analyzed. Benefiting from the unidirectional conduction characteristics of DR, the healthy SCUs can keep operating without special equipment after a grounding DC fault occurs and the AC current of fault ones is smaller than 1.2 pu without destruction of SCUs. Considering the power loss and economy, reconfiguration switches are proposed, and only 40% active power is lost before the broken DC line is repaired. In addition, the characteristics of an AC fault located at the onshore grid are analyzed. A detecting and protection strategy is proposed for onshore AC fault without communication to protect the MMC from destruction quickly with sub-module voltage smaller than 1.12 pu.
Author Contributions
Funding
Institutional Review Board Statement
Informed Consent Statement
Data Availability Statement
Acknowledgments
Conflicts of Interest
References
- Zhao, C.; Jiang, S.; Xie, Y.; Wang, L.; Zhang, D.; Ma, Y.; Zhang, Y.; Li, M. Analysis of Fault and Protection Strategy of a Converter Station in MMC-HVDC System. Sustainability 2022, 14, 5446. [Google Scholar] [CrossRef]
- Apostolaki-Iosifidou, E.; Mccormack, R.; Kempton, W.; Mccoy, P.; Ozkan, D. Transmission Design and Analysis for Large-Scale Offshore Wind Energy Development. IEEE Power Energy Technol. Syst. J. 2019, 6, 22–31. [Google Scholar] [CrossRef]
- Hossain, M.I.; Abido, M.A. SCIG Based Wind Energy Integrated Multiterminal MMC-HVDC Transmission Network. Sustainability 2020, 12, 3622. [Google Scholar] [CrossRef]
- Miyara, R.; Nakadomari, A.; Matayoshi, H.; Takahashi, H.; Hemeida, A.M.; Senjyu, T. A Resonant Hybrid DC Circuit Breaker for Multi-Terminal HVDC Systems. Sustainability 2020, 12, 7771. [Google Scholar] [CrossRef]
- Tian, S.; Campos-Gaona, D.; Lacerda, V.A.; Torres-Olguin, R.E.; Anaya-Lara, O. Novel Control Approach for a Hybrid Grid-Forming HVDC Offshore Transmission System. Energies 2020, 13, 1681. [Google Scholar] [CrossRef] [Green Version]
- Blasco-Gimenez, R.; Ano-Villalba, S.; Rodríguez-D’Derlée, J.; Morant, F.; Bernal-Perez, S. Distributed voltage and frequency control of offshore wind farms connected with a diode-based HVDC link. IEEE Trans. Power Electron. 2010, 25, 3095–3105. [Google Scholar] [CrossRef]
- Bernal-Perez, S.; Ano-Villalba, S.; Blasco-Gimenez, R.; Rodriguez-D’Derlee, J. Efficiency and fault ride-through performance of a diode-rectifier-and VSC-inverter-based HVDC link for offshore wind farms. IEEE Trans. Ind. Electron. 2012, 60, 2401–2409. [Google Scholar] [CrossRef]
- Prignitz, C.; Eckel, H.G.; Knaak, H.J. Voltage and current behavior in a FixReF controlled offshore wind farm using a HVDC transmission system based on uncontrolled diode rectifier units. In Proceedings of the 2016 18th European Conference on Power Electronics and Applications, Karlsruhe, Germany, 5–9 September 2016. [Google Scholar]
- Prignitz, C.; Eckel, H.G.; Achenbach, S.; Augsburger, F.; Schön, A. FixReF: A control strategy for offshore wind farms with different wind turbine types and diode rectifier HVDC transmission. In Proceedings of the 2016 IEEE 7th International Symposium on Power Electronics for Distributed Generation Systems (PEDG), Vancouver, BC, Canada, 27–30 June 2016. [Google Scholar]
- Herrera, D.; Galván, E.; Carrasco, J.M. Method for controlling voltage and frequency of the local offshore grid responsible for connecting large offshore commercial wind turbines with the rectifier diode-based HVDC-link applied to an external controller. IET Electr. Power Appl. 2017, 11, 1509–1516. [Google Scholar] [CrossRef]
- Yu, L.; Li, R.; Xu, L. Distributed PLL-based control of offshore wind turbines connected with diode-rectifier-based HVDC systems. IEEE Trans. Power Deliv. 2018, 33, 1328–1336. [Google Scholar] [CrossRef] [Green Version]
- Li, R.; Yu, L.; Xu, L. Offshore AC fault protection of diode rectifier unit-based HVDC system for wind energy transmission. IEEE Trans. Ind. Electron. 2018, 66, 5289–5299. [Google Scholar] [CrossRef] [Green Version]
- Lian, Y.; Finney, S.J. DC collection networks for offshore generation. In Proceedings of the 2nd IET Renewable Power Generation Conference (RPG 2013), Beijing, China, 9–11 September 2013; pp. 1–4. [Google Scholar]
- Liu, H.; Dahidah, M.S.; Yu, J.; Naayagi, R.T.; Armstrong, M. Design and Control of Unidirectional DC–DC Modular Multilevel Converter for Offshore DC Collection Point: Theoretical Analysis and Experimental Validation. IEEE Trans. Power Electron. 2019, 34, 5191–5208. [Google Scholar] [CrossRef]
- Zhang, H.; Gruson, F.; Rodriguez, D.M.; Saudemont, C. Overvoltage Limitation Method of an Offshore Wind Farm with DC Series-Parallel Collection Grid. IEEE Trans. Sustain. Energy 2019, 10, 204–213. [Google Scholar] [CrossRef] [Green Version]
- Rong, F.; Wu, G.; Li, X.; Huang, S.; Zhou, B. ALL-DC Offshore Wind Farm with Series-Connected Wind Turbines to Overcome Unequal Wind Speeds. IEEE Trans. Power Electron. 2019, 34, 1370–1381. [Google Scholar] [CrossRef]
- Popat, M.; Wu, B.; Liu, F.; Zargari, N. Coordinated Control of Cascaded Current-Source Converter Based Offshore Wind Farm. IEEE Trans. Sustain. Energy 2012, 3, 557–565. [Google Scholar] [CrossRef]
- Guo, G.; Song, Q.; Zhao, B.; Rao, H.; Xu, S.; Zhu, Z.; Liu, W. Series-Connected-Based Offshore Wind Farms with Full-Bridge Modular Multilevel Converter as Grid- and Generator-side Converters. IEEE Trans. Ind. Electron. 2020, 67, 2798–2809. [Google Scholar] [CrossRef]
- Chuangpishit, S.; Tabesh, A.; Moradi-Shahrbabak, Z.; Saeedifard, M. Topology Design for Collector Systems of Offshore Wind Farms with Pure DC Power Systems. IEEE Trans. Ind. Electron. 2014, 61, 320–328. [Google Scholar] [CrossRef]
- Guo, G.; Zha, K.; Zhang, J.; Wang, Z.; Zhang, F.; Cao, J. Grounding Fault in Series-Connection-Based Offshore Wind Farms: Fault Clearance. IEEE Trans. Power Electron. 2020, 35, 9357–9367. [Google Scholar] [CrossRef]
- Lakshmanan, P.; Guo, J.; Liang, J. Energy curtailment of DC series–parallel connected offshore wind farms. IET Renew. Power Gener. 2018, 12, 576–584. [Google Scholar] [CrossRef]
- Xiong, Y.; Yao, W.; Wen, J.; Lin, S.; Ai, X.; Fang, J.; Wen, J.; Cheng, S. Two-Level Combined Control Scheme of VSC-MTDC Integrated Offshore Wind Farms for Onshore System Frequency Support. IEEE Trans. Power Syst. 2020, 29, 781–792. [Google Scholar] [CrossRef]
- Li, Y.; Gao, W.; Huang, S.; Wang, R.; Yan, W.; Gevorgian, V.; Gao, D.W. Data-Driven Optimal Control Strategy for Virtual Synchronous Generator via Deep Reinforcement Learning Approach. J. Mod. Power Syst. Clean Energy 2021, 9, 919–929. [Google Scholar] [CrossRef]
- Holtsmark, N.; Bahirat, H.J.; Molinas, M.; Mork, B.A.; Hoidalen, H.K. An All-DC Offshore Wind Farm with Series-Connected Turbines: An Alternative to the Classical Parallel AC Model. IEEE Trans. Ind. Electron. 2013, 60, 2420–2428. [Google Scholar] [CrossRef]
- Adam, G.P.; Williams, B.W. Half and Full-Bridge Modular Multilevel Converter Models for Simulations of Full-Scale HVDC Links and Multi-terminal DC grids. IEEE J. Emerg. Sel. Top. Power Electron. 2014, 2, 1089–1108. [Google Scholar] [CrossRef] [Green Version]
- Chen, C.; Adam, G.P.; Finney, S.; Fletcher, J.; Williams, B. H-bridge modular multi-level converter: Control strategy for improved DC fault ride-through capability without converter blocking. IET Power Electron. 2015, 8, 1996–2008. [Google Scholar] [CrossRef]
- Adam, G.P.; Davidson, I.E. Robust and Generic Control of Full-Bridge Modular Multilevel Converter High-Voltage DC Transmission Systems. IEEE Trans. Power Deliv. 2015, 30, 2468–2476. [Google Scholar] [CrossRef] [Green Version]
- Cheng, F.; Yao, L.; Xu, J.; Chi, Y.; Sun, Y.; Wang, Z.; Yan, L.A. A comprehensive AC fault ride-through strategy for HVDC link with serial-connected LCC-VSC hybrid inverter. CSEE J. Power Energy Syst. 2022, 8, 175–187. [Google Scholar]
- Xie, L.; Yao, L.; Cheng, F.; Li, Y.; Shuai, L. Coordinate control strategy for stability operation of offshore wind farm integrated with Diode-rectifier HVDC. Global Energy Interconnect. 2020, 3, 205–216. [Google Scholar] [CrossRef]
- Taherbaneh, M.; Jovcic, D.; Taisne, J.P.; Nguefeu, S. DC Fault Performance and Cost Analysis of DC Grids. In Proceedings of the 2013 IEEE Grenoble Conference, Grenoble, France, 16–20 June 2013. [Google Scholar]











| Topology One | Topology Two | Topology Three | |
|---|---|---|---|
| Length of DC cable | 14d | 10d | 10d |
| Number of switches | 3 | 2 | 5 |
| Economy (k/EUR) | 2084 | 2400 | 3720 |
| Estimated power loss | 3Prate | 3Prate | 1Prate |
| Onshore MMC | Rated power | 160 MW |
| DC voltage | 320 kV | |
| DC current | 0.5 kA | |
| Onshore grid voltage | 400 kV | |
| Offshore Wind Farm | Number of SCUs in a string | 8 |
| Rated power of PMSG | 20 MW | |
| Rated frequency | 12 Hz | |
| Rated voltage | 3.6 kV | |
| The output voltage of the AC/DC rectifier | 6 kV | |
| The output voltage of DR converter | 40 kV | |
| Output DC current of DR converter | 0.5 kA | |
| Isolation transformer of SCUs | 250 Hz, Y/∆, 3.3/66, leakage inductance, 1% |
Publisher’s Note: MDPI stays neutral with regard to jurisdictional claims in published maps and institutional affiliations. |
© 2022 by the authors. Licensee MDPI, Basel, Switzerland. This article is an open access article distributed under the terms and conditions of the Creative Commons Attribution (CC BY) license (https://creativecommons.org/licenses/by/4.0/).
Share and Cite
Xie, L.; Cheng, F.; Wu, J. Control Strategy for Offshore Wind Farms with DC Collection System Based on Series-Connected Diode Rectifier. Sustainability 2022, 14, 7860. https://doi.org/10.3390/su14137860
Xie L, Cheng F, Wu J. Control Strategy for Offshore Wind Farms with DC Collection System Based on Series-Connected Diode Rectifier. Sustainability. 2022; 14(13):7860. https://doi.org/10.3390/su14137860
Chicago/Turabian StyleXie, Lijun, Fan Cheng, and Jing Wu. 2022. "Control Strategy for Offshore Wind Farms with DC Collection System Based on Series-Connected Diode Rectifier" Sustainability 14, no. 13: 7860. https://doi.org/10.3390/su14137860
APA StyleXie, L., Cheng, F., & Wu, J. (2022). Control Strategy for Offshore Wind Farms with DC Collection System Based on Series-Connected Diode Rectifier. Sustainability, 14(13), 7860. https://doi.org/10.3390/su14137860

