A Model Based System Commissioning Approach for Nuclear Facilities
Abstract
1. Introduction
2. Literature Review: Commissioning
- Modeling activities must be in accordance with SE practices and processes, with commissioning objectives (performance, safety, and security), and considering both risks and other milestones identified on the global engineering project of a targeted NF.
- Modeling activities must use languages and tools that allow building and working by using a set of models understood and shared by all stakeholders. Furthermore, these modeling means are to be consistent and compliant with commissioning concepts.
- Tools must be chosen as much as possible interoperable, then maybe eventually interchanged in a specific way to manage different activities and to enable digital continuity (modeling, simulating, optimizing, scheduling, approving, etc.).
- Commissioning must be viewed in a holistic manner with a focus on the mission of not only irrigating but also orchestrating SE processes. It means commissioning must lead and promote converging to better confidence in the results throughout the NF life cycle. Finally, good practices, modeling patterns, and experiences inspired by previous projects are considered knowledge resources used for eventually revisiting and enriching the methodology.
- Issue 1: Some inherent concepts, processes, and activities in phase with commissioning objectives are known and practiced in the SE domain. For instance, concepts such as requirements, system, components, IVTV processes, or IVTV Plan are mandatory and already defined. However, there is no real consideration nor orchestration of those processes, activities, and deliverables as it could be relevant if we focus on the commissioning objectives. Indeed, SE promotes processes for both design and realization phases of a so-called System of Interest (SOI) identified as a complex system. We think it would be preferable to enrich these processes considering commissioning relevance and importance or to promote a transverse process allowing us to bridge this gap and take more attention to commissioning in both system design and system realization phases.
- Issue 2: Limitations of principles, languages, modeling rules, and standards to provide models that could then be used and take attention to these commissioning objectives. In the SE domain, the MBSE approach promotes modeling as a crucial activity for many reasons [20], particularly the use of models will allow improving the interoperability between actors involved in both system design and system realization processes, covering naturally commissioning objectives such as safety and security requirement considerations.
- Issue 3: Each project aiming to design then realize and qualify an NF has its own specificities but cannot be interpreted, as such as a first of a kind in the mind of stakeholders. So, it is difficult even unbelievable to share and cross experiences, to reuse models adapted. This complicates a generic definition and formalization of the commissioning.
- Issue 4: Absence or difficulty in using knowledge repositories on commissioning (formalization of a REX, a pattern of good or bad practice, etc.). Indeed, the complexity of each project creates the need for important management of those patterns and a better definition of which REX and pattern are good to use.
- To define clearly and formalize the commissioning, its scope, and its goals in the nuclear field, considering the NF complexity factors summed up above.
- To put in practice commissioning in the reality, to enable and enhance its interactions with the SE processes, and even to induce a responsibility to the team in charge for the actual monitoring and orchestration of these SE processes. Those processes taking place in different life cycle phases, it is significantly important to establish this link as soon as possible, since the design project start that will ensure good and notable interaction between the latter.
3. Commissioning Methodology Description
3.1. Method
- -
- Improve the coordination and the articulation of the different activities of all stakeholders involved both in the design and realization phases of an NF and taking attention to commissioning purpose. The goal is to bridge the gap between SE processes, involving both MBSE practitioners and actors involved in IVTV, each focusing on his/her own objectives (e.g., requirements engineering, architectural design, or integration, verification, or validation of the NF).
- -
- To head and request these stakeholders to converge and particularly to support them in preparing, managing, and performing activities related to reach commissioning objectives (e.g. in terms of resources, means, etc.) for the trials and examinations (contents, deliverable, justifications, pointed out requirements, etc.), components configuration management and more, requested classically in Integration, Verification (of the integration) and Validation (face to the customer and authorities) SE processes;
- -
- Check the wholeness and the relevance of those activities in a global and holistic way.
- -
- Establish, formalize, and optimize the planning of these activities in terms of costs, duration, and performance.
- -
- Last, organize and complete the REX of the pointed-out commissioning, to facilitate its reuse by other projects.
- Concepts: they represent principles (concepts and attributes defining each concept), dependence between these principles (relations and attributes requested to define each relation, when necessary, but also rules and constraints associated with each relation) that are useful to describe, formalize, and handle commissioning. These concepts allow a clear definition of commissioning vocabulary, fused with system engineering vocabulary to create a more consensual and open vocabulary to be used in the nuclear domain. These concepts and relations are crucial to describe and formalize the different activities and processes that are to be done all along with the commissioning phase. They are hereafter formalized by using the metamodeling approach [28]. A metamodel highlights concepts modeled as Classes and Attributes and relations between concepts as Relations with Constraints as presented below.
- Languages: we discuss here essentially Domain Specific Modeling Languages (DSML) [29]. They allow the stakeholders to model commissioning activities, resources, trials... This requires selecting and formalizing sets of concepts and relations that are requested to represent a viewpoint of the commissioning system. Classically, at least functional, physical and behavioral viewpoints are used as promoted in the System Sciences field and, for instance, by the SAGACE approach [30] or more precisely as promoted in the System Engineering domain, for instance by the ARCADIA approach [31]. Formalizing the DSML means selecting an existing Modeling Language that matches with these concepts and relations (example: BPMN for functional viewpoint) or defining abstract and concrete syntaxes, semantic, and modeling and execution rules. Disposing then of various DSML, one or more for each viewpoint, authorizes actors to model the commissioning system and to link from an interoperable manner, all conforming to the common meta-model, related models, and engineering models, e.g., models of Requirements or Architectures.
- Processes: they describe how the method must be used, i.e., how the stakeholders must proceed when considering commissioning problematic. This aims to describe how these users will define and put in place a commissioning system (designed to conduct the commissioning) in phase with the engineering project then irrigate and orchestrate the whole set of SE processes the project requests. These processes are composed of various activities (e.g., to model, to check correctness, to evaluate, to optimize, to run tests, or to provide expected deliverables). Stakeholders involved in these activities then use the proposed concepts and DSML of the method in a consistent way. This has been experimented with at ASSYSTEM where teams are in charge of establishing a methodological guide that allows customers to model the system that will ensure a better check and follow-up of the trials [32].
- Tools: all along with the processes, they support the proposed activities (modeling tools, simulation tools, optimization tools...). They implement the chosen DSML and must manage all the data carried out and exchanged with other tools, for instance, dedicated to engineering activities.
- Knowledge repository: this is a central element of the method that gathers expertise, experiences, design patterns [33], and reference models. This allows users to reuse various parts of past successful experiences and also to reuse and configure for instance existing models already used and validated, reducing modeling duration, errors, or ambiguities. Indeed, it is necessary to draw inspiration from models considered as corresponding to proven solutions. On the contrary, it is also important to take care and to draw inspiration from models that correspond precisely to solutions that could not be applied or could not succeed. The goal is then to avoid reproducing certain past errors and gain time and performance. The following parts present more details of the method elements.
3.1.1. Concepts
- -
- The commissioning SOI [10,37] encapsulates the different activities and tasks that are needed to establish the evidence which allows the responsibility transfer. This SOI is closely linked to the NF itself and interacts with the SE processes. It shares various inputs with its environments (commissioning SUTD in particular) such as various management information (planning, milestones, etc.) and outputs such as all the evidence and justifications needed for the RB and the customer.
- -
- The commissioning SUTD ensures the SOI design, run, manage, and builds a program to follow and ensure the good coordination between commissioning SOI and other SE processes. It is also important to notice that the commissioning SUTD would be allowed to criticize some SE processes outputs (e.g., requirement repository) to harmonize the vocabulary and to avoid any retroactive actions (e.g., requirements repository redaction) that are often encountered during commissioning, especially because there is an important lack of interaction between commissioning and other processes.
- Commissioning Design Time (CDT): the commissioning system, both the SOI and the SUTD, are first defined in a way then validated a priori by specifying the requested activities and resources, the objectives to reach, the constraints and requirements to be taken into consideration from the NF but also from all stakeholders being involved in such activities. The CDT, therefore, starts at the NF’s concept definition stage, which must feed, in terms of feasibility, regulatory, or deployment constraints, for example, and will be irrigated by commissioning system in terms of needs and testing, trials, reviews, and more globally all justification activities.
- Commissioning Run Time (CRT): the commissioning system performs its SOI as defined in CDT and controls its evolution and improvement by performing the SUTD. Indeed, commissioning SUTD must adapt the commissioning SOI as needed according to the various events or situations encountered during the realization of the targeted NF.
- ○
- Implementation consists of the construction of system elements that meet the stakeholders’ requirements and system requirements developed in the engineering life cycle phases, here considered of the NF. These system elements are then integrated to form intermediate aggregates and finally the complete system-of-interest.
- ○
- Integration consists in delivering implemented system elements that compose the system-of-interest (SoI), assembling these implemented elements together, and performing the verification and validation actions (V&V actions) during the assembly. The ultimate goal of system integration is to ensure that the individual system elements function properly as a whole and satisfy the design properties or characteristics of the system.
- ○
- Verification of this integration consists in ensuring its quality in relation to the established design. This consists in defining examinations, reviews, partial tests requiring sometimes to emulate some components not already available for integration, etc. This aims to check step by step the conformity of the result of the integration process with the design.
- ○
- Transition to the customer consists in transferring some of the components manufactured at a separate production site at the customer's site for integration.
- ○
- Validation with the stakeholder’s representatives of the NF development project, including the client. The validation also aims to prepare arguments and facts to support and facilitate the qualification of the NF by nuclear authorities. It consists then of new examinations, reviews, and essentially trials. This allows stakeholders to express themselves with confidence on the relevance of the architectural choices, on the safety, performance, and security of the installation in accordance with their requirements.
- Data such as, for instance, the requirements repository generated by the stakeholders, will be read, and criticized by the commissioning team regarding the various justification activities (e.g., trials realization) that will allow checking the conformity of the NF as it has been integrated with those requirements.
- Material such as, for instance, prototypes, applications, or test benches to be deployed.
3.1.2. Languages (Domain Specific Modelling Languages—DSML)
- Functional/Behavioral view: allows to describe what the commissioning does, not how nor with what it does something, and to describe the information it handles. It describes what users ultimately expect from commissioning when carrying out processes. The functional view enables functional invariants to be identified and structured between several processes or activities. At the same time, the chosen DSML for this view should provide models that can be executed i.e., simulated, or even formally analyzed. By using the same DSML, enables defining and reproducing the expected behavior of the modeled processes, checking various hypotheses and taking into consideration various situations in which these processes must remain able to provide their outputs respecting delays, performance objectives, or resources mobilization rules.
- Organizational view: focuses on the structure of the instances of the commissioning system (resources used and usable), their relations, and links that exist between them.
- Contextual view: presents the commissioning system in its own environment (stakeholders, external organizations, sub-contractors, or internal business units that may be involved) and the interactions that occur between the latter. For such a view it is important to highlight the fact that such models could already exist as the environment of the commissioning is closely linked to the NF environment.
- Informational view: includes all data generated and treated by the commissioning system. It also describes business objects (i.e., information) managed, manipulated, or exchanged by the information system, and how these business objects are manipulated.
3.1.3. Tools
3.1.4. Knowledge Repository
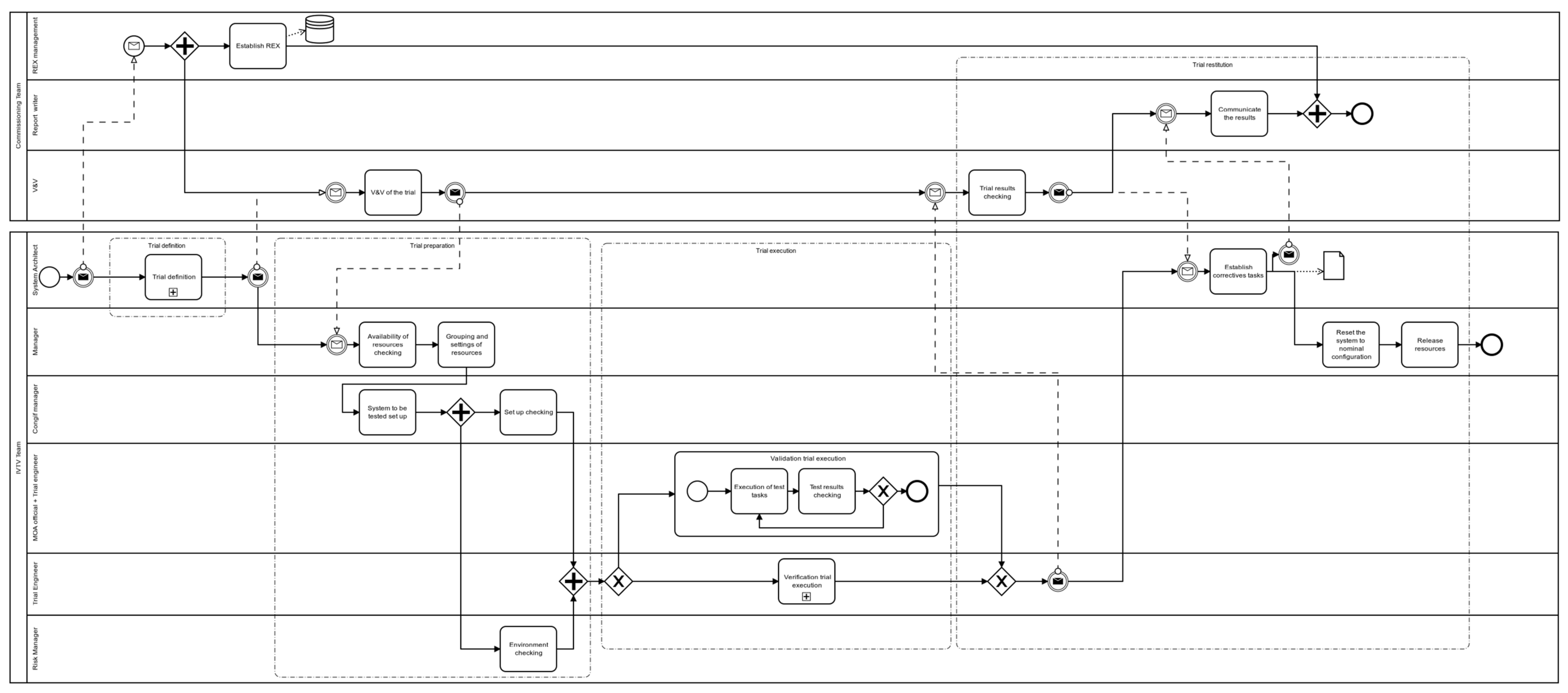
3.2. Case Study Examples
- Establish the contextual view to highlight the interfaces between the commissioning system and the various teams and IT tools that make up the information system.
- Establish the behavioral view allowing us to discuss the sequential chaining of the activities that are run by the different subsystems and actors.
- BoC: Basis of Commissioning
- CI: Commissioning Instruction
- CP: Commissioning Program
- CTP: Commissioning Test Package
- EESR: End of Erection Status Report
- PFW: Permit for Work
- SAN: Sufficient Analysis
- SCF: System Commissioning File
- SCP: System Commissioning Program
4. Conclusions
- Unifying and promoting vocabulary, rules, processes, and activities understood and shared by all the involved stakeholders;
- Remaining in-phase and as soon as possible informing, even piloting various activities from IVTT processes, bridging the gap between commissioning teams and implementation teams;
- Design crosscutting activities at the earliest stages of the project that allow to clearly prepare the commissioning and to anticipate issues that may occur during the project.
5. Future Works
Author Contributions
Funding
Institutional Review Board Statement
Informed Consent Statement
Conflicts of Interest
Appendix A

References
- Aldhaheri, R. Police et Sécurité Des Installations Nucléaires Civiles. Ph.D. Thesis, Université Côte d’Azur (ComUE), Nice, France, 2018. [Google Scholar]
- Brian, L. The Commissioning Process: A Step-by-Step Guide. Burns & McDonnell. Available online: https://www.burnsmcd.com/insightsnews/tech/the-commissioning-process-a-stepbystep-guide (accessed on 30 March 2021).
- IAEA. Commissioning Guidelines for Nuclear Power Plants; IAEA: Vienna, Austria, 2016; Available online: https://www.iaea.org/publications/10975/commissioning-guidelines-for-nuclear-power-plants (accessed on 30 March 2021).
- Gillis, W.L.; Cudney, E.A. A Standard for the Commissioning Process. Front. Eng. Manag. 2015, 2, 39. [Google Scholar] [CrossRef]
- Kirsilä, J.; Hellström, M.; Wikström, K. Integration as a project management concept: A study of the commissioning process in industrial deliveries. Int. J. Proj. Manag. 2007, 25, 714–721. [Google Scholar] [CrossRef]
- IRSN. Faire Avancer la Sûreté Nucléaire; IRSN: Paris, France, 2014. [Google Scholar]
- IAEA. Safety of Nuclear Power Plants: Commissioning and Operation; IAEA: Vienna, Austria, 2016. [Google Scholar]
- Clausner, J.; Jorel, M. Organization and Methodology Applied to the Control of Commissioning Tests to Garantee Safe Operation of Nuclear Units; IAEA: Vienna, Austria, 2016. [Google Scholar]
- Gil, D.; Song, I.-Y. Modeling and Management of Big Data: Challenges and opportunities. Future Gener. Comput. Syst. 2016, 63, 96–99. [Google Scholar] [CrossRef]
- ISO. 14:00-17:00, ISO/IEC 15288:2008; ISO: Geneva, Switzerland, 2008; Available online: https://www.iso.org/cms/render/live/fr/sites/isoorg/contents/data/standard/04/35/43564.html (accessed on 4 May 2021).
- ISO. 14:00-17:00, ISO/IEC TR 29110-1:2016; ISO: Geneva, Switzerland, 2016; Available online: https://www.iso.org/cms/render/live/fr/sites/isoorg/contents/data/standard/06/27/62711.html (accessed on 4 May 2021).
- Lee, H.; Cha, W.C. Virtual Reality-Based Ergonomic Modeling and Evaluation Framework for Nuclear Power Plant Operation and Control. Sustainability 2019, 11, 2630. [Google Scholar] [CrossRef]
- Jézéquel, J.-M.; Combemale, B.; Vojtisek, D. Ingénierie Dirigée par les Modèles: Des concepts à la pratique; Hal-Inria: Bordeaux, France, 2012; p. 144. Available online: https://hal.inria.fr/hal-00648489 (accessed on 4 May 2021).
- Cameron, B.; Adsit, D.M. Model-Based Systems Engineering Uptake in Engineering Practice. IEEE Trans. Eng. Manag. 2020, 67, 152–162. [Google Scholar] [CrossRef]
- INCOSE. Guide for the Application of Systems Engineering in Large Infrastructure Projects; INCOSE: San Diego, CA, USA, 2012. [Google Scholar]
- Voirin, J.-L. Model-Based System and Architecture Engineering with the Arcadia Method; Elsevier: Amsterdam, The Netherlands, 2017. [Google Scholar]
- Kleiner, S.; Kramer, C. Model Based Design with Systems Engineering Based on RFLP Using V6. In Smart Product Engineering; Springer: Berlin/Heidelberg, Germany, 2013; pp. 93–102. [Google Scholar]
- Montgomery, P. Model-Based System Integration (MBSI)—Key Attributes of MBSE from the System Integrator’s Perspective. Procedia Comput. Sci. 2013, 16, 313–322. [Google Scholar] [CrossRef]
- Kim, N.A.e.H. Application d’une Approche MBSE Pour L’intégration de Processus de Conception Multidisciplinaire Technical Papers; Phoenix Integration: Blacksburg, VA, USA, 2014; Available online: https://www.phoenix-int.com/tech-papers/application-dune-approche-mbse-pour-lintegration-de-processus-de-conception-multidisciplinaire/ (accessed on 4 May 2021).
- Comité Technique CT MBSE Archives. AFIS. Available online: http://afis.community/category/comites-techniques-ct/comite-technique-ct-mbse/ (accessed on 4 May 2021).
- Banobi, E.T.; Jung, W. Causes and Mitigation Strategies of Delay in Power Construction Projects: Gaps between Owners and Contractors in Successful and Unsuccessful Projects. Sustainability 2019, 11, 5973. [Google Scholar] [CrossRef]
- NEA. Regulatory Oversight of the Commissioning Phase for New Nuclear Reactors; NEA: Singapore, 2016. [Google Scholar]
- WANO. Traits of a Healthy Nuclear Safety Culture; WANO: Atlanta, GA, USA, 2013. [Google Scholar]
- Commission des Communautés Européennes. Communication de la Commission au Conseil et au Parlement Européen—Protection des Infrastructures Critiques Dans le Cadre de la Lutte Contre le Terrorisme. Available online: https://eur-lex.europa.eu/legal-content/FR/TXT/?uri=celex%3A52004DC0702 (accessed on 30 March 2021).
- Zerger, B.; Noël, M. Nuclear power plant commissioning experience. Prog. Nucl. Energy 2011, 53, 668–672. [Google Scholar] [CrossRef]
- A SEBoK Editorial Board. The Guide to the Systems Engineering Body of Knowledge (SEBoK), v. 2.4; Cloutier, R.J., Ed.; The Trustees of the Stevens Institute of Technology: Hoboken, NJ, USA, 2021; Available online: www.sebokwiki.org (accessed on 1 June 2021).
- Henderson, K.; Salado, A. Value and benefits of model-based systems engineering (MBSE): Evidence from the literature. Syst. Eng. 2021, 24, 51–66. [Google Scholar] [CrossRef]
- Bézivin, J. On the Unification Power of Models. Softw. Syst. Model. 2005, 4, 171–188. [Google Scholar] [CrossRef]
- Nastov, B.; Vincent, C.; Dony, C.; Pfister, F. Towards V&V suitable Domain Specific Modeling Languages for MBSE: A tooled approach. INCOSE Int. Symp. 2016, 26, 556–570. [Google Scholar] [CrossRef]
- Penalva, J.-M.; La modelisation par les systemes en situation complexes. Undefined. 1997. Available online: /paper/La-modelisation-par-les-systemes-en-situation-Penalva/15167022ac5dfd8ba9eeba640c7a0888a8122dfa (accessed on 4 May 2021).
- Roques, P. MBSE with the ARCADIA Method and the Capella Tool; HAL: Toulouse, France, 2016; Available online: https://hal.archives-ouvertes.fr/hal-01258014 (accessed on 4 May 2021).
- Gaignebet, A.; Chapurlat, V.; Zacharewicz, G.; Richet, V.; Plana, R. A contribution to Commissioning as enabler of nuclear infrastructure delivery: Tests and trials program elaboration and management. In Proceedings of the 2020 IEEE International Symposium on Systems Engineering (ISSE), Vienna, Austria, 12 October 2020–12 November 2020; pp. 1–8. [Google Scholar]
- Pfister, F.; Chapurlat, V.; Huchard, M.; Nebut, C.; Wippler, J.-L. A proposed meta-model for formalizing systems engineering knowledge, based on functional architectural patterns. Syst. Eng. 2012, 15, 321–332. [Google Scholar] [CrossRef]
- Faisandier, A.; Adcock, R. SEBoK. Available online: https://www.sebokwiki.org/wiki/Guide_to_the_Systems_Engineering_Body_of_Knowledge_(SEBoK) (accessed on 1 June 2021).
- Cornu, C.; Chapurlat, V.; Quiot, J.-M.; Irigoin, F. Customizable Interoperability Assessment Methodology to support technical processes deployment in large companies. Annu. Rev. Control 2012, 36, 300–308. [Google Scholar] [CrossRef][Green Version]
- Systems of Systems-Dominique Luzeaux, Jean-René Ruault-Iste-Grand Format-Le Hall du Livre NANCY. Available online: https://halldulivre.com/livre/9781848211643-systems-of-systems-dominique-luzeaux-jean-rene-ruault/ (accessed on 4 May 2021).
- ISO. I.T. 29110-1:2016 ISO. Systems and Software Engineering-Lifecycle Profiles for Very Small Entities (VSEs)-Part 1: Overview; ISO: Geneva, Switzerland, 2016. [Google Scholar]
- Bendraou, R.; Combemale, B.; Cregut, X.; Gervais, M.-P. Definition of an Executable SPEM 2.0. In Proceedings of the 14th Asia-Pacific Software Engineering Conference (APSEC’07), Nagoya, Japan, 4–7 December 2007; pp. 390–397. [Google Scholar]
- Dashbalbar, A.; Song, S.-M.; Lee, J.-W.; Lee, B. Towards Enacting a SPEM-based Test Process with Maturity Levels. KSII Trans. Internet Inf. Syst. 2017, 11, 1217–1233. [Google Scholar]
- OMG. Business Process Model and Notation (BPMN), Version 2.0; OMG: Milford, MA, USA, 2013; p. 538. [Google Scholar]








| Source | Exchanged Item | Target | Commissioning Role |
|---|---|---|---|
| Stakeholder’s needs and requirements | Requirements repository | Commissioning | Requirements analysis and comment |
| Commissioning | Commented requirements repository | Stakeholder’s needs and requirements | |
| Integration | Integration Strategy | Commissioning | Elaborate a commissioning strategy that ensures the smooth running of the IVTV plan. Confirm that all those strategies consider all requirements. Give orientation for strategy improvement. Propose and promote specific trials and reviews for qualification. |
| Implementation | Implementation Strategy | Commissioning | |
| Verification | Verification Strategy | Commissioning | |
| Validation | Validation Strategy | Commissioning | |
| Commissioning | Commissioning strategy | IVTV processes RB |
Publisher’s Note: MDPI stays neutral with regard to jurisdictional claims in published maps and institutional affiliations. |
© 2021 by the authors. Licensee MDPI, Basel, Switzerland. This article is an open access article distributed under the terms and conditions of the Creative Commons Attribution (CC BY) license (https://creativecommons.org/licenses/by/4.0/).
Share and Cite
Gaignebet, A.; Chapurlat, V.; Zacharewicz, G.; Richet, V.; Plana, R. A Model Based System Commissioning Approach for Nuclear Facilities. Sustainability 2021, 13, 10520. https://doi.org/10.3390/su131910520
Gaignebet A, Chapurlat V, Zacharewicz G, Richet V, Plana R. A Model Based System Commissioning Approach for Nuclear Facilities. Sustainability. 2021; 13(19):10520. https://doi.org/10.3390/su131910520
Chicago/Turabian StyleGaignebet, Alan, Vincent Chapurlat, Gregory Zacharewicz, Victor Richet, and Robert Plana. 2021. "A Model Based System Commissioning Approach for Nuclear Facilities" Sustainability 13, no. 19: 10520. https://doi.org/10.3390/su131910520
APA StyleGaignebet, A., Chapurlat, V., Zacharewicz, G., Richet, V., & Plana, R. (2021). A Model Based System Commissioning Approach for Nuclear Facilities. Sustainability, 13(19), 10520. https://doi.org/10.3390/su131910520

