Experimental Study on the Effects of a Vertical Jet Impinging on Soft Bottom Sediments
Abstract
1. Introduction
2. Materials and Methods
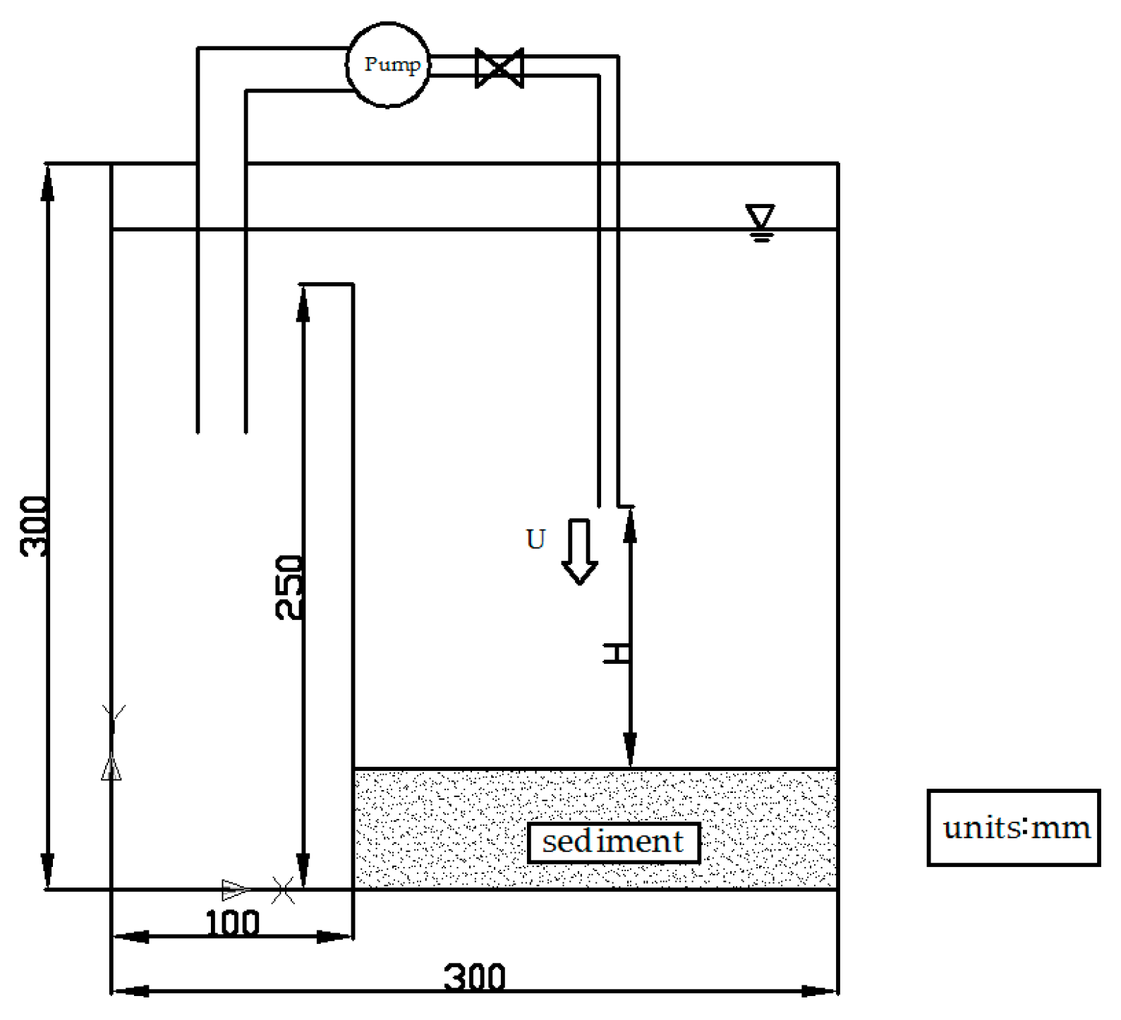
2.1. Experimental Apparatus
2.2. Sediments and Nutrients
2.3. Methods
- (1)
- At the beginning of the experiments, the homogeneous silica particles were spread so that they were flat in the tank and immersed in 0.9 L of artificial pore water. They were then kept undisturbed for 24 h;
- (2)
- (3)
- Water samples were collected from the center of the chambers 5 cm below the water line for measuring the water turbidity and phosphorus concentration. To reduce occasional errors, two replicate samples were collected;
- (4)
- The pump was started. The downwelling flow impinged the sediment-forming scour hole and the shape of the hole was nearly unchanged after 4 h;
- (5)
- The pump was closed and water samples were collected again. For the convenience of measuring the shape of the scour holes, water was carefully drained from the flume by syringes;
- (6)
- The needle water-level gauge was used to approximately measure the shape of the scour hole. The needle was inserted into the hole until it touched the sediment surface and was moved horizontally and vertically. After we had obtained the measured values, this step was repeated three times to minimize errors and the average value was used as the dimension of the hole;
- (7)
- The turbidity and phosphorus concentration of the water samples were measured. The water turbidity was measured by a turbidity meter (SGZ-B) and the phosphorus concentration was analyzed by the phosphomolybdenum blue spectrophotometry method [42];
- (8)
- Steps (1) to (7) were repeated until all tests had been completed.
3. Theoretical Considerations for Sediment Resuspension
4. Results and Discussion
4.1. Experimental Investigations
4.2. Sediment Resuspension
4.3. Phosphorus Release
5. Conclusions
Author Contributions
Funding
Conflicts of Interest
References
- Diaz, R.J.; Rosenberg, R. Spreading dead zones and consequences for marine ecosystems. Science 2008, 321, 926–929. [Google Scholar] [CrossRef] [PubMed]
- Stigebrandt, A.; Gustafsson, B.G. Improvement of baltic proper water quality using large-scale ecological engineering. AMBIO 2007, 36, 280–286. [Google Scholar] [CrossRef]
- Ouchi, K.; Nakahara, H. The deep ocean water upwelling machine using density current-creation of fishing ground and absorption of CO2. In Proceedings of the OCEANS’99 MTS/IEEE, Riding the Crest into the 21st Century, Seattle, WA, USA, 13–16 September 1999; IEEE: Piscataway, NJ, USA, 1999; pp. 1019–1024. [Google Scholar]
- Ouchi, K.; Otsuka, K.; Nakatani, N.; Yamatogi, T.; Awashima, Y. Effects of density current generator in semi-enclosed bay. In Proceedings of the OCEANS 2008-MTS/IEEE Kobe Techno-Ocean, Kobe, Japan, 8–11 April 2008; IEEE: Piscataway, NJ, USA, 2008; pp. 1–5. [Google Scholar]
- Sasaki, J.; Kanayama, S.; Nakase, K.; Kino, S. Effective application of a mechanical circulator for reducing hypoxia in an estuarine trench. Coast. Eng. J. 2009, 51, 31. [Google Scholar] [CrossRef]
- Stigebrandt, A.; Liljebladh, B.; de Brabandere, L.; Forth, M.; Granmo, A.; Hall, P.; Hammar, J.; Hansson, D.; Kononets, M.; Magnusson, M.; et al. An experiment with forced oxygenation of the deepwater of the anoxic By Fjord, western Sweden. Ambio 2015, 44, 42–54. [Google Scholar] [CrossRef]
- Antonini, A.; Lamberti, A.; Archetti, R. OXYFLUX, an innovative wave-driven device for the oxygenation of deep layers in coastal areas: A physical investigation. Coast. Eng. 2015, 104, 54–68. [Google Scholar] [CrossRef]
- Xiao, C.; Fan, W.; Qiang, Y.; Xu, Z.; Pan, Y.; Chen, Y. A tidal pump for artificial downwelling: Theory and experiment. Ocean Eng. 2018, 151, 93–104. [Google Scholar] [CrossRef]
- Schoellhamer, D.H. Anthropogenic sediment resuspension mechanisms in a shallow microtidal estuary. Estuar. Coast. Shelf Sci. 1996, 43, 533–548. [Google Scholar] [CrossRef]
- Ogilvie, B.G.; Mitchell, S.F. Does sediment resuspension have persistent effects on phytoplankton? Experimental studies in three shallow lakes. Freshw. Biol. 2010, 40, 51–63. [Google Scholar] [CrossRef]
- Soares, C.; Sobral, P. Bioturbation and Erodibility of Sediments from the Tagus Estuary. J. Coast. Res. 2009, 25, 1429–1433. [Google Scholar]
- Ferré, B.; De Madron, X.D.; Estournel, C.; Ulses, C.; Corre, G.L. Impact of natural (waves and currents) and anthropogenic (trawl) resuspension on the export of particulate matter to the open ocean. Application to the Gulf of Lion (NW Mediterranean). Cont. Shelf Res. 2008, 28, 15. [Google Scholar] [CrossRef]
- Saint-Béat, B.; Dupuy, C.; Agogué, H.; Carpentier, A.; Chalumeau, J.; Como, S.; David, V.; De Crignis, M.; Duchêne, J.-C.; Fontaine, C. How does the resuspension of the biofilm alter the functioning of the benthos–pelagos coupled food web of a bare mudflat in Marennes-Oléron Bay (NE Atlantic)? J. Sea Res. 2014, 92, 144–157. [Google Scholar] [CrossRef]
- Pardo, M.A.D.L.; Bakker, M.; Kessel, T.V.; Cozzoli, F.; Winterwerp, J.C. Erodibility of soft freshwater sediments in Markermeer: The role of bioturbation by meiobenthic fauna. Ocean Dynam. 2013, 63, 9–10. [Google Scholar]
- Ni, Z.; Zhang, L.; Yu, S.; Jiang, Z.; Zhang, J.; Wu, Y.; Zhao, C.; Liu, S.; Zhou, C.; Huang, X. The porewater nutrient and heavy metal characteristics in sediment cores and their benthic fluxes in Daya Bay, South China. Mar. Pollut. Bull. 2017, 124, 547–554. [Google Scholar] [CrossRef] [PubMed]
- Havens, K.E.; Jin, K.-R.; Iricanin, N.; James, R.T. Phosphorus dynamics at multiple time scales in the pelagic zone of a large shallow lake in Florida, USA. Hydrobiologia 2007, 581, 25–42. [Google Scholar] [CrossRef]
- Järvenpää, M.; Lindström, K. Water turbidity by algal blooms causes mating system breakdown in a shallow-water fish, the sand goby Pomatoschistus minutus. Proc. Biol. Sci. 2004, 271, 2361–2365. [Google Scholar] [CrossRef]
- Nathana, K.; Joelp, A.; Trevorh, B.; Emmal, J. Contemporary ecological threats from historical pollution sources: Impacts of large-scale resuspension of contaminated sediments on sessile invertebrate recruitment. J. Appl. Ecol. 2010, 46, 770–781. [Google Scholar]
- Mehta, A.J. On estuarine cohesive sediment suspension behavior. J. Geophys. Res.-Oceans 1989, 94, 14303–14314. [Google Scholar] [CrossRef]
- Amos, C.L.; Daborn, G.R.; Christian, H.A.; Atkinson, A.; Robertson, A. In situ erosion measurements on fine-grained sediments from the Bay of Fundy. Mar. Geol. 1992, 108, 175–196. [Google Scholar] [CrossRef]
- Cozzoli, F.; Gjoni, V.; Del Pasqua, M.; Hu, Z.; Ysebaert, T.; Herman, P.M.; Bouma, T.J. A process based model of cohesive sediment resuspension under bioturbators’ influence. Sci. Total Environ. 2019, 670, 18–30. [Google Scholar] [CrossRef]
- Pilskaln, C.H.; Churchill, J.H.; Mayer, L.M. Resuspension of sediment by bottom trawling in the gulf of Maine and potential geochemical consequences. Conserv. Biol. 2010, 12, 1223–1229. [Google Scholar] [CrossRef]
- Jones-Lee, A.; Lee, G.F. Role of iron chemistry in controlling the release of pollutants from resuspended sediments. Remediat J. 2010, 16, 33–41. [Google Scholar] [CrossRef]
- Roberts, D.A. Causes and ecological effects of resuspended contaminated sediments (RCS) in marine environments. Environ. Int. 2012, 40, 230–243. [Google Scholar] [CrossRef] [PubMed]
- Fan, W.; Pan, D.; Xiao, C.; Lin, T.; Pan, Y.; Chen, Y. Experimental study on the performance of an innovative tide-induced device for artificial downwelling. Sustainability. 2019, 11, 5268. [Google Scholar] [CrossRef]
- Xiao, C.; Fan, W.; Yao, Z.; Qiang, Y.; Pan, Y.; Chen, Y. On the total entrained flow rate of artificial downwelling. Ocean Eng. 2019, 181, 13–28. [Google Scholar] [CrossRef]
- Jian, H.; Xu, Q.; Xi, B.; Wang, X.; Li, W.; Gao, G.; Huo, S.; Xia, X.; Jiang, T.; Ji, D. Impacts of hydrodynamic disturbance on sediment resuspension, phosphorus and phosphatase release, and cyanobacterial growth in Lake Tai. Environ. Earth Sci. 2015, 74, 3945–3954. [Google Scholar]
- Qian, J.; Zheng, S.S.; Wang, P.F.; Wang, C. Experimental study on sediment resuspension in Taihu Lake under different hydrodynamic disturbances. J. Hydrodyn. 2011, 23, 826–833. [Google Scholar] [CrossRef]
- Colomer, J.; Fernando, H.J.S. Resuspension of sediments by multiple jets. J. Hydraul. Eng. 1999, 125, 765–770. [Google Scholar] [CrossRef]
- Precht, E.; Huettel, M. Advective pore-water exchange driven by surface gravity waves and its ecological implications. Limnol. Oceanogr. 2003, 48, 1674–1684. [Google Scholar] [CrossRef]
- Colomer, J.; Casamitjana, X.; Fernando, H.J.S. Resuspension and Sedimentation of Particles from a Sediment Bed by Turbulent Jets. Appl. Sci. Res. 1997, 59, 229–242. [Google Scholar] [CrossRef]
- Huisman, B.J.A.; Sirks, E.E.; van der Valk, L.; Walstra, D.J.R. Time and spatial variability of sediment grading in the surfzone of a large scale nourishment. J. Coast. Res. 2014, 70, 127–132. [Google Scholar] [CrossRef]
- Scarlatos, P.D. Experiments on water-sediment nutrient partitioning under turbulent, shear and diffusive conditions. Water Air Soil Pollut. 1997, 99, 411–425. [Google Scholar] [CrossRef]
- Schindler, D.W. Evolution of phosphorus limitation in lakes. Science 1977, 195, 260–262. [Google Scholar] [CrossRef] [PubMed]
- Christensen, K.K.; Andersen, F.Ø. Influence of Littorella uniflora on phosphorus retention in sediment supplied with artificial porewater. Aquat. Bot. 1996, 55, 183–197. [Google Scholar] [CrossRef]
- Graca, B.; Witek, Z.; Burska, D.; Białkowska, I.; Łukawska-Matuszewska, K.; Bolałek, J. Pore water phosphate and ammonia below the permanent halocline in the south-eastern Baltic Sea and their benthic fluxes under anoxic conditions. J. Mar. Syst. 2006, 63, 141–154. [Google Scholar] [CrossRef]
- Antonini, A.; Gaeta, M.G.; Lamberti, A. Wave—Induced devices for the oxygenation of deep layer: A physical investigation. Coast. Eng. P 2012, 1, 33. [Google Scholar] [CrossRef]
- Meilan, Q.; Fujisak, K.; Tanaka, K. Sediment resuspension by turbulent jet in an intake pond. J. Hydraul. Res. 2000, 38, 323–330. [Google Scholar]
- Mazurek, K.A.; Rajaratnam, N.; Sego, D.C. Scour of cohesive soil by submerged circular turbulent impinging jets. J. Hydraul. Eng. 2001, 127, 598–606. [Google Scholar] [CrossRef]
- Wu, Y.; Wen, Y.; Zhou, J.; Wu, Y. Phosphorus release from lake sediments: Effects of pH, temperature and dissolved oxygen. KSCE J. Civ. Eng. 2014, 18, 323–329. [Google Scholar] [CrossRef]
- Phillips, I.R.; Burton, E.D.; Hawker, D.W. Effect of diffusion and resuspension on nutrient release from submerged sediments. Toxicol. Environ. Chem. 2005, 87, 373–388. [Google Scholar] [CrossRef]
- Ji, W.; Yu, T. Technical Regulations for Marine Chemical Investigation, 1st ed.; Ocean Press: Beijing, China, 2006; pp. 31–34. [Google Scholar]
- Aderibigbe, O.O.; Rajaratnam, N. Erosion of loose beds by submerged circular impinging vertical turbulent jets. J. Hydraul. Res. 1996, 34, 19–33. [Google Scholar] [CrossRef]
- Chiew, Y.M.; Parker, G. Incipient sediment motion on non-horizontal slopes. J. Hydraul. Res. 1994, 32, 649–660. [Google Scholar] [CrossRef]
- Chee, S.P.; Yuen, E.M. Erosion of unconsolidated gravel beds. Can. J. Civ. Eng. 1985, 12, 559–566. [Google Scholar] [CrossRef]
- Sims, C.; Cotching, B. Erosion and water quality turbidity and sediment loads from selected catchments in north-west Tasmania. Nat. Resour. Manag. 2000, 3, 8–14. [Google Scholar]
- Macdonald, R.K.; Ridd, P.V.; Whinney, J.C.; Piers, L.; Neil, D.T. Towards environmental management of water turbidity within open coastal waters of the Great Barrier Reef. Mar. Pollut. Bull. 2013, 74, 82–94. [Google Scholar] [CrossRef] [PubMed]
- Borglin, S.; Wilke, A.; Jepsen, R.; Lick, W. Parameters affecting the desorption of hydrophobic organic chemicals from sediments. Environ. Toxicol. Chem. 2010, 15, 2254–2262. [Google Scholar] [CrossRef]
- Ouyang, Q.L.; Gao, G.Q.; Liu, S.S.; Shi, X.L.; Ju, H.Y. Study on adsorption and desorption of suspended sediments to phosphorus in Ganjiang River. Adv. Mater. Res. 2012, 599, 669–672. [Google Scholar] [CrossRef]
- Maa, J.P.-Y.; Sanford, L.; Halka, J.P. Sediment resuspension characteristics in Baltimore harbor, Maryland. Mar. Geol. 1998, 146, 137–145. [Google Scholar] [CrossRef]
- Qin, B.; Hu, W.; Gao, G.; Luo, L.; Zhang, J. Dynamics of sediment resuspension and the conceptual schema of nutrient release in the large shallow Lake Taihu, China. Chin. Sci. Bull. 2004, 49, 54–64. [Google Scholar] [CrossRef]
- Pan, Y.; Li, Y.; Fan, W.; Zhang, D.; Chen, Y. A sea trial of air-lift concept artificial upwelling in the East China Sea. J. Atoms Ocean Tech. 2019, 36, 2191–2204. [Google Scholar] [CrossRef]











| Test Number | Jet Height H(cm) | Flow Velocity U(cm/s) | Particle Diameter D(µm) | Sediment Thickness h(cm) | Pore Water Phosphate Concentration C(g/L) | Phosphorus Concentration Differences (µmol/L) | Water Turbidity T(NTU) | Scour Length L(cm) | Scour Depth ε(cm) | Scour Volume V(cm3) |
|---|---|---|---|---|---|---|---|---|---|---|
| 1 | 8 | 35.8 | 75 | 3.3 | 0.011 | 0.050 | 45.4 | 10.48 | 3.30 | 115.9 |
| 2 | 6 | 35.8 | 75 | 3.3 | 0.011 | 0.026 | 130.4 | 12.84 | 3.30 | 198.5 |
| 3 | 4 | 35.8 | 75 | 3.3 | 0.011 | 0.045 | 36.2 | 8.98 | 2.33 | 58.9 |
| 4 | 2 | 35.8 | 75 | 3.3 | 0.011 | 0.015 | 37.9 | 9.44 | 2.21 | 62.8 |
| 5 | 8 | 24.8 | 75 | 3.3 | 0.011 | 0.001 | 10.0 | 6.94 | 0.86 | 16.2 |
| 6 | 6 | 24.8 | 75 | 3.3 | 0.011 | −0.025 | 119.8 | 12.10 | 3.30 | 154.5 |
| 7 | 4 | 24.8 | 75 | 3.3 3.3 | 0.011 | 0.002 | 33.0 | 8.70 | 2.69 | 64.1 |
| 8 | 2 | 24.8 | 75 | 3.3 | 0.011 | −0.007 | 18.7 | 6.54 | 1.71 | 24.6 |
| 9 | 8 | 19.5 | 75 | 3.3 | 0.5 | 0.175 | 6.4 | 6.00 | 2.59 | 29.7 |
| 10 | 6 | 19.5 | 75 | 3.3 | 0.5 | 0.059 | 11.1 | 6.52 | 2.54 | 34.9 |
| 11 | 4 | 19.5 | 75 | 3.3 | 0.5 | 0.046 | 12.0 | 6.26 | 1.83 | 22.6 |
| 12 | 2 | 19.5 | 75 | 3.3 | 0.5 | 0.032 | 11.5 | 5.70 | 1.65 | 17.7 |
| 13 | 8 | 17.0 | 75 | 3.3 | 0.011 | −0.006 | 16.1 | 5.68 | 0.97 | 11.2 |
| 14 | 6 | 17.0 | 75 | 3.3 | 0.011 | 0.001 | 49.6 | 6.06 | 2.05 | 24.0 |
| 15 | 4 | 17.0 | 75 | 3.3 | 0.011 | 0.005 | 125.4 | 12.08 | 3.30 | 177.4 |
| 16 | 2 | 17.0 | 75 | 3.3 | 0.011 | 0.001 | 11.1 | 6.50 | 2.35 | 30.4 |
| 17 | 8 | 35.7 | 120 | 3.5 | 0.5 | 0.129 | 3.9 | 5.56 | 1.63 | 17.8 |
| 18 | 6 | 35.7 | 120 | 3.5 | 0.5 | 0.184 | 6.5 | 6.68 | 2.34 | 32.2 |
| 19 | 4 | 35.7 | 120 | 3.5 | 0.5 | 0.499 | 16.6 | 11.14 | 3.25 | 117.1 |
| 20 | 2 | 35.7 | 120 | 3.5 | 0.5 | 0.421 | 5.4 | 7.28 | 1.51 | 27.4 |
| 21 | 8 | 24.7 | 120 | 3.5 | 0.5 | 0.377 | 0.9 | 4.42 | 1.44 | 9.2 |
| 22 | 6 | 24.7 | 120 | 3.5 | 0.5 | 0.316 | 43.2 | 13.44 | 3.50 | 207.7 |
| 23 | 4 | 24.7 | 120 | 3.5 | 0.5 | 0.153 | 10.2 | 8.66 | 2.76 | 59.8 |
| 24 | 2 | 24.7 | 120 | 3.5 | 0.5 | 0.156 | 4.8 | 5.88 | 1.31 | 17.5 |
| 25 | 8 | 20.2 | 120 | 3.5 | 0.5 | 0.367 | 5.6 | 4.08 | 1.47 | 7.8 |
| 26 | 6 | 20.2 | 120 | 3.5 | 0.5 | 0.076 | 14.6 | 6.24 | 2.30 | 25.9 |
| 27 | 4 | 20.2 | 120 | 3.5 | 0.5 | 0.29 | 7.3 | 6.08 | 1.70 | 18.2 |
| 28 | 2 | 20.2 | 120 | 3.5 | 0.5 | 0.071 | 7.0 | 4.86 | 1.26 | 11.6 |
| 29 | 8 | 16.9 | 120 | 3.5 | 0.5 | 0.377 | 10.2 | 5.76 | 1.89 | 16.1 |
| 30 | 6 | 16.9 | 120 | 3.5 | 0.5 | 0.297 | 12.7 | 6.84 | 2.27 | 33.3 |
| 31 | 4 | 16.9 | 120 | 3.5 | 0.5 | 0.154 | 9.5 | 5.42 | 1.52 | 14.1 |
| 32 | 2 | 16.9 | 120 | 3.5 | 0.5 | 0.283 | 7.1 | 6.14 | 1.69 | 19.6 |
| 33 | 8 | 35.2 | 212 | 3.1 | 0.5 | 0.146 | 3.3 | 5.12 | 1.76 | 14.2 |
| 34 | 6 | 35.2 | 212 | 3.1 | 0.5 | 0.197 | 3.0 | 5.52 | 1.91 | 17.0 |
| 35 | 4 | 35.2 | 212 | 3.1 | 0.5 | 0.132 | 1.0 | 4.26 | 1.26 | 6.5 |
| 36 | 2 | 35.2 | 212 | 3.1 | 0.5 | 0.242 | 5.0 | 4.26 | 1.26 | 6.5 |
| 37 | 8 | 24.8 | 212 | 3.1 | 0.5 | 0.132 | 2.38 | 3.38 | 1.23 | 3.6 |
| 38 | 6 | 24.8 | 212 | 3.1 | 0.5 | 0.267 | 5.4 | 4.26 | 1.45 | 7.3 |
| 39 | 4 | 24.8 | 212 | 3.1 | 0.5 | 0.186 | 2.1 | 3.26 | 0.91 | 2.8 |
| 40 | 2 | 24.8 | 212 | 3.1 | 0.5 | 0.279 | 1.9 | 3.00 | 0.65 | 1.8 |
| 41 | 8 | 19.8 | 212 | 3.1 | 0.5 | 0.063 | 5.4 | 2.66 | 0.88 | 1.8 |
| 42 | 6 | 19.8 | 212 | 3.1 | 0.5 | 0.045 | 2.6 | 4.70 | 1.08 | 9.3 |
| 43 | 4 | 19.8 | 212 | 3.1 | 0.5 | 0.114 | 6.7 | 3.98 | 1.33 | 5.6 |
| 44 | 2 | 19.8 | 212 | 3.1 | 0.5 | 0.084 | 2.2 | 3.02 | 0.93 | 2.4 |
| 45 | 8 | 17.1 | 212 | 3.1 | 0.5 | 0.118 | 2.4 | 3.12 | 1.11 | 2.7 |
| 46 | 6 | 17.1 | 212 | 3.1 | 0.5 | 0.141 | 2.7 | 2.70 | 1.00 | 1.8 |
| 47 | 4 | 17.1 | 212 | 3.1 | 0.5 | 0.115 | 5.4 | 5.74 | 1.81 | 16.9 |
| 48 | 2 | 17.1 | 212 | 3.1 | 0.5 | 0.152 | 2.6 | 2.96 | 0.68 | 1.7 |
| 49 | 8 | 9.9 | 212 | 3.1 | - | - | - | 0.0 | 0.00 | 0 |
| 50 | 2 | 24.8 | 75 | 3.3 | 0.5 | 0.205 | 21.0 | 6.83 | 1.77 | 25.2 |
© 2020 by the authors. Licensee MDPI, Basel, Switzerland. This article is an open access article distributed under the terms and conditions of the Creative Commons Attribution (CC BY) license (http://creativecommons.org/licenses/by/4.0/).
Share and Cite
Fan, W.; Bao, W.; Cai, Y.; Xiao, C.; Zhang, Z.; Pan, Y.; Chen, Y.; Liu, S. Experimental Study on the Effects of a Vertical Jet Impinging on Soft Bottom Sediments. Sustainability 2020, 12, 3775. https://doi.org/10.3390/su12093775
Fan W, Bao W, Cai Y, Xiao C, Zhang Z, Pan Y, Chen Y, Liu S. Experimental Study on the Effects of a Vertical Jet Impinging on Soft Bottom Sediments. Sustainability. 2020; 12(9):3775. https://doi.org/10.3390/su12093775
Chicago/Turabian StyleFan, Wei, Weicheng Bao, Yong Cai, Canbo Xiao, Zhujun Zhang, Yiwen Pan, Ying Chen, and Shuo Liu. 2020. "Experimental Study on the Effects of a Vertical Jet Impinging on Soft Bottom Sediments" Sustainability 12, no. 9: 3775. https://doi.org/10.3390/su12093775
APA StyleFan, W., Bao, W., Cai, Y., Xiao, C., Zhang, Z., Pan, Y., Chen, Y., & Liu, S. (2020). Experimental Study on the Effects of a Vertical Jet Impinging on Soft Bottom Sediments. Sustainability, 12(9), 3775. https://doi.org/10.3390/su12093775

