SCIG Based Wind Energy Integrated Multiterminal MMC-HVDC Transmission Network
Abstract
1. Introduction
- (a)
- Average model was considered while modeling MMC in HVDC network;
- (b)
- Detailed model of MMC with real time simulation results were not presented;
- (c)
- SCIG based wind energy integrated MMC-HVDC system was not reported;
- (d)
- Simplified current source instead of complete dynamics of renewable energy was considered;
- (e)
- The effect of different kinds of faults on the DC link voltage and power flow with grid code requirements were not properly addressed;
- (f)
- Capacitor was placed on the high voltage AC side while forming isolated AC grids for wind energy integration.
2. System Overview and Controller Design
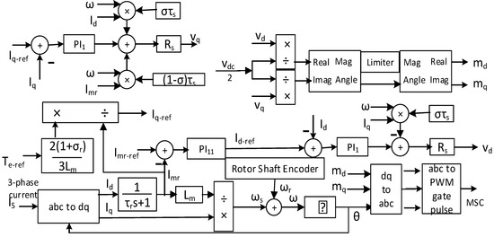
2.1. Wind Generator Side Converter Control for Optimum Wind Energy Integration
2.2. Grid Side Converter Control
2.3. Controller Performance Analysis of Machine Side Converter
2.4. MMC based Multiterminal HVDC Network Control
2.4.1. High Level Control
2.4.2. Low Level Control
2.4.3. MMC Aggregate Model
- ,
- ,
- Vcap_initial = submodule capacitor initial voltage,
- CM = submodule capacitance,
- Nmodule = Number of active submodule,
- Nblock = Number of block submodule,
- N = Number of submodule in upper or lower arm.
3. RTDS Simulation and Discussion
3.1. HVDC Link Voltage Control and Optimum Wind Energy Integration
3.2. Multiterminal Operation of MMC-HVDC Network
3.3. Balanced and Unbalanced Fault Analysis
3.3.1. AC Grids Frequency Change at PCC1
3.3.2. SLG, DLG and 3LG Fault at PCC1
4. Conclusions
- ▪
- SCIG based optimum wind energy integrated MMC-HVDC network was developed;
- ▪
- The dynamics of complete renewable energy farm was considered;
- ▪
- Aggregate model based MMC-HVDC network was developed in MATLAB Simulink;
- ▪
- Detailed model based MMC-HVDC network was developed in RTDS;
- ▪
- The effects of severe balanced and unbalanced faults were analyzed;
- ▪
- Control strategy was developed to fulfill the grid code requirements, converter current and HVDC link voltage limits.
Author Contributions
Funding
Acknowledgments
Conflicts of Interest
Nomenclature
| Wind Generator and SCIG Side Converter: | |
| SCIG | Squirrel cage induction generator |
| MSC | Machine side converter |
| Rs, Rr | SCIG stator and rotor resistance |
| is | SCIG stator current. |
| SCIG stator d-q axis voltage. | |
| SCIG stator d-q axis current. | |
| SCIG magnetizing current. | |
| Rotor angular speed | |
| Angular speed of SCIG stator voltage | |
| SCIG stator line to line rms voltage | |
| Grid Side Converter (GSC): | |
| R, L | Reactor resistance and inductance, |
| PCC | Point of common coupling, |
| PCC angular frequency, | |
| PCC d-q axis current, | |
| PCC d-q axis voltage, | |
| VSC terminal d-q axis voltage | |
| C | DC link capacitance, |
| VDC | DC link voltage, |
| DC link current | |
| MMC Converter: | |
| R, L | Arm reactor resistance and inductance, |
| PCC1 | Point of common coupling of AC grid 1 |
| AC grid angular frequency, | |
| AC grid 3-Ø voltage and current, | |
| AC grid d-q axis voltage, | |
| Ac grid d-q axis current, | |
| MMC terminal d-q axis voltage, | |
| VDC | HVDC link voltage, |
| HVDC link current | |
| C | Submodule capacitance, |
| DC link pole-to-pole capacitance | |
| N | number of submodules |
| Negative sequence d-q axis current, | |
| Negative sequence d-q axis voltage, | |
| SLG | Single line to ground |
| DLG | Double line to ground |
| 3LG | Three line to ground |
| DBR | Dynamic braking resistor |
References
- Alyami, H.; Mohamed, Y. Review and Development of MMC Employed in VSC-HVDC Systems. In Proceedings of the 2017 IEEE 30th Canadian Conference on Electrical and Computer Engineering (CCECE), Windsor, ON, Canada, 3 May–30 April 2017; pp. 1–6. [Google Scholar]
- Hossain, M.I.; Shafiullah, M.; Abido, M. VSC Controllers for Multiterminal HVDC Transmission System: A Comparative Study. Arab. J. Sci. Eng. 2020, 1–12. Available online: https://doi.org/10.1007/s13369-020-04500-y (accessed on 21 April 2020). [CrossRef]
- Alassi, A.; Bañales, S.; Ellabban, O.; Adam, G.; MacIver, C. HVDC Transmission: Technology Review, Market Trends and Future Outlook. Renew. Sustain. Energy Rev. 2019, 112, 530–554. [Google Scholar] [CrossRef]
- Li, Z.; Zhan, R.; Li, Y.; He, Y.; Hou, J.; Zhao, X.; Zhang, X.-P. Recent developments in HVDC transmission systems to support renewable energy integration. Glob. Energy Interconnect. 2018, 1, 595–607. [Google Scholar]
- Saad, H.; Mahseredjian, J.; Dennetière, S.; Nguefeu, S. Interactions studies of HVDC–MMC link embedded in an AC grid. Electr. Power Syst. Res. 2016, 138, 202–209. [Google Scholar] [CrossRef]
- Li, R.; Xu, L.; Holliday, D.; Page, F.; Finney, S.J.; Williams, B.W. Continuous Operation of Radial Multiterminal HVDC Systems Under DC Fault. IEEE Trans. Power Deliv. 2016, 31, 351–361. [Google Scholar] [CrossRef]
- Stamatiou, G.; Bongiorno, M. Power-dependent droop-based control strategy for multi-terminal HVDC transmission grids. IET Gener. Transm. Distrib. 2017, 11, 383–391. [Google Scholar] [CrossRef]
- Beerten, J.; Cole, S.; Belmans, R. Modeling of Multi-Terminal VSC HVDC Systems With Distributed DC Voltage Control. IEEE Trans. Power Syst. 2014, 29, 34–42. [Google Scholar] [CrossRef]
- Masmoudi, E.A.; Zhu, Z.Q.; Hu, J. Electrical machines and power-electronic systems for high-power wind energy generation applications: Part I—Market penetration, current technology and advanced machine systems. COMPEL Int. J. Comput. Math. Electr. Electron. Eng. 2012, 32, 7–33. [Google Scholar]
- Goudarzi, N.; Zhu, W.D. A review on the development of wind turbine generators across the world. Int. J. Dyn. Control 2013, 1, 192–202. [Google Scholar] [CrossRef]
- Zhang, Z.; Matveev, A.; Ovrebø, S.; Nilssen, R.; Nysveen, A. State of the Art in Generator Technology for Offshore Wind Energy Conversion Systems. In Proceedings of the 2011 IEEE International Electric Machines and Drives Conference, IEMDC 2011, Niagara Falls, ON, Canada, 15–18 May 2011; pp. 1131–1136. [Google Scholar]
- Sayigh, A.A.M.; Milborrow, D. The Age of Wind Energy: Progress and Future Directions from a Global Perspective; Springer International Publishing: Cham, Switzerland, 2020. [Google Scholar]
- Li, X.; Guo, L.; Hong, C.; Zhang, Y.; Li, Y.W.; Wang, C. Hierarchical Control of Multiterminal DC Grids for Large-Scale Renewable Energy Integration. IEEE Trans. Sustain. Energy 2018, 9, 1448–1457. [Google Scholar] [CrossRef]
- Yanchen, Y.; Shicong, M.; Yingbiao, L. Analysis and control strategy of unbalanced power in MMC-HVDC grid. J. Eng. 2017, 2017, 2211–2214. [Google Scholar] [CrossRef]
- Tada, K.; Sato, T.; Umemura, A.; Takahashi, R.; Tamura, J.; Matsumura, Y.; Yamaguchi, D.; Kudo, H.; Niiyama, M.; Taki, Y. Frequency control of power system including PV and wind farms by using output frequency band control of HVDC interconnection line. J. Eng. 2019, 2019, 4879–4883. [Google Scholar] [CrossRef]
- Lyu, J.; Cai, X.; Molinas, M. Optimal Design of Controller Parameters for Improving the Stability of MMC-HVDC for Wind Farm Integration. IEEE J. Emerg. Sel. Top. Power Electron. 2018, 6, 40–53. [Google Scholar] [CrossRef]
- Liang, J.; Jing, T.; Gomis-Bellmunt, O.; Ekanayake, J.; Jenkins, N. Operation and Control of Multiterminal HVDC Transmission for Offshore Wind Farms. IEEE Trans. Power Deliv. 2011, 26, 2596–2604. [Google Scholar] [CrossRef]
- Liang, J.; Gomis-Bellmunt, O.; Ekanayake, J.; Jenkins, N.; An, W. A multi-terminal HVDC transmission system for offshore wind farms with induction generators. Int. J. Electr. Power Energy Syst. 2012, 43, 54–62. [Google Scholar] [CrossRef]
- Raza, M.; Peñalba, M.A.; Gomis-Bellmunt, O. Short circuit analysis of an offshore AC network having multiple grid forming VSC-HVDC links. Int. J. Electr. Power Energy Syst. 2018, 102, 364–380. [Google Scholar] [CrossRef]
- Cui, S.; Lee, H.-J.; Jung, J.-J.; Lee, Y.; Sul, S.-K. A Comprehensive AC-Side Single-Line-to-Ground Fault Ride Through Strategy of an MMC-Based HVDC System. IEEE J. Emerg. Sel. Top. Power Electron. 2018, 6, 1021–1031. [Google Scholar] [CrossRef]
- Olowookere, O.; Skarvelis-Kazakos, S.; Habtay, Y.; Woodhead, S. AC Fault Ride through of Modular Multilevel Converter VSC-HVDC Transmission Systems. In Proceedings of the 2015 50th International Universities Power Engineering Conference (UPEC), Stroke-on-Trent, UK, 1–4 September 2015; pp. 1–6. [Google Scholar]
- Feltes, C.; Wrede, H.; Koch, F.W.; Erlich, I. Enhanced Fault Ride-Through Method for Wind Farms Connected to the Grid Through VSC-Based HVDC Transmission. IEEE Trans. Power Syst. 2009, 24, 1537–1546. [Google Scholar] [CrossRef]
- Xu, L.; Andersen, B.R. Grid connection of large offshore wind farms using HVDC. Wind Energy 2006, 9, 371–382. [Google Scholar] [CrossRef]
- Nanou, S.; Papathanassiou, S. Evaluation of a communication-based fault ride-through scheme for offshore wind farms connected through high-voltage DC links based on voltage source converter. IET Renew. Power Gener. 2015, 9, 882–891. [Google Scholar] [CrossRef]
- Cui, S.; Lee, H.-J.; Jung, J.-J.; Lee, Y.; Sul, S.-K. A Comprehensive AC Side Single Line to Ground Fault Ride through Strategy of a Modular Multilevel Converter for HVDC System. In Proceedings of the 2015 IEEE Energy Conversion Congress and Exposition (ECCE), Montreal, QC, Canada, 20–24 September 2015; pp. 5378–5385. [Google Scholar]
- Oguma, K.; Akagi, H. Low-Voltage-Ride-Through (LVRT) Control of an HVDC Transmission System Using Two Modular Multilevel DSCC Converters. IEEE Trans. Power Electron. 2017, 32, 5931–5942. [Google Scholar] [CrossRef]
- Beza, M.; Bongiorno, M. Identification of resonance interactions in offshore-wind farms connected to the main grid by MMC-based HVDC system. Int. J. Electr. Power Energy Syst. 2019, 111, 101–113. [Google Scholar] [CrossRef]
- Jing, Y.; Li, R.; Xu, L.; Wang, Y. Enhanced AC voltage and frequency control on offshore MMC station for wind farm. J. Eng. 2017, 2017, 1264–1268. [Google Scholar] [CrossRef]
- Yu, L.; Li, R.; Xu, L. Distributed PLL-Based Control of Offshore Wind Turbines Connected with Diode-Rectifier-Based HVDC Systems. IEEE Trans. Power Deliv. 2018, 33, 1328–1336. [Google Scholar] [CrossRef]
- Yazdani, A.; Iravani, R. Voltage-Sourced Converters in Power Systems: Modeling, Control, and Applications; IEEE Press/John Wiley: Hoboken, NJ, USA, 2010. [Google Scholar]
- Slootweg, J.G.; Polinder, H.; Kling, W.L. Representing Wind Turbine Electrical Generating Systems in Fundamental Frequency Simulations. IEEE Trans. Energy Convers. 2003, 18, 516–524. [Google Scholar] [CrossRef]
- He, L.; Zhang, K.; Xiong, J.; Fan, S. A Repetitive Control Scheme for Harmonic Suppression of Circulating Current in Modular Multilevel Converters. IEEE Trans. Power Electron. 2015, 30, 471–481. [Google Scholar] [CrossRef]
- Agelidis, V.G.; Pou, J.; Ceballos, S.; Darus, R.; Konstantinou, G. Controllers for eliminating the ac components in the circulating current of modular multilevel converters. IET Power Electron. 2016, 9, 1–8. [Google Scholar]
































| Quantity | Value |
|---|---|
| Wind turbine parameters | |
| Rated turbine power | 2 MW |
| Generator speed at rated turbine speed | 1 pu |
| Rated wind speed | 12 m/s |
| Squirrel cage induction generator and controller parameters | |
| Nominal power | 2 MW |
| Stator voltage (L-L) | 690 V |
| Rated frequency | 50 Hz |
| Stator resistance, Rs | 1 mΩ |
| Rotor resistance, Rr | 1.3 mΩ |
| Total stator inductance, Ls | 2.55 mH |
| Total rotor inductance, Lr | 2.56 mH |
| Magnetizing inductance, Lm | 2.44 mH |
| PI1 | 311 + 1400/s pu |
| PI11 | 180 + 112.5/s pu |
| Grid side voltage source converter parameters | |
| DC link Voltage | 1.5 kV |
| Transformer rated power | 2.2 MVA |
| Total inductance | 0.20 pu |
| Total resistance | 0.005 pu |
| PI3 | 0.64 + 5/s pu |
| PI4 | 1 + 100/s pu |
| Quantity | Value |
|---|---|
| MMC Controller parameters | |
| Rated voltage (L-L) | 100 kV |
| Rated power | 500 MW |
| Rated frequency | 50 Hz |
| Rated DC link voltage | 200 kV |
| Total number of submodule per arm | 200 |
| Arm inductance | 0.15 pu |
| Arm resistance | 0.0015 pu |
| Modulation | Nearest level |
| MMC 4 AC voltage controller parameters | |
| PI7 | |
| MMC DC link voltage controller parameters | |
| PI4 | |
| MMC P and Q controller parameters | |
| PI5 = PI6 | |
| ALL MMC current controller parameters | |
| PI8 | |
| Modulation | Nearest level |
| Short circuit ratio of strong AC grids | 10 |
| AC grids X/R ratio | 7 |
| DC line resistance | 1.39 mΩ/km |
| DC line inductance | 0.159 mH/km |
| DC line capacitance | 0.231 µF/km |
© 2020 by the authors. Licensee MDPI, Basel, Switzerland. This article is an open access article distributed under the terms and conditions of the Creative Commons Attribution (CC BY) license (http://creativecommons.org/licenses/by/4.0/).
Share and Cite
Hossain, M.I.; Abido, M.A. SCIG Based Wind Energy Integrated Multiterminal MMC-HVDC Transmission Network. Sustainability 2020, 12, 3622. https://doi.org/10.3390/su12093622
Hossain MI, Abido MA. SCIG Based Wind Energy Integrated Multiterminal MMC-HVDC Transmission Network. Sustainability. 2020; 12(9):3622. https://doi.org/10.3390/su12093622
Chicago/Turabian StyleHossain, Md Ismail, and Mohammad A. Abido. 2020. "SCIG Based Wind Energy Integrated Multiterminal MMC-HVDC Transmission Network" Sustainability 12, no. 9: 3622. https://doi.org/10.3390/su12093622
APA StyleHossain, M. I., & Abido, M. A. (2020). SCIG Based Wind Energy Integrated Multiterminal MMC-HVDC Transmission Network. Sustainability, 12(9), 3622. https://doi.org/10.3390/su12093622

