Performance Analyses of Temperature Controls by a Network-Based Learning Controller for an Indoor Space in a Cold Area
Abstract
1. Introduction
1.1. Building Thermal Controls
1.2. Problem Statement
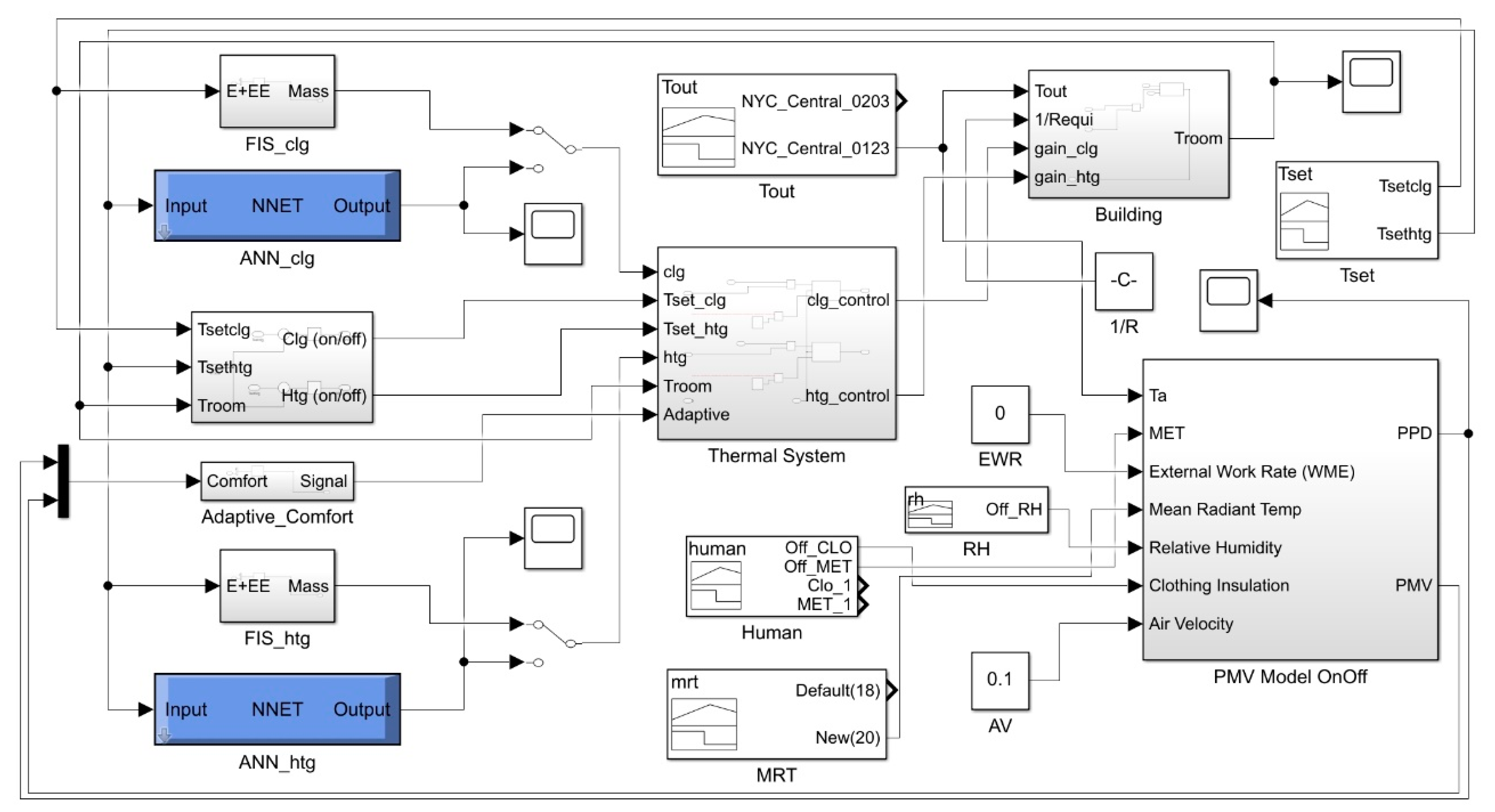
2. Methodology
2.1. Design Strategy
- (1)
- Based on the envelope conditions, a thermal transfer model for a space calculate the heating (or cooling) energy transfer responding to the outdoor temperature;
- (2)
- When the thermal energy transfer is calculated, an energy supply model optimizes supply air conditions by means of the amount of air and its temperature;
- (3)
- After the process, a thermal comfort model calculates the space’s PMV (and PPD) level.
- (4)
- If the PMV level is out of the range of a designated level (−0.5 < x < 0.5), an adaptive controller adjusts the setpoint temperature within the set value range;
- (5)
- If the PMV level is still out of the range of a designated level (−0.5 < x < 0.5), the adaptive controller additionally adds weighted values for the setpoint temperature;
- (6)
- If the PMV value is still outside the set value despite of performing these two processes, the adaptive controller repeats the previous two processes;
- (7)
- In any point of the previous three processes, if the PMV value is within the designated level, the optimization process of the supply air is carried out without any additional setpoint temperature adjustment.
2.2. HVAC Model
2.3. Thermal Comfort Model
2.4. Thermostat On-Off Controller
2.5. Fuzzy Inference System (FIS) Controller
2.6. Artificial Neural Network (ANN) Controller
2.7. Simulation Model
3. Results
3.1. Indoor Temperature
3.2. Heating Gain
4. Discussion
4.1. Comparison of Thermal Comfort
4.2. Comparison of Energy Demand
4.3. Comparison of Controlled Signals
5. Conclusions
Funding
Conflicts of Interest
Nomenclature
| A | area (m2) |
| Cv | specific heat capacity at constant volume (J/kg·K) |
| Cp | specific heat capacity at constant pressure (J/kg·K) |
| D | depth of envelope components (m) |
| E | difference between set-point and room temperature (°C) |
| ΔE | derivative of E |
| h | convection heat transfer coefficient (W/m2·K) |
| hin | specific enthalpy into room (J/kg) |
| hout | specific enthalpy out from room (J/kg) |
| IAE | Integral of Absolute Error between set-point and room temperature (no unit) |
| k | transmission coefficient (W/m·K) |
| ht | mass flow-rate from heater (kg/h) |
| mroomair | mass of air in room (kg) |
| Qloss | heat loss by convection and transmission (J) |
| Qgain | heat gain by convection and transmission (J) |
| R | thermal resistance (m·K/W) |
| R2 | fraction of variance |
| t | time |
| Tht | air temperature into room (°C) |
| Tout | outdoor temperature |
| Troom | room temperature (°C) |
| Tset | set-point temperature (°C) |
| u | internal energy (J) |
| W | work (J) |
References
- Zhuang, M.; Atherton, D. Automatic tuning of optimum PID controllers. In Control Theory and Applications; IET Digital Library: Stevenage, UK, 1993; pp. 216–224. [Google Scholar]
- Tan, W.; Liu, J.; Fang, F.; Chen, Y. Tuning of PID controllers for boiler-turbine units. ISA Trans. 2004, 43, 571–583. [Google Scholar] [CrossRef]
- Braun, J.; Montgomery, K.; Chaturvedi, N. Evaluating the Performance of Building Thermal Mass Control Strategies. HVAC&R Res. 2001, 7, 403–428. [Google Scholar]
- Malhotra, R.; Sodhi, R. Boiler flow control using PID and fuzzy logic controller. Int. J. Comp. Sci. Eng. 2011, 1, 315–319. [Google Scholar]
- Groscurth, H.; Kress, K. Fuzzy data compression for energy optimization models. Energy 1998, 23, 1–9. [Google Scholar] [CrossRef]
- Fazzolari, M.; Alcala, R.; Nojima, Y.; Ishibuchi, H.; Herrera, F. A Review of the Application of Multiobjective Evolutionary Fuzzy Systems: Current Status and Further Directions. Fuzzy Syst. 2013, 21, 45–65. [Google Scholar] [CrossRef]
- Škrjanc, I.; Zupančič, B.; Furlan, B.; Krainer, A. Theoretical and experimental FUZZY modelling of building thermal dynamic response. Build. Environ. 2001, 36, 1023–1038. [Google Scholar] [CrossRef]
- Zhang, J.; Ou, J.; Sun, D. Study on Fuzzy Control for HVAC Systems. ASHRAE 2003, 18, 13–36. [Google Scholar] [CrossRef]
- Alcala, R. Fuzzy Control of HVAC Systems Optimized by Genetic Algorithms. Appl. Int. 2003, 18, 155–177. [Google Scholar]
- Wong, S.; Wan, K.; Lam, T. Artificial neural networks for energy analysis of office buildings with daylighting. Appl. Energy 2010, 87, 551–557. [Google Scholar] [CrossRef]
- Bourdeau, M.; Qiang Zhai, X.; Nefzaoui, E.; Guo, X.; Chatellier, P. Modeling and forecasting building energy consumption: A review of data-driven techniques. Sustain. Cities Soc. 2019, 48, 11533. [Google Scholar] [CrossRef]
- Simanic, B.; Nordquist, B.; Bagge, H.; Johansson, D. Influence of User-Related Parameters on Calculated Energy Use in Low-Energy School Buildings. Energies 2020, 13, 2985. [Google Scholar] [CrossRef]
- Palladio, D.; Nardi, I.; Burati, C. Artificial Neural Network for the Thermal Comfort Index Prediction: Development of a New Simplified Algorithm. Energies 2019, 12, 4187. [Google Scholar]
- Jung, Y. Analysis of Air Flow Distribution according to the Positions of Computer Room Air Conditioning and Perforated Plate in a Server Room of Data Center. KIEAE J. 2019, 19, 83–88. [Google Scholar] [CrossRef]
- Soyguder, S.; Alli, H. Predicting of fan speed for energy saving in HVAC system based on adaptive network based fuzzy inference system. Expert Syst. Appl. 2009, 36, 8631–8638. [Google Scholar] [CrossRef]
- Ahn, J.; Cho, S.; Chung, D. Analysis of energy and control efficiencies of fuzzy logic and artificial neural network technologies in the heating energy supply system responding to the changes of user demands. Appl. Energy 2017, 190, 222–231. [Google Scholar] [CrossRef]
- Moon, J.; Ahn, J. Improving sustainability of ever-changing building spaces affected by users’ fickle taste: A focus on human comfort and energy use. Energy Build. 2020, 208, 109662. [Google Scholar] [CrossRef]
- Singh, M.; Attia, S.; Mahapatra, S.; Teller, J. Assessment of thermal comfort in existing pre-1945 residential building stock. Energy 2016, 98, 122–134. [Google Scholar] [CrossRef]
- Ahn, J.; Chung, D.; Cho, S. Performance analysis of space heating smart control models for energy and control effectiveness in five different climate zones. Build. Environ. 2017, 115, 316–331. [Google Scholar] [CrossRef]
- Prowler, D.; Vierra, S. Space types. In Whole Building Design Guide; National Institute of Building Science: Washington, DC, USA, 2008; Available online: https://www.wbdg.org/space-types (accessed on 15 March 2018).
- Hussain, S.; Gabbar, H.A.; Bondarenko, D.; Musharavati, F.; Pokharel, S. Comfort-based fuzzy control optimization for energy conservation in HVAC systems. Control Eng. Pract. 2014, 32, 172–182. [Google Scholar] [CrossRef]
- Hamdi, M.; Lachiver, G. A Fuzzy control system based on the human sensation of thermal comfort. In Proceedings of the International Conference on Fuzzy Systems, Anchorage, AK, USA, 4–9 May 1998; pp. 487–492. [Google Scholar]
- Ren, Z.; Chen, D. Modelling study of the impact of thermal comfort criteria on housing energy use in Australia. Appl. Energy 2018, 210, 152–166. [Google Scholar] [CrossRef]
- Park, S.; Cho, S.; Ahn, J. Improving the quality of building spaces that are planned mainly on loads rather than residents: Human comfort and energy savings for warehouses. Energy Build. 2018, 178, 38–48. [Google Scholar] [CrossRef]
- Sung, L.; Ahn, J. Comparative Analyses of Energy Efficiency between on-Demand and Predictive Controls for Buildings’ Indoor Thermal Environment. Energies 2020, 13, 1089. [Google Scholar] [CrossRef]
- Ahn, J.; Chung, D.; Cho, S. Network-based energy supply optimal system in the condition where both heating and cooling are required simultaneously in a swing season. Intel. Build. Int. 2018, 10, 42–57. [Google Scholar] [CrossRef]
- Yang, S.; Wan, M.P.; Ng, B.F.; Zhang, T.; Babu, S.; Zhang, Z.; Dubey, S. A state-space thermal model incorporating humidity and thermal comfort for model predictive control in buildings. Energy Build. 2018, 170, 25–39. [Google Scholar] [CrossRef]
- Lauster, M.; Teichmann, J.; Fuchs, M.; Streblow, R.; Mueller, D. Low order thermal network models for dynamic simulations of buildings on city district scale. Build. Environ. 2014, 73, 223–231. [Google Scholar] [CrossRef]
- Bakhtiari, H.; Akander, J.; Cehlin, M.; Hayati, A. On the Performance of Night Ventilation in a Historic Office Building in Nordic Climate. Energies 2020, 13, 4159. [Google Scholar] [CrossRef]
- Ahn, J.; Cho, S. Anti-logic or common sense that can hinder machine’s energy performance: Energy and comfort control models based on artificial intelligence responding to abnormal indoor environments. Appl. Energy 2017, 204, 117–130. [Google Scholar] [CrossRef]
- Lee, S.; Joe, J.; Karava, P.; Bilionis, I.; Tzempelikos, A. Implementation of a self-tuned HVAC controller to satisfy occupant thermal preferences and optimize energy use. Energy Build. 2019, 194, 301–316. [Google Scholar] [CrossRef]
- Engineering Toolbox. Recommended Indoor Temperatures Summer and Winter. Available online: http://www.engineeringtoolbox.com (accessed on 11 November 2016).
- ASHRAE. Thermal Environmental Conditions for Human Occupancy; ASHRAE Standard 55-2004; ASHRAE: Atlanta, GA, USA, 2004. [Google Scholar]
- Bergman, T.; Incropera, F.P.; DeWitt, D.P.; Lavine, A.S. Fundamentals of Heat and Mass Transfer; John Wiley & Sons: New York, NY, USA, 2018; ISBN ES8-1-119-32042-5. [Google Scholar]
- Petković, D.; Ćojbašić, Ž.; Nikolić, V.; Shamshirband, S.; Kiah, M.L.M.; Anuar, N.B.; Wahab, A.W.A. Adaptive neuro-fuzzy maximal power extraction of wind turbine with continuously variable transmission. Energy 2014, 64, 868–874. [Google Scholar] [CrossRef]
- Braspenning, P.; Thuijsman, F.; Weijters, A. Artificial Neural Networks; Springer: Berlin/Heidelberg, Germany, 1995; ISBN 978-3-540-59488-8. [Google Scholar]
- O’Reilly. Introduction to Artificial Neural Networks; O’Reilly: Newton, MA, USA, 2020; Chapter 1; Available online: https://www.oreilly.com (accessed on 8 May 2020).















| Geometry | Unit | Value | |
|---|---|---|---|
| Room | Width × Depth × Height | m | 23.80 × 23.80 × 3.65 |
| Wall | Area | m2 | 347.48 |
| Depth | m | 0.2 | |
| Thermal Resistance | hour∙°C/J | 1.60 × 10−6 | |
| Window | Area | m2 | 6.00 |
| Depth | m | 0.01 | |
| Thermal Resistance | hour∙°C/J | 5.94 × 10−7 | |
| Controller | Standard Deviation of the Daily PMV Values | Efficiency (%) |
|---|---|---|
| Thermostat | 1.29 | - |
| FIS | 1.27 | −1.76 |
| ANN | 1.06 | −17.83 |
| Controller | Daily Energy Transfer (MJ) | Efficiency (%) |
|---|---|---|
| Thermostat | 7.15 | - |
| FIS | 6.92 | −3.30 |
| ANN | 6.93 | −3.10 |
Publisher’s Note: MDPI stays neutral with regard to jurisdictional claims in published maps and institutional affiliations. |
© 2020 by the author. Licensee MDPI, Basel, Switzerland. This article is an open access article distributed under the terms and conditions of the Creative Commons Attribution (CC BY) license (http://creativecommons.org/licenses/by/4.0/).
Share and Cite
Ahn, J. Performance Analyses of Temperature Controls by a Network-Based Learning Controller for an Indoor Space in a Cold Area. Sustainability 2020, 12, 8515. https://doi.org/10.3390/su12208515
Ahn J. Performance Analyses of Temperature Controls by a Network-Based Learning Controller for an Indoor Space in a Cold Area. Sustainability. 2020; 12(20):8515. https://doi.org/10.3390/su12208515
Chicago/Turabian StyleAhn, Jonghoon. 2020. "Performance Analyses of Temperature Controls by a Network-Based Learning Controller for an Indoor Space in a Cold Area" Sustainability 12, no. 20: 8515. https://doi.org/10.3390/su12208515
APA StyleAhn, J. (2020). Performance Analyses of Temperature Controls by a Network-Based Learning Controller for an Indoor Space in a Cold Area. Sustainability, 12(20), 8515. https://doi.org/10.3390/su12208515
