Multi-Port DC-DC and DC-AC Converters for Large-Scale Integration of Renewable Power Generation
Abstract
1. Introduction
2. Multi-Port Converter
2.1. Fundamentals and Basic Theoretical Analysis
Pac2 = 1.5Vm2Im2cos(δ2 + φ2) = 3Vdc2Id2
2.2. Basis of Control System
2.3. Modelling and Control Systems
- In islanding or grid forming mode, the most outer controllers on d and q axes regulate direct and quadrature axis voltages in an effort to establish stiff AC voltage bus and set the current the current orders for the inner current controllers.
- In grid following, the most outer controllers on d and q axes regulate active power exchange with AC side/or DC voltage and reactive power exchange with AC side/or AC voltage, respectively, and set the current the current orders for the inner current controllers.
- The inner d and q controllers estimate the required AC components of the modulation signals for controlling real and reactive power flows between the sub-converters and AC and DC sides.
- Per phase-leg proportional-resonant controllers tuned at double power frequency are included in each sub-converter as shown in Figure 2 to estimate the required 2nd order harmonic voltage to be injected into the common-mode loop in order to suppress the circulating currents in the MMC arms.
- For simplicity and considering the scope of this work, the DC modulation index of each phase-leg is deliberately regulated at 1. Please refer to [18] for detailed derivation of the control system.
3. Simulations
3.1. Two-Port Converter
3.1.1. Demonstration of Enhanced Control Flexibility When Both AC and DC Sides Are Connected to Active Grids
- High and low DC link voltages are Vdc1 = 1300 kV and Vdc2 = 600 kV, respectively, and AC grid voltage is 400 kV line-to-line RMS.
- In time interval, 0 ≤ t < 0.8 s, the upper sub-converter 1 controls the real power it exchanges with the AC grid at −390 MW. The negative sign denotes the power flow is from AC to DC side.
- At t = 0.8 s, the upper sub-converter 1 varies its real power exchange with the AC grid from −390 MW to 650 MW, with the ramp rate of 5.2 MW/ms.
- In interval 0 ≤ t < 1.6 s, the real power exchange of the lower sub-converter 2 with the AC grid is fixed at 390 MW; where the positive sign denotes the power is from the sub-converter to the AC side.
- At t = 1.6 s, the lower sub-converter varies its real power exchange with the AC grid from 390 MW to −650 MW.
- The real powers of the upper and lower sub-converters of the two-port system being examined and real power sank or sourced by the AC grid are displayed in Figure 3a. Notice that the two-port system exchanges zero real power with the AC grid, in interval t < 0.8 s, when sub-converters 1 and 2 exchange equal but opposing real powers. In this interval, the two-port system shown in Figure 1b operates as auto DC transformer studied in [37].
- The DC powers of upper and lower sub-converters 1 and 2 of the two-port system, Pdc(upper) = Idc1(Vdc1 − Vdc2) and Pdc(lower) = Idc2Vdc2 and total DC power of the high-voltage DC terminal Pdc1 = Idc1Vdc1 are shown in Figure 3b. Recall that the DC power of the lower sub-converter 2 is equal to the DC power of the low-voltage DC terminal.
- Figure 3c displays the DC components of the arms of the upper and lower sub-converters 1 and 2, Id1 and Id2, and DC currents in the high- and low-voltage DC terminals of the two-port system. Observe that despite a large DC current, which is in the DC link of lower sub-converter 2, no sub-converter is subjected to excessive current stresses, thanks to direct DC current contribution through the arms of upper sub-converter 1 to DC link of the lower sub-converter 2 without passing through its arms.
- Figure 3d,e depicts the three-phase output currents of the upper and lower sub-converters 1 and 2, and these results indicate the independent control of the sub-converters of the two-port system.
- In line with above discussions, the arm currents of the upper and lower sub-converters in Figure 3f,g confirm the point made earlier with regard to no excessive current stresses are observed in the sub-converters despite the large current in the DC link of the low-voltage DC terminal.
3.1.2. Demonstration of Enhanced Power Control in Islanding Mode
- The real powers of upper and lower sub-converters 1 and 2 and real power of the passive load are shown in Figure 4a. It can be observed that the real power exchange of the upper sub-converter 1 with AC side increases as the lower sub-converters increases its real power import. Note that the positive direction of the real power in the low sub-converter is from AC side toward converter.
- The DC powers of the upper and lower sub-converters, Pdc(upper) and Pdc(lower) of the two-port system and monitored DC powers in the high and low voltage DC terminals Pdc1 and Pdc2 are shown in Figure 4b.
- The DC components of arm currents of the upper and lower sub-converters 1 and 2 superimposed on the DC currents of the high and low voltage DC terminals are shown in Figure 4c. Notice that no currents are observed in the lower sub-converters arms when its real power is controlled at zero, and its DC link current is not zero, i.e., Idc2 = −Idc1 and Id2 = 0, and Pdc(upper) ≈ Pdc(lower) plus AC load real power as shown in Figure 4a–c.
3.2. Three-Port Converter
- The DC powers of sub-converter 1 and at various DC terminals displayed in Figure 5b show that each DC terminal can control its DC power, without affecting the DC power flows in the other terminals to some extent, except when the real power of sub-converter 1 varies. Such relative decoupling is practical important in future DC grids, particularly in which multiple large-scale renewable energy-based power plants are anticipated to be integrated at multiple DC and AC terminals with different voltage levels.
- Figure 5a,b shows that the power distributions in the tri-port converter in Figure 1b adhere to the same theoretical principles that govern the two-port system in Figure 1a, namely, Pac1 = (n − 1)/nPdc1 and Pg = Pac1 + Pac2 + Pac3. Notice that the DC power of the sub-converter 2 varies at t = 0.8 s with real power of sub-converter 1 (Pac1), and this is attributed to DC power exchange from sub-converter 1 to DC link of sub-converter 2, through the DC components of the arm currents of sub-converter 1, with the arm currents of sub-converter 2 remaining unchanged and merely determined by its real power (Pac2) as shown in Figure 5a–f.
- On the other hand, the DC power and current of sub-converter 3 are exclusively defined by its active power (Pac3).
- Observe that arm currents of the sub-converters of the tri-port scheme are completely independent and vary solely and strictly with their respective real powers as shown in Figure 5d–f. Also, the DC current distributions in sub-converters 1 and 2 largely follow the same fundamentals of the two-port converter discussed earlier.
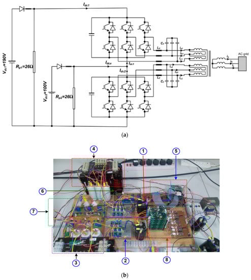
4. Experimental Verifications
4.1. Demonstration of Control Flexibilities
- The set-points for the direct and quadrature axis currents of the upper sub-converter 1 are fixed at id1 = 3 A and iq1 = 0.
- The step change is applied to the set-point for the direct current of the lower sub-converter 2, id2, from −3 A to 3 A, while the quadrature axis current is controlled at zero, i.e., iq2 = 0.
- Figure 7a shows samples output phase currents, particularly phase ‘a’ output currents of the upper and lower sub-converter 1 and 2, ia1 and ia2, superimposed to the total phase ‘a’ current injected by the two-port system into the AC grid, ia., in which the black, purple, and red denote the ia1, ia2, and ia, respectively.
- The DC current plots in Figure 7b, which renames the upper and lower voltage DC terminal currents as Idc1 and Idcx, with contribution of the lower sub-converter to dcx is denoted as Idc2.
- Figure 7c shows the direct axis currents of the upper and lower sub-converters 1 and 2, superimposed on their respective current orders. Observe that the output phase currents of the sub-converter follow the commands given to the direct and quadrature axis current components. Noted that a zero current is injected into AC grid current when ia1 = −ia2 or id2 = −id1, which indicate that the two-port system test rig operates as an auto DC transformer as alluded earlier and presented in [37].
4.2. DC Fault
4.2.1. Pole-to-Pole DC Fault at High-Voltage DC Terminal
- DC voltage of high- and low-voltage terminals are Vdc1 = 200 V and Vdc2 = 110 V, respectively.
- Pre-fault direct and quadrature current orders of sub-converters 1 and 2 are set to and .
- During fault, sub-converters 1 and 2 are blocked, and their direct and quadrature current orders reduced to zero.
- Figure 8a,b presents the voltages of the high and low DC terminals of the experimental two-port system, i.e., Vdc1 and Vdc2, and voltages across the input DC link capacitors of sub-converters 1 and 2. Observe that the DC short circuit across the positive and negative poles, which form the high voltage DC terminal, causes the input voltages of sub-converters 1 and 2 to collapse. This is because the DC fault at this terminal creates a short circuit across the input capacitors of sub-converters 1 and 2. It must be noted the significant collapse of the input DC voltage of sub-converter 2 happened because of the sub-converters employ conventional two-level converter (the same will happen with neutral-point clamped converter or any other topology with reservoir capacitors that tend to discharge during DC fault). When sub-converters employ topologies with hidden capacitors such as the MMC, in which the cell capacitors do not discharge, the input voltage of sub-converter 2 may experience a relatively limited drop due to excessive current.
- Figure 8c,d shows phase ‘a’ output currents of sub-converters 1 and 2 in red and blue, respectively, and the total current being injected into AC grid in black (scope and MATLAB plot from scope comma-separated values (CSV) data, with the latter aiming to show the crests of the AC side currents during fault). Observe that once the input DC voltages of sub-converters 1 and 2 collapse below their respective peaks of the line-to-line AC voltages, high in-feed currents are drawn from the AC side.
- Figure 8e,f displays experimental DC side currents, i.e., Idc1, Idc2, and Idcx, directly from scope and plotted from scope CSV data. These plots show both sub-converters 1 and 2 of the two-port system under investigation are affected by the DC fault at the high-voltage DC terminal, despite that sub-converter 2 has a separate DC source. Also recall that sub-converters 1 and 2 share the same common-mode currents, which cause fast and large rise of Idcx and Idc2. Notice that sub-converter 2 is exposed to relatively low current stresses compared to sub-converter 1, evidently from the DC link currents Idc1 and Idc2. Because of the current limiting inductors employed in the experimental test rig and shown in Figure 6a, observe that the DC current Idcx exhibits a rapid current rise and followed by an extended period of oscillatory and slow decaying to pre-fault level, which started even before the fault is cleared.
- Notice that the Idcx = 0 in pre-fault, and this can be affirmed mathematically as Idcx = Idc1 − Idc2 = ¾Im1cosφ1 − ¾Im2cosφ2 = −¾(Id1 − Id2) = 0; where Id1 = Im1cosφ1 and Id2 = Im2cosφ2, and Iq1 = Im1sinφ1 = 0 and Iq2 = Im2sinφ2 = 0.
4.2.2. Pole-to-Ground DC Fault at Low-Voltage DC Terminal
- Figure 9a shows the DC voltages of the high and low DC terminals, Vdc1 and Vdc2. Observe that the DC fault at the low-voltage DC terminal causes a limited drop or fall in the magnitude of the DC voltage of the high-voltage DC terminal; thus, does not significantly its power flow during fault.
- The DC currents, Idc1, Idc2, and Idcx, displayed in Figure 9c,d show brief disturbances in the DC current of sub-converter 1, Idc1, and large disturbances in the DC currents of sub-converter 2, Idc2 and in the Idcx. Although, theoretically, the power flow through sub-converter 1 experiences limited disruption, but practically, the short circuit across sub-converter 2 exposes sub-converter 1 to extremely high voltage equal to Vdc1 instead of Vdc1-Vdc2. Thus, both sub-converters 1 and 2 must be blocked and stopped immediately to avoid devices failures from excessive voltage stresses.
5. Conclusions
- It presents theoretical analysis and simplified mathematical expressions, which collectively explain the following:
- (a)
- The power flow paths in the MPC systems.
- (b)
- Fundamental relationships that govern the operation of the MMC, including key equations that relate AC and DC powers, AC and DC currents, and DC voltage ratios.
- (c)
- Capacity to manipulate active power set-points of the sub-converters in order to achieve precise control of power flow at AC and DC terminals, including the possibility to reroute power exchange between the AC or DC terminals through particular path or sub-converter as corroborated in Figure 3 and Figure 4. Such a feature could be further exploited to minimize the system operational loss or ensure even heat distribution between the sub-converters.
- It has been shown that sub-converter 1 defines the total DC power and current at the high-voltage DC terminal using its active power set-point. Depending on the exact configuration of the AC side, sub-converter 2 can define the net active power exchange with the AC grid, or the proportion of the DC power of the low voltage DC terminal to be rerouted through the AC side.
- Experimental results in Figure 8 and Figure 9 show that although the fractionally rated power transformer of the MPC and its partial isolation were attractive economically, it is revealed that the MPC is unable to stop a DC fault propagation from faulty terminal to healthy terminal as in the F2F DC-DC converter counterpart; therefore, it will be unable to guarantee adequate level of decoupling between connected networks in order to facilitate DC fault ride-through with no interruption to power flow or continued operation of the healthy network or terminal during fault.
- Despite the incapacity to facilitate continued operation, MPC systems under investigation remain a cost-effective and technically sound solution for integration of renewable energy generations (solar photovoltaic and wind) into medium- and high-voltage AC or DC distribution and transmission systems. Also, it can be used for power tapping from the passing MVDC or HVDC transmission lines to supply power to a small town or village in the way.
Author Contributions
Funding
Acknowledgments
Conflicts of Interest
Nomenclature
| DC | Direct Current |
| HVAC | High Voltage Alternating Current |
| MVDC | Medium Voltage Direct Current |
| HVDC | High Voltage Direct Current |
| MV | Medium Voltage |
| HV | High Voltage |
| AC | Alternating Current |
| MPC | Multi-port Converter |
| MTDC | Multi Terminal HVDC |
| MMC | Modular Multilevel Converter |
| DAB | Dual Active Bridge |
| F2F | Front to Front |
| Q2L | Quasi-two Level |
| TAC | Transition Arm Converter |
| FB | Full Bridge |
| SM | Submodule |
| SC | Sub-converter |
| d-axis | direct axis |
| q-axis | quadrature axis |
| C2LC | Conventional Two-level Converter |
| UHVDC | Ultra HVDC |
| Pac and Pdc | Real Power and DC power, respectively |
| Idc and Vdc | DC Current and DC Voltage |
| φ | Phase Shift between the grid voltage and current |
| δ | Voltage Angle at converter terminal with respect to grid voltage |
| Im and Vm | The peaks of the AC current and voltage |
| RT1 and RT2 | Equivalent series resistances referred to secondary and tertiary sides |
| LT1 and LT2 | Equivalent transformer inductances referred to secondary and tertiary sides |
| Rps and Rpt, and Lps and Lpt | The transformer primary windings resistance and inductance referred to secondary and tertiary sides |
| Rs and Rt, and Ls and Lt | Resistances and inductances of the secondary and tertiary windings |
| iabc and vabc | Three phase current and voltage |
| idq and vdq | d-q components of three-phase AC currents and voltages |
References
- Guo, D.; Rahman, M.H.; Adam, G.P.; Xu, L.; Emhemed, A.; Burt, G.; Audichya, Y. Interoperability of Different Voltage Source Converter Topologies in HVDC Grids. In Proceedings of the 15th IET International Conference on AC and DC Power Transmssion Systems, Coventry, UK, 5–7 February 2019. [Google Scholar]
- Wickramasinghe, H.R.; Konstantinou, G.; Li, Z.; Pou, J. Alternate Arm Converters-Based HVDC Model Compatible with the CIGRE B4 DC Grid Test System. IEEE Trans. Power Deliv. 2019, 34, 149–159. [Google Scholar] [CrossRef]
- Wang, S.; Li, C.; Adeuyi, O.D.; Li, G.; Ugalde-Loo, C.E.; Liang, J. Coordination of MMCs With Hybrid DC Circuit Breakers for HVDC Grid Protection. IEEE Trans. Power Deliv. 2019, 34, 11–22. [Google Scholar] [CrossRef]
- Yan, L.; Zhibin, W.; Yongning, C.; Chunxia, W.; Hongzhi, L.; Haiyan, T. Analysis of Coordinated Control Strategy for Large-scale Renewable Energy VSCHVDC Integration. In Proceedings of the 2019 IEEE Innovative Smart Grid Technologies—Asia (ISGT Asia), Chengdu, China, 21–24 May 2019; pp. 234–238. [Google Scholar]
- Wang, X.; Chen, L.; Sun, D.; Zhang, L.; Nian, H. A Modified Self-Synchronized Synchronverter in Unbalanced Power Grids with Balanced Currents and Restrained Power Ripples. Energies 2019, 12, 923. [Google Scholar] [CrossRef]
- Anuradha, C.; Chellammal, N.; Maqsood, M.S.; Vijayalakshmi, S. Design and Analysis of Non-Isolated Three-Port SEPIC Converter for Integrating Renewable Energy Sources. Energies 2019, 12, 221. [Google Scholar] [CrossRef]
- Flourentzou, N.; Agelidis, V.G.; Demetriades, G.D. VSC-Based HVDC Power Transmission Systems: An Overview. IEEE Trans. Power Electron. 2009, 24, 592–602. [Google Scholar] [CrossRef]
- Engel, S.P.; Stieneker, M.; Soltau, N.; Rabiee, S.; Stagge, H.; de Doncker, R.W. Comparison of the Modular Multilevel DC Converter and the Dual-Active Bridge Converter for Power Conversion in HVDC and MVDC Grids. IEEE Trans. Power Electron. 2015, 30, 124–137. [Google Scholar] [CrossRef]
- Mitra, B.; Chowdhury, B.; Manjrekar, M. HVDC transmission for access to off-shore renewable energy: A review of technology and fault detection techniques. IET Renew. Power Gener. 2018, 12, 1563–1571. [Google Scholar] [CrossRef]
- Wang, H.; Wang, Y.; Duan, G.; Hu, W.; Wang, W.; Chen, Z. An Improved Droop Control Method for Multi-Terminal VSC-HVDC Converter Stations. Energies 2017, 10, 843. [Google Scholar] [CrossRef]
- Hwang, S.; Song, S.; Jang, G.; Yoon, M. An Operation Strategy of the Hybrid Multi-Terminal HVDC for Contingency. Energies 2019, 12, 2042. [Google Scholar] [CrossRef]
- Davari, M.; Mohamed, Y.A.I. Dynamics and Robust Control of a Grid-Connected VSC in Multiterminal DC Grids Considering the Instantaneous Power of DC- and AC-Side Filters and DC Grid Uncertainty. IEEE Trans. Power Electron. 2016, 31, 1942–1958. [Google Scholar] [CrossRef]
- Suryadevara, R.; Li, T.; Modepalli, K.; Parsa, L. IPOP-Connected FB-ZCS DC–DC Converter Modules for Renewable Energy Integration with Medium-Voltage DC Grids. IEEE Trans. Ind. Appl. 2019, 55, 5128–5140. [Google Scholar] [CrossRef]
- Páez, J.D.; Frey, D.; Maneiro, J.; Bacha, S.; Dworakowski, P. Overview of DC–DC Converters Dedicated to HVdc Grids. IEEE Trans. Power Deliv. 2019, 34, 119–128. [Google Scholar] [CrossRef]
- Adam, G.P.; Alsokhiry, F.; Al-Turki, Y.; Ajangnay, M.O.; Amogpai, A.Y. DC-DC Converters for Medium and High Voltage Applications. In Proceedings of the IECON 2019—45th Annual Conference of the IEEE Industrial Electronics Society, Lisbon, Portugal, 14–17 October 2019; pp. 3337–3342. [Google Scholar]
- Adam, G.P.; Gowaid, I.A.; Finney, S.J.; Holliday, D.; Williams, B.W. Review of dc–dc converters for multi-terminal HVDC transmission networks. IET Power Electron. 2016, 9, 281–296. [Google Scholar] [CrossRef]
- Adam, G.; Vrana, T.K.; Li, R.; Li, P.; Burt, G.; Finney, S. Review of Technologies for DC Grids -Power Conversion, Flow Control, and Protection. IET Power Electron. 2019, 12, 1851–1867. [Google Scholar] [CrossRef]
- Adam, G.P.; Williams, B.W. Half- and Full-Bridge Modular Multilevel Converter Models for Simulations of Full-Scale HVDC Links and Multiterminal DC Grids. IEEE J. Emerg. Sel. Top. Power Electron. 2014, 2, 1089–1108. [Google Scholar] [CrossRef]
- Gowaid, I.A.; Adam, G.P.; Massoud, A.M.; Ahmed, S.; Williams, B.W. Hybrid and Modular Multilevel Converter Designs for Isolated HVDC–DC Converters. IEEE J. Emerg. Sel. Top. Power Electron. 2018, 6, 188–202. [Google Scholar] [CrossRef]
- Diab, M.S.; Massoud, A.M.; Ahmed, S.; Williams, B.W. A Dual Modular Multilevel Converter with High-Frequency Magnetic Links Between Submodules for MV Open-End Stator Winding Machine Drives. IEEE Trans. Power Electron. 2018, 33, 5142–5159. [Google Scholar] [CrossRef]
- Lin, N.; Dinavahi, V. Dynamic Electro-Magnetic-Thermal Modeling of MMC-Based DC-DC Converter for Real-Time Simulation of MTDC Grid. IEEE Trans. Power Deliv. 2017, 33, 1337–1347. [Google Scholar] [CrossRef]
- Heyman, O. HVDC Light: It Is Time to Connect. December 2012. Available online: www.abb.com/hvdc (accessed on 20 August 2020).
- Shi, L.; Adam, G.P.; Li, R.; Xu, L. Enhanced Control of Offshore Wind Farms Connected to MTDC Network Using Partially Selective DC Fault Protection. IEEE J. Emerg. Sel. Top. Power Electron. 2020. [Google Scholar] [CrossRef]
- Raghavendra, K.V.G.; Zeb, K.; Muthusamy, A.; Krishna, T.N.V.; Kumar, S.V.S.V.P.; Kim, D.-H.; Kim, M.-S.; Cho, H.-G.; Kim, H.-J. A Comprehensive Review of DC–DC Converter Topologies and Modulation Strategies with Recent Advances in Solar Photovoltaic Systems. Electronics 2019, 9, 31. [Google Scholar] [CrossRef]
- Affam, A.; Buswig, Y.M.; Othman, A.-K.B.H.; Bin Julai, N.; Qays, O. A review of multiple input DC-DC converter topologies linked with hybrid electric vehicles and renewable energy systems. Renew. Sustain. Energy Rev. 2021. forthcoming publication. [Google Scholar] [CrossRef]
- Shoja-Majidabad, S.; Hajizadeh, A. Decentralized adaptive neural network control of cascaded DC–DC converters with high voltage conversion ratio. Appl. Soft Comput. 2020, 86, 105878. [Google Scholar] [CrossRef]
- Elserougi, A.; Abdelsalam, I.; Massoud, A.; Ahmed, S. A bidirectional non-isolated hybrid modular DC–DC converter with zero-voltage switching. Electr. Power Syst. Res. 2019, 167, 277–289. [Google Scholar] [CrossRef]
- Gowaid, I.A.; Adam, G.P.; Massoud, A.M.; Ahmed, S.; Holliday, D.; Williams, B.W. Quasi Two-Level Operation of Modular Multilevel Converter for Use in a High-Power DC Transformer With DC Fault Isolation Capability. IEEE Trans. Power Electron. 2015, 30, 108–123. [Google Scholar] [CrossRef]
- Kish, G.J. On the Emerging Class of Non-Isolated Modular Multilevel DC–DC Converters for DC and Hybrid AC–DC Systems. IEEE Trans. Smart Grid 2019, 10, 1762–1771. [Google Scholar] [CrossRef]
- Swarnkar, R.; Verma, H.K.; Patel, R.N. Comparative Analysis of Isolated and Non-Isolated Bi-Directional DC-DC Converters for DC Microgrid. In Proceedings of the 2019 3rd International Conference on Recent Developments in Control., Automation & Power Engineering (RDCAPE), Noida, India, 10–11 October 2019; pp. 557–562. [Google Scholar] [CrossRef]
- Bhaskar, M.S.; Almakhles, D.J.; Padmanaban, S.; Blaabjerg, F.; Subramaniam, U.; Ionel, D.M. Analysis and Investigation of Hybrid DC–DC Non-Isolated and Non-Inverting Nx Interleaved Multilevel Boost Converter (Nx-IMBC) for High Voltage Step-Up Applications: Hardware Implementation. IEEE Access 2020, 8, 87309–87328. [Google Scholar] [CrossRef]
- Reddy, B.M.; Samuel, P. A comparative analysis of non-isolated bi-directional dc-dc converters. In Proceedings of the 2016 IEEE 1st International Conference on Power Electronics, Intelligent Control and Energy Systems (ICPEICES), Delhi, India, 4–6 July 2016; pp. 1–6. [Google Scholar] [CrossRef]
- Elserougi, A.; Abdelsalam, I.; Massoud, A.; Ahmed, S. A Non-Isolated Hybrid-Modular DC-DC Converter for DC Grids: Small-Signal Modeling and Control. IEEE Access 2019, 7, 132459–132471. [Google Scholar] [CrossRef]
- Cheng, T.; Lu, D.D.; Qin, L. Non-Isolated Single-Inductor DC/DC Converter with Fully Reconfigurable Structure for Renewable Energy Applications. IEEE Trans. Circuits Syst. Ii Express Briefs 2018, 65, 351–355. [Google Scholar] [CrossRef]
- Gorji, S.A.; Sahebi, H.G.; Ektesabi, M.; Rad, A.B. Topologies and Control Schemes of Bidirectional DC–DC Power Converters: An Overview. IEEE Access 2019, 7, 117997–118019. [Google Scholar] [CrossRef]
- Guo, D.; Rahman, M.H.; Ased, G.P.; Xu, L.; Emhemed, A.; Burt, G.; Audichya, Y. Detailed quantitative comparison of half-bridge modular multilevel converter modelling methods. In Proceedings of the 14th IET International Conference on AC and DC Power Transmission (ACDC 2018), Chengdu, China, 28–29 June 2018. [Google Scholar]
- Schön, A.; Bakran, M. High power HVDC-DC converters for the interconnection of HVDC lines with different line topologies. In Proceedings of the 2014 International Power Electronics Conference (IPEC-Hiroshima 2014—ECCE ASIA), Hiroshima, Japan, 18–21 May 2014; pp. 3255–3262. [Google Scholar] [CrossRef]
- Zhao, B.; Song, Q.; Li, J.; Xu, X.; Liu, W. Comparative Analysis of Multilevel-High-Frequency-Link and Multilevel-DC-Link DC–DC Transformers Based on MMC and Dual-Active Bridge for MVDC Application. IEEE Trans. Power Electron. 2018, 33, 2035–2049. [Google Scholar] [CrossRef]
- Yang, J.; He, Z.; Pang, H.; Tang, G. The Hybrid-Cascaded DC–DC Converters Suitable for HVdc Applications. IEEE Trans. Power Electron. 2015, 30, 5358–5363. [Google Scholar] [CrossRef]
- Li, P.; Adam, G.P.; Finney, S.J.; Holliday, D. Operation Analysis of Thyristor-Based Front-to-Front Active-Forced-Commutated Bridge DC Transformer in LCC and VSC Hybrid HVDC Networks. IEEE J. Emerg. Sel. Top. Power Electron. 2017, 5, 1657–1669. [Google Scholar] [CrossRef]
- Ray, S.; Gupta, N.; Gupta, R.A. Prototype Development and Experimental Investigation on Cascaded Five-Level Inverter Based Active Filter for Large-Scale Grid-tied Photovoltaic. Int. J. Renew. Energy Res. IJRER 2018, 8, 1800–1811. [Google Scholar]
- Perez, M.A.; Bernet, S.; Rodriguez, J.; Kouro, S.; Lizana, R. Circuit Topologies, Modeling, Control Schemes, and Applications of Modular Multilevel Converters. IEEE Trans. Power Electron. 2015, 30, 4–17. [Google Scholar] [CrossRef]











| Parameter | Value |
|---|---|
| Arm resistors | Rd1 = Rd2 = 0.5 Ω, Rd3 = 0.4 Ω |
| Arm inductors | Ld1 = Ld2 = 45 mH and Ld3 = 30 mH |
| Cell capacitors | Cm1 = Cm2 = 10 mF and Cm3 = 8 mF |
| Interfacing AC transformer windings parameters | Rp = Rs = Rt = 0.002 pu, Lp = Ls = Lt = 0.05 pu |
| Interfacing AC transformer ratings | 1300 MVA and 400 kV/300 kV/300 kV |
| AC grid ratings | 400kV AC grid with 15,000 MVA three-phase short circuit fault level and X/R = 15 |
| Parameters | Value |
|---|---|
| Grid voltage | 45 Vrms at 50 Hz |
| DC voltage of the high-voltage DC terminal (Vdc1) | 190 V |
| DC voltage of the low-voltage DC terminal (Vdc2) | 100 V |
| AC side filtering inductance (LF) | 2.6 mH |
| AC filtering capacitance (CF) | 30 μF |
| Transformer voltage ratio | 400 V/415 V/415 V |
| Carrier frequency | 2.4 kHz |
| DC link capacitances of sub-converters 1 and 2 | 2.2 mF |
© 2020 by the authors. Licensee MDPI, Basel, Switzerland. This article is an open access article distributed under the terms and conditions of the Creative Commons Attribution (CC BY) license (http://creativecommons.org/licenses/by/4.0/).
Share and Cite
Alsokhiry, F.; Adam, G.P. Multi-Port DC-DC and DC-AC Converters for Large-Scale Integration of Renewable Power Generation. Sustainability 2020, 12, 8440. https://doi.org/10.3390/su12208440
Alsokhiry F, Adam GP. Multi-Port DC-DC and DC-AC Converters for Large-Scale Integration of Renewable Power Generation. Sustainability. 2020; 12(20):8440. https://doi.org/10.3390/su12208440
Chicago/Turabian StyleAlsokhiry, Fahad, and Grain Philip Adam. 2020. "Multi-Port DC-DC and DC-AC Converters for Large-Scale Integration of Renewable Power Generation" Sustainability 12, no. 20: 8440. https://doi.org/10.3390/su12208440
APA StyleAlsokhiry, F., & Adam, G. P. (2020). Multi-Port DC-DC and DC-AC Converters for Large-Scale Integration of Renewable Power Generation. Sustainability, 12(20), 8440. https://doi.org/10.3390/su12208440

