Probabilistic Optimal Power Flow for Day-Ahead Dispatching of Power Systems with High-Proportion Renewable Power Sources
Abstract
1. Introduction
2. Materials and Methods
2.1. POPF Mathematical Model
2.1.1. Power Balance Constraints
2.1.2. Tie-Line Power Constraints
2.1.3. Reserve Capacity Constraints
2.2. Point Estimation Method Based on Gram–Charlier Expansion
2.2.1. Moments, Central Moments, and Their Relationship
2.2.2. Point Estimation Method
2.2.3. Gram–Charlier Expansion
2.2.4. Algorithm Calculation Steps
- (1)
- The standard central moment, , of the probability variable is calculated according to Equation (20).
- (2)
- The standard location, , of the probability variable is calculated according to Equation (19).
- (3)
- The weight, , of the probability variable is calculated according to Equation (22).
- (4)
- The estimated point, , is calculated according to Equation (18).
- (5)
- The OIPOPF, , is calculated according to Equation (17) and its constraints.
- (6)
- After calculating the OIPOPF for all the estimated points, the moment, , of each line power is calculated according to Equation (21).
- (7)
- The central moment, , of the line power is calculated according to Equation (14) based on the moment, , of each line power.
- (8)
- The Gram–Charlier series coefficient, , is calculated according to Equation (25) based on the central moment, , of each line power.
- (9)
- The CDF and PDF of the power of each line are calculated according to Equations (23) and (24).
3. Results
3.1. Modified Power Test System Raw Data
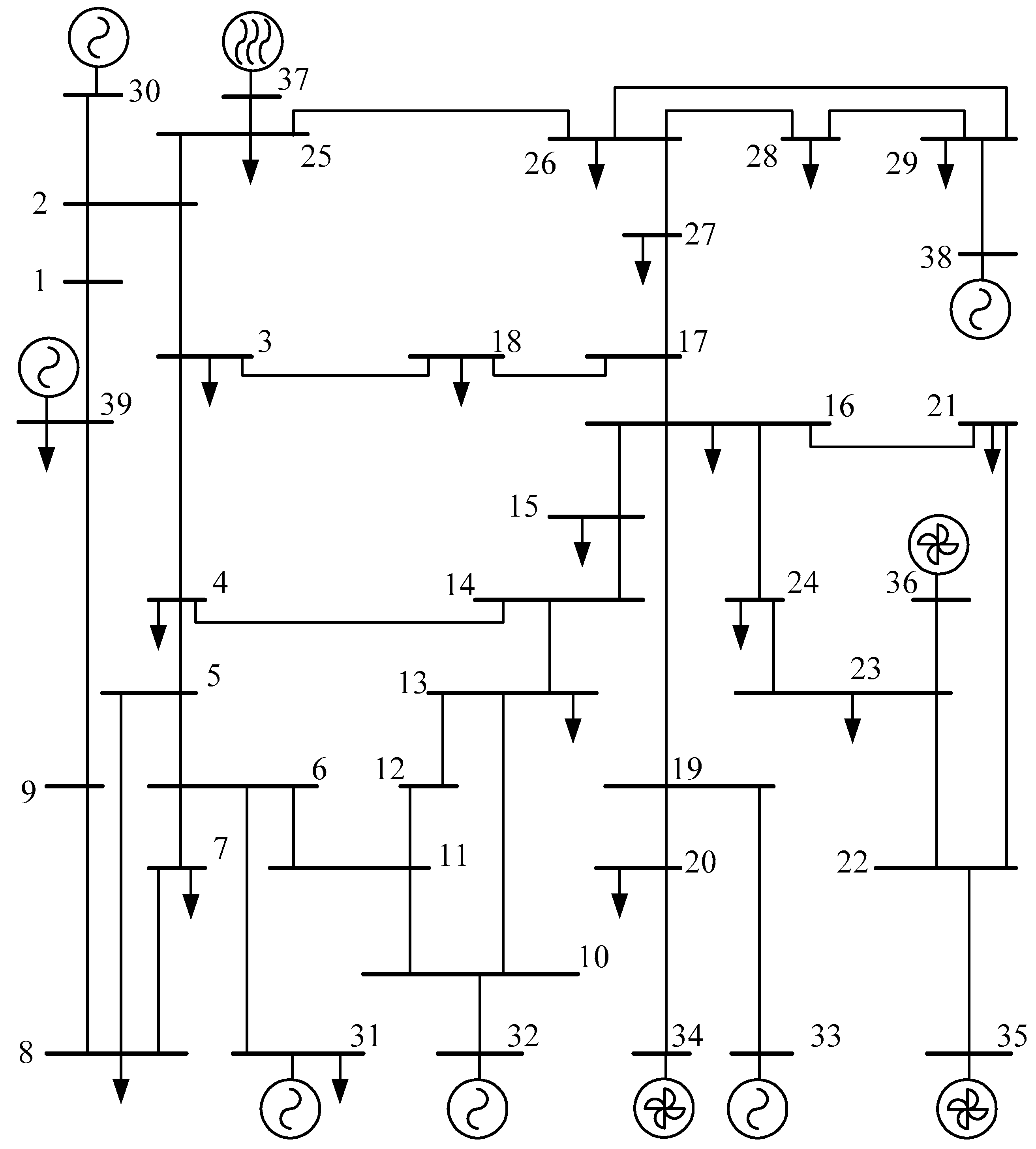
3.1.1. Modified IEEE 39-Bus Test System
3.1.2. Modified IEEE 300-Bus Test System
3.2. Comparison of Simulation Results with DC Power Flow Model Results
3.3. Simulation Results of OIPOPF Model
3.4. Discussion
4. Conclusions
Author Contributions
Funding
Conflicts of Interest
Nomenclature
| POPF | Probabilistic optimal power flow |
| SSA | Steady state analysis |
| PSHPRPS | Power systems with high proportions of renewable power sources |
| AGC | Automatic generation control |
| OIPOPF | Once-iterative probabilistic optimal power flow |
| DC | Direct current |
| AC | Alternating current |
| CDF | Cumulative distribution function |
| Probability distribution function | |
| CDARMSE | Cumulative distribution average root mean square error |
Appendix A
| From Bus | To Bus | From Bus | To Bus | ||
|---|---|---|---|---|---|
| 1 | 2 | 0.37 | 14 | 15 | 0.48 |
| 1 | 39 | 0.83 | 15 | 16 | 0.09 |
| 2 | 3 | 0.81 | 16 | 17 | 0.01 |
| 2 | 25 | 3.04 | 16 | 19 | 0.03 |
| 2 | 30 | 0.30 | 16 | 21 | 0.02 |
| 3 | 4 | 3.59 | 16 | 24 | 0.14 |
| 3 | 18 | 2.88 | 17 | 18 | 0.59 |
| 4 | 5 | 0.53 | 17 | 27 | 4.91 |
| 4 | 14 | 0.10 | 19 | 20 | 0.14 |
| 5 | 6 | 0.23 | 19 | 33 | 0.09 |
| 5 | 8 | 0.06 | 20 | 34 | 0.01 |
| 6 | 7 | 0.09 | 21 | 22 | 0.14 |
| 6 | 11 | 0.16 | 22 | 23 | 0.50 |
| 6 | 31 | 0.29 | 22 | 35 | 0.11 |
| 7 | 8 | 0.18 | 23 | 24 | 0.09 |
| 8 | 9 | 1.75 | 23 | 36 | 0.09 |
| 9 | 39 | 2.25 | 25 | 26 | 0.06 |
| 10 | 11 | 0.14 | 25 | 37 | 1.10 |
| 10 | 13 | 0.14 | 26 | 27 | 0.48 |
| 10 | 32 | 0.17 | 26 | 28 | 0.02 |
| 12 | 11 | 1.11 | 26 | 29 | 0.03 |
| 12 | 13 | 1.01 | 28 | 29 | 0.08 |
| 13 | 14 | 0.16 | 29 | 38 | 0.03 |
| From Bus | To Bus | From Bus | To Bus | ||
|---|---|---|---|---|---|
| 1 | 2 | 2.68 | 14 | 15 | 10.30 |
| 1 | 39 | 6.11 | 15 | 16 | 5.63 |
| 2 | 3 | 4.22 | 16 | 17 | 0.87 |
| 2 | 25 | 7.02 | 16 | 19 | 1.93 |
| 2 | 30 | 1.02 | 16 | 21 | 1.57 |
| 3 | 4 | 14.92 | 16 | 24 | 5.73 |
| 3 | 18 | 4.72 | 17 | 18 | 0.83 |
| 4 | 5 | 10.01 | 17 | 27 | 2.61 |
| 4 | 14 | 1.05 | 19 | 20 | 1.56 |
| 5 | 6 | 4.13 | 19 | 33 | 0.46 |
| 5 | 8 | 0.62 | 20 | 34 | 0.50 |
| 6 | 7 | 1.17 | 21 | 22 | 0.72 |
| 6 | 11 | 4.82 | 22 | 23 | 3.67 |
| 6 | 31 | 6.53 | 22 | 35 | 3.49 |
| 7 | 8 | 1.86 | 23 | 24 | 0.03 |
| 8 | 9 | 14.54 | 23 | 36 | 0.25 |
| 9 | 39 | 16.93 | 25 | 26 | 17.11 |
| 10 | 11 | 3.96 | 25 | 37 | 0.31 |
| 10 | 13 | 4.03 | 26 | 27 | 0.61 |
| 10 | 32 | 0.17 | 26 | 28 | 3.23 |
| 12 | 11 | 13.59 | 26 | 29 | 2.60 |
| 12 | 13 | 10.46 | 28 | 29 | 1.08 |
| 13 | 14 | 4.39 | 29 | 38 | 0.63 |
Appendix B
| From Bus | To Bus | Monte Carlo Method | Point Estimation Method | ||
|---|---|---|---|---|---|
| Mean | Standard Deviation | Mean | Standard Deviation | ||
| 2 | 1 | −1.83 | 10.69 | 3.12 | 15.32 |
| 1 | 39 | −1.83 | 10.69 | 3.12 | 15.32 |
| 2 | 3 | −8.78 | 51.42 | −9.90 | 53.49 |
| 25 | 2 | −10.61 | 61.25 | −6.78 | 64.98 |
| 30 | 2 | 0 | 0 | 0 | 0 |
| 3 | 4 | −4.29 | 24.44 | −2.76 | 25.84 |
| 18 | 3 | 4.49 | 27.13 | 7.14 | 28.23 |
| 5 | 4 | 0.20 | 2.51 | −2.24 | 5.40 |
| 14 | 4 | 4.09 | 23.60 | 5.00 | 24.57 |
| 6 | 5 | 0.97 | 5.78 | 0.83 | 5.94 |
| 5 | 8 | 0.77 | 5.29 | 3.08 | 6.89 |
| 6 | 7 | 0.81 | 5.29 | 2.65 | 6.38 |
| 11 | 6 | 1.84 | 10.85 | 3.49 | 11.53 |
| 31 | 6 | −0.06 | 1.46 | 0 | 0 |
| 7 | 8 | 0.81 | 5.29 | 2.65 | 6.38 |
| 8 | 9 | 1.58 | 10.57 | 5.73 | 13.24 |
| 9 | 39 | 1.58 | 10.57 | 5.73 | 13.24 |
| 10 | 11 | 1.68 | 9.88 | 3.17 | 10.49 |
| 10 | 13 | −1.64 | 9.91 | −3.17 | 10.49 |
| 32 | 10 | 0.04 | 2.18 | 0 | 0 |
| 11 | 12 | −0.16 | 0.97 | −0.31 | 1.04 |
| 13 | 12 | 0.16 | 0.97 | 0.31 | 1.04 |
| 13 | 14 | −1.80 | 10.87 | −3.49 | 11.53 |
| 14 | 15 | −5.89 | 34.36 | −8.49 | 35.88 |
| 16 | 15 | 5.89 | 34.36 | 8.49 | 35.88 |
| 16 | 17 | 25.92 | 147.09 | 26.29 | 153.49 |
| 19 | 16 | 10.77 | 93.30 | 15.24 | 96.52 |
| 21 | 16 | 12.62 | 98.05 | 11.94 | 99.97 |
| 24 | 16 | 8.41 | 62.91 | 7.60 | 63.71 |
| 17 | 18 | 4.49 | 27.13 | 7.14 | 28.23 |
| 17 | 27 | 21.43 | 120.16 | 19.15 | 125.65 |
| 19 | 20 | −10.75 | 93.30 | −15.24 | 96.52 |
| 33 | 19 | 0.01 | 0.27 | 0 | 0 |
| 34 | 20 | 10.75 | 93.30 | 15.24 | 96.52 |
| 22 | 21 | 12.62 | 98.05 | 11.94 | 99.97 |
| 22 | 23 | 0.30 | 67.02 | 1.80 | 66.54 |
| 35 | 22 | 12.92 | 134.66 | 13.74 | 137.40 |
| 23 | 24 | 8.41 | 62.91 | 7.60 | 63.71 |
| 36 | 23 | 8.11 | 88.60 | 5.80 | 87.00 |
| 25 | 26 | 11.32 | 61.17 | 7.78 | 64.02 |
| 37 | 25 | 0.71 | 9.78 | 1.00 | 10.00 |
| 26 | 27 | −21.43 | 120.16 | −19.15 | 125.65 |
| 28 | 26 | −16.37 | 90.60 | −13.46 | 94.80 |
| 29 | 26 | −16.37 | 90.60 | −13.46 | 94.80 |
| 29 | 28 | −16.37 | 90.60 | −13.46 | 94.80 |
| 38 | 29 | −32.75 | 181.19 | −26.93 | 189.60 |
| From Bus | To Bus | |||
|---|---|---|---|---|
| 2 | 1 | 2.70 | 0.43 | 0.0027 |
| 1 | 39 | 2.70 | 0.43 | 0.0027 |
| 2 | 3 | 0.13 | 0.04 | 0.0002 |
| 25 | 2 | 0.36 | 0.06 | 0.0004 |
| 30 | 2 | 1.71 | 0.18 | 0.2274 |
| 3 | 4 | 0.36 | 0.06 | 0.0004 |
| 18 | 3 | 0.59 | 0.04 | 0.0005 |
| 5 | 4 | 11.97 | 1.15 | 0.0053 |
| 14 | 4 | 0.23 | 0.04 | 0.0003 |
| 6 | 5 | 0.14 | 0.03 | 0.0002 |
| 5 | 8 | 3.00 | 0.30 | 0.0025 |
| 6 | 7 | 2.28 | 0.21 | 0.0020 |
| 11 | 6 | 0.89 | 0.06 | 0.0008 |
| 31 | 6 | 1.00 | 1.00 | 0.4965 |
| 7 | 8 | 2.28 | 0.21 | 0.0020 |
| 8 | 9 | 2.63 | 0.25 | 0.0022 |
| 9 | 39 | 2.63 | 0.25 | 0.0022 |
| 10 | 11 | 0.89 | 0.06 | 0.0008 |
| 10 | 13 | 0.94 | 0.06 | 0.0009 |
| 32 | 10 | 1.00 | 1.00 | 0.4957 |
| 11 | 12 | 0.91 | 0.07 | 0.0009 |
| 13 | 12 | 0.91 | 0.07 | 0.0009 |
| 13 | 14 | 0.94 | 0.06 | 0.0009 |
| 14 | 15 | 0.44 | 0.04 | 0.0004 |
| 16 | 15 | 0.44 | 0.04 | 0.0004 |
| 16 | 17 | 0.01 | 0.04 | 0.0002 |
| 19 | 16 | 0.42 | 0.03 | 0.0003 |
| 21 | 16 | 0.05 | 0.02 | 0.0001 |
| 24 | 16 | 0.10 | 0.01 | 0.0001 |
| 17 | 18 | 0.59 | 0.04 | 0.0005 |
| 17 | 27 | 0.11 | 0.05 | 0.0002 |
| 19 | 20 | 0.42 | 0.03 | 0.0003 |
| 33 | 19 | 1.00 | 1.00 | 0.4939 |
| 34 | 20 | 0.42 | 0.03 | 0.0003 |
| 22 | 21 | 0.05 | 1.00 | 0.0001 |
| 22 | 23 | 4.94 | 0.03 | 0.0001 |
| 35 | 22 | 0.06 | 0.02 | 0.0001 |
| 23 | 24 | 0.10 | 0.01 | 0.0001 |
| 36 | 23 | 0.28 | 0.02 | 0.0002 |
| 25 | 26 | 0.31 | 0.05 | 0.0004 |
| 37 | 25 | 0.42 | 0.02 | 0.0002 |
| 26 | 27 | 0.11 | 0.05 | 0.0002 |
| 28 | 26 | 0.18 | 0.05 | 0.0002 |
| 29 | 26 | 0.18 | 0.05 | 0.0002 |
| 29 | 28 | 0.18 | 0.05 | 0.0002 |
| 38 | 29 | 0.18 | 0.05 | 0.0002 |
References
- Semlyen, A.; Leon, F.D. Quasi-Newton power flow using partial Jacobian updates. IEEE Trans. Power Syst. 2001, 16, 332–339. [Google Scholar] [CrossRef]
- Vanamerongen, R.A.M. A general-purpose version of the fast decoupled loadflow. IEEE Trans. Power Syst. 1989, 4, 760–770. [Google Scholar] [CrossRef]
- Borkowska, B. Probabilistic Load Flow. IEEE Trans. Power Appar. Syst. 1974, 3, 752–759. [Google Scholar] [CrossRef]
- Constante-Flores, G.E.; Illindala, M.S. Data-Driven Probabilistic Power Flow Analysis for a Distribution System with Renewable Energy Sources Using Monte Carlo Simulation. IEEE Trans. Ind. Appl. 2019, 55, 174–181. [Google Scholar] [CrossRef]
- Peng, S.; Chen, H.; Lin, Y.; Shu, T.; Lin, X.; Tang, J.; Li, W.; Wu, W. Probabilistic Power Flow for Hybrid AC/DC Grids with Ninth-Order Polynomial Normal Transformation and Inherited Latin Hypercube Sampling. Energies 2019, 12, 3088. [Google Scholar] [CrossRef]
- Xie, Z.Q.; Ji, T.Y.; Li, M.S.; Wu, Q.H. Quasi-Monte Carlo Based Probabilistic Optimal Power Flow Considering the Correlation of Wind Speeds Using Copula Function. IEEE Trans. Power Syst. 2018, 33, 2239–2247. [Google Scholar] [CrossRef]
- Zhu, J.; Zhang, Y.; Chen, H. Probabilistic Load Flow with Wind Farms Using a Frequency and Duration Method. IEEE Access 2018, 6, 74812–74827. [Google Scholar] [CrossRef]
- Allan, R.N.; Al-Shakarchi, M.R.G. Probabilistic a.c. load flow. Proc. Inst. Electr. Eng. 1976, 123, 531–536. [Google Scholar] [CrossRef]
- Allan, R.N.; Silva, A.M.L.D. Probabilistic load flow using multilinearisations. IEE Proc. C Gener. Transm. Distrib. 1981, 128, 280–287. [Google Scholar] [CrossRef]
- Deng, X.; He, J.; Zhang, P. A Novel Probabilistic Optimal Power Flow Method to Handle Large Fluctuations of Stochastic Variables. Energies 2017, 10, 1623. [Google Scholar] [CrossRef]
- Huynh, V.K.; Ngo, V.D.; Le, D.D.; Nguyen, N.T.A. Probabilistic Power Flow Methodology for Large-Scale Power Systems Incorporating Renewable Energy Sources. Energies 2018, 11, 2624. [Google Scholar] [CrossRef]
- Lyu, J.-K.; Heo, J.-H.; Park, J.-K.; Kang, Y.-C. Probabilistic Approach to Optimizing Active and Reactive Power Flow in Wind Farms Considering Wake Effects. Energies 2013, 6, 5717–5737. [Google Scholar] [CrossRef]
- Sobierajski, M. Method of stochastic load flow calculation. Arch. Elektrotech. 1978, 60, 37–40. [Google Scholar] [CrossRef]
- Zhang, X.; Guo, Z.; Chen, W. Probabilistic Power Flow Method Considering Continuous and Discrete Variables. Energies 2017, 10, 590. [Google Scholar] [CrossRef]
- Shi, D.; Cai, D.; Chen, J.; Duan, X.; Li, H.; Yao, M. Probabilistic load flow calculation based on cumulant method considering correlation between input variables. Proc. Chin. Soc. Electr. Eng. 2012, 32, 104–113. [Google Scholar]
- Saunders, C.S. Point Estimate Method Addressing Correlated Wind Power for Probabilistic Optimal Power Flow. IEEE Trans. Power Syst. 2014, 29, 1045–1054. [Google Scholar] [CrossRef]
- Verbic, G.; Canizares, C.A. Probabilistic Optimal Power Flow in Electricity Markets Based on a Two-Point Estimate Method. IEEE Trans. Power Syst. 2006, 21, 1883–1893. [Google Scholar] [CrossRef]
- Li, J.; Zhang, B.; Liu, Y. Data Mining in Nonlinear Probabilistic Load Flow Based on Monte Carlo Simulation. In Proceedings of the 1st International Conference on Information Science and Engineering, ICISE2009, Nanjing, China, 26–28 December 2009; IEEE Computer Society: Nanjing, China, 2009; pp. 833–836. [Google Scholar]
- Baghaee, H.R.; Mirsalim, M.; Gharehpetian, G.B.; Talebi, H.A. Fuzzy unscented transform for uncertainty quantification of correlated wind/PV microgrids: Possibilistic–probabilistic power flow based on RBFNNs. IET Renew. Power Gener. 2017, 11, 867–877. [Google Scholar] [CrossRef]
- Baghaee, H.R.; Mirsalim, M.; Gharehpetian, G.B.; Talebi, H.A. Three Phase AC/DC Power-flow for Balanced/Unbalanced Microgrids Including Wind/Solar, Droop-Controlled and Electronically-Coupled Distributed Energy Resources using RBF Neural Networks. IET Power Electron. 2016, 10, 313–328. [Google Scholar] [CrossRef]
- Baghaee, H.R.; Mirsalim, M.; Gharehpetian, G.B.; Talebi, H.A. Generalized three phase robust load-flow for radial and meshed power systems with and without uncertainty in energy resources using dynamic radial basis functions neural networks. J. Clean. Prod. 2018, 174, 96–113. [Google Scholar] [CrossRef]
- Pan, W.; Liu, W.-Y.; Yang, Y.-H. Point estimate method for probabilistically optimal power flow computation. Proc. Chin. Soc. Electr. Eng. 2008, 28, 28–33. [Google Scholar]
- Wang, R.; Gu, W.; Sun, R.; Li, Q. Analysis on wind power penetration limit based on probabilistically optimal power flow. Power Syst. Technol. 2011, 35, 214–220. [Google Scholar]
- Xue, M.-J.; Yang, X.-P.; Ma, X.-Y. The united optimal operation of wind power and cascaded hydropower based on the optimal power flow theory. J. Hydraul. Eng. 2014, 45, 368–375. [Google Scholar]
- Li, X.; Li, Y.; Zhang, S. Analysis of Probabilistic Optimal Power Flow Taking Account of the Variation of Load Power. IEEE Trans. Power Syst. 2008, 23, 992–999. [Google Scholar]
- Schellenberg, A.; Rosehart, W.; Aguado, J. Cumulant-based probabilistic optimal power flow (P-OPF) with Gaussian and gamma distributions. IEEE Trans. Power Syst. 2005, 20, 773–781. [Google Scholar] [CrossRef]
- Tamtum, A.; Schellenberg, A.; Rosehart, W.D. Enhancements to the Cumulant Method for Probabilistic Optimal Power Flow Studies. IEEE Trans. Power Syst. 2009, 24, 1739–1746. [Google Scholar] [CrossRef]
- Zou, B.; Xiao, Q. Solving Probabilistic Optimal Power Flow Problem Using Quasi Monte Carlo Method and Ninth-Order Polynomial Normal Transformation. IEEE Trans. Power Syst. 2014, 29, 300–306. [Google Scholar] [CrossRef]
- Ke, D.; Chung, C.Y.; Sun, Y. A Novel Probabilistic Optimal Power Flow Model with Uncertain Wind Power Generation Described by Customized Gaussian Mixture Model. IEEE Trans. Sustain. Energy 2016, 7, 200–212. [Google Scholar] [CrossRef]
- Li, Y.Z.; Wu, Q.H. Downside Risk Constrained Probabilistic Optimal Power Flow with Wind Power Integrated. IEEE Trans. Power Syst. 2016, 31, 1649–1650. [Google Scholar] [CrossRef]
- Sun, W.; Zamani, M.; Zhang, H.; Li, Y. Probabilistic Optimal Power Flow with Correlated Wind Power Uncertainty via Markov Chain Quasi-Monte-Carlo Sampling. IEEE Trans. Ind. Inform. 2019, 15, 6058–6069. [Google Scholar] [CrossRef]
- Banos, R.; Manzano-Agugliaro, F.; Montoya, F.G.; Gil, C.; Alcayde, A.; Gomez, J. Optimization methods applied to renewable and sustainable energy: A review. Renew. Sustain. Energy Rev. 2011, 15, 1753–1766. [Google Scholar] [CrossRef]
- Kneevi, G.; Topi, D.; Juri, M.; Nikolovski, S. Joint market bid of a hydroelectric system and wind parks. Comput. Electr. Eng. 2019, 74, 138–148. [Google Scholar] [CrossRef]
- Liu, C.; Chao, Q.; Wei, L. Wind-storage coupling based on actual data and fuzzy control in multiple time scales for real-time rolling smoothing of fluctuation. Electr. Power Autom. Equip. 2015, 35, 35–41. [Google Scholar]
- Wang, K.; Zhang, B.; Yan, D.; Li, Y.; Luo, T. A multi-time scale rolling coordination scheduling method for power grid integrated with large scale wind farm. Power Syst. Technol. 2014, 38, 2434–2440. [Google Scholar]
- Wang, Z.; Guo, Z. On critical timescale of real-time power balancing in power systems with intermittent power sources. Electr. Power Syst. Res. 2018, 155, 246–253. [Google Scholar] [CrossRef]
- Zhai, J.; Ren, J.; Zhou, M.; Li, Z. Multi-time scale fuzzy chance constrained dynamic economic dispatch model for power system with wind power. Power Syst. Technol. 2016, 40, 1094–1099. [Google Scholar]
- Zhang, B.; Wu, W.; Zheng, T.; Sun, H. Design of a multi-time scale coordinated active power dispatching system for accommodating large scale wind power penetration. Autom. Electr. Power Syst. 2011, 35, 1–6. [Google Scholar]
- Pei, Z.; Lee, S.T. Probabilistic load flow computation using the method of combined cumulants and Gram-Charlier expansion. IEEE Trans. Power Syst. 2004, 19, 676–682. [Google Scholar]
- Liu, D. About the Researches on Numerical Characteristics of Geometric Distribution. Master’s Thesis, Northeastern University, Shenyang, China, December 2007. [Google Scholar]
- Morales, J.M.; Perez-Ruiz, J. Point Estimate Schemes to Solve the Probabilistic Power Flow. IEEE Trans. Power Syst. 2007, 22, 1594–1601. [Google Scholar]
- Pender, J. Gram charlier expansion for time varying multiserver queues with abandonment. SIAM J. Appl. Math. 2014, 74, 1238–1265. [Google Scholar]
- Thomas, A. Wind Power in Power System; John Wiley & Sons Ltd.: London, UK, 2012; pp. 753–769. [Google Scholar]






| Bus | Mean | Standard Deviation |
|---|---|---|
| 34 | 0.1524 | 0.9652 |
| 35 | 0.1374 | 1.374 |
| 36 | 0.058 | 0.87 |
| 37 | 0.01 | 0.1 |
| Bus | Mean | Standard Deviation | Bus | Mean | Standard Deviation |
|---|---|---|---|---|---|
| 84 | 0.048 | 0.475 | 213 | 0.037 | 0.372 |
| 91 | 0.026 | 0.255 | 220 | 0.02 | 0.2 |
| 92 | 0.039 | 0.39 | 221 | 0.055 | 0.55 |
| 98 | 0.017 | 0.168 | 222 | 0.035 | 0.35 |
| 108 | 0.022 | 0.217 | 227 | 0.04 | 0.403 |
| 124 | 0.034 | 0.34 | 7001 | 0.057 | 0.567 |
| 141 | 0.038 | 0.381 | 7002 | 0.072 | 0.723 |
| 143 | 0.08 | 0.796 | 7011 | 0.033 | 0.334 |
| 146 | 0.018 | 0.184 | 7012 | 0.047 | 0.472 |
| 147 | 0.032 | 0.317 | 7017 | 0.043 | 0.43 |
| 149 | 0.02 | 0.203 | 7023 | 0.029 | 0.285 |
| 152 | 0.047 | 0.472 | 7024 | 0.051 | 0.51 |
| 153 | 0.032 | 0.316 | 7071 | 0.022 | 0.216 |
| 198 | 0.052 | 0.524 | 9054 | 0.015 | 0.15 |
| Scale of Test Power System | Once-Iterative Probabilistic Optimal Power Flow (OIPOPF) Model | Direct Current (DC) Power Flow Model |
|---|---|---|
| IEEE 39-bus test system | 0.64% | 4.45% |
| IEEE 300-bus test system | 0.90% | 11.91% |
| Scale of Test Power System | OIPOPF | DC Power Flow | AC Power Flow |
|---|---|---|---|
| Operation time of IEEE 39-bus test system (s) | 0.012 | 0.009 | 0.15 |
| Operation time of IEEE 300-bus test system (s) | 0.037 | 0.031 | 0.55 |
| Scale of Test Power System | Variables | PECCS Simulation Times | MC Simulation Times |
|---|---|---|---|
| Operation time of IEEE 39-bus test system | 4 | 9 | 1000 |
| Operation time of IEEE 300-bus test system | 28 | 57 | 1000 |
© 2020 by the authors. Licensee MDPI, Basel, Switzerland. This article is an open access article distributed under the terms and conditions of the Creative Commons Attribution (CC BY) license (http://creativecommons.org/licenses/by/4.0/).
Share and Cite
Chen, Y.; Guo, Z.; Li, H.; Yang, Y.; Tadie, A.T.; Wang, G.; Hou, Y. Probabilistic Optimal Power Flow for Day-Ahead Dispatching of Power Systems with High-Proportion Renewable Power Sources. Sustainability 2020, 12, 518. https://doi.org/10.3390/su12020518
Chen Y, Guo Z, Li H, Yang Y, Tadie AT, Wang G, Hou Y. Probabilistic Optimal Power Flow for Day-Ahead Dispatching of Power Systems with High-Proportion Renewable Power Sources. Sustainability. 2020; 12(2):518. https://doi.org/10.3390/su12020518
Chicago/Turabian StyleChen, Yue, Zhizhong Guo, Hongbo Li, Yi Yang, Abebe Tilahun Tadie, Guizhong Wang, and Yingwei Hou. 2020. "Probabilistic Optimal Power Flow for Day-Ahead Dispatching of Power Systems with High-Proportion Renewable Power Sources" Sustainability 12, no. 2: 518. https://doi.org/10.3390/su12020518
APA StyleChen, Y., Guo, Z., Li, H., Yang, Y., Tadie, A. T., Wang, G., & Hou, Y. (2020). Probabilistic Optimal Power Flow for Day-Ahead Dispatching of Power Systems with High-Proportion Renewable Power Sources. Sustainability, 12(2), 518. https://doi.org/10.3390/su12020518

