A Comparative Study of Supercapacitor-Based STATCOM in a Grid-Connected Photovoltaic System for Regulating Power Quality Issues
Abstract
1. Introduction
1.1. Motivation and Incitement
1.2. Literature Review
1.3. Contribution and Paper Organization
2. Proposed Design
- A SCESS-based STATCOM model is designed to enhance the reliability and stability of electrical power systems that is actually based on renewable energy resources, i.e., PVs, in this system.
- The main idea of this SCESS-based STATCOM is to overcome the voltage drop due to heavy loads, the reduction of harmonics due to non-linear loads on the distribution side, or any type of fault that occurs both on the source side or on the load side, so that by using this technique, the power supply on the customer side is maintained in the event of faults or voltage drops both on the source side and load side by injecting or absorbing the required amount of Q.
2.1. Characterisctics of PV Model
2.2. Three-Phase DC-AC Converter
2.3. Inverter Control
- Maximum power point tracking (MPPT) Controller: For the extraction of maximum power from PV arrays, a maximum power point tracking (MPPT) controller is used which is actually based on the “perturb and observe (P&O)” technique. This MPPT controller automatically changes the VDC reference signal of the converter’s VDC regulator intending to achieve the DC voltage which extracts maximum power from the PV arrays.
- VDC Regulator: It determines the required Id (active current) reference for the current regulator.
- Current Regulator: This regulator determines the required reference voltages for the converter based on the active, Id, and reactive, Iq, current references.
- Phase Locked Loop (PLL) and Measurements: Synchronization and current/voltage measurements are held in this subsystem.
- PWM Generator: Based on the required reference voltages, it generates the firing pulses to the IGBTs.
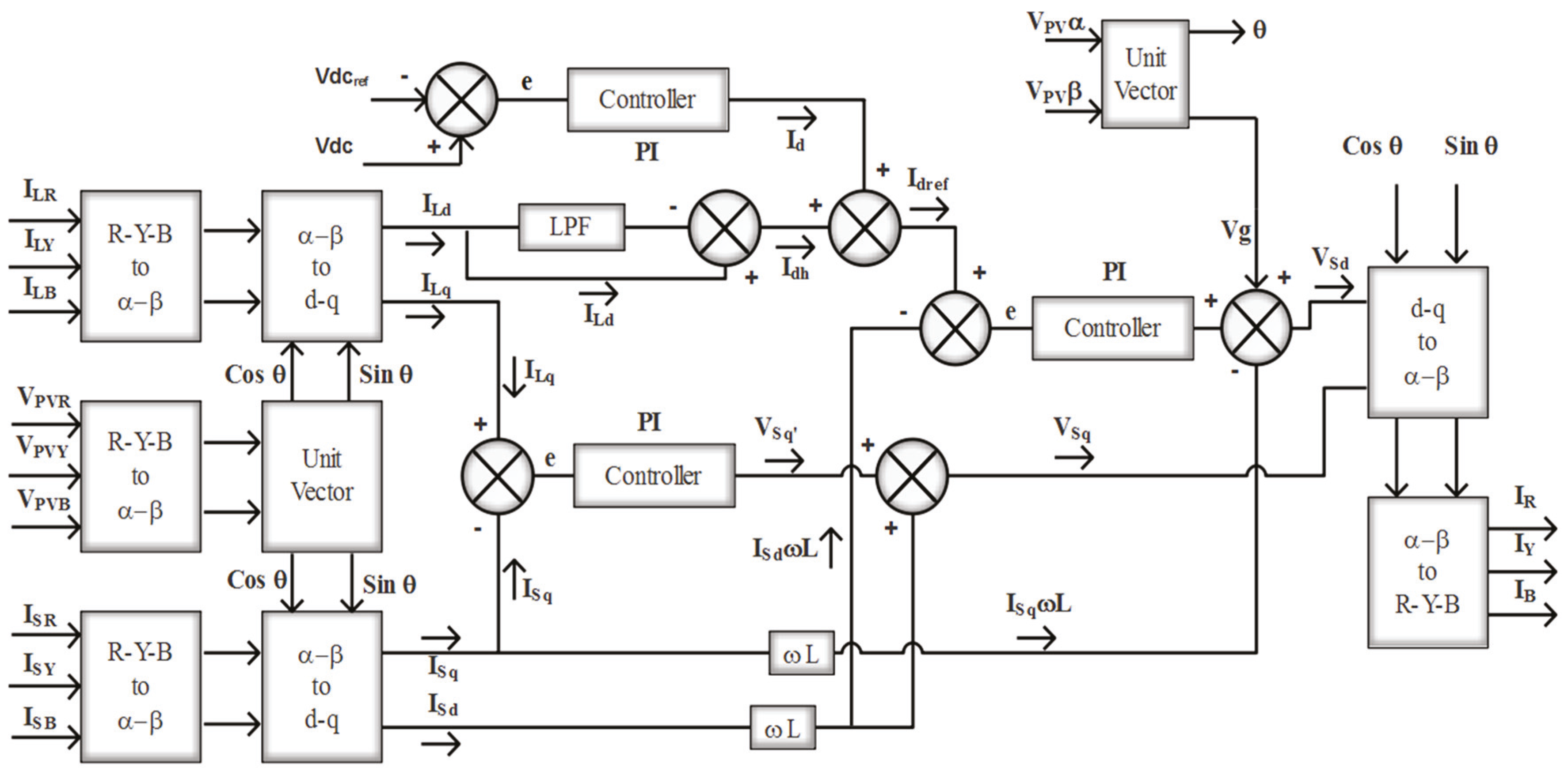
3. Design and Operation of the Proposed Controller for a SCESS-Based STATCOM
- Voltage Controller: This controller is used to keep the DC link voltage of the STATCOM constant. The schematic diagram of this controller is given in Figure 4.
- d-q axis controller: This controller is actually the current controller which supplies both the harmonic current and the required amount of reactive current. It also absorbs the small active current to overcome the switching losses. The block diagram of the proposed controller is shown in Figure 5.
4. Results and Comparison of SCESS-Based STATCOM with BESS-Based STATCOM for Grid-Connected PV Plant
5. Discussion
6. Conclusions
Author Contributions
Funding
Conflicts of Interest
References
- Pereira, R.M.M.; Ferreira, C.M.M.; Barbosa, F.M. Comparative study of STATCOM and SVC performance on Dynamic Voltage Collapse of an Electric Power System with Wind Generation. IEEE Lat. Am. Trans. 2014, 12, 138–145. [Google Scholar] [CrossRef]
- Chong, H.; Huang, A.Q.; Baran, M.E.; Bhattacharya, S.; Litzenberger, W.; Anderson, L.; Johnson, A.L.; Edris, A.A. STATCOM Impact Study on the Integration of a Large Wind Farm into a Weak Loop Power System. IEEE Trans. Energy Convers. 2008, 23, 226–233. [Google Scholar] [CrossRef]
- Khan, M.A.; Ko, B.; Alois Nyari, E.; Park, S.E.; Kim, H.-J. Performance Evaluation of Photovoltaic Solar System with Different Cooling Methods and a Bi-Reflector PV System (BRPVS): An Experimental Study and Comparative Analysis. Energies 2017, 10, 826. [Google Scholar] [CrossRef]
- Leon, A.E.; Mauricio, J.M.; Solsona, J.A.; Gomez-Exposito, A. Software Sensor-Based STATCOM Control Under Unbalanced Conditions. IEEE Trans. Power Deliv. 2009, 24, 1623–1632. [Google Scholar] [CrossRef]
- Freddy, T.K.S.; Abd Rahim, N. Photovoltaic inverter topologies for grid integration applications. In Advances in Solar Photovoltaic Power Plants, 1st ed.; Islam, M.R., Rahman, F., Xu, W., Eds.; Springer: Berlin/Heidelberg, Germany, 2016; pp. 13–42. [Google Scholar]
- Valderrabano, A.; Ramirez, J.M. Details on the implementation of a conventional StatCom’s control. In Proceedings of the 2008 IEEE/PES Transmission and Distribution Conference and Exposition: Latin America, Bogota, Colombia, 13–15 August 2008; pp. 1–7. [Google Scholar]
- Khan, M.A.; Zeb, K.; Sathishkumar, P.; Himanshu; Rao, S.S.; Gopi, C.V.V.M.; Kim, H.-J. A Novel Off-Grid Optimal Hybrid Energy System for Rural Electrification of Tanzania Using a Closed Loop Cooled Solar System. Energies 2018, 11, 905. [Google Scholar] [CrossRef]
- Varma, R.K.; Khadkikar, V.; Seethapathy, R. Nighttime Application of PV Solar Farm as STATCOM to Regulate Grid Voltage. IEEE Trans. Energy Convers. 2009, 24, 983–985. [Google Scholar] [CrossRef]
- Khan, M.A.; Zeb, K.; Uddin, W.; Sathishkumar, P.; Ali, M.U.; Hussain, S.; Ishfaq, M.; Himanshu; Subramanian, A.; Kim, H.-J. Design of a Building-Integrated Photovoltaic System with a Novel Bi-Reflector PV System (BRPVS) and Optimal Control Mechanism: An Experimental Study. Electronics 2018, 7, 119. [Google Scholar] [CrossRef]
- Suul, J.A.; Molinas, M.; Undeland, T. STATCOM-Based Indirect Torque Control of Induction Machines During Voltage Recovery After Grid Faults. IEEE Trans. Power Electron. 2010, 25, 1240–1250. [Google Scholar] [CrossRef]
- Slepchenkov, M.N.; Smedley, K.M.; Jun, W. Hexagram-Converter-Based STATCOM for Voltage Support in Fixed-Speed Wind Turbine Generation Systems. IEEE Trans. Ind. Electron. 2011, 58, 1120–1131. [Google Scholar] [CrossRef]
- Chakraborty, A.; Musunuri, S.K.; Srivastava, A.K.; Kondabathini, A.K. Integrating STATCOM and Battery Energy Storage System for Power System Transient Stability: A Review and Application. Adv. Power Electron. 2012, 2012, 1–12. [Google Scholar] [CrossRef]
- Ge, Y.; Du, W.; Littler, T. Applying STATCOM/BESS stabilizers in a real large-scale power system. In Proceedings of the 2nd IET Renewable Power Generation Conference (RPG 2013), Beijing, China, 9–11 September 2013; pp. 1–4. [Google Scholar]
- Muthusamy, M.; Kumar, C.S. New STATCOM control scheme for power quality improvement in wind farm. In Proceedings of the 2014 International Conference on Green Computing Communication and Electrical Engineering (ICGCCEE), Coimbatore, India, 6–8 March 2014; pp. 1–5. [Google Scholar]
- Lirong, Z.; Yi, W.; Heming, L.; Pin, S. Hybrid power control of cascaded STATCOM/BESS for wind farm integration. In Proceedings of the IECON 2013—39th Annual Conference of the IEEE Industrial Electronics Society, Vienna, Austria, 10–13 November 2013; pp. 5288–5293. [Google Scholar]
- Mohod, S.W.; Aware, M.V. A STATCOM-Control Scheme for Grid Connected Wind Energy System for Power Quality Improvement. IEEE Syst. J. 2010, 4, 346–352. [Google Scholar] [CrossRef]
- Singh, B.; Niwas, R.; Dube, S.K. Load Leveling and Voltage Control of Permanent Magnet Synchronous Generator-Based DG Set for Standalone Supply System. IEEE Trans. Ind. Inform. 2014, 10, 2034–2043. [Google Scholar] [CrossRef]
- Kanchanaharuthai, A.; Chankong, V.; Loparo, K.A. Transient Stability and Voltage Regulation in Multimachine Power Systems Vis-à-Vis STATCOM and Battery Energy Storage. IEEE Trans. Power Syst. 2015, 30, 2404–2416. [Google Scholar] [CrossRef]
- Liu, J.; Su, C.; Wang, X.; Fang, W.; Niu, S.; Cheng, L. Abnormality in power system transient stability control of BESS/STATCOM. J. Eng. 2017, 2017, 1040–1044. [Google Scholar] [CrossRef]
- Datta, U.; Kalam, A.; Shi, J. Battery Energy Storage System to Stabilize Transient Voltage and Frequency and Enhance Power Export Capability. IEEE Trans. Power Syst. 2019, 34, 1845–1857. [Google Scholar] [CrossRef]
- Rehman, A.; Guo, C.; Zhao, C. Coordinated Control for Operating Characteristics Improvement of UHVDC Transmission Systems under Hierarchical Connection Scheme with STATCOM. Energies 2019, 12, 945. [Google Scholar] [CrossRef]
- Tuzikova, V.; Tlusty, J.; Muller, Z. A Novel Power Losses Reduction Method Based on a Particle Swarm Optimization Algorithm Using STATCOM. Energies 2018, 11, 2851. [Google Scholar] [CrossRef]
- Tareen, W.; Aamir, M.; Mekhilef, S.; Nakaoka, M.; Seyedmahmoudian, M.; Horan, B.; Memon, M.; Baig, N. Mitigation of Power Quality Issues Due to High Penetration of Renewable Energy Sources in Electric Grid Systems Using Three-Phase APF/STATCOM Technologies: A Review. Energies 2018, 11, 1491. [Google Scholar] [CrossRef]
- Popavath, L.; Kaliannan, P. Photovoltaic-STATCOM with Low Voltage Ride through Strategy and Power Quality Enhancement in a Grid Integrated Wind-PV System. Electronics 2018, 7, 51. [Google Scholar] [CrossRef]
- Aware, M.V.; Virulkar, V.B. Comparative performance of BESS and SMES in distribution network to improve power quality. Int. J. Power Energy Convers. 2009, 1, 327–347. [Google Scholar] [CrossRef]
- Jalali, A.; Aldeen, M. Improving voltage stability margin using STATCOM-storage devices. In Proceedings of the 2016 IEEE PES Innovative Smart Grid Technologies Conference Europe (ISGT-Europe), Ljubljana, Slovenia, 9–12 October 2016; pp. 1–6. [Google Scholar]
- Choi, D.; Lee, S.H.; Kang, Y.C.; Park, J. Analysis on Special Protection Scheme of Korea Electric Power System by Fully Utilizing STATCOM in a Generation Side. IEEE Trans. Power Syst. 2017, 32, 1882–1890. [Google Scholar] [CrossRef]
- Islam, M.R.; Mahfuz-Ur-Rahman, A.; Islam, M.M.; Guo, Y.G.; Zhu, J.G. Modular medium-voltage grid-connected converter with improved switching techniques for solar photovoltaic systems. IEEE Trans. Ind. Electron. 2017, 64, 8887–8896. [Google Scholar] [CrossRef]
- Islam, M.R.; Guo, Y.; Zhu, J. A multilevel medium-voltage inverter for step-up-transformer-less grid connection of photovoltaic power plants. IEEE J. Photovolt. 2014, 4, 881–889. [Google Scholar] [CrossRef]
- Yu, S.; Fernando, T.; Chau, T.K.; Iu, H.H. Voltage Control Strategies for Solid Oxide Fuel Cell Energy System Connected to Complex Power Grids Using Dynamic State Estimation and STATCOM. IEEE Trans. Power Syst. 2017, 32, 3136–3145. [Google Scholar] [CrossRef]
- Khan, M.A.; Zeb, K.; Sathishkumar, P.; Ali, M.U.; Uddin, W.; Hussain, S.; Ishfaq, M.; Khan, I.; Cho, H.-G.; Kim, H.-J. A Novel Supercapacitor/Lithium-Ion Hybrid Energy System with a Fuzzy Logic-Controlled Fast Charging and Intelligent Energy Management System. Electronics 2018, 7, 63. [Google Scholar] [CrossRef]
- Hussain, S.; Ali, M.U.; Park, G.-S.; Nengroo, S.H.; Khan, M.A.; Kim, H.-J. A Real-Time Bi-Adaptive Controller-Based Energy Management System for Battery–Supercapacitor Hybrid Electric Vehicles. Energies 2019, 12, 4662. [Google Scholar] [CrossRef]
- Hussain, S.; Ali, M.U.; Nengroo, S.H.; Khan, I.; Ishfaq, M.; Kim, H.-J. Semiactive Hybrid Energy Management System: A Solution for Electric Wheelchairs. Electronics 2019, 8, 345. [Google Scholar] [CrossRef]
- Kun, Y.; Xiaoxiao, C.; Yue, W.; Lei, C.; Guozhu, C. PCC voltage stabilization by D-STATCOM with direct grid voltage control strategy. In Proceedings of the 2012 IEEE International Symposium on Industrial Electronics, Hangzhou, China, 28–31 May 2012; pp. 442–446. [Google Scholar]
- Soman, S.; Scaria, R. Power System Stability and LVRT Capability Enhancement of Grid Connected Hybrid System with UPFC and Energy Storage System. Int. J. Sci. Res. 2013, 5, 1310–1317. [Google Scholar]
- Kovaltchouk, T.; Ahmed, H.B.; Multon, B.; Aubry, J.; Venet, P. An aging-aware life cycle cost comparison between supercapacitors and Li-ion batteries to smooth Direct Wave Energy Converter production. In Proceedings of the 2015 IEEE Eindhoven PowerTech, Eindhoven, The Netherlands, 29 June–2 July 2015; pp. 1–6. [Google Scholar]


























| Sr. No | Parameter | Specifications |
|---|---|---|
| 1 | Source Voltage | 400 V |
| 2 | Frequency | 60 Hz |
| 3 | Solar Plant | 105 KW |
| 4 | Line Parameters | R = 0.001 Ω, 0.05 mH |
| 5 | DC Link Voltage | 1000 V |
| Sr. No | Parameter | Specifications |
|---|---|---|
| 1 | Rated capacitance (µF) | 400 |
| 2 | Equivalent DC series resistance (mΩ) | 8.9 |
| 3 | Rated voltage (V) | 48 |
| 4 | Initial SOC (%) | 100 |
| 5 | Number of series capacitors | 17 |
| 6 | Number of parallel capacitors | 1 |
© 2020 by the authors. Licensee MDPI, Basel, Switzerland. This article is an open access article distributed under the terms and conditions of the Creative Commons Attribution (CC BY) license (http://creativecommons.org/licenses/by/4.0/).
Share and Cite
Afzal, M.M.; Khan, M.A.; Hassan, M.A.S.; Wadood, A.; Uddin, W.; Hussain, S.; Rhee, S.B. A Comparative Study of Supercapacitor-Based STATCOM in a Grid-Connected Photovoltaic System for Regulating Power Quality Issues. Sustainability 2020, 12, 6781. https://doi.org/10.3390/su12176781
Afzal MM, Khan MA, Hassan MAS, Wadood A, Uddin W, Hussain S, Rhee SB. A Comparative Study of Supercapacitor-Based STATCOM in a Grid-Connected Photovoltaic System for Regulating Power Quality Issues. Sustainability. 2020; 12(17):6781. https://doi.org/10.3390/su12176781
Chicago/Turabian StyleAfzal, Muhammad Moin, Muhammad Adil Khan, Muhammad Arshad Shehzad Hassan, Abdul Wadood, Waqar Uddin, S. Hussain, and Sang Bong Rhee. 2020. "A Comparative Study of Supercapacitor-Based STATCOM in a Grid-Connected Photovoltaic System for Regulating Power Quality Issues" Sustainability 12, no. 17: 6781. https://doi.org/10.3390/su12176781
APA StyleAfzal, M. M., Khan, M. A., Hassan, M. A. S., Wadood, A., Uddin, W., Hussain, S., & Rhee, S. B. (2020). A Comparative Study of Supercapacitor-Based STATCOM in a Grid-Connected Photovoltaic System for Regulating Power Quality Issues. Sustainability, 12(17), 6781. https://doi.org/10.3390/su12176781

