Abstract
Reactive power is an important parameter in electrical power systems since it affects the efficiency of the system because it is not useful energy. It decreases the power factor of the system and limits the ability of generators to deliver useful power. It is therefore necessary to understand and correctly measure the phenomenon of reactive energy in three-phase systems. In this paper, we analyze reactive power in linear and unbalanced three-phase systems using the Unified Theory of Electrical Power and the Institute of Electrical and Electronics Engineers Standard 1459-2010 (IEEE Std. 1459-2010) to obtain expressions for reactive power in balanced and unbalanced systems and noting that there are terms that exist only for unbalanced systems. Analysis of the measurements carried out led us to identify the existence of two components of reactive power—that due to reactive elements, and that caused by unbalances in the system. Knowing the causes that generate reactive power, it is possible to act more effectively on the problem and therefore achieve a more sustainable generation of electric power and a lower environmental impact.
1. Introduction
Reactive power is a fundamental parameter to consider when working with electrical power systems as it is an inefficiency of the system. Although reactive power is necessary in any electrical installation, the main interest in order to avoid losses and economic costs is its minimization. From a technical point of view, it necessitates oversized installations, and from an economic point of view, it increases the cost of consumed electrical energy [1,2,3,4]. All this results in important environmental cost; raw materials and resources are consumed in generating an energy that is not used. Actually, the energy not consumed as a result of the unbalances in the systems is not quantified, so there is no idea of the real magnitude of the problem. A way of recognizing the mechanisms that generate it and how to measure it is an important step in its minimization, therefore resulting in a more sustainable generation of electric power, a better use of resources, and a lower environmental impact.
Interest in reactive power arose at the end of the 19th century, as the works of Stanley [5], Knoltown [6], and Lyon [7] demonstrate, although it was in 1897 that Steinmtez [8] explained the meaning of reactive power (Q) for single-phase and linear systems and defined it as the amplitude of instantaneous reactive power.
The reactive phenomenon has been explained by several theories [9,10,11]. Different modes of operation of an electric system are considered and the results coincide if the system is balanced and linear but do not coincide when the system is unbalanced or non-linear [12]. Currently, many authors study the reactive power in the systems and evaluate ways to reduce the additional costs that their presence generates [10,11,12,13,14,15,16].
Certain situations can cause the appearance of the reactive phenomenon, such as reactive elements in the system, the presence of electronic converters, and the existence of unbalances as described in some papers [17,18], which are also suggested by Jeon [19]. There are therefore different causes of the reactive phenomenon, and in all these cases, there is a phase difference between the current and the voltage [20,21].
Previous studies of this problem propose different solutions to minimize the presence of reactive power in the Electric Distribution System [22,23,24,25,26,27,28,29,30], as well as to minimize the costs generated by its presence [31,32]. Traditionally, according to these studies, the presence of reactive power is exclusively associated with the presence of the elements mentioned above. In this article, we will demonstrate the existence of reactive power as a result of unbalances in the system, regardless of whether there are reactive elements.
For this purpose, in this paper, we will analyze the reactive power evaluating the causes that generate it, and we will separate the reactive power produced by the reactive elements present in the system from that generated by the unbalances of the same. This approach differs from other studies, which analyze the reactive phenomenon as a whole.
To obtain an expression of the reactive phenomenon, instantaneous reactive power is used. We first analyze a linear three-phase system with balanced voltages, and then the process is repeated with a system with unbalanced voltages. The instantaneous power is formulated using the Unified Theory of Electrical Power [33], based on the Theory of Steinmetz, and the reactive instantaneous power is formulated as stated in Standard IEEE 1459/2010 [34] for the fundamental frequency and direct sequence (positive).
Comparing the two expressions of the instantaneous reactive power of the balanced voltages system and the unbalanced voltages system, we find terms which only arise for unbalanced systems. These are therefore due to unbalances in the system. As Steinmetz states, reactive power is quantified as the amplitude of the flows of instantaneous reactive power. We have performed simulations by using OrCAD, a program for electric circuit modeling and simulating used by numerous authors [35,36,37,38], in order to contrast the mathematical model proposed in the article and experimental measures.
2. Methodology
We analyze two parts of the reactive power—the reactive power produced by the reactive elements of the system, and the reactive power produced by its unbalances. We use three different methods for the analysis:
- Mathematical model—The analysis of the existence of reactive power in three-phase linear systems will be carried out when they are balanced and when they are not balanced. The equations that allow us to determine the reactive power generated in each case will be obtained.
- Experimental measurements in the laboratory—We aim to demonstrate the presence of the reactive power generated by the unbalances which is independent of any other characteristic of the system. The choice of complex systems could mask this objective; therefore, we have chosen simple systems for analysis.
- Simulations by using OrCAD—We have been performed the simulation of the same cases proposed for analysis in the laboratory by using OrCAD.
- Posing a complex case. Once the proposed model has been contrasted, we propose the analysis of a complex case as an example of application, since the cases previously analyzed are simplified.
2.1. Mathematical Model
2.1.1. Reactive Power in Linear Three-Phase Systems with Balanced Voltages
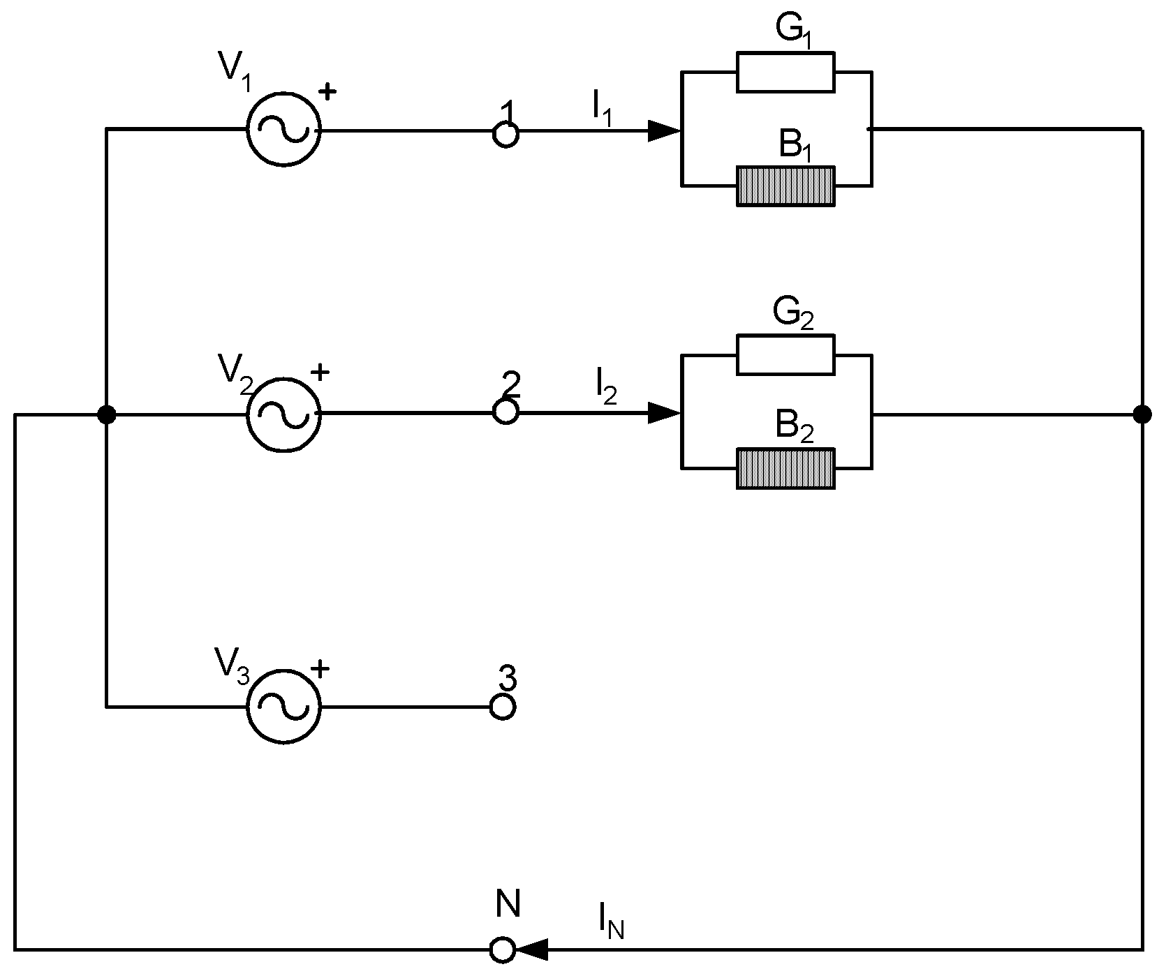
Consider a balanced three-phase generator of positive (or direct) sequence feeding a three-phase load which is unbalanced and linear, connected in star with neutral, with the conductances Gz and susceptances Bz (considered inductive) of each phase (z = 1,2,3), as shown Figure 1, and with the following applied voltages (1):
Figure 1.
Studied circuit.
The circulation of currents by the phases of the receptor is
Usually these currents are unbalanced, so using Th. Stokvis-Fortescue, and decomposing the active part (I+a) and reactive (I+r) currents of positive sequence, we have
Designating the equivalent susceptance () for positive sequence component as
The expression of the positive sequence reactive component for the first phase is
The instantaneous value is
The reactive phenomenon can be expressed by the instantaneous reactive power of fundamental frequency and positive sequence [12,13].
This is quantified for the reactive power as the amplitude of the flows of instantaneous reactive power.
2.1.2. Reactive Power in Linear Three-phase Systems with Unbalanced Voltages
Consider the system shown in Figure 1, but with unbalanced excitation voltages. This is a system that is unbalanced in voltages and currents, using symmetrical components, positive (+), negative (−), and zero (0).
As stated in Standard IEEE 1459-2010, and postulated in the Unified Theory of Electrical Power, the active and reactive powers are defined for the fundamental frequency and positive sequence component of voltage and current.
The voltages of the system, in phasor notation:
The currents for each phase of the receptor, in phasor notation:
For analysis of the reactive, only the positive sequence component of the current is considered:
Taking the conductance and susceptance of positive sequence of the load as
Designating
Where
is the admittance of each phase of the load
The positive sequence component for the first phase current can be expressed by
Considering the degrees of unbalance () and of asymmetry () of the voltages of the system,
The Equation (11) is
The instantaneous value of the reactive component of current is
The instantaneous reactive power for positive sequence has the following expression:
Comparing Equation (19) with that obtained for the case of balanced voltages (7), we can see that there are identical terms in both—the flows of instantaneous reactive power due to the presence of reactive elements in the system, and which we will designate as prr(t).
The instantaneous reactive power is determined by two flows of power: that due to the reactive elements of the system, and that caused by unbalances in the system.
where pru(t) is the instantaneous reactive power due to the unbalances.
Reactive power flows associated with the unbalance can be inductive or capacitive, depending on the unbalance, which means they are either added to or compensate those due to the reactive elements in the system. They can also appear in purely resistive systems.
The reactive power that quantifies this phenomenon is given as the sum of the amplitudes of the expression of the instantaneous reactive power, as established by Steinmetz. We get two terms: the reactive power due to the reactive elements of the system:
The reactive power caused by the unbalance:
2.2. Experimental Measurements
The measurements have been taken in the laboratory, as shown in Figure 2, and they confirm what has been stated in this paper. The following equipment and measuring instruments were used: adjustable three-phase electronic suitcase model PTE-300-V of SMC, for unbalanced voltages; De Lorenzo linear resistive (R) and inductive (L) loads; and the Fluke 435 Series II Analyzer (Fluke, Everett, Washington D.C., US) of energy and power quality, based on IEEE Std. 1459/2010 and on the Unified Theory of Electrical Power.
Figure 2.
Photography of the assembly for experimental measurements.
The situations studied were the following:
- A single-phase linear resistive load (cases 1, 2, and 3). Three cases with purely resistive load were studied. Case 1 has resistive load and balanced voltages, while in cases 2 and 3, unbalanced voltages were applied. The unbalance was generated by varying the voltage argument in a single phase, looking for simplified cases that allow us to observe the appearance of reactive power as a direct consequence of these unbalances.
- A single-phase linear inductive (cases 4, 5, and 6) was connected between phase 1 and the neutral of the unbalanced system of voltages, respectively. These three cases maintain the same voltage conditions as cases 1, 2, and 3, but with the presence of inductive load.
Table 1 summarizes the cases evaluated in the laboratory.
Table 1.
Test parameters.
Cases 1, 2, and 3 correspond to purely resistive loads, and in cases 4, 5, and 6, inductive loads were introduced. As can be seen in Table 1, the voltage unbalance was generated by modifying the angle of tension V2 (−100 ° for cases 2 and 5, and −140 ° for cases 3 and 6), keeping the rest of the variables constant.
2.3. Simulations with OrCAD
The simulations have been carried out by using the OrCAD software, a program for electric circuit modeling and simulating. To carry out the simulation, the equivalent circuit was determined in each of the cases analyzed, based on the procedure described in references [17,33].
In the simulations reactive power flows have been obtained, taking the values of total reactive power, QT, reactive power due to reactive elements, Qrr, and reactive power due to unbalances, Qru, in order to compare them with those obtained by the mathematical model and experimental measures.
2.4. Example of Application to a More Complex Case
As we have previously mentioned, the aim of this work is to separate the total reactive power due to the reactive elements present in the circuit from the reactive power due to the unbalances in it. We have selected simple simulated cases to better achieve this goal. This prevents the complexity of the system from masking the desired result. In this section, we will apply the mathematical model to a somewhat more complex case, by way of example. The simulation will also be carried out by OrCAD of the proposed system.
It will be analyzed the case of two single-phase loads (Figure 3) which consume 1.25 kW, with a cosφ = 0.77(i) and 3.78 kW with a cosφ = 0.85(i) when they are respectively connected between the phases 1,2 and the neutral of an unbalanced system of voltages of values.
Figure 3.
Scheme of the proposed example.
For the system reflected in Figure 3, and with the values of loads and tensions proposed we can calculate the unbalance and asymmetry voltage degrees by using Equation (16).
The values of the currents in the system and the sequence components of these unbalanced systems are:
As set forth in Standard IEEE 1459-2010, and The Unified Theory of Electrical Power, the reactive power is due to the components of positive sequence, which in this system is:
As we have indicated in this paper, by applying The Unified Theory of Electrical Power at this value of the reactive power, it is also possible to distinguish that part which is due to the presence of reactive elements in the system and that part caused by the unbalances in the system.
By applying Equation (4), the direct susceptance of the load is
Of (13),
Using (22) the reactive power due to the presence of reactive elements is calculated, while that due to the unbalance have been calculated using (23).
3. Results and Discussion
Table 2 shows the values obtained for the six cases studied with the mathematical model. Table 3 presents the experimental measurements, and Table 4 collects the values obtained with the simulations made with the OrCAD. The three tables show the total reactive power, QT, broken down into reactive power due to reactive elements, Qrr, and due to unbalances, Qru. Expression “ind” and “cap” in the tables means inductive and capacitive respectively.
Table 2.
Values of reactive power due to reactive elements (Qrr), reactive power due to unbalances (Qru), total reactive power (QT), and active power (P) obtained through the mathematical model.
Table 3.
Values of reactive power due to reactive elements (Qrr), reactive power due to unbalances (Qru), total reactive power (QT), and active power (P) measured experimentally.
Table 4.
Values of reactive power due to reactive elements (Qrr), reactive power due to unbalances (Qru), total reactive power (QT), and active power (P) obtained by OrCAD.
As can be seen in Table 2, when the system of voltages is balanced (cases 1 and 4), the measurements performed on the resistive and inductive receiver match those expected by the classic theories—reactive power is null and inductive respectively. The resistive receiver presents inductive or capacitive behavior (cases 2 and 3), depending on how the unbalance is carried out. This is due to reactive power from the unbalances (Qru), which is formulated in this paper.
When the voltages in the system are unbalanced, it can be seen how the QT is the sum of the reactive power generated as a result of the presence of the inductive load, Qrr, and that generated by the system unbalance, Qru. As before, the behavior can be inductive or capacitive depending on the type of unbalance, so the generated Qru is added or subtracted from the Qrr, increasing or decreasing the QT (cases 5 and 6).
The reactive power values obtained experimentally and presented in Table 3 are coincident with the values calculated with the proposed mathematical model.
Figure 4 shows, by way of example, the graph obtained for the simulation using the OrCAD software in case 6. The graphs represent the total reactive power (QT), reactive power due to loads (Qrr) and power flows reactive due to system unbalance (Qru).
Figure 4.
Simulation by using OrCAD of case 6. Total reactive power QT (yellow), Reactive power due to reactive loads Qrr (red) and Reactive power due to unbalance of the Qru system (green).
The values presented in Table 4 correspond to the maximums obtained in the different simulations, and they are again practically coincident with those presented in Table 2 and Table 3.
Once the mathematical model has been contrasted, and taking into account that the cases analyzed are very simple, a more complex case is proposed as an example of application. The results obtained for the case proposed in Figure 3 through the application of the mathematical model developed and those obtained in the simulation are those shown in Table 5.
Table 5.
Values of reactive power due to reactive elements (Qrr), reactive power due to unbalances (Qru), and total reactive power (QT) obtained for the proposed example.
Figure 5 shows the graphs obtained for this example by simulation with OrCAD.
Figure 5.
Graphical result of the simulation using OrCAD in case 6.
In this system, the reactive power due to unbalances (Qru) is calculated, and is added to the reactances of the system (Qrr), thereby increasing the total value of the reactive power in the system around 4%. This percentage is not negligible, so it is very convenient to take it into account when designing the systems.
4. Conclusions
In this paper, we have aimed to analyze the reactive power and evaluate the causes that generate its appearance in the systems. As a novelty, the possibility of the presence of reactive power in purely resistive systems has been raised and demonstrated as a result of the presence of unbalances in the system’s stresses and loads
Throughout this paper, we have shown the importance of unbalance in three-phase systems in relation to the presence of reactive phenomena.
Expressions that allow us to quantify reactive power have been developed in accordance with IEEE Std. 1459/2010 and the Unified Theory of Electrical Power. These expressions calculate the separation of the reactive power that comes from unbalance in the system, from that due to the reactive elements in the system.
We have verified the following points through the developed expressions, experimental measurements and simulations performed. The following points have been verified:
- In purely resistive systems, the presence of reactive power has been demonstrated. This is exclusively due to unbalance of loads and system voltages, since there are no reactive elements.
- Reactive power due to unbalance (Qru) can be either inductive or capacitive and can therefore can be increased or decreased due to the reactive elements in the system
- It has been shown that unbalances in the systems involve a non-negligible amount of unused energy, so if this effect is minimized as much as possible, the environmental impact of the power generation industry could be reduced.
Author Contributions
Conceptualization: M.A.G.-L. and A.G.-D.; Investigation: J.C.-G. and A.M.-B.; Methodology: M.A.G.-L.; Supervision: M.A.G.-L., A.G.-D., and A.F.-V.; Visualization: J.C.-G. and A.M.-B.; Writing—original draft: M.A.G.-L. and A.G.-D.; Writing—review and editing: M.A.G.-L., A.G.-D., A.F.-V., and J.C.-G.
Funding
This research received no external funding.
Conflicts of Interest
The authors declare no conflict of interest.
References
- Li, J.; Geng, X.; Li, J. A Comparison of Electricity Generation System Sustainability among G20 Countries. Sustainability 2016, 8, 1276. [Google Scholar] [CrossRef]
- Kumar, S.V. Reactive Power Cost Calculation and Allocation in Regulated Electricity Market. In Proceedings of the 6th International Conference on Advanced Computing and Communication Technology, Copenhagen, Denmark, 25–26 April 2020. [Google Scholar]
- Golkar, A.; Golkar, A.M. Reactive power pricing in deregulated electricity market. In Proceedings of the 20th International Conference and Exhibition on Electricity Distribution-Part 1, Prague, Czech Republic, 8–11 June 2009. [Google Scholar]
- Saxena, N.K.; Kumar, A. Cost based reactive power participation for voltage control in multi units based isolated hybrid power system. J. Electr. Syst. Inf. Technol. 2016, 3. [Google Scholar] [CrossRef]
- Stanley, W. Phenomena of Retardation in the Induction Coil. Trans. Am. Inst. Electr. Eng. 1888, 4, 97–134. [Google Scholar] [CrossRef]
- Knowlton, A.E. I—Reactive power concepts in need of clarification. Electr. Eng. 1933, 52, 259–262. [Google Scholar] [CrossRef]
- LYON, W.V. Reactive power and unbalanced circuits. Electr. World 1920, 75, 1417–1420. [Google Scholar]
- Steinmetz, C.P. Theory of Alternating Current Phenomena; McGraw-Hill Book Company: New York, NY, USA, 1897. [Google Scholar]
- Budeanu, C.I. Puissances Reactivate et fictives; Institut Romain of L’Energie: Bucharest, Romania, 1927. [Google Scholar]
- Czarnecki, L.S. On Some Misinterpretations of the Instantaneous Reactive Power p-q Theory. IEEE Trans. Power Electron. 2004, 19, 828–836. [Google Scholar] [CrossRef]
- Emanuel, A.E. Apparent and reactive powers in three-phase systems: In search of a physical meaning and a better resolution. Eur. Trans. Electr. Power 2007, 3, 7–14. [Google Scholar] [CrossRef]
- Filipski, P.S.; Baghzouz, Y.; Cox, M.D. Discussion of power definitions contained in the IEEE Dictionary. IEEE Trans. Power Deliv. 1994, 9, 1237–1244. [Google Scholar] [CrossRef]
- Robbins, B.A.; Dominguez-Garcia, A.D. Optimal Reactive Power Dispatch for Voltage Regulation in Unbalanced Distribution Systems. IEEE Trans. Power Syst. 2016, 31, 2903–2913. [Google Scholar] [CrossRef]
- Pereira, B.R.; da Costa, G.R.M.M.; Contreras, J.; Mantovani, J.R.S. Optimal Distributed Generation and Reactive Power Allocation in Electrical Distribution Systems. IEEE Trans. Sustain. Energy 2016, 7, 975–984. [Google Scholar] [CrossRef]
- Zhang, T.; Cialdea, S.; Emanuel, A.E.; Orr, J.A. Electric energy cost reduction by shifting energy purchases from on-peak times. In Proceedings of the 2013 IEEE Electrical Power & Energy Conference, Halifax, NS, Canada, 21–23 August 2013; pp. 1–5. [Google Scholar]
- Kirkham, H.; Emanuel, A.; Albu, M.; Laverty, D. Resolving the reactive power question. In Proceedings of the 2019 IEEE International Instrumentation & Measurement Technology Conference, Auckland, New Zealand, 20–23 May 2019; pp. 1–6. [Google Scholar]
- León, J.; Graña, V.; Chouza, M.; Cazorla, J.; Montañana, T.; Giner, J. Modelización de fenómenos energéticos de desfase en sistemas trifásicos desequilibrados, lineales a tres hilos. Proceeding of the Conference International Energía Medioambiente; TIEMA, Camagüey, Cuba, 6–9 June 2005. [Google Scholar]
- A Graña-López, M.A.; Chouza-Gestoso, J.D.; Bonome, M. Presencia de fenómenos de desfase en sistemas trifásicos desequilibrados, resistivos y lineales en triángulo. In Proceedings of the International Conference on Engineering UBI2011, Covilhã, Portugal, 28–30 November 2011. [Google Scholar]
- Jeon, S.J. Considerations on a Reactive Power Concept in a Multiline System. IEEE Trans. Power Deliv. 2006, 21, 551–559. [Google Scholar] [CrossRef]
- Hadzhiev, I.; Malamov, D.; Georgiev, A. Analysis of the active and reactive power of a wind power plant with SCIG generators, connected to a high power electrical grid. IOP Conf. Ser. Mater. Sci. Eng. 2019, 618, 012026. [Google Scholar] [CrossRef]
- Pathak, A.K.; Sharma, M.; Bundele, M. A critical review of voltage and reactive power management of wind farms. Renew. Sustain. Energy Rev. 2015, 51, 460–471. [Google Scholar] [CrossRef]
- Gayatri, M.T.L.; Parimi, A.M.; Kumar, A.V.P. A review of reactive power compensation techniques in microgrids. Renew. Sustain. Energy Rev. 2018, 81, 1030–1036. [Google Scholar] [CrossRef]
- Hagh, M.T.; Jadidbonab, M.; Jedari, M. Control strategy for reactive power and harmonic compensation of three-phase grid-connected photovoltaic system. CIRED—Open Access Proc. J. 2017, 2017, 559–563. [Google Scholar] [CrossRef]
- Samet, H. Evaluation of digital metering methods used in protection and reactive power compensation of micro-grids. Renew. Sustain. Energy Rev. 2016, 62, 260–279. [Google Scholar] [CrossRef]
- Perez, M.A.; Flores-Bahamonde, F. FS-model predictive control of microgrid interface converters for reactive power and harmonic compensation. In Proceedings of the 2016 IEEE 25th International Symposium on Industrial Electronics, Santa Clara, CA, USA, 8–10 June 2016; pp. 1206–1211. [Google Scholar]
- Gayatri, M.T.L.; Parimi, A.M.; Kumar, A.V.P. Microgrid reactive power compensation using UPQC with common DC link energy restored by PV array. In Proceedings of the 2016 International Conferences Emergin Trends Engineering Technology Science, Tamil, India, 24–26 February 2016; pp. 1–8. [Google Scholar]
- Khefifi, N.; Houari, A.; Ait-Ahmed, M.; Machmoum, M.; Ghanes, M. Robust IDA-PBC Based Load Voltage Controller for Power Quality Enhancement of Standalone Microgrids. In Proceedings of the IEEE IECON 2018—44th Annual Conference of the IEEE Industrial Electronics Society, Washinton, DC, USA, 21–23 October 2018; pp. 249–254. [Google Scholar]
- Meshram, R.V.; Bhagwat, M.; Khade, S.; Wagh, S.R.; Stankovic, A.M.; Singh, N.M. Port-Controlled Phasor Hamiltonian Modeling and IDA-PBC Control of Solid-State Transformer. IEEE Trans. Control Syst. Technol. 2019, 27, 161–174. [Google Scholar] [CrossRef]
- Gui, Y.; Wei, B.; Li, M.; Guerrero, J.M.; Vasquez, J.C. Passivity-based coordinated control for islanded AC microgrid. Appl. Energy 2018, 229, 551–561. [Google Scholar] [CrossRef]
- Xu, X.; Li, J.; Xu, Z.; Zhao, J.; Lai, C.S. Enhancing photovoltaic hosting capacity—A stochastic approach to optimal planning of static var compensator devices in distribution networks. Appl. Energy 2019, 238, 952–962. [Google Scholar] [CrossRef]
- Gandhi, O.; Rodríguez-Gallegos, C.D.; Zhang, W.; Srinivasan, D.; Reindl, T. Economic and technical analysis of reactive power provision from distributed energy resources in microgrids. Appl. Energy 2018, 210, 827–841. [Google Scholar] [CrossRef]
- Ajenikoko, G.A.; Olakunle, O.; Olabode, E. Optimal Power Flow with Reactive Power Compensation for Cost and Loss Minimization On Nigerian Power Grid System. Indones. J. Electr. Eng. Inform. 2017, 5, 236–247. [Google Scholar] [CrossRef]
- León, V.; Giner, J.; Montañana, J.; Cazorla, A. Ineficiencias de Los Sistemas Eléctricos; Efectos, cuantificación y dispositivos de mejora de la eficiencia; Polytechnical University of Valencia: Valencia, Spain, 2001. [Google Scholar]
- Emanuel, A.E. Summary of IEEE Standard 1459: Definitions for the Measurement of Electric Power Quantities Under Sinusoidal, Nonsinusoidal, Balanced, or Unbalanced Conditions. IEEE Trans. Ind. Appl. 2004, 40, 869–876. [Google Scholar] [CrossRef]
- Vasin, I.M.; Voscobovich, V.J.; Pavlova, V.A. Modeling electric propulsion system of an atomic icebreaker in the orcad system program. In Proceedings of the 2016 IEEE V Forum Strategic Partnership Universities and Enterprises of Hi-Tech Branches, Saint Petersburg, Russia, 16–18 November 2016; pp. 99–101. [Google Scholar]
- Kadle, A.; Shetty, C.; Raju, A.B. A simplified approach to the first order approximations of a closed loop, non isolated dc-dc converter with synchronous rectifier circuit behavior by using the ORCAD PSPICE. In Fifth International Conference on Advances in Recent Technologies in Communication and Computing (ARTCom 2013); Institution of Engineering and Technology: Bangalore, India, 2013; pp. 309–318. [Google Scholar]
- Darabant, L.; Czumbil, L. Modeling the Symmetrization of Single Phase Receivers Using OrCAD A New Approach in Teaching Electrical Engineering. In Proceedings of the 2018 International Conference Exposition Electr on Electrical And Power Engineering (EPE), Iaşi, Romania, 18–19 October 2018; pp. 840–845. [Google Scholar]
- Kohlrusz, G.; Szalay, I.; Fodor, D. OrCAD PSpice Implementation of a Realistic Three-Phase PMSM Model for Diagnostic Purposes. In Proceedings of the 2019 IEEE International. Electric Machines & Drives Conference (IEMDC), San Diego, CA, USA, 11–15 May 2019; pp. 372–376. [Google Scholar]
© 2019 by the authors. Licensee MDPI, Basel, Switzerland. This article is an open access article distributed under the terms and conditions of the Creative Commons Attribution (CC BY) license (http://creativecommons.org/licenses/by/4.0/).




