Identifying Significant Risks and Analyzing Risk Relationship for Construction PPP Projects in China Using Integrated FISM-MICMAC Approach
Abstract
1. Introduction
2. Literature Review
2.1. General Review of PPP Risks
2.2. Identification Methods of PPP Risks
2.3. Relationship among PPP Risks
2.4. Research Gap and Contribution
3. Research Methods
3.1. Step 1: Collecting Data and Identifying Risk Factors
3.2. Step 2: Using Triangular Fuzzy Number to Build Fuzzy Direct Relation Matrix
3.3. Step 3: Using the Intercept Coefficient to Obtain the Skeleton Matrix
3.4. Step 4: Calculating Reachability Matrix and Reconfigurable Reachability Matrix
3.5. Step 5: Using ISM to Hierarchize Risk Factors
3.6. Step 6: Using MICMAC to Classify Risk Factors
4. Results and Findings
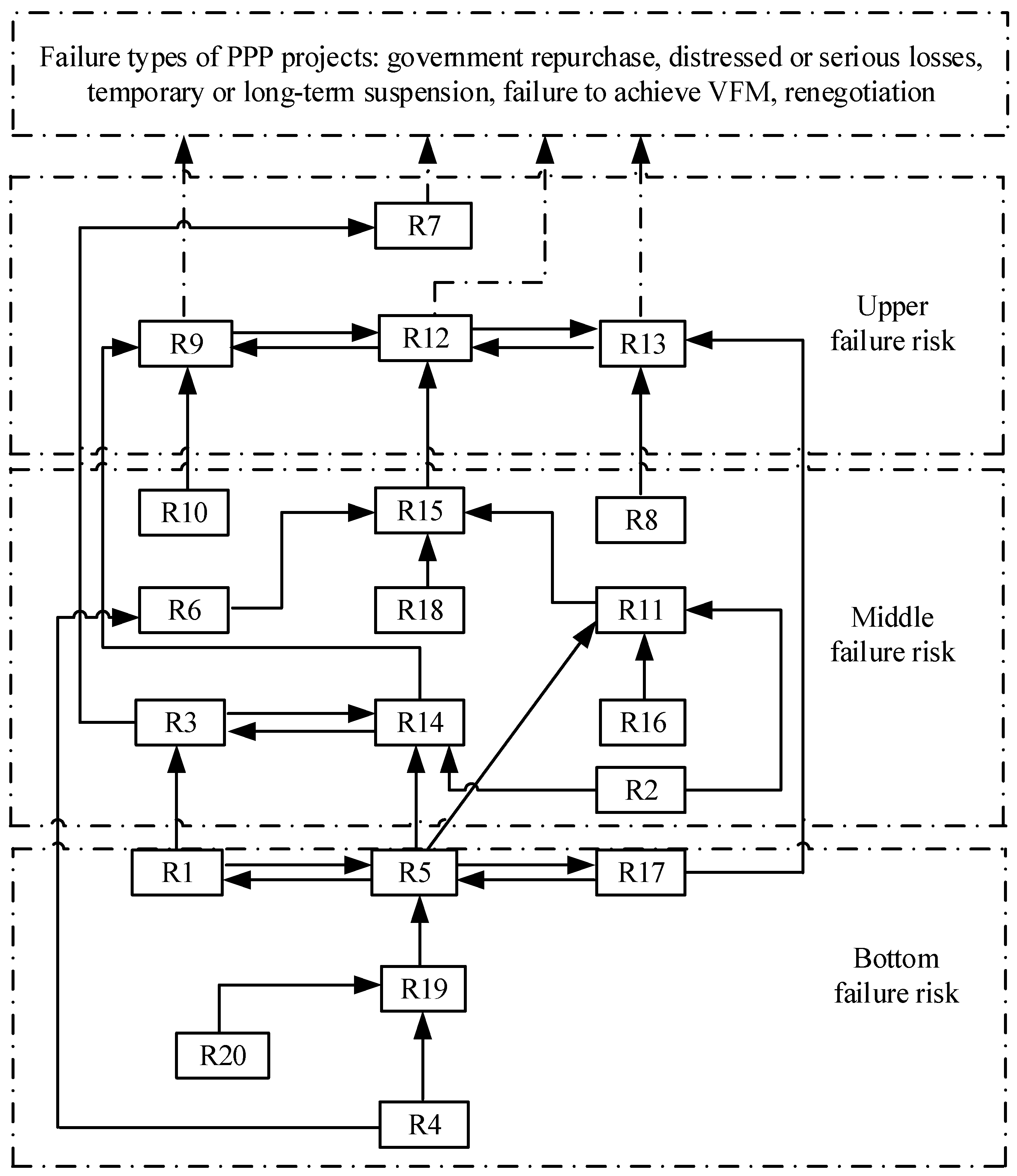
- The upper risk factors included R7 (contract risk), R9 (financing risk), R12 (construction risk), and R13 (project income risk), and there was a strong connection between R9, R12, and R13. These risks directly led to the failure of PPP projects.
- The middle risk factors included R3 (government credit risk), R11 (project change risk), R14 (parallel project competitive risk), R15 (operation and maintenance risk), R6 (bidding risk), R2 (policies and regulations change risk), R8 (Facility matching risk), R10 (economic risk), R16 (force majeure risk), and R18 (organizational coordination risk).
- The bottom risk factors included R4 (government regulatory risk), R20 (project company violates laws and regulations), R19 (environmental risk), R17 (public opposition risk), R1 (government decision-making approval risk), and R5 (planning and design risk). It can be considered that these risk factors are the most critical and fundamental in the risk system.
5. Analysis and Discussion
5.1. Discussion of Method
5.2. Risk Structure Analysis
5.3. Comparison with Other Studies
- In Iyer’s study on PPP of Indian highways [19], environmental risk was also at the bottom of the risk level, which could easily induce permit risk and direct political risk, eventually triggering schedule risk and cost overrun risk, which is consistent with our study and indicates that there are similarities between India and China, in this respect.
- Comparing the PPP risk studies of Han [83] and Li [18], based on Chinese national conditions, Han believed the bottom of the risk was an immature legal system, inadequate experience, inadequate data and research, lack of a standard PPP contract template, private inability, and technique risk. Meanwhile, in Li’s research, legal and policy risk, organization and coordination risk, rights, responsibility, and risk allocation between the co-operative parties were considered to be at the bottom. Although they each had different opinions of risk, their research was consistent: a government with weak supervision and ability, a private party with inability and irregularities, and the lack of organization and coordination between them, are projected at the bottom of the risk. These risks can be controlled, and the managers and decision-makers must work to control these risks.
- Previous studies and this study, have found that both contract risk and financing risk can induce the failure of PPP projects, as triggered by construction risk (including schedule risk and cost overrun risk).
- As for the MICMAC analysis, each study differed. In our study, there was no risk found in Quadrant III. In the study of Iyer [19], there was no risk in Quadrant III and IV; in the study of Li [14], there was no risk in Quadrant I; meanwhile, in the study of Han [83], there was risk in all quadrants. Therefore, in the present study and that of Iyer, the risks were more independent of each other. In contrast, the degree of risk interrelation in the studies of of Han and Li was higher. This difference was caused by one the of factors influencing the existence of ambiguity, which further proves the advantages of FISM-MICMAC method. For a different cutting coefficient, we could control the threshold value of correlation degree between various factors.
5.4. Suggestions to the Government
- China’s current PPP related policies and regulations are not perfect [91,92]. The government should summarize the many problems existing in current PPP projects, and formulate special PPP laws and regulations, as soon as possible, to protect the rights and interests of both parties, reduce the negative effects caused by changes in policies and regulations, and enhance the investment confidence of the private parties involved.
- The choice of private sector is very important. A private sector with strong financing, technical ability, and high reputation will provide higher advantages in a PPP project, such as by realizing project appreciation, reducing financing risk, construction risk, operation and maintenance risk, and the risk of the project company violating laws and regulations. In No. 27 case in Appendix A, the wrong choice of private party leads to improper subcontracting of PPP projects, which ultimately leads to the failure of the PPP projects.
- In addition, the government should regard PPP as a governance scheme, rather than a pragmatic economic tool [92]. Governmental departments should strengthen the PPP-relevant theoretical knowledge and practical experience, learn from similar projects, pay attention to the feasibility in early stages of the project, establish and perfect project decision-making mechanisms, and conduct in-depth research on the project for scientific planning and design. In addition, governmental departments should strengthen supervision and management, perfect their regulation systems, and reduce the PPP project risk that exists because of inadequate supervision.
- The government should realize that the relationship with stakeholders in a PPP project is key to the sustainable development of the project [93,94]. The government should attach importance to the relationship with private parties, avoid the risk of governmental decision-making approval as much as possible, reduce late-project changes, avoid competition of similar projects caused by unreasonable commitments in the early stage, and gradually improve government credit.
- In terms of PPP project contract, the rights and obligations of the public and private should be reasonably distributed, the contents (such as the distribution of benefits and risks) of dispute resolutions and renegotiation mechanisms should be clarified, and the behaviors of both parties should be regulated [1,29,30]. According to the actual situation of the project, a reasonable risk sharing mechanism should be determined for planning and design risks, financial risks, environmental risks, change risks, force majeure risk, and public opposition risks.
- In the past, government departments have paid too much attention to economic evaluation while ignoring social evaluation when evaluating investment projects, leading to higher rates of public opposition [95]. In the implementation of PPP projects in the future, the period for soliciting public opinion should be extended, and public information should be kept open throughout the period for soliciting public opinion, so as to improve public participation, give full play to the role of public supervision, and ensure the normal operations of the project.
5.5. Limitations of this Study
- The cases in this paper were consulted on the Internet, without field verification, meaning that certain risks may be missed. However, the combination method of case study, literature survey and expert interview makes up some deficiencies. Moreover, with the development of PPP projects, there will be increasingly similar projects. Future work will further supplement the cases.
- Due to the limited number of PPP experts and their limited time availability, in addition to the means of on-site, we also used WeChat, e-mail and other methods in questionnaire survey, which may could have affected the quality of the questionnaire. It takes much time and effort to complete 380 triangular fuzzy numbers for the 20 risk correlations in one questionnaire. Some experts did not have enough patience and/or time to fill out the questionnaire, so the data through WeChat and e-mail are often chaotic. However, by taking the high impact of other risks on the R16 (force majeure risk) as an invalid judgment standard, the validity of the questionnaire could be guaranteed.
- The risks in this study are mainly about PPP risks in China, and the relationships between analyzed risks are mainly applicable to the current situation in China. For example, the environmental risk (R19) is at the bottom of the risk hierarchy, which is related to China’s sudden environmental policies. This may be not in line with other countries. However, the research methods and framework proposed in this study, can be applied to other studies on the relationship between PPP risks in different countries and regions.
- A total of 20 items are identified as PPP project failure risk factors, which is a broadly representative result, suitable for the key risk factors identified in most PPP projects. However, in a specific project, depending on the specific situation of a PPP project, it may be appropriate to supplement or adjust the key risk factors. For example, in a PPP project for waste incineration, there is often public opposition, while in PPP projects for sponge cities or wetland parks, there is usually no public opposition. In these circumstances, public opposition risk (R17) should be adapted according to the characteristics of the PPP projects.
- Although fuzzy theory reduces the subjectivity of expert judgment, it also increases the workload of data processing, requiring more resources to be invested into modeling and analysis. Thus, the method in this paper would benefit from programs to facilitate its application.
- The triangular fuzzy number given by experts will have significant impact on the results. If there are disputes among experts about the risk relationship (the triangular fuzzy number of different experts varies greatly), it will be difficult to calculate the results. In addition, the selection of the intercept coefficient requires PPP experts with abundant experience and professional insight.
6. Conclusions and Future Research
Author Contributions
Funding
Conflicts of Interest
Appendix A. Case Description and Risk Factor Extraction for 28 Failed PPP Projects
| No. | Project | Project Overview and Results | Failure or Problem Description | Risk Factor Extraction |
|---|---|---|---|---|
| (1) | Changchun Huilu sewage treatment plant | Signed the contract in 2000 with an investment scale of $32 million dollars, and defaulted on the water bill in 2002. Government made buyback in 2005. | The government abolished franchise schemes and stopped paying water bills. It was difficult to maintain the normal operations of the project. The sewage plant has failed in the appeal. The project experienced two years of legal disputes. | Policy and regulatory change risk; Government credit risk; Project income risk; Government regulatory risk; Project company violates laws and regulations; Environment risk. |
| (2) | Qingdao Veolia sewage treatment plant | Signed in 2003, with an investment scale of $42.8 million. After renegotiation, $32.7 million of reconstruction in 2015. | The government had limited understanding of PPP. After the contract was signed, the government thought the price was unfair and unilaterally asked for renegotiation. Lack of effective supervision and pollution incidents led to public protests. | Government credit risk; Lack of PPP co-operation experience; Operation and maintenance risk; Government regulatory risk; Project company violates laws and regulations; Environmental risks; Imperfect price adjustment mechanism; Public opposition risk. |
| (3) | Wuhan Townsend sewage treatment plant | Construction in 2001; $12.8 million investment; Government made buyback in 2004. | The surrounding sewage network was not equipped, there was no water source for operation, and the problem of a sewage treatment fee was not solved. The project is idle after completion. | Government decision-making approval risks; Changes in market demand; Imperfect price adjustment mechanism; Facility matching risk. |
| (4) | Beijing No.10 water plant | The project was initiated in 1998 with an investment scale of $326.6 million and started in 2012. It was not officially operational in 2015. | Long-term failure to sign a contract after winning the bid. Market supply and demand upside down, the risk was mainly borne by investors. Banks did not lend. Difficulties in land allocation and rising construction costs. Network changes. Water prices raised public opposition. | Lengthy government decision-making and approval; Planning and design risk; Changes in market demand; Construction cost overrun; Public opposition risk; Financing risk. |
| (5) | Shanghai Dayang water plant | Signed in 1996 with an investment of $70 million. Government made buyback in 2004. | Delay in project approval. Water price below cost was difficult to increase. Government fixed rate of return, conflict with policy, renegotiation failed. | Lengthy government decision-making and approval; Imperfect price adjustment mechanism; Unreasonable profit distribution; Government credit risk; Policy and regulatory change risk. |
| (6) | Lianjiang zhongfa water plant | Signed in 1997, invested $16.69 million. It sat idle and sued in 1999, and government made buyback in 2009. | Water quantity and price agreement could not be implemented. The price of water was too high for the public to afford, and the government could not continue to pay for it. Chinese and French water companies suffered losses. | Lack of PPP co-operation experience; Government official corruption; Government credit risk; Imperfect price adjustment mechanism; Project income risk. |
| (7) | Shenyang No.9 water plant | Equity transfer negotiated in 1996, and contract changed in 2000. Government made two buybacks in 2001 and in 2006. | The sewage treatment fee was higher than the market price, and Shenyang water supply company lost money. Contract negotiation and modification. | Lack of PPP co-operation experience; Government official corruption; Imperfect price adjustment mechanism; Unreasonable profit distribution. |
| (8) | Chengdu Veolia No.6 water plant | Built in 2000 with an investment of $106.5 million. It was put into operation in February 2002. The project suffered heavy losses. | Some of the projects changed for legal reasons were BT projects. The economic situation was not reasonably predicted and the water supply market was seriously surplus. The water company suffered heavy losses. | Planning and design risk; Lack of PPP co-operation experience; Unreasonable profit distribution; Changes in market demand; Policy and regulatory change risk. |
| (9) | Quanzhou Donghai municipal sewage treatment plant | In Phase I, investment was 6.66 million yuan, bidding price was $0.12 dollar/m3. Project completed in 2011 and did not implement VFM. | During the construction period, the government required speeding up of the construction, with construction cost overruns. According to the contract, the adjustment period of water price was five years, which led to great market risks. Suspension of franchise period and adjustment ambiguity were controversial. | Government intervention; Construction cost overrun; Imperfect price adjustment mechanism; Imperfect dispute settlement mechanism. |
| (10) | Lanzhou Veolia water | In January 2007, the contract was signed, and the private contributed $242.8 million. In 2014, the tap water was polluted. The project did not implement VFM. | The government took most of the premium to the state-owned assets supervision and administration commission, which is unfavorable to the operation of a joint venture. Public opposition to water price increases. The separation of pipe network water plant ownership, unfavorable maintenance of equipment, resulting in water pollution incidents | Operation and maintenance risk; Government credit risk; Government regulatory risk; Environmental risks; Public opposition risk; Project company violates laws and regulations; Imperfect price adjustment mechanism. |
| (11) | Shanghai Huqingping (Huyu) expressway | Won the bid in 2000, completed the whole line in 2005. In July 2008, the contract was suspended ahead of schedule and government withdrew the operation. | The selection process of social capital was not transparent, the project company had poor management, and there were many violations. The project capital and financial supervision were not in place, the project payment is in arrears, and the actual income is low. | Government regulatory risk; Construction risk; Operation and maintenance risks; Bidding risks; Changes in market demand; Project company violates laws and regulations. |
| (12) | Jinzhou municipal sewage treatment plant | Constructed in 2001 with an investment of $2.56 million and put into operation in January 2004. Intermittent stop after operation. | Sewage discharge was not up to standard, and the government did not pay sewage treatment fees. In 2005, water pollution caused by intermittent shutdown. Design process defected. The inlet water quality exceeded the standard. After many consultations, consensus was reached for renovation. | Environment risk; Government credit risk; Planning and design risk; Government regulatory risk; Insufficient expense payment. |
| (13) | Hangzhou Bay sea-crossing bridge | Started in 2003 and opened in 2008 with a total investment of about $1675.5 million yuan. It lost money in 2013 and government made buyback. | Private capital transfer and withdrawal, the government to buy back 80% of the equity. During the construction period, the government repeatedly proposed to change the rate of return on investment. Suffer from interest rate increase inflation, serious losses, unable to recover the principal on schedule. | Planning and design risk; Construction cost overrun; Change in market demand; Parallel project competitive risk; Contract risk; Economic risk. |
| (14) | Quanzhou Wiliongtong bridge | Project started in May 1995 with a total investment of $35.5 million and was put into operation in 1997. Government made buyback in 2016. | Quanzhou government to build a number of free competitive Bridges to disperse traffic. Defects of legal contract, unclear division of responsibilities and rights. The contract stipulated that the concession period exceed the state regulation, and fee increase was not permitted | Policy and regulatory change risk; Parallel project competitive risk; Government credit risk; Insufficient expense payment; Incomplete contract risk. |
| (15) | Changtan west expressway | Started construction in 2004 with an investment of $122.1 million and opened to traffic in 2007. The project suffered heavy losses. | The government defaulted, the compensation for land expropriation and demolition failed, and the toll station was repeatedly changed during construction. A number of competitive toll highways existed. | Government intervention; Parallel project competitive risk; Insufficient expense payment; Planning and design risk; Completion risk. |
| (16) | Wuhan Yangtze river three bridges | Construction started in 1997 with an investment of $156.2 million and opened to traffic in 2000. The project suffered heavy losses. | The government failed to provide a fixed return and non-competitive guarantee, as agreed, to build several Bridges. Long operation period for maintenance, overload was a serious issue. | Government credit risk; Parallel project competitive risk; Project income risk; Government regulatory risk; Construction quality risk. |
| (17) | Xianyang Weihe river No.3 bridge | Started in 2003 and was opened to traffic in 2004, with a total investment of about $17.0 million. Government made buyback in 2011. | Affected by SARS in the early stages of project construction, labor shortage. The traffic volume forecast was insufficient, the construction scale was insufficient. In the operation stage, the service quality was not up to standard, and traffic jams on the bridge caused public opposition. | Government credit risk; Force majeure risk; Parallel project competitive risk; Public opposition risk; Planning and design risk; Organizational coordination risk. |
| (18) | Shandong Zhonghua power generation project | Initiated in 1997 and completed in 2004. Project collaboration is in trouble. | Reform of electric power system in the operation period. The government promised that the minimum purchase power was insufficient, so could not co-operate. In 2002, fees were reduced and revenues reduced. | Lack of PPP co-operation experience; Government credit risk; Changes in market demand; Contract risk; Policy and regulatory change risk. |
| (19) | Nanjing Yangtze river three bridges | Started construction in 2002 and opened to traffic in 2005 with a total investment of $438.7 million. After opening to traffic, the project suffered serious losses. | The location was remote, the road network on both sides was not perfect, the traffic flow was seriously lower than expected, and the financial cost was high, resulting in a project loss. In 2009, the government negotiated an extension of the franchise to 30 years. | Planning and design risk; project income risk; Facility matching risk. |
| (20) | Tianjin Shuanggang waste incineration power plant | Started construction in 2003 and went into operation in 2005 with a total investment of $76.7 million. Project is in trouble. | Waste incineration pollution, poor government supervision, public opposition. The amount of subsidy promised by the government was not clear, and the project was not profitable enough | Planning and design risk; Environmental risk; Government credit risk; insufficient expense payment; Government regulatory risk. |
| (21) | Shandong Heze waste-to-power plant | In 2013, a co-operation agreement was signed, with an initial investment of $49.7 million. The project suffered serious losses. | The technology was not mature and the argument was not sufficient. Accumulated losses of more than $2.1 million in four years of operation. Failure to implement government subsidy schemes. Mix-in coal amount exceeded national regulation, became small thermal power plant. | Planning and design risk; Policy and regulatory change risks; Government credit risk; Project changes risk; Project income risk; Project company violates laws and regulations. |
| (22) | Beijing Liulitun waste-to-power plant | Approved in 2005 and planned to start construction in 2007. In 2007, the state environmental protection administration ordered a moratorium, and the project was halted in 2011. | Project planning was lagging behind, the site was close to a diversion canal and residential air outlet, and the odor affected the surrounding environment, strongly opposed by residents. The state environmental protection administration ordered a moratorium on construction, and the project has been suspended for a long time. | Government decision-making approval risk; Planning and design risk; Public opposition risk; Environmental risk. |
| (23) | Shenzhen Nanshan waste-to-power plant | Started in 2002 and put into operation in December 2003, with a total investment of $51.4 million. The project did not implement VFM. | The voltage of the power grid was unstable, the flue gas treatment system could not work normally, and toxic gas was discharged directly. No agreement was been reached on garbage disposal fee and electricity price after production. Garbage disposal fee and Internet electricity fee payment delayed. | Environmental risk; Government credit risk; Facility matching risk; Insufficient expense payment; Contract risk. |
| (24) | Chaojie highway | In 2002, the total investment was $174.6 billion. Construction had not started for 8 years, and resumed in 2010. Shenzhen Taibang company took over the project. | The introduction of new laws and regulations made it more difficult to raise the cost of land acquisition. Social capital financing difficulties, request to adjust the budget, and the government conflict. | Policy and regulatory change risk; Organizational coordination risk; Financing risk; Bidding risk; Construction cost overrun. |
| (25) | Beijing bird’s nest stadium | Started in 2003 and completed in 2008, with a total investment of $445.7 million. In 2009, it was taken over by State-owned assets supervision and administration commission. The project did not implement VFM. | Social capital side had serious lack of experience in the operations and management of stadiums, gymnasiums, and sports industry resources. After one year of operation, the joint-stock reform agreement was re-signed, and the project company converted the 30-year franchise into equity. | Public opposition risk; Contract risk; project income risk; Bidding risks; Organizational coordination risk; Construction cost overrun; Operation and maintenance risk. |
| (26) | Shenzhen Wutong mountain tunnel | In 1997, 50% of the shares were transferred to the Hong Kong Dajia company. In 2004, the government repurchased the shares, but the negotiation was unsuccessful. | More traffic than expected, public opposition to congestion. Lack of perfect contract terms, the repo two sides bid a large gap, negotiations reached a deadlock. The government built new roads around it for free, and social capital was forced to abandon franchises. | Planning and design risk; Public opposition risk; Government credit risk; Incomplete contract risk; Parallel project competitive risk. |
| (27) | Chenganyu highway | Started in 2009, and the planned construction period was three years. In 2016 the government cancelled the concession agreement. | Illegal subcontracting of the project resulted in economic contract disputes, resulting in a disturbance of visiting events, project progress lagging behind, and a state of repeated suspension and resumption of work. The relevant national loan policy adjustment, the project company’s own capital turnover was difficult, loan difficulty, capital chain interruption. | Bidding risks; Government regulatory risk; Policy and regulatory change risk; Financing risk; Organizational coordination risk; Project company violates laws and regulations. |
| (28) | Changan highway | Started in 2010, with a planned period of three years, to stop at the beginning of 2013. In 2015, the government took over the project. | The government has repeatedly proposed changes to increase the construction cost of the project, resulting in fund turnover difficulties and forced large-scale shutdown of the project. Invitation to tender, social capital review was not in place, and the cost estimate was inaccurate. | Planning and design risk; Project change risk; Bidding risk; Government credit risk; construction cost overruns; Construction schedule risk |
Appendix B. Questionnaire on the Risk Relationship of PPP Projects
| Risk Factor | Meaning Explanation |
|---|---|
| Government decision-making approval risk (R1) | Government decision-making procedures are irregular. The government has limited understanding of PPP. Project decisions go wrong. The approval process is lengthy 政府决策程序不规范。政府对PPP的理解有限。项目决策存在错误。审批过程很冗长。 |
| Policy and regulatory change risk (R2) | Existing PPP-related policies and regulations are unsound, including low legislative level, poor operability, and conflict. 现有的PPP相关政策法规不健全、立法层级低、可操作性差、相互冲突; |
| Government credit risk (R3) | The government does not fulfill the responsibilities and obligations stipulated in the contract. The government excessively interferes in the construction or operation of the project. There is official corruption in government. 政府不履行合同规定的责任和义务。政府过分干预项目的建设或运行。政府中有官员腐败。 |
| Government regulatory risk (R4) | The government does not have adequate supervision over the project, and the supervision system is not perfect. 政府对项目监管不到位, 监管体系不完善。 |
| Planning and design risk (R5) | The project lacks detailed argumentation and investigation. The planning and design scheme (including project scale, technology, equipment standard, etc.) is unreasonable and unfeasible. It does not meet the requirements of practical application and future development. 该项目缺乏详细的论证和调查。规划设计方案(包括项目规模、技术、设备标准等) 不合理、不可行。不符合实际应用和未来发展的要求 |
| Bidding risk (R6) | These are vicious competition or insufficient competition among private capital, unreasonable bidding, tendering procedures, lax qualification examination conditions and insufficient supervision, etc. The government choose the incompetent private capital. 社会资本方之间存在恶性竞争或竞争不足、招标投标程序不合理、资格审查条件不严格、监督力度不够等。政府选择了不称职的私人资本方。 |
| Contract risk (R7) | There are problems with the contract design, including: contract ambiguity, contract document conflict, contract storage not in place, imperfect price adjustment mechanism, unreasonable profit distribution, imperfect dispute settlement mechanism, and incomplete contract. Risk allocation and income distribution are not reasonable. The scope of rights and responsibilities is not clear. 合同设计存在问题,包括:合同歧义、合同文件冲突、合同保管不到位、价格调节机制不完善、利润分配不合理、纠纷解决机制不完善、合同不完整等。风险配置和收益分配不合理。权利和责任范围不明确。 |
| Facility matching risk (R8) | The project is idle due to the lack of supporting infrastructure and insufficient supply. 相关的基础设施配套不到位、供应不足等致使项目闲置, |
| Financing risk (R9) | The financial market is not sound, financing channels are not smooth, financing structure is not reasonable with high debt ratio. It is difficult to raise funds for the project. 融资市场不健全,融资渠道不畅通,融资结构不合理,负债率高。为这个项目筹集资金是困难的 |
| Economic risk (R10) | It refers to the uncertainty of expected cash flow of PPP projects caused by changes in macroeconomic factors and fragility of the financial system, as well as the possibility of expected income loss of PPP projects caused by changes in exchange rate, interest rate, commodity price and inflation. 指宏观经济因素的变动以及金融体系内在的不稳定性和脆弱性而带来的PPP项目预期现金流的不确定性,以及由于汇率、利率和商品价格变动以及通货膨胀带来的PPP项目预期收益损失的可能性变动 |
| Project change risk (R11) | The project changes, including the change of the construction object, the change of the operation scope, the change of the contract 项目变更,包括建设对象的变更、运营范围的变更、合同的变更 |
| Construction risk (R12) | Project construction management level is poor. Construction cost overruns. Project delays. The quality is not up to standard. Project construction cannot be completed. 项目建设管理水平较差。建设成本超支。项目延迟。质量不符合标准。项目建设不能完工。 |
| Project income risk (R13) | Due to the change of market demand or insufficient expense payment, project investors cannot recover the investment cost or achieve the predetermined income level 市场需要的变化或者支付能力不足,导致项目投资者不能收回投资成本或不能达到预定收益水平 |
| Parallel project competitive risk (R14) | The government or other investors build or rebuild similar projects, which form substantial commercial competition with the original PPP projects. 政府或其他投资人新建或改建相似的项目,与原有项目形成实质性商业竞争 |
| Operation and maintenance risk (R15) | The project company’s operation efficiency is low. The price of raw materials, fuels and power increases. The equipment is of poor quality and often maintained. The operation cost and maintenance cost increase. 项目公司运营效率低。原材料、燃料和电力价格上涨。设备质量差,经常维修。运营和维护成本增加。 |
| Force majeure risk (R16) | Force majeure means that both parties have no control over the event or situation that cannot be avoided or overcome before the signing of the contract,such as war, embargo, terrorism, and other social force majeure; floods, typhoons, earthquakes, fires, epidemics, and other natural disasters. 不可抗力是指双方合同签订前无法避免或克服的事件或情况,如战争、禁运、恐怖主义等社会不可抗力;洪水、台风、地震、火灾、疫病等自然灾害 |
| Public opposition risk (R17) | Due to the lack of protection of public interests, the public is dissatisfied with the project and even opposes it. In order to protect the public interest and social stability, the government usually negotiates with private capital. 由于社会公共利益得不到保护或受损,引起公众对项目产生不满甚至反对项目建设,而政府为维护公众利益和社会稳定,通常会与私人资本谈判。 |
| Organizational coordination risk (R18) | Coordination between government departments is difficult. The organization and coordination ability of the project company is insufficient. Communication costs among participants are increase, and conflicts arise among participants. 政府部门之间协调困难。项目公司组织协调能力不足。参与者之间的沟通成本增加,参与者之间存在冲突。 |
| Environmental risk (R19) | During the implementation of the project, the improvement of environmental protection standards may lead to the increase of investment in new equipment. The project company failed to take effective control measures and emergency measures due to the environmental damage. 在项目实施过程中,环保标准的提高可能会导致新设备投资的增加。项目公司未能采取有效的控制措施和应急措施导致环境破坏。 |
| Project company violates laws and regulations (R20) | During the implementation of the project, the project company or private capital violates laws and regulations, such as using projects for fraud or modifying the project data maliciously。 在项目实施过程中,项目公司或私人资本方违反法律法规,比如,利用项目进行欺诈或者恶意修改项目数据 |
| Language Operator. | Triangular Fuzzy Number | Scoring |
|---|---|---|
| Very low impact (VL) | (0, 0, 0.25) | 1 |
| Low impact (L) | (0, 0.25, 0.5) | 2 |
| medium impact (M) | (0.25, 0.5, 0.75) | 3 |
| High impact (H) | (0.5, 0.75, 1) | 4 |
| Very high impact (VH) | (0.75, 1, 1) | 5 |
| Example: when you consider the impact of the risk factor R1 on R2 to be very low impact, you should fill the “1” in the second row and third column of Table 3. | ||
| R1 | R2 | R3 | R4 | R5 | R6 | R7 | R8 | R9 | R10 | R11 | R12 | R13 | R14 | R15 | R16 | R17 | R18 | R19 | R20 | |
|---|---|---|---|---|---|---|---|---|---|---|---|---|---|---|---|---|---|---|---|---|
| R1 | 0 | |||||||||||||||||||
| R2 | 0 | |||||||||||||||||||
| R3 | 0 | |||||||||||||||||||
| R4 | 0 | |||||||||||||||||||
| R5 | 0 | |||||||||||||||||||
| R6 | 0 | |||||||||||||||||||
| R7 | 0 | |||||||||||||||||||
| R8 | 0 | |||||||||||||||||||
| R9 | 0 | |||||||||||||||||||
| R10 | 0 | |||||||||||||||||||
| R11 | 0 | |||||||||||||||||||
| R12 | 0 | |||||||||||||||||||
| R13 | 0 | |||||||||||||||||||
| R14 | 0 | |||||||||||||||||||
| R15 | 0 | |||||||||||||||||||
| R16 | 0 | |||||||||||||||||||
| R17 | 0 | |||||||||||||||||||
| R18 | 0 | |||||||||||||||||||
| R19 | 0 | |||||||||||||||||||
| R20 | 0 |
References
- Ma, G.F.; Du, Q.J.; Wang, K.D. A Concession Period and Price Determination Model for PPP Projects: Based on Real Options and Risk Allocation. Sustainability 2018, 10, 21. [Google Scholar]
- Hodge, G.A.; Greve, C. On public–private partnership performance: A contemporary review. Public Work. Manag. Policy 2017, 22, 55–78. [Google Scholar] [CrossRef]
- Delorme, C.D.; Thompson, H.G.; Warren, R.S. Public infrastructure and private productivity: A stochastic-frontier approach. J. Macroecon. 1999, 21, 563–576. [Google Scholar] [CrossRef]
- Yuan, J.; Wang, C.; Skibniewski, M.J.; Li, Q. Developing Key Performance Indicators for Public-Private Partnership Projects: Questionnaire Survey and Analysis. J. Manag. Eng. 2012, 28, 252–264. [Google Scholar] [CrossRef]
- BANK, W. Private Participation in Infrastructure Database. Available online: http://ppi.worldbank.org/customquery (accessed on 19 September 2019).
- Węgrzyn, J. The perception of critical success factors for PPP projects in different stakeholders groups. Entrep. Bus. Econ. Rev. 2016, 4, 81–92. [Google Scholar] [CrossRef]
- Wojewnik-Filipkowska, A.; Trojanowski, D. Principles of public-private partnership financing–Polish experience. J. Prop. Invest. Financ. 2013, 31, 329–344. [Google Scholar] [CrossRef]
- Tang, L.; Shen, Q.; Cheng, E.W.L. A review of studies on Public–Private Partnership projects in the construction industry. Int. J. Proj. Manag. 2010, 28, 683–694. [Google Scholar] [CrossRef]
- Heravi, G.; Hajihosseini, Z. Risk Allocation in Public-Private Partnership Infrastructure Projects in Developing Countries: Case Study of the Tehran-Chalus Toll Road. J. Infrastruct. Syst. 2012, 18, 210–217. [Google Scholar] [CrossRef]
- Osei-Kyei, R.; Chan, A.P.C. Review of studies on the critical success factors for public-private partnership (PPP) projects from 1990 to 2013. Int. J. Proj. Manag. 2015, 33, 1335–1346. [Google Scholar] [CrossRef]
- Xu, Y.; Yeung, J.F.Y.; Chan, A.P.C.; Chan, Q.W.M.; Wang, S.Q.; Ke, Y. Developing a risk assessment model for PPP projects in China—A fuzzy synthetic evaluation approach. Autom. Constr. 2010, 19, 929–943. [Google Scholar] [CrossRef]
- Shen, L.Y.; Platten, A.; Deng, X.P. Role of public private partnerships to manage risks in public sector projects in Hong Kong. Int. J. Proj. Manag. 2006, 24, 587–594. [Google Scholar] [CrossRef]
- Chen, C.; Doloi, H. BOT application in China: Driving and impeding factors. Int. J. Proj. Manag. 2008, 26, 388–398. [Google Scholar] [CrossRef]
- Ministry of Finance. Notice of Standardizing Project Library in PPP Integrated Information Platform “No. 92”; Ministry of Finance, Ed.; Ministry of Finance: Beijing, China, 2017.
- Bridata. Data Custom Download. Available online: http://bridata.com/t#/tools (accessed on 19 September 2019).
- Liang, Y.; Wang, H. Sustainable Performance Measurements for Public–Private Partnership Projects: Empirical Evidence from China. Sustainability 2019, 11, 3653. [Google Scholar] [CrossRef]
- Ke, Y.J.; Wang, S.Q.; Chan, A.P.C.; Lam, P.T.I. Preferred risk allocation in China’s public-private partnership (PPP) projects. Int. J. Proj. Manag. 2010, 28, 482–492. [Google Scholar] [CrossRef]
- Li, Y.; Wang, X.Y. Using fuzzy analytic network process and ISM methods for risk assessment of public-private partnership: A China perspective. J. Civ. Eng. Manag. 2019, 25, 168–183. [Google Scholar] [CrossRef]
- Iyer, K.C.; Sagheer, M. Hierarchical Structuring of PPP Risks Using Interpretative Structural Modeling. J. Constr. Eng. Manag. 2010, 136, 151–159. [Google Scholar] [CrossRef]
- Heinrich, H.W. Industrial Accident Prevention; McGraw-Hill: New York, NY, USA, 1979. [Google Scholar]
- Bird, F.E. Management Guide to Loss Control; International Loss Control Institute: Atlanta, GA, USA, 1974. [Google Scholar]
- Choi, J.H.; Chung, J.; Lee, D.J. Risk perception analysis: Participation in China’s water PPP market. Int. J. Proj. Manag. 2010, 28, 580–592. [Google Scholar] [CrossRef]
- Ke, Y.; Wang, S.; Chan, A.P.C. Risk Allocation in Public-Private Partnership Infrastructure Projects: Comparative Study. J. Infrastruct. Syst. 2010, 16, 343–351. [Google Scholar] [CrossRef]
- Li, J.; Zou, P.X.W. Fuzzy AHP-based risk assessment methodology for PPP projects. J. Constr. Eng. Manag. 2011, 137, 1205–1209. [Google Scholar] [CrossRef]
- Zhang, S.; Chan, A.P.C.; Feng, Y.; Duan, H.; Ke, Y. Critical review on PPP Research—A search from the Chinese and International Journals. Int. J. Proj. Manag. 2016, 34, 597–612. [Google Scholar] [CrossRef]
- Liu, Y. Identification of Risk Factors Affecting PPP Waste-to-Energy Incineration Projects in China: A Multiple Case Study. Adv. Civ. Eng. 2018, 16, 4983523. [Google Scholar] [CrossRef]
- Song, J.; Sun, C.; Xia, B.; Liu, S.; Skitmore, M. Risk identification for PPP waste-to-energy incineration projects in China. Energy Policy 2013, 61, 953–962. [Google Scholar] [CrossRef]
- Jayasuriya, S. Challenges in public private partnerships in construction industry. Built Environ. Proj. Asset Manag. 2019, 9, 172–185. [Google Scholar] [CrossRef]
- Shrestha, A.; Chan, T.K.; Aibinu, A.A.; Martek, L.; Chen, C.; Asce, A.M. Risk Allocation Inefficiencies in Chinese PPP Water Projects. J. Constr. Eng. Manag. 2018, 144, 04018013. [Google Scholar] [CrossRef]
- Xu, Y.; Chan, A.P.C.; Yeung, J.F.Y. Developing a Fuzzy Risk Allocation Model for PPP Projects in China. J. Constr. Eng. Manag. 2010, 136, 894–903. [Google Scholar] [CrossRef]
- Jin, X.H. Model for efficient risk allocation in privately financed public infrastructure projects using neuro-fuzzy techniques. J. Constr. Eng. Manag. 2011, 137, 1003–1014. [Google Scholar] [CrossRef]
- Ameyaw, E.E.; Chan, A.P.C. Risk allocation in public-private partnership water supply projects in Ghana. Constr. Manag. Econ. 2015, 33, 187–208. [Google Scholar] [CrossRef]
- Zou, P.X.W.; Li, J. Risk identification and assessment in subway projects: Case study of Nanjing Subway Line 2. Constr. Manag. Econ. 2010, 28, 1219–1238. [Google Scholar] [CrossRef]
- Wu, Y.; Xu, C.; Li, L.; Wang, Y.; Chen, K.; Xu, R. A risk assessment framework of PPP waste-to-energy incineration projects in China under 2-dimension linguistic environment. J. Clean. Prod. 2018, 183, 602–617. [Google Scholar] [CrossRef]
- Mazher, K.M.; Chan, A.P.C.; Zahoor, H.; Khan, M.I. Fuzzy Integral-Based Risk-Assessment Approach for Public-Private Partnership Infrastructure Projects. J. Constr. Eng. Manag. 2018, 144, 04018111. [Google Scholar] [CrossRef]
- Thomas, A.V.; Kalidindi, S.N.; Ganesh, L.S. Modelling and assessment of critical risks in BOT road projects. Constr. Manag. Econ. 2006, 24, 407–424. [Google Scholar] [CrossRef]
- Bai, L.B.; Li, Y.; Du, Q.; Xu, Y. A Fuzzy Comprehensive Evaluation Model for Sustainability Risk Evaluation of PPP Projects. Sustainability 2017, 9, 1890. [Google Scholar] [CrossRef]
- Zhang, L.; Sun, X.J.; Xue, H. Identifying critical risks in Sponge City PPP projects using DEMATEL method: A case study of China. J. Clean. Prod. 2019, 226, 949–958. [Google Scholar] [CrossRef]
- Zheng, C.J.; Yuan, J.; Li, L.; Skibniewski, M.J. Process-Based Identification of Critical Factors for Residual Value Risk in China’s Highway PPP Projects. Adv. Civ. Eng. 2019, 21, 5958904. [Google Scholar] [CrossRef]
- Liu, Y.; Hao, Y.; Lu, Y.L. Improved Design of Risk Assessment Model for PPP Project under the Development of Marine Architecture. J. Coast. Res. 2018, 83, 74–80. [Google Scholar] [CrossRef]
- Wibowo, A.; Kochendoerfer, B. Selecting BOT/PPP Infrastructure Projects for Government Guarantee Portfolio under Conditions of Budget and Risk in the Indonesian Context. J. Constr. Eng. Manag. 2011, 137, 512–522. [Google Scholar] [CrossRef]
- Nguyen, D.A.; Garvin, M.J.; Gonzalez, E.E. Risk Allocation in US Public-Private Partnership Highway Project Contracts. J. Constr. Eng. Manag. 2018, 144, 04018017. [Google Scholar] [CrossRef]
- Alireza, V.; Mohammadreza, Y.; Zin, R.M.; Yahaya, N. An enhanced multi-objective optimization approach for risk allocation in public-private partnership projects: A case study of Malaysia. Can. J. Civ. Eng. 2014, 41, 164–177. [Google Scholar] [CrossRef]
- Chan, A.P.C.; Lam, P.T.I.; Wen, Y.; Ameyaw, E.E.; Wang, S. Cross-sectional analysis of critical risk factors for PPP water projects in China. J. Infrastruct. Syst. 2015, 21, 04014031. [Google Scholar] [CrossRef]
- Ke, Y.; Wang, S.; Chan, A.P.C.; Cheung, E. Understanding the risks in China’s PPP projects: Ranking of their probability and consequence. Eng. Constr. Archit. Manag. 2011, 18, 481–496. [Google Scholar] [CrossRef]
- Effah Ameyaw, E.; Chan, A.P.C. Identifying public-private partnership (PPP) risks in managing water supply projects in Ghana. J. Facil. Manag. 2013, 11, 152–182. [Google Scholar] [CrossRef]
- Ameyaw, E.E.; Chan, A.P. Risk ranking and analysis in PPP water supply infrastructure projects. Facilities 2015, 33, 428–453. [Google Scholar] [CrossRef]
- Xu, Y. Critical risk factors affecting the implementation of PPP waste-to-energy projects in China. Appl. Energy 2015, 158, 403–411. [Google Scholar] [CrossRef]
- Shrestha, A. Risks in PPP water projects in China: Perspective of local governments. J. Constr. Eng. Manag. 2017, 143, 05017006. [Google Scholar] [CrossRef]
- Valipour, A.; Yahaya, N.; Md Noor, N.; Mardani, A.; Antuchevičienė, J. A new hybrid fuzzy cybernetic analytic network process model to identify shared risks in PPP projects. Int. J. Strateg. Prop. Manag. 2016, 20, 409–426. [Google Scholar] [CrossRef]
- Wang, S.Q.; Dulaimi, M.F.Y.; Aguria, M. Risk management framework for construction projects in developing countries. Constr. Manag. Econ. 2004, 22, 237–252. [Google Scholar] [CrossRef]
- Aladağ, H.; Işık, Z. Design and construction risks in BOT type mega transportation projects. Eng. Constr. Archit. Manag. 2019. [Google Scholar]
- Valipour, A. A Fuzzy Analytic Network Process Method for Risk Prioritization In Freeway Ppp Projects: An Iranian Case Study. J. Civ. Eng. Manag. 2015, 21, 933–947. [Google Scholar] [CrossRef]
- Jang, G.W. Bids-Evaluation Decision Model Development and Application for PPP Transport Projects: A Project Risks Modeling Framework; Colorado State University: Denver, CO, USA, 2010. [Google Scholar]
- World Bank Group. Available online: https://ppi.worldbank.org/en/ppi (accessed on 29 August 2019).
- China Public-Private Partnerships Center. Available online: http://www.cpppc.org/ (accessed on 29 August 2019).
- Pinto, J.K.; Mantel, S.J. The causes of project failure. IEEE Trans. Eng. Manag. 1990, 37, 269–276. [Google Scholar] [CrossRef]
- Jamali, D. Success and failure mechanisms of public private partnerships (PPPs) in developing countries: Insights from the Lebanese context. Int. J. Public Sector Manag. 2004, 17, 414–430. [Google Scholar] [CrossRef]
- Chan, A.P.C.; Chan, D.W.M.; Yeung, J.F.Y. Overview of the Application of "Fuzzy Techniques" in Construction Management Research. J. Constr. Eng. Manag. 2009, 135, 1241–1252. [Google Scholar] [CrossRef]
- De, P.K.; Rawat, A. A Fuzzy Inventory Model Without Shortages Using Triangular Fuzzy Number. Fuzzy Inf. Eng. 2019, 3, 59–68. [Google Scholar] [CrossRef]
- Zadeh, L.A. Fuzzy sets. Inf. Control 1965, 8, 338–353. [Google Scholar] [CrossRef]
- Paek, J.H.; Lee, Y.W.; Ock, J.H. Pricing construction risk: Fuzzy set application. J. Constr. Eng. Manag. 1993, 119, 743–756. [Google Scholar] [CrossRef]
- Zhang, G.; Zou, P.X.W. Fuzzy analytical hierarchy process risk assessment approach for joint venture construction projects in China. J. Constr. Eng. Manag. 2007, 133, 771–779. [Google Scholar] [CrossRef]
- Abdelgawad, M.; Fayek, A.R. Fuzzy reliability analyzer: Quantitative assessment of risk events in the construction industry using fuzzy fault-tree analysis. J. Constr. Eng. Manag. 2011, 137, 294–302. [Google Scholar] [CrossRef]
- Fahmi, A. Expected Values of Aggregation Operators on Cubic Triangular Fuzzy Number and Its Application to Multi-Criteria Decision Making Problems. Eng. Math. 2018, 2, 1–11. [Google Scholar] [CrossRef]
- Wang, J. A synthetic method for knowledge management performance evaluation based on triangular fuzzy number and group support systems. Appl. Soft Comput. 2016, 39, 11–20. [Google Scholar] [CrossRef]
- Chakraborty, D.; Jana, D.K.; Roy, T.K. A new approach to solve fully fuzzy transportation problem using triangular fuzzy number. Int. J. Oper. Res. 2016, 26, 153–179. [Google Scholar] [CrossRef]
- Li, R.J. Fuzzy method in group decision making. Comput. Math. Appl. 1999, 38, 91–101. [Google Scholar] [CrossRef]
- Wu, W.W.; Lee, Y.T. Developing global managers’ competencies using the fuzzy DEMATEL method. Expert Syst. Appl. 2007, 32, 499–507. [Google Scholar] [CrossRef]
- Govindan, K. Analysis of third party reverse logistics provider using interpretive structural modeling. Int. J. Prod. Econ. 2012, 140, 204–211. [Google Scholar] [CrossRef]
- Mandal, A.; Deshmukh, S.G. Vendor Selection Using Interpretive Structural Modelling (ISM). Int. J. Oper. Prod. Manag. 1994, 14, 52–59. [Google Scholar] [CrossRef]
- Govindan, K.; Shankar, K.M.; Kannan, D. Application of fuzzy analytic network process for barrier evaluation in automotive parts remanufacturing towards cleaner production—A study in an Indian scenario. J. Clean. Prod. 2016, 114, 199–213. [Google Scholar] [CrossRef]
- Luthra, S. Adoption of smart grid technologies: An analysis of interactions among barriers. Renew. Sustain. Energy Rev. 2014, 33, 554–565. [Google Scholar] [CrossRef]
- Tseng, C.P.; Chen, C.W.; Tu, Y.P. A new viewpoint on risk control decision models for natural disasters. Nat. Hazards 2011, 59, 1715–1733. [Google Scholar] [CrossRef]
- Yanmei, L.; Yanmei, L.; Zi, C. Analysis of load factors based on interpretive structural model. J. Comput. 2012, 7, 1704–1711. [Google Scholar]
- Li, Y. Risks assessment in thermal power plants using ISM methodology. Ann. Oper. Res. 2019, 279, 89–113. [Google Scholar] [CrossRef]
- Yadav, D.K.; Barve, A. Analysis of critical success factors of humanitarian supply chain: An application of Interpretive Structural Modeling. Int. J. Disaster Risk Reduct. 2015, 12, 213–225. [Google Scholar] [CrossRef]
- Chakraborty, K.; Mondal, S.; Mukherjee, K. Critical analysis of enablers and barriers in extension of useful life of automotive products through remanufacturing. J. Clean. Prod. 2019, 227, 1117–1135. [Google Scholar] [CrossRef]
- Tseng, M.L.; Lim, M.K.; Wu, K.J. Improving the benefits and costs on sustainable supply chain finance under uncertainty. Int. J. Prod. Econ. 2019, 218, 308–321. [Google Scholar] [CrossRef]
- Chaudhuri, A. Risk propagation and its impact on performance in food processing supply chain: A fuzzy interpretive structural modeling based approach. J. Model. Manag. 2016, 11, 660–693. [Google Scholar] [CrossRef]
- Ragade, R.K. Fuzzy interpretive structural modeling. J. Cybern. 1976, 6, 189–211. [Google Scholar] [CrossRef]
- Bhosale, V.A.; Kant, R. An integrated ISM fuzzy MICMAC approach for modelling the supply chain knowledge flow enablers. Int. J. Prod. Res. 2016, 54, 7374–7399. [Google Scholar] [CrossRef]
- Han, Q. Public private partnership in brownfield remediation projects in China: Identification and structure analysis of risks. Land Use Policy 2019, 84, 87–104. [Google Scholar] [CrossRef]
- Zhang, L. Risk identification and analysis for PPP projects of electric vehicle charging infrastructure based on 2-tuple and the DEMATEL model. World Electr. Veh. J. 2019, 10, 4. [Google Scholar] [CrossRef]
- Wu, Y. Risk management of public-private partnership charging infrastructure projects in China based on a three-dimension framework. Energy 2018, 165, 1089–1101. [Google Scholar] [CrossRef]
- Li, Y.; Wang, X.Y. Risk assessment for public-private partnership projects: Using a fuzzy analytic hierarchical process method and expert opinion in China. J. Risk Res. 2018, 21, 952–973. [Google Scholar] [CrossRef]
- Ke, Y.J.; Wang, S.Q.; Chan, A.P.C. Risk Misallocation in Public-Private Partnership Projects in China. Int. Public Manag. J. 2013, 16, 438–460. [Google Scholar] [CrossRef]
- Wang, W. Assessing contributory factors in potential systemic accidents using AcciMap and integrated fuzzy ISM—MICMAC approach. Int. J. Ind. Ergon. 2018, 68, 311–326. [Google Scholar] [CrossRef]
- Chan, A.P.C. Empirical Study of Risk Assessment and Allocation of Public-Private Partnership Projects in China. J. Manag. Eng. 2011, 27, 136–148. [Google Scholar] [CrossRef]
- The National People’s Congress of the People’s Republic of China. Environmental protection tax law of the People’s Republic of China. 2018. Available online: http://www.npc.gov.cn/npc/c12435/201811/5e7d3cfb3afa4ef79428c0ff7a29fdd7.shtml (accessed on 29 August 2019).
- Zhang, S. PPP application in infrastructure development in China: Institutional analysis and implications. Int. J. Proj. Manag. 2015, 33, 497–509. [Google Scholar] [CrossRef]
- Chen, C.; Li, D.; Man, C.X. Toward Sustainable Development? A Bibliometric Analysis of PPP-Related Policies in China between 1980 and 2017. Sustainability 2019, 11, 142. [Google Scholar] [CrossRef]
- Wojewnik-Filipkowska, A.; Wegrzyn, J. Understanding of Public-Private Partnership Stakeholders as a Condition of Sustainable Development. Sustainability 2019, 11, 1194. [Google Scholar] [CrossRef]
- Li, L. Enhanced Cooperation among Stakeholders in PPP Mega-Infrastructure Projects: A China Study. Sustainability 2018, 10, 2791. [Google Scholar] [CrossRef]
- Henjewele, C.; Fewings, P.; Rwelamila, P.D. De-marginalising the public in PPP projects through multi-stakeholders management. J. Financ. Manag. Prop. Constr. 2013, 18, 210–231. [Google Scholar] [CrossRef]



| Method | Advantage | Disadvantage | Reference |
|---|---|---|---|
| Interview method | Experts have rich experience and knowledge, which is conducive to the rapid identification of risks. | Subject to the subjective influence of experts; experts require higher ability. | Xu et al. [30] Ke et al. [17] Chan et al. [44] Ke et al. [45] |
| Literature survey | Risk identification is easy to operate and is low cost, which is conducive to reducing the interference of subjective factors. | It is necessary to consider the influence of different industrial categories, regions, and other factors on risk identification. | Osei-Kyei et al. [10] Xu et al. [11] Ameyaw et al. [46] Ameyaw et al. [47] |
| Case study | High credibility with the actual situation. | Case collection and analysis requires much time and money. | Xu et al. [48] Ameyaw et al. [46] Ameyaw et al. [47] |
| Language Operator | Triangular Fuzzy Number |
|---|---|
| Very low impact (VL) | (0, 0, 0.25) |
| Low impact (L) | (0, 0.25, 0.5) |
| medium impact (M) | (0.25, 0.5, 0.75) |
| High impact (H) | (0.5, 0.75, 1) |
| Very high impact (VH) | (0.75, 1, 1) |
| Preliminary Risk List (29 Risks) | Final Risk List (20 Risks) |
|---|---|
| Lengthy government decision-making and approval | Government decision-making approval risk (R1) |
| Lack of PPP co-operation experience | |
| Policy and regulatory change risk | Policy and regulatory change risk (R2) |
| Government official corruption | Government credit risk (R3) |
| Government intervention | |
| Government regulatory risk | Government regulatory risk (R4) |
| Planning and design risk | Planning and design risk (R5) |
| Bidding risk | Bidding risk (R6) |
| Imperfect price adjustment mechanism | Contract risk (R7) |
| Unreasonable profit distribution | |
| Imperfect dispute settlement mechanism | |
| Incomplete contract risk | |
| Facility matching risk | Facility matching risk (R8) |
| Financing risk | Financing risk (R9) |
| Economic risk | Economic risk (R10) |
| Project change risk | Project change risk (R11) |
| Construction cost overruns | Construction risk (R12) |
| Construction quality risk | |
| Construction schedule risk | |
| Completion risks | |
| Changes in market demand | Project income risk (R13) |
| Insufficient expense payment | |
| Parallel project competitive risk | Parallel project competitive risk (R14) |
| Operation and maintenance risk | Operation and maintenance risk (R15) |
| Force majeure risk | Force majeure risk (R16) |
| Public opposition risk | Public opposition risk (R17) |
| Organizational coordination risk | Organizational coordination risk (R18) |
| Environmental risk | Environmental risk (R19) |
| Project company violates laws and regulations | Project company violates laws and regulations (R20) |
| Risk Factors | 1 [38] | 2 [83] | 3 [84] | 4 [18] | 5 [39] | 6 [85] | 7 [86] | 8 [34] | 9 [29] | 10 [26] | 11 [12] | 12 [11] | 13 [17] | 14 [87] | 15 [27] | 16 [44] |
|---|---|---|---|---|---|---|---|---|---|---|---|---|---|---|---|---|
| Government decision-making approval risk (R1) | O | O | O | O | O | O | O | O | O | O | O | O | O | O | O | O |
| Policy and regulatory change risk (R2) | O | O | O | O | O | O | O | O | O | O | O | O | O | O | O | O |
| Government credit risk (R3) | O | O | O | O | O | O | O | O | O | O | O | O | O | O | O | O |
| Government regulatory risk (R4) | O | O | O | O | O | O | O | O | O | O | O | O | O | O | O | O |
| Planning and design risk (R5) | O | O | O | O | O | O | O | O | O | O | O | O | O | O | O | O |
| Bidding risk (R6) | O | O | O | O | O | O | O | O | O | |||||||
| Contract risk (R7) | O | O | O | O | O | O | O | O | O | O | O | O | O | O | O | |
| Facility matching risk (R8) | O | O | O | O | O | O | O | O | O | |||||||
| Financing risk (R9) | O | O | O | O | O | O | O | O | O | O | O | O | O | O | O | |
| Economic risk (R10) | O | O | O | O | O | O | O | O | O | O | O | O | O | O | O | |
| Project change risk (R11) | O | O | O | O | O | O | O | O | O | O | O | O | O | O | ||
| Construction risk (R12) | O | O | O | O | O | O | O | O | O | O | O | O | O | O | O | O |
| Project income risk (R13) | O | O | O | O | O | O | O | O | O | O | O | O | O | O | O | O |
| Parallel project competitive risk (R14) | O | O | O | O | O | O | O | O | O | |||||||
| Operation and maintenance risk (R15) | O | O | O | O | O | O | O | O | O | O | O | O | O | O | O | O |
| Force majeure risk (R16) | O | O | O | O | O | O | O | O | O | O | O | O | O | O | O | |
| Public opposition risk (R17) | O | O | O | O | O | O | O | O | O | O | O | O | O | |||
| Organizational coordination risk (R18) | O | O | O | O | O | O | O | O | O | O | O | O | O | |||
| Environmental risk (R19) | O | O | O | O | O | O | O | O | O | O | O | O | O | O | ||
| Project company violates laws and regulations (R20) | O | O | O | O | O | O | O |
| Cases | 1 | 2 | 3 | 4 | 5 | 6 | 7 | 8 | 9 | 10 | 11 | 12 | 13 | 14 | 15 | 16 | 17 | 18 | 19 | 20 | 21 | 22 | 23 | 24 | 25 | 26 | 27 | 28 | |
|---|---|---|---|---|---|---|---|---|---|---|---|---|---|---|---|---|---|---|---|---|---|---|---|---|---|---|---|---|---|
| Risk Factors | |||||||||||||||||||||||||||||
| R1 | √ | √ | √ | √ | √ | √ | √ | √ | |||||||||||||||||||||
| R2 | √ | √ | √ | √ | √ | √ | √ | ||||||||||||||||||||||
| R3 | √ | √ | √ | √ | √ | √ | √ | √ | √ | √ | √ | √ | √ | √ | √ | √ | √ | ||||||||||||
| R4 | √ | √ | √ | √ | √ | √ | √ | √ | |||||||||||||||||||||
| R5 | √ | √ | √ | √ | √ | √ | √ | √ | √ | √ | |||||||||||||||||||
| R6 | √ | √ | √ | √ | √ | ||||||||||||||||||||||||
| R7 | √ | √ | √ | √ | √ | √ | √ | √ | √ | √ | √ | √ | √ | ||||||||||||||||
| R8 | √ | √ | √ | ||||||||||||||||||||||||||
| R9 | √ | √ | √ | ||||||||||||||||||||||||||
| R10 | √ | ||||||||||||||||||||||||||||
| R11 | √ | √ | √ | √ | |||||||||||||||||||||||||
| R12 | √ | √ | √ | √ | √ | √ | √ | √ | √ | ||||||||||||||||||||
| R13 | √ | √ | √ | √ | √ | √ | √ | √ | √ | √ | √ | √ | √ | √ | √ | √ | √ | √ | |||||||||||
| R14 | √ | √ | √ | √ | √ | ||||||||||||||||||||||||
| R15 | √ | √ | √ | ||||||||||||||||||||||||||
| R16 | √ | ||||||||||||||||||||||||||||
| R17 | √ | √ | √ | √ | √ | √ | √ | ||||||||||||||||||||||
| R18 | √ | √ | √ | √ | √ | ||||||||||||||||||||||||
| R19 | √ | √ | √ | √ | √ | √ | √ | ||||||||||||||||||||||
| R20 | √ | √ | √ | √ | √ | ||||||||||||||||||||||||
| No. | Education Profile | Work Experience | Number of PPP Participated | Company |
|---|---|---|---|---|
| 1 | PhD | 6 to 10 years | Three | University |
| 2 | PhD | Under 5 years | One | University |
| 3 | Master | 6 to 10 years | Two | Government |
| 4 | Master | 11 to 15 years | More than 4 | Consulting |
| 5 | Master | 6 to 10 years | Three | Consulting |
| 6 | Master | Under 5 years | Two | Consulting |
| 7 | Bachelor | 11 to 15 years | Three | Consulting |
| 8 | Master | 6 to 10 years | One | Private |
| 9 | Master | 6 to 10 years | One | Private |
| 10 | Master | 11 to 15 years | Two | Private |
| 11 | Master | 6 to 10 years | One | Private |
| 12 | Master | 6 to 10 years | Two | Private |
| 13 | Bachelor | More than 16 years | Two | Private |
| 14 | Bachelor | More than 16 years | Two | Private |
| 15 | Bachelor | 11 to 15 years | Two | Private |
| Risk | R1 | R2 | R3 | R4 | R5 | R6 | R7 | R8 | R9 | R10 | R11 | R12 | R13 | R14 | R15 | R16 | R17 | R18 | R19 | R20 |
|---|---|---|---|---|---|---|---|---|---|---|---|---|---|---|---|---|---|---|---|---|
| R1 | 0 | 0.20 | 0.51 | 0.35 | 0.51 | 0.45 | 0.34 | 0.36 | 0.28 | 0.15 | 0.35 | 0.36 | 0.35 | 0.49 | 0.17 | 0.00 | 0.39 | 0.38 | 0.28 | 0.13 |
| R2 | 0.38 | 0 | 0.54 | 0.40 | 0.15 | 0.23 | 0.54 | 0.12 | 0.43 | 0.41 | 0.63 | 0.38 | 0.35 | 0.24 | 0.33 | 0.00 | 0.19 | 0.14 | 0.46 | 0.20 |
| R3 | 0.40 | 0.25 | 0 | 0.38 | 0.24 | 0.30 | 0.49 | 0.37 | 0.39 | 0.31 | 0.45 | 0.38 | 0.45 | 0.65 | 0.33 | 0.08 | 0.25 | 0.35 | 0.15 | 0.20 |
| R4 | 0.29 | 0.05 | 0.40 | 0 | 0.33 | 0.53 | 0.31 | 0.41 | 0.35 | 0.28 | 0.30 | 0.60 | 0.35 | 0.31 | 0.33 | 0.02 | 0.46 | 0.37 | 0.52 | 0.49 |
| R5 | 0.18 | 0.04 | 0.10 | 0.04 | 0 | 0.28 | 0.35 | 0.25 | 0.32 | 0.18 | 0.74 | 0.38 | 0.57 | 0.31 | 0.38 | 0.00 | 0.51 | 0.09 | 0.45 | 0.02 |
| R6 | 0.10 | 0.15 | 0.19 | 0.23 | 0.17 | 0 | 0.43 | 0.23 | 0.31 | 0.22 | 0.37 | 0.45 | 0.60 | 0.07 | 0.57 | 0.02 | 0.15 | 0.32 | 0.19 | 0.45 |
| R7 | 0.12 | 0.15 | 0.30 | 0.35 | 0.15 | 0.07 | 0 | 0.27 | 0.19 | 0.28 | 0.43 | 0.46 | 0.45 | 0.18 | 0.40 | 0.12 | 0.19 | 0.40 | 0.25 | 0.38 |
| R8 | 0.17 | 0.05 | 0.17 | 0.07 | 0.19 | 0.15 | 0.33 | 0 | 0.24 | 0.12 | 0.33 | 0.60 | 0.38 | 0.08 | 0.49 | 0.00 | 0.09 | 0.10 | 0.15 | 0.22 |
| R9 | 0.10 | 0.10 | 0.12 | 0.07 | 0.10 | 0.12 | 0.38 | 0.10 | 0 | 0.33 | 0.22 | 0.50 | 0.53 | 0.04 | 0.47 | 0.00 | 0.07 | 0.15 | 0.12 | 0.25 |
| R10 | 0.25 | 0.32 | 0.27 | 0.14 | 0.04 | 0.17 | 0.31 | 0.18 | 0.59 | 0 | 0.16 | 0.35 | 0.53 | 0.10 | 0.35 | 0.00 | 0.19 | 0.12 | 0.12 | 0.41 |
| R11 | 0.15 | 0.12 | 0.38 | 0.28 | 0.25 | 0.09 | 0.41 | 0.30 | 0.39 | 0.02 | 0 | 0.71 | 0.60 | 0.07 | 0.52 | 0.02 | 0.11 | 0.27 | 0.24 | 0.27 |
| R12 | 0.04 | 0.07 | 0.27 | 0.25 | 0.16 | 0.07 | 0.43 | 0.15 | 0.33 | 0.02 | 0.45 | 0 | 0.65 | 0.07 | 0.35 | 0.13 | 0.35 | 0.20 | 0.35 | 0.33 |
| R13 | 0.16 | 0.15 | 0.44 | 0.22 | 0.10 | 0.10 | 0.44 | 0.12 | 0.60 | 0.10 | 0.43 | 0.32 | 0 | 0.27 | 0.46 | 0.00 | 0.27 | 0.17 | 0.10 | 0.36 |
| R14 | 0.12 | 0.12 | 0.57 | 0.20 | 0.15 | 0.15 | 0.52 | 0.12 | 0.31 | 0.07 | 0.36 | 0.26 | 0.52 | 0 | 0.24 | 0.00 | 0.14 | 0.17 | 0.04 | 0.41 |
| R15 | 0.07 | 0.12 | 0.30 | 0.23 | 0.17 | 0.07 | 0.38 | 0.17 | 0.22 | 0.10 | 0.28 | 0.04 | 0.80 | 0.10 | 0 | 0.00 | 0.37 | 0.22 | 0.46 | 0.32 |
| R16 | 0.12 | 0.15 | 0.33 | 0.22 | 0.10 | 0.10 | 0.33 | 0.22 | 0.38 | 0.24 | 0.52 | 0.43 | 0.47 | 0.04 | 0.55 | 0 | 0.12 | 0.17 | 0.29 | 0.22 |
| R17 | 0.51 | 0.22 | 0.46 | 0.33 | 0.27 | 0.09 | 0.22 | 0.19 | 0.33 | 0.15 | 0.56 | 0.45 | 0.33 | 0.17 | 0.49 | 0.07 | 0 | 0.17 | 0.20 | 0.17 |
| R18 | 0.33 | 0.09 | 0.32 | 0.43 | 0.33 | 0.32 | 0.46 | 0.23 | 0.35 | 0.04 | 0.33 | 0.57 | 0.49 | 0.17 | 0.52 | 0.02 | 0.25 | 0 | 0.15 | 0.41 |
| R19 | 0.22 | 0.32 | 0.33 | 0.33 | 0.30 | 0.10 | 0.35 | 0.20 | 0.24 | 0.04 | 0.51 | 0.51 | 0.63 | 0.07 | 0.54 | 0.07 | 0.77 | 0.12 | 0 | 0.28 |
| R20 | 0.04 | 0.11 | 0.35 | 0.28 | 0.18 | 0.23 | 0.55 | 0.17 | 0.38 | 0.04 | 0.41 | 0.54 | 0.57 | 0.12 | 0.48 | 0.00 | 0.60 | 0.30 | 0.60 | 0 |
| Risk | R1 | R2 | R3 | R4 | R5 | R6 | R7 | R8 | R9 | R10 | R11 | R12 | R13 | R14 | R15 | R16 | R17 | R18 | R19 | R20 |
|---|---|---|---|---|---|---|---|---|---|---|---|---|---|---|---|---|---|---|---|---|
| R1 | 1 | 0 | 1 | 0 | 1 | 0 | 0 | 0 | 0 | 0 | 0 | 0 | 0 | 0 | 0 | 0 | 0 | 0 | 0 | 0 |
| R2 | 0 | 1 | 1 | 0 | 0 | 0 | 1 | 0 | 0 | 0 | 1 | 0 | 0 | 0 | 0 | 0 | 0 | 0 | 0 | 0 |
| R3 | 0 | 0 | 1 | 0 | 0 | 0 | 0 | 0 | 0 | 0 | 0 | 0 | 0 | 1 | 0 | 0 | 0 | 0 | 0 | 0 |
| R4 | 0 | 0 | 0 | 1 | 0 | 1 | 0 | 0 | 0 | 0 | 0 | 1 | 0 | 0 | 0 | 0 | 0 | 0 | 1 | 0 |
| R5 | 0 | 0 | 0 | 0 | 1 | 0 | 0 | 0 | 0 | 0 | 1 | 0 | 1 | 0 | 0 | 0 | 1 | 0 | 0 | 0 |
| R6 | 0 | 0 | 0 | 0 | 0 | 1 | 0 | 0 | 0 | 0 | 0 | 0 | 1 | 0 | 1 | 0 | 0 | 0 | 0 | 0 |
| R7 | 0 | 0 | 0 | 0 | 0 | 0 | 1 | 0 | 0 | 0 | 0 | 0 | 0 | 0 | 0 | 0 | 0 | 0 | 0 | 0 |
| R8 | 0 | 0 | 0 | 0 | 0 | 0 | 0 | 1 | 0 | 0 | 0 | 1 | 0 | 0 | 0 | 0 | 0 | 0 | 0 | 0 |
| R9 | 0 | 0 | 0 | 0 | 0 | 0 | 0 | 0 | 1 | 0 | 0 | 1 | 1 | 0 | 0 | 0 | 0 | 0 | 0 | 0 |
| R10 | 0 | 0 | 0 | 0 | 0 | 0 | 0 | 0 | 1 | 1 | 0 | 0 | 1 | 0 | 0 | 0 | 0 | 0 | 0 | 0 |
| R11 | 0 | 0 | 0 | 0 | 0 | 0 | 0 | 0 | 0 | 0 | 1 | 1 | 1 | 0 | 1 | 0 | 0 | 0 | 0 | 0 |
| R12 | 0 | 0 | 0 | 0 | 0 | 0 | 0 | 0 | 0 | 0 | 0 | 1 | 1 | 0 | 0 | 0 | 0 | 0 | 0 | 0 |
| R13 | 0 | 0 | 0 | 0 | 0 | 0 | 0 | 0 | 1 | 0 | 0 | 0 | 1 | 0 | 0 | 0 | 0 | 0 | 0 | 0 |
| R14 | 0 | 0 | 1 | 0 | 0 | 0 | 1 | 0 | 0 | 0 | 0 | 0 | 1 | 1 | 0 | 0 | 0 | 0 | 0 | 0 |
| R15 | 0 | 0 | 0 | 0 | 0 | 0 | 0 | 0 | 0 | 0 | 0 | 0 | 1 | 0 | 1 | 0 | 0 | 0 | 0 | 0 |
| R16 | 0 | 0 | 0 | 0 | 0 | 0 | 0 | 0 | 0 | 0 | 1 | 0 | 0 | 0 | 1 | 1 | 0 | 0 | 0 | 0 |
| R17 | 1 | 0 | 0 | 0 | 0 | 0 | 0 | 0 | 0 | 0 | 1 | 0 | 0 | 0 | 0 | 0 | 1 | 0 | 0 | 0 |
| R18 | 0 | 0 | 0 | 0 | 0 | 0 | 0 | 0 | 0 | 0 | 0 | 1 | 0 | 0 | 1 | 0 | 0 | 1 | 0 | 0 |
| R19 | 0 | 0 | 0 | 0 | 0 | 0 | 0 | 0 | 0 | 0 | 1 | 1 | 1 | 0 | 1 | 0 | 1 | 0 | 1 | 0 |
| R20 | 0 | 0 | 0 | 0 | 0 | 0 | 1 | 0 | 0 | 0 | 0 | 1 | 1 | 0 | 0 | 0 | 1 | 0 | 1 | 1 |
| Risk | R7 | R9 | R12 | R13 | R8 | R10 | R15 | R6 | R11 | R18 | R3 | R14 | R16 | R2 | R1 | R5 | R17 | R19 | R20 | R4 | Dr |
|---|---|---|---|---|---|---|---|---|---|---|---|---|---|---|---|---|---|---|---|---|---|
| R7 | 1 | 0 | 0 | 0 | 0 | 0 | 0 | 0 | 0 | 0 | 0 | 0 | 0 | 0 | 0 | 0 | 0 | 0 | 0 | 0 | 1 |
| R9 | 0 | 1 | 1 | 1 | 0 | 0 | 0 | 0 | 0 | 0 | 0 | 0 | 0 | 0 | 0 | 0 | 0 | 0 | 0 | 0 | 3 |
| R12 | 0 | 1 | 1 | 1 | 0 | 0 | 0 | 0 | 0 | 0 | 0 | 0 | 0 | 0 | 0 | 0 | 0 | 0 | 0 | 0 | 3 |
| R13 | 0 | 1 | 1 | 1 | 0 | 0 | 0 | 0 | 0 | 0 | 0 | 0 | 0 | 0 | 0 | 0 | 0 | 0 | 0 | 0 | 3 |
| R8 | 0 | 1 | 1 | 1 | 1 | 0 | 0 | 0 | 0 | 0 | 0 | 0 | 0 | 0 | 0 | 0 | 0 | 0 | 0 | 0 | 4 |
| R10 | 0 | 1 | 1 | 1 | 0 | 1 | 0 | 0 | 0 | 0 | 0 | 0 | 0 | 0 | 0 | 0 | 0 | 0 | 0 | 0 | 4 |
| R15 | 0 | 1 | 1 | 1 | 0 | 0 | 1 | 0 | 0 | 0 | 0 | 0 | 0 | 0 | 0 | 0 | 0 | 0 | 0 | 0 | 4 |
| R6 | 0 | 1 | 1 | 1 | 0 | 0 | 1 | 1 | 0 | 0 | 0 | 0 | 0 | 0 | 0 | 0 | 0 | 0 | 0 | 0 | 5 |
| R11 | 0 | 1 | 1 | 1 | 0 | 0 | 1 | 0 | 1 | 0 | 0 | 0 | 0 | 0 | 0 | 0 | 0 | 0 | 0 | 0 | 5 |
| R18 | 0 | 1 | 1 | 1 | 0 | 0 | 1 | 0 | 0 | 1 | 0 | 0 | 0 | 0 | 0 | 0 | 0 | 0 | 0 | 0 | 5 |
| R3 | 1 | 1 | 1 | 1 | 0 | 0 | 0 | 0 | 0 | 0 | 1 | 1 | 0 | 0 | 0 | 0 | 0 | 0 | 0 | 0 | 6 |
| R14 | 1 | 1 | 1 | 1 | 0 | 0 | 0 | 0 | 0 | 0 | 1 | 1 | 0 | 0 | 0 | 0 | 0 | 0 | 0 | 0 | 6 |
| R16 | 0 | 1 | 1 | 1 | 0 | 0 | 1 | 0 | 1 | 0 | 0 | 0 | 1 | 0 | 0 | 0 | 0 | 0 | 0 | 0 | 6 |
| R2 | 1 | 1 | 1 | 1 | 0 | 0 | 1 | 0 | 1 | 0 | 1 | 1 | 0 | 1 | 0 | 0 | 0 | 0 | 0 | 0 | 9 |
| R1 | 1 | 1 | 1 | 1 | 0 | 0 | 1 | 0 | 1 | 0 | 1 | 1 | 0 | 0 | 1 | 1 | 1 | 0 | 0 | 0 | 11 |
| R5 | 1 | 1 | 1 | 1 | 0 | 0 | 1 | 0 | 1 | 0 | 1 | 1 | 0 | 0 | 1 | 1 | 1 | 0 | 0 | 0 | 11 |
| R17 | 1 | 1 | 1 | 1 | 0 | 0 | 1 | 0 | 1 | 0 | 1 | 1 | 0 | 0 | 1 | 1 | 1 | 0 | 0 | 0 | 11 |
| R19 | 1 | 1 | 1 | 1 | 0 | 0 | 1 | 0 | 1 | 0 | 1 | 1 | 0 | 0 | 1 | 1 | 1 | 1 | 0 | 0 | 12 |
| R20 | 1 | 1 | 1 | 1 | 0 | 0 | 1 | 0 | 1 | 0 | 1 | 1 | 0 | 0 | 1 | 1 | 1 | 1 | 1 | 0 | 13 |
| R4 | 1 | 1 | 1 | 1 | 0 | 0 | 1 | 1 | 1 | 0 | 1 | 1 | 0 | 0 | 1 | 1 | 1 | 1 | 0 | 1 | 14 |
| De | 10 | 19 | 19 | 19 | 1 | 1 | 12 | 2 | 9 | 1 | 9 | 9 | 1 | 1 | 6 | 6 | 6 | 3 | 1 | 1 |
© 2019 by the authors. Licensee MDPI, Basel, Switzerland. This article is an open access article distributed under the terms and conditions of the Creative Commons Attribution (CC BY) license (http://creativecommons.org/licenses/by/4.0/).
Share and Cite
Jiang, X.; Lu, K.; Xia, B.; Liu, Y.; Cui, C. Identifying Significant Risks and Analyzing Risk Relationship for Construction PPP Projects in China Using Integrated FISM-MICMAC Approach. Sustainability 2019, 11, 5206. https://doi.org/10.3390/su11195206
Jiang X, Lu K, Xia B, Liu Y, Cui C. Identifying Significant Risks and Analyzing Risk Relationship for Construction PPP Projects in China Using Integrated FISM-MICMAC Approach. Sustainability. 2019; 11(19):5206. https://doi.org/10.3390/su11195206
Chicago/Turabian StyleJiang, Xiaoyan, Kun Lu, Bo Xia, Yong Liu, and Caiyun Cui. 2019. "Identifying Significant Risks and Analyzing Risk Relationship for Construction PPP Projects in China Using Integrated FISM-MICMAC Approach" Sustainability 11, no. 19: 5206. https://doi.org/10.3390/su11195206
APA StyleJiang, X., Lu, K., Xia, B., Liu, Y., & Cui, C. (2019). Identifying Significant Risks and Analyzing Risk Relationship for Construction PPP Projects in China Using Integrated FISM-MICMAC Approach. Sustainability, 11(19), 5206. https://doi.org/10.3390/su11195206

