Multi-Port High Voltage Gain Modular Power Converter for Offshore Wind Farms
Abstract
1. Introduction
2. Analysis of the Basic Cell and Working Strategies of Matrix Configuration
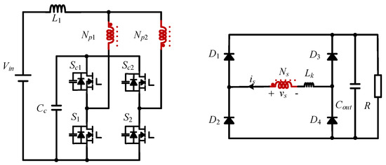
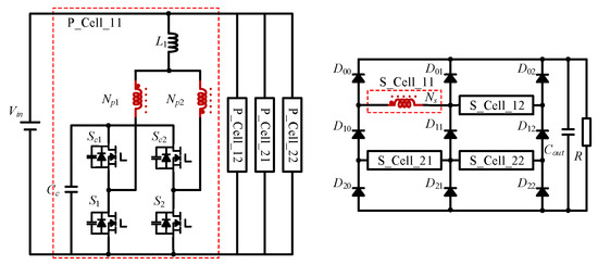
2.1. Operation of the Basic Cell
- All switches and diodes are identical.
- The capacitance of clamp capacitor is large enough so that its voltage ripple can be ignored. Due to the symmetrical operation, a brief introduction of the operation during t0–t5 when D ≤ 0.5 is presented in this part.
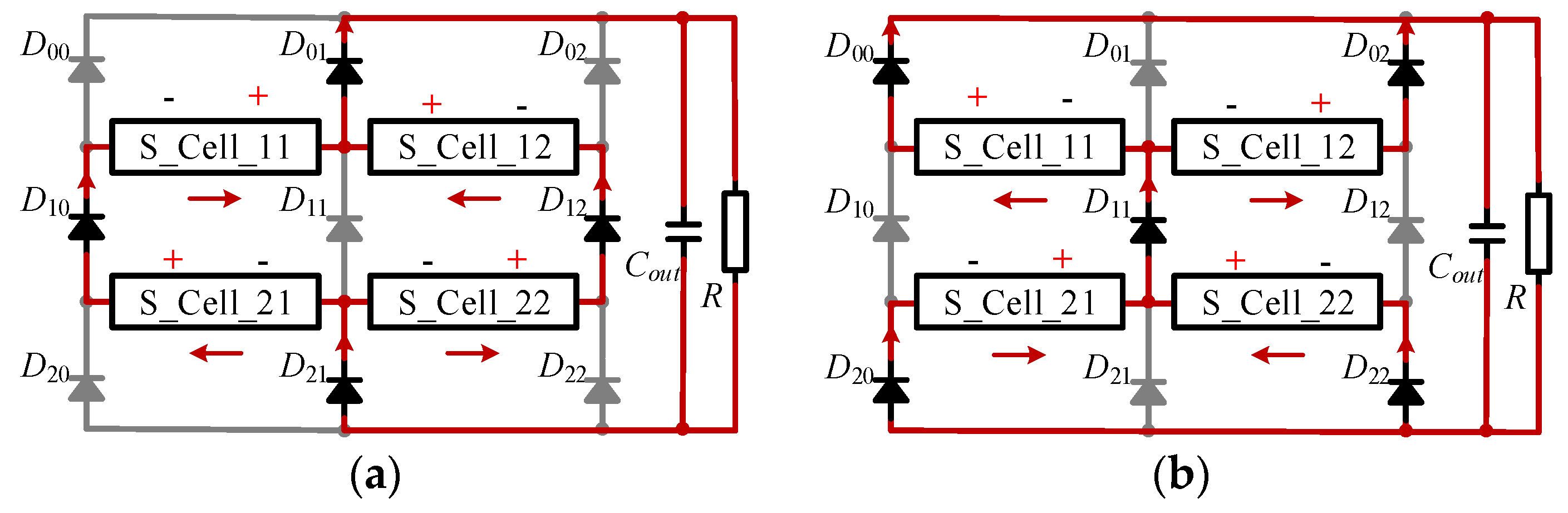
2.2. Working Strategies of Matrix Configuration
3. Analysis of the Proposed Converter with Multi-Input Ports
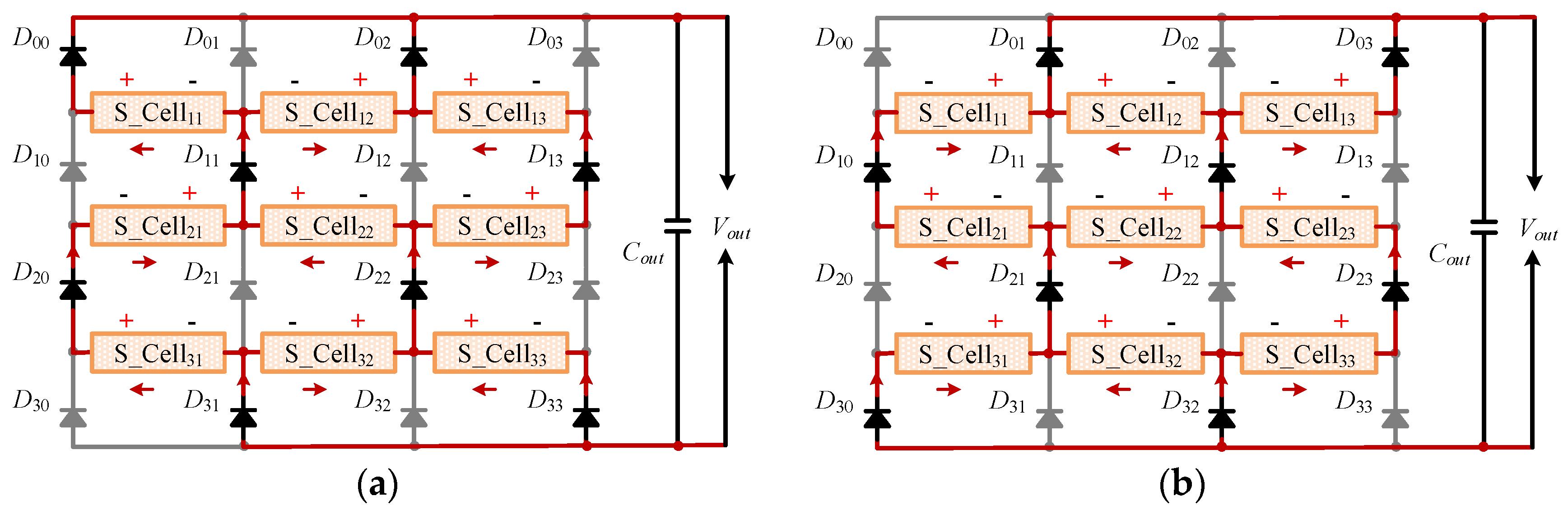
3.1. Scalable Topology
3.2. Current Balance with Column Interleaved Mode
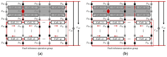
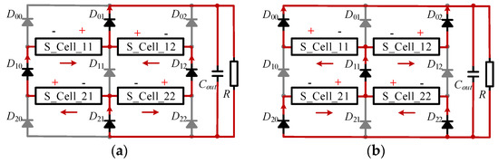
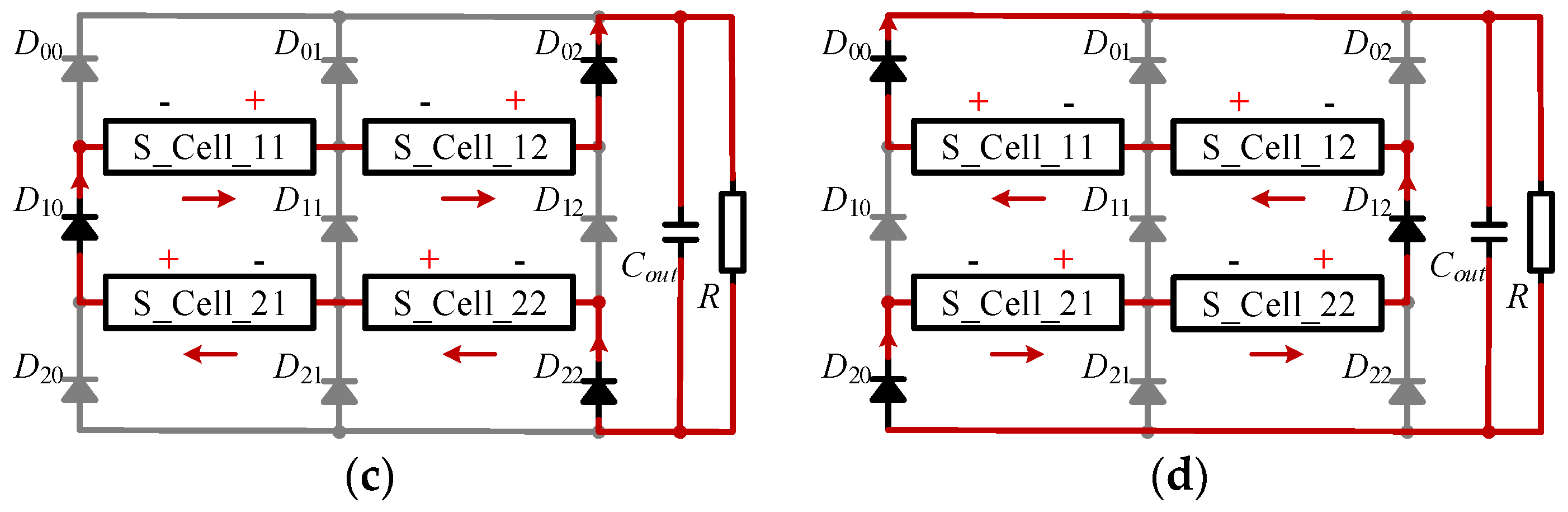
4. Fault Tolerance
4.1. Fault Tolerance for WTGs with Different Output Power
4.2. Fault Tolerance for Semiconductor Components
5. Simulation Results and Discussion
6. Conclusions
Author Contributions
Funding
Conflicts of Interest
References
- Zervos, A.; Kjaer, C. Pure Power. Wind Energy Scenarios up to 2030; The European Wind Energy Association (EWEA): Brussels, Belgium, 2006. [Google Scholar]
- Council, G.W.E. Global Wind Report 2016. Available online: http://files.gwec.net/files/GWR2016.pdf?ref=Website (accessed on 25 June 2018).
- Remy, T.; Mbistrova, A. Offshore Wind in Europe-Key trends and statistics 2017. Available online: https://windeurope.org/wp-content/uploads/files/about-wind/statistics/WindEurope-Annual-Offshore-Statistics-2017.pdf (accessed on 25 June 2018 ).
- Oni, O.E.; Davidson, I.E.; Mbangula, K.N. A review of LCC-HVDC and VSC-HVDC technologies and applications. In Proceedings of the 2016 IEEE 16th International Conference on Environment and Electrical Engineering (EEEIC), Florence, Italy, 7–10 July 2016. [Google Scholar]
- Oates, C. Modular multilevel converter design for VSC HVDC applications. IEEE J. Emerg. Sel. Top. Power Electron. 2015, 3, 505–515. [Google Scholar] [CrossRef]
- Van Eeckhout, B.; Van Hertem, D.; Reza, M.; Srivastava, K.; Belmans, R. Economic comparison of VSC HVDC and HVAC as transmission system for a 300 MW offshore wind farm. Eur. Trans. Electr. Power 2009, 20, 661–671. [Google Scholar] [CrossRef]
- Chen, W.; Huang, A.Q.; Li, C.; Wang, G.; Gu, W. Analysis and comparison of medium voltage high power DC/DC converters for offshore wind energy systems. IEEE Trans. Power Electron. 2013, 28, 2014–2023. [Google Scholar] [CrossRef]
- Meyer, C.; Hoing, M.; Peterson, A.; De Doncker, R.W. Control and design of DC grids for offshore wind farms. IEEE Trans. Ind. Appl. 2007, 43, 1475–1482. [Google Scholar] [CrossRef]
- Wang, X.; Cao, C.; Zhou, Z. Experiment on fractional frequency transmission system. IEEE Trans. Power Syst. 2006, 21, 372–377. [Google Scholar]
- Vechalapu, K.; Bhattacharya, S.; Van Brunt, E.; Ryu, S.-H.; Grider, D.; Palmour, J.W. Comparative evaluation of 15-kv sic mosfet and 15-kv sic igbt for medium-voltage converter under the same dv/dt conditions. IEEE J. Emerg. Sel. Top. Power Electron. 2017, 5, 469–489. [Google Scholar] [CrossRef]
- Nami, A.; Liang, J.; Dijkhuizen, F.; Demetriades, G.D. Modular Multilevel Converters for HVDC Applications: Review on Converter Cells and Functionalities. IEEE Trans. Power Electron. 2015, 30, 18–36. [Google Scholar] [CrossRef]
- Ghat, M.B.; Shukla, A. A New H-Bridge Hybrid Modular Converter (HBHMC) for HVDC Application: Operating Modes, Control, and Voltage Balancing. IEEE Trans. Power Electron. 2018, 33, 6537–6554. [Google Scholar] [CrossRef]
- Gowaid, I.; Adam, G.; Massoud, A.M.; Ahmed, S.; Williams, B. Hybrid and Modular Multilevel Converter Designs for Isolated HVDC–DC Converters. IEEE J. Emerg. Sel. Top. Power Electron. 2018, 6, 188–202. [Google Scholar] [CrossRef]
- Soltau, N.; Stagge, H.; De Doncker, R.W.; Apeldoorn, O. Development and demonstration of a medium-voltage high-power dc-dc converter for dc distribution systems. In Proceedings of the 2014 IEEE 5th International Symposium on Power Electronics for Distributed Generation Systems (PEDG), Galway, Ireland, 24–27 July 2014. [Google Scholar]
- Engel, S.P.; Soltau, N.; Stagge, H.; De Doncker, R.W. Dynamic and balanced control of three-phase high-power dual-active bridge DC–DC converters in DC-grid applications. IEEE Trans. Power Electron. 2013, 28, 1880–1889. [Google Scholar] [CrossRef]
- Chen, W.; Wu, X.; Yao, L.; Jiang, W.; Hu, R. A step-up resonant converter for grid-connected renewable energy sources. IEEE Trans. Power Electron. 2015, 30, 3017–3029. [Google Scholar] [CrossRef]
- Meyer, C.; De Doncker, R.W. Design of a three-phase series resonant converter for offshore DC grids. In Proceedings of the 42nd IAS Annual Meeting. Conference Record of the 2007 IEEE on Industry Applications Conference, New Orleans, LA, USA, 23–27 September 2007. [Google Scholar]
- Kish, G.J.; Ranjram, M.; Lehn, P.W. A modular multilevel DC/DC converter with fault blocking capability for HVDC interconnects. IEEE Trans. Power Electron. 2015, 30, 148–162. [Google Scholar] [CrossRef]
- Martinez-Rodrigo, F.; Ramirez, D.; Rey-Boue, A.B.; de Pablo, S.; Herrero-de Lucas, L.C. Modular Multilevel Converters: Control and Applications. Energies 2017, 10, 1709. [Google Scholar] [CrossRef]
- Zhang, X.; Xiang, X.; Green, T.C.; Yang, X. Operation and Performance of Resonant Modular Multilevel Converter with Flexible Step Ratio. IEEE Trans. Ind. Electron. 2017, 64, 6276–6286. [Google Scholar] [CrossRef]
- Kenzelmann, S.; Rufer, A.; Dujic, D.; Canales, F.; De Novaes, Y.R. Isolated DC/DC structure based on modular multilevel converter. IEEE Trans. Power Electron. 2015, 30, 89–98. [Google Scholar] [CrossRef]
- Gowaid, I.; Adam, G.; Massoud, A.M.; Ahmed, S.; Holliday, D.; Williams, B. Quasi two-level operation of modular multilevel converter for use in a high-power DC transformer with DC fault isolation capability. IEEE Trans. Power Electron. 2015, 30, 108–123. [Google Scholar] [CrossRef]
- Hu, Y.; Zeng, R.; Cao, W.; Zhang, J.; Finney, S.J. Design of a Modular, High Step-Up Ratio DC–DC Converter for HVDC Applications Integrating Offshore Wind Power. IEEE Trans. Ind. Electron. 2016, 63, 2190–2202. [Google Scholar] [CrossRef]
- Chen, G.; Deng, Y.; He, X.; Hu, Y.; Jiang, L. Analysis of high voltage gain DC-DC converter with active-clamping current-fed push-pull cells for HVDC-connected offshore wind power. In Proceedings of the 42nd Annual Conference of the IEEE Industrial Electronics Society (IECON 2016), Florence, Italy, 23–26 October 2016. [Google Scholar]
- Mohammadpour, A.; Parsa, L.; Todorovic, M.H.; Lai, R.; Datta, R.; Garces, L. Series-input parallel-output modular-phase dc–dc converter with soft-switching and high-frequency isolation. IEEE Trans. Power Electron. 2016, 31, 111–119. [Google Scholar] [CrossRef]
- Xiang, X.; Zhang, X.; Chaffey, G.P.; Green, T.C. An Isolated Resonant Mode Modular Converter with Flexible Modulation and Variety of Configurations for MVDC Application. IEEE Trans. Power Deliv. 2017, 33, 508–519. [Google Scholar] [CrossRef]
- Nome, F.J.; Barbi, I. A ZVS clamping mode-current-fed push-pull DC-DC converter. In Proceedings of the IEEE International Symposium on Industrial Electronics (ISIE’98), Pretoria, South Africa, 7–10 July 1998. [Google Scholar]
- Duong, M.Q.; Leva, S.; Mussetta, M.; Le, K.H. A Comparative Study on Controllers for Improving Transient Stability of DFIG Wind Turbines during Large Disturbances. Energies 2018, 11, 480. [Google Scholar] [CrossRef]
- Wang, H.; Wang, Y.; Duan, G.; Hu, W.; Wang, W.; Chen, Z. An Improved Droop Control Method for Multi-Terminal VSC-HVDC Converter Stations. Energies 2017, 10, 843. [Google Scholar] [CrossRef]
- Yang, Z.; Chai, Y. A survey of fault diagnosis for onshore grid-connected converter in wind energy conversion systems. Renew. Sustain. Energy Rev. 2016, 66, 345–359. [Google Scholar] [CrossRef]
- Zhang, W.; Xu, D.; Enjeti, P.N.; Li, H.; Hawke, J.T.; Krishnamoorthy, H.S. Survey on fault-tolerant techniques for power electronic converters. IEEE Trans. Power Electron. 2014, 29, 6319–6331. [Google Scholar] [CrossRef]
- Zhang, X.; Green, T.C. The modular multilevel converter for high step-up ratio DC–DC conversion. IEEE Trans. Ind. Electron. 2015, 62, 4925–4936. [Google Scholar] [CrossRef]

















| System Parameters | Values | Components | Values |
|---|---|---|---|
| Input Voltage | 650 V | Turns ratio 1:1:n | 1:1:2 |
| Output Voltage | 6400 V | Leakage inductance | 80 μH |
| Switching Frequency | 5 kHz | Input inductance | 5 mH |
| Output Power | 40 kW | Clamp capacitor | 20 μF |
© 2018 by the authors. Licensee MDPI, Basel, Switzerland. This article is an open access article distributed under the terms and conditions of the Creative Commons Attribution (CC BY) license (http://creativecommons.org/licenses/by/4.0/).
Share and Cite
Song, S.; Hu, Y.; Ni, K.; Yan, J.; Chen, G.; Wen, H.; Ye, X. Multi-Port High Voltage Gain Modular Power Converter for Offshore Wind Farms. Sustainability 2018, 10, 2176. https://doi.org/10.3390/su10072176
Song S, Hu Y, Ni K, Yan J, Chen G, Wen H, Ye X. Multi-Port High Voltage Gain Modular Power Converter for Offshore Wind Farms. Sustainability. 2018; 10(7):2176. https://doi.org/10.3390/su10072176
Chicago/Turabian StyleSong, Sen, Yihua Hu, Kai Ni, Joseph Yan, Guipeng Chen, Huiqing Wen, and Xianming Ye. 2018. "Multi-Port High Voltage Gain Modular Power Converter for Offshore Wind Farms" Sustainability 10, no. 7: 2176. https://doi.org/10.3390/su10072176
APA StyleSong, S., Hu, Y., Ni, K., Yan, J., Chen, G., Wen, H., & Ye, X. (2018). Multi-Port High Voltage Gain Modular Power Converter for Offshore Wind Farms. Sustainability, 10(7), 2176. https://doi.org/10.3390/su10072176

