Combination of LiCs and EDLCs with Batteries: A New Paradigm of Hybrid Energy Storage for Application in EVs
Abstract
1. Introduction
2. Proposed Hybrid Energy Storage System
2.1. Energy Storage Implementation
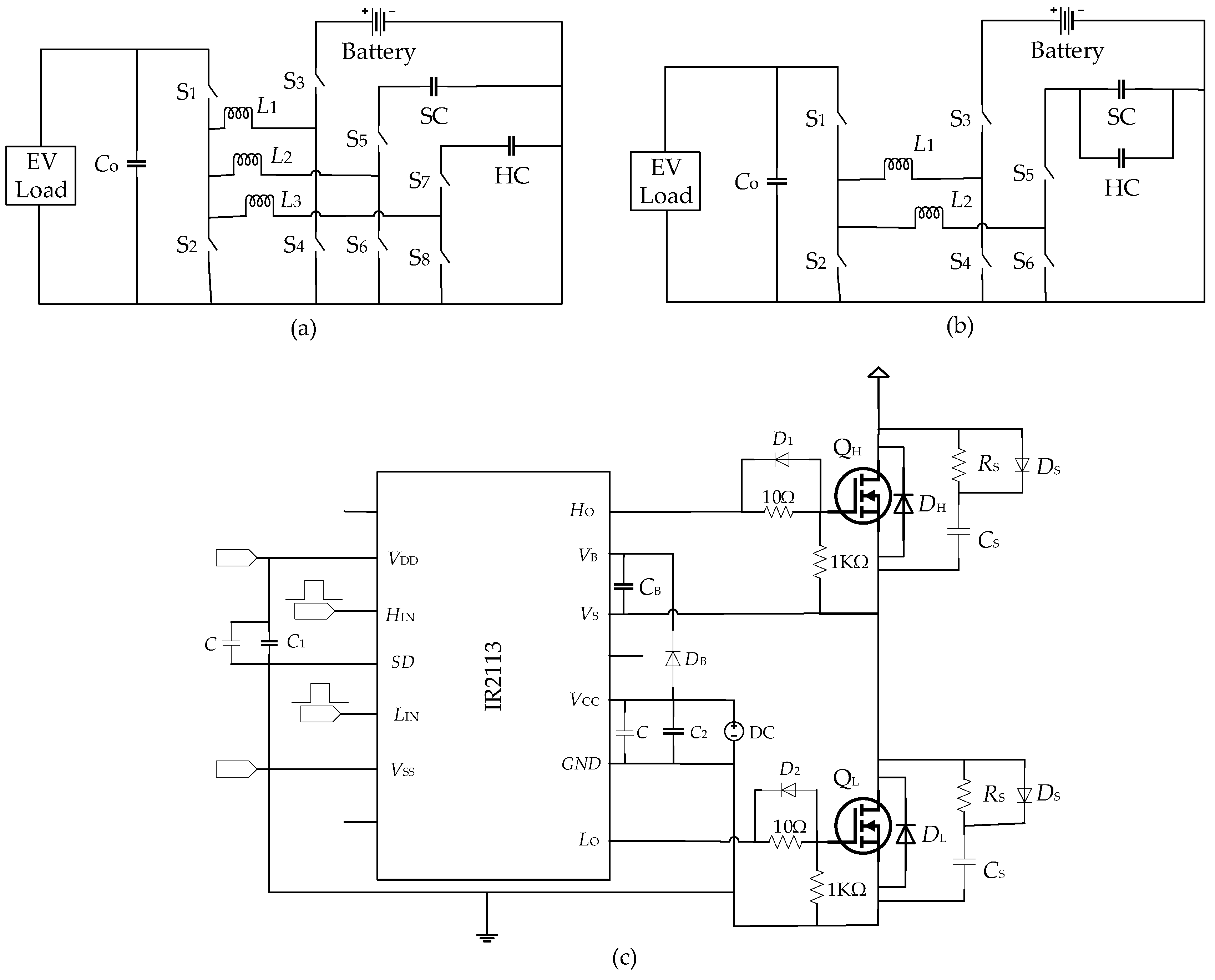
2.2. The Multiple Input Converter Implementation
3. Results
4. Conclusions
- An effective combination of SC, battery, and HC through the use of a multiple input DC-DC converter is the most efficient hybridisation topology.
- The combination of HC and SC in one energy storage system does not need to come with an increase in the input ports of the DC-DC converter. Since the energy can be utilised effectively from both of them while they are connected directly in parallel, there is no need for an increase in the resource requirement.
Author Contributions
Funding
Conflicts of Interest
References
- Whittingham, M.S. History, evolution, and future status of energy storage. Proc. IEEE 2012, 100, 1518–1534. [Google Scholar] [CrossRef]
- Nehrir, M.H.; Wang, C.; Strunz, K.; Aki, H.; Ramakumar, R.; Bing, J.; Miao, Z.; Salameh, Z. A review of hybrid renewable/alternative energy systems for electric power generation: Configurations, control, and applications. IEEE Trans. Sustain. Energy 2011, 2, 392–403. [Google Scholar] [CrossRef]
- Khaligh, A.; Li, Z. Battery, ultracapacitor, fuel cell, and hybrid energy storage systems for electric, hybrid electric, fuel cell, and plug-in hybrid electric vehicles: State of the art. IEEE Trans. Veh. Technol. 2010, 59, 2806–2814. [Google Scholar] [CrossRef]
- Ju, F.; Zhang, Q.; Deng, W.; Li, J. Review of structures and control of battery-supercapacitor hybrid energy storage system for electric vehicles. In Proceedings of the 2014 IEEE International Conference on Automation Science and Engineering (CASE), Taipei, Taiwan, 18–22 August 2014; pp. 143–148. [Google Scholar]
- Etxeberria, A.; Vechiu, I.; Camblong, H.; Vinassa, J.M.; Camblong, H. Hybrid energy storage systems for renewable energy sources integration in microgrids: A review. In Proceedings of the 2010 Conference Proceedings IPEC, Singapore, 27–29 October 2010; pp. 532–537. [Google Scholar]
- Lai, J.; Levy, S.; Rose, M.F. High energy density double-layer capacitors for energy storage applications. IEEE Aerosp. Electron. Syst. Mag. 1992, 7, 14–19. [Google Scholar] [CrossRef]
- Sharma, P.; Bhatti, T.S. A review on electrochemical double-layer capacitors. Energy Convers. Manag. 2010, 51, 2901–2912. [Google Scholar] [CrossRef]
- Aravindan, V.; Gnanaraj, J.; Lee, Y.S.; Madhavi, S. Insertion-type electrodes for nonaqueous Li-ion capacitors. Chem. Rev. 2014, 114, 11619–11635. [Google Scholar] [CrossRef] [PubMed]
- Le Comte, A.; Reynier, Y.; Vincens, C.; Leys, C.; Azaïs, P. First prototypes of hybrid potassium-ion capacitor (KIC): An innovative, cost-effective energy storage technology for transportation applications. J. Power Sources 2017, 363, 34–43. [Google Scholar] [CrossRef]
- Jiya, I.N.; Gurusinghe, N.; Gouws, R. Electrical circuit modelling of double layer capacitors for power electronics and energy storage applications: A review. Electronics 2018, 7, 268. [Google Scholar] [CrossRef]
- Chemali, E.; Preindl, M.; Malysz, P.; Emadi, A. Electrochemical and electrostatic energy storage and management systems for electric drive vehicles: State-of-the-art review and future trends. IEEE J. Emerg. Sel. Top. Power Electron. 2016, 4, 1117–1134. [Google Scholar] [CrossRef]
- Ostadi, A.; Kazerani, M.; Chen, S.-K. Hybrid energy storage system (HESS) in vehicular applications: A review on interfacing battery and ultra-capacitor units. In Proceedings of the 2013 IEEE Transportation Electrification Conference and Expo (ITEC), Detroit, MI, USA, 16–19 June 2013; pp. 1–7. [Google Scholar]
- Liu, J.; Dong, Z.; Jin, T.; Liu, L. Recent advance of hybrid energy storage systems for electrified vehicles. In Proceedings of the 2018 14th IEEE/ASME International Conference on Mechatronic and Embedded Systems and Applications (MESA), Oulu, Finland, 2–4 July 2018; pp. 1–2. [Google Scholar]
- Amjadi, Z.; Williamson, S.S. Review of alternate energy storage systems for hybrid electric vehicles. In Proceedings of the 2009 IEEE Electrical Power & Energy Conference (EPEC), Montreal, QC, Canada, 22–23 October 2009; pp. 1–7. [Google Scholar]
- Cao, J.; Emadi, A. A new battery/ultracapacitor hybrid energy storage system for electric, hybrid, and plug-in hybrid electric vehicles. IEEE Trans. Power Electron. 2012, 27, 122–132. [Google Scholar]
- Neenu, M.; Muthukumaran, S. A battery with ultracapacitor hybrid energy storage system in electric vehicles. In Proceedings of the 2012 International Conference on Advances in Engineering, Science and Management (ICAESM), Nagapattinam, India, 30–31 March 2012; pp. 731–735. [Google Scholar]
- Khan, M.A.; Zeb, K.; Sathishkumar, P.; Ali, M.U.; Uddin, W.; Hussain, S.; Ishfaq, M.; Khan, I.; Cho, H.G.; Kim, H.J. A novel supercapacitor/lithium-ion hybrid energy system with a fuzzy logic-controlled fast charging and intelligent energy management system. Electronics (Switzerland) 2018, 7, 63. [Google Scholar] [CrossRef]
- Kagiri, C.; Xia, X. Optimal control of a hybrid battery/supercapacitor storage for neighborhood electric vehicles. Energy Procedia 2017, 105, 2145–2150. [Google Scholar] [CrossRef]
- Wang, X.; Yu, D.; le Blond, S.; Zhao, Z.; Wilson, P. A novel controller of a battery-supercapacitor hybrid energy storage system for domestic applications. Energy Build. 2017, 141, 167–174. [Google Scholar] [CrossRef]
- Huang, S.; Member, S.; Pai, F.; Huang, B. A matching design for ultracapacitor and Li-ion battery cooperation in electric wheel motors. In Proceedings of the SICE Annual Conference 2010, Taipei, Taiwan, 18–21 August 2010; pp. 2646–2649. [Google Scholar]
- Kouchachvili, L.; Yaïci, W.; Entchev, E. Hybrid battery/supercapacitor energy storage system for the electric vehicles. J. Power Sources 2018, 374, 237–248. [Google Scholar] [CrossRef]
- Yin, H.; Zhao, C.; Li, M.; Ma, C. Optimization based energy control for battery/super-capacitor hybrid energy storage systems. In Proceedings of the IECON 2013—39th Annual Conference of the IEEE Industrial Electronics Society, Vienna, Austria, 10–13 November 2013; pp. 6764–6769. [Google Scholar]
- Song, Z.; Li, J.; Hou, J.; Hofmann, H.; Ouyang, M.; Du, J. The battery-supercapacitor hybrid energy storage system in electric vehicle applications: A case study. Energy 2018, 154, 433–441. [Google Scholar] [CrossRef]
- Tran, D.-D.; Barrero, R.; Hegazy, O.; Omar, N.; van Mierlo, J. An evaluation study of hybrid energy storage system for plug-in hybrid electric buses. In Proceedings of the 2017 IEEE Vehicle Power and Propulsion Conference (VPPC), Belfort, France, 11–14 December 2017; pp. 1–7. [Google Scholar]
- Jing, W.; Lai, C.H.; Wong, W.S.H.; Wong, M.L.D. A comprehensive study of battery-supercapacitor hybrid energy storage system for standalone PV power system in rural electrification. Appl. Energy 2018, 224, 340–356. [Google Scholar] [CrossRef]
- Lambert, S.M.; Pickert, V.; Holden, J.; He, X.; Li, W. Comparison of supercapacitor and lithium-ion capacitor technologies for power electronics applications. In Proceedings of the 5th IET International Conference on Power Electronics, Machines and Drives (PEMD 2010), Brighton, UK, 19–21 April 2010; p. 241. [Google Scholar]
- AsahiKasei-Corporation. Dissolution of Joint-Venture Company for Lithium Ion Capacitor Business. Press Release. 2015. Available online: https://www.asahi-kasei.co.jp/asahi/en/news/2014/e150319.html (accessed on 16 September 2018).
- Energystoragenews.com. Lithium Ion Capacitors. Energy Storage News. 23 December 2014. Available online: http://www.energystoragenews.com/Lithium Ion Capacitors.html (accessed on 15 September 2018).
- Kollmeyer, P.; Wootton, M.; Reimers, J.; Stiene, T.; Chemali, E.; Wood, M.; Emadi, A. Optimal performance of a full scale Li-ion battery and li-ion capacitor hybrid energy storage system for a plug-in hybrid vehicle. In Proceedings of the 2017 IEEE Energy Conversion Congress and Exposition (ECCE), Cincinnati, OH, USA, 1–5 October 2017; pp. 572–577. [Google Scholar]
- Hemmati, R.; Saboori, H. Emergence of hybrid energy storage systems in renewable energy and transport applications—A review. Renew. Sustain. Energy Rev. 2016, 65, 11–23. [Google Scholar] [CrossRef]
- Snoussi, J.; Benelghali, S.; Benbouzid, M.; Mimouni, M. Auto-adaptive filtering-based energy management strategy for fuel cell hybrid electric vehicles. Energies 2018, 11, 2118. [Google Scholar] [CrossRef]
- Ayad, M.Y.; Becherif, M.; Paire, D.; Djerdir, A.; Miraoui, A. Passivity-based control of hybrid power sources using fuel cell, supercapacitors, and batteries on the DC link for energy traction system. In Proceedings of the IEEE International Electric Machines and Drives Conference, IEMDC 2007, Antalya, Turkey, 3–5 May 2007; pp. 453–458. [Google Scholar]
- Rautenbach, H.J.; Gouws, R.; Bessarabov, D.; Kruger, A.; Human, G. Development of smart controller for fuel cell and supercapacitor application in electric vehicles. In Proceedings of the 23rd Southern African Universities Power Engineering Conference, Johannesburg, South Africa, 28–30 January 2015; pp. 87–92. [Google Scholar]
- Chong, L.W.; Wong, Y.W.; Rajkumar, R.K.; Isa, D. Modelling and simulation of standalone PV systems with battery-supercapacitor hybrid energy storage system for a rural household. Energy Procedia 2017, 107, 232–236. [Google Scholar] [CrossRef]
- Cabrane, Z.; Ouassaid, M.; Maaroufi, M. Analysis and evaluation of battery-supercapacitor hybrid energy storage system for photovoltaic installation. Int. J. Hydrogen Energy 2016, 41, 20897–20907. [Google Scholar] [CrossRef]
- Esmaili, A.; Novakovic, B.; Nasiri, A.; Abdel-Baqi, O. A hybrid system of Li-ion capacitors and flow battery for dynamic wind energy support. IEEE Trans. Ind. Appl. 2013, 49, 1649–1657. [Google Scholar] [CrossRef]
- Rautenbach, H.J. Development of smart controller for fuel cell and supercapacitor application in electric vehicles. In Proceedings of the South African Universities Power Engineering Conference (SAUPEC), Vanderbijlpark, South Africa, 30–31 January 2014. [Google Scholar]
- Maxwell.com. Datasheet K2 Ultracapacitors 2.7 V Series Features and Benefits. Datasheet. Available online: http://www.maxwell.com/images/documents/K2Series_DS_1015370_5_20141104.pdf (accessed on 15 September 2018).
- Samhwa-Capacitor. New Product: Energy Storage Capacitor. News (New Product). Available online: http://www.samwha.com/capacitor/news/news_product5.aspx (accessed on 8 September 2018).
- Hobbyking.com. Turnigy Nano-Tech 6000 mAh 4S 25~50C LiPo Pack. Product Description. Available online: https://hobbyking.com/en_us/turnigy-nano-tech-6000mah-4s-25-50c-lipo-pack-xt-90.html (accessed on 15 September 2018).
- Hintz, A.; Prasanna, U.R.; Rajashekara, K. Novel modular multiple-input bidirectional DC-DC power converter (MIPC). In Proceedings of the 2014 International Power Electronics Conference (IPEC-Hiroshima 2014-ECCE ASIA), Hiroshima, Japan, 18–21 May 2014; pp. 2343–2350. [Google Scholar]
- Hintz, A.; Prasanna, U.R.; Rajashekara, K. Novel modular multiple-input bidirectional DC-DC power converter (MIPC) for HEV/FCV application. IEEE Trans. Ind. Electron. 2015, 62, 3163–3172. [Google Scholar] [CrossRef]
- Severns, R. Design of Snubbers for Power Circuits. Application Note. 2012. Available online: http://www.cde.com/resources/technical-papers/design.pdf (accessed on 16 September 2018).
- Cornell-Dubilier Electronics Inc. Snubber Capacitors. Application Guide. Available online: http://www.cde.com/resources/catalogs/igbtAPPguide.pdf (accessed on 16 September 2018).
- Jiya, I.N.; Gurusinghe, N.; Gouws, R. Hybridization of battery, supercapacitor and hybrid capacitor for electric vehicles. In Proceedings of the 2018 IEEE PES/IAS PowerAfrica, Cape Town, South Africa, 28–29 June 2018; pp. 19–24. [Google Scholar]
- Kumar, L.; Jain, S. Multiple-input DC/DC converter topology for hybrid energy system. IET Power Electron. 2013, 6, 1483–1501. [Google Scholar] [CrossRef]















| Device | Parameter | Value |
|---|---|---|
| SC (Maxwell Technologies BCAP3000) [38] | Cell internal resistance | 0.29 mΩ |
| (Bank internal resistance) | (1.74 mΩ) | |
| Cell voltage | 2.7 V | |
| (Max. bank voltage) | (16.2 V) | |
| Cell capacitance | 3000 F | |
| (Bank capacitance) | (500 F) | |
| HC (Samwha capacitor ESD-SCAP CL 3000 F) [39] | Cell internal resistance | 0.55 mΩ |
| (Bank internal resistance) | (3.3 mΩ) | |
| Cell voltage | 2.8 V | |
| (Max. bank voltage) | (16.8 V) | |
| Cell capacitance | 3000 F | |
| (Bank capacitance) | (500 F) | |
| Battery (Turnigy nano-tech Li-Po 6.0 Battery) [40] | Rated voltage | 14.8 V |
| Capacity | 6000 mAh | |
| Internal resistance | 12 mΩ |
| Mode | T1 | T2 |
|---|---|---|
| A | S3S2 | S1S4 |
| B | S5S2 | S1S6 |
| C | S1S4 | S2S3 |
| D | S1S6 | S2S5 |
| Device | Manufacturer ID | Parameter | Value |
|---|---|---|---|
| QH = QL | IXTQ 36N30P | Drain-source voltage | 300 V |
| Gate source voltage | ±30 V | ||
| ON-state resistance | 110 mΩ | ||
| Drain current | 36 A | ||
| DH = DL Schottky diode | DSTF30100S | Peak reverse voltage | 100 V |
| Forward current | 30 A | ||
| L1 = L2 = L3 Ring core inductor | B82726S2243A020 | Inductance | 0.75 mH |
| Voltage, current | 250 V, 24 A | ||
| Co (electrolytic) | LH.NOVA | Capacitance, voltage | 33 µF, 400 V |
| Cs (mica) | CD19FD242GO3 | Capacitance, voltage | 2400 pF, 500V |
| Rs | CF14JT51R0 | Resistance, power | 51 Ω, 2 W |
| Ds Rectifier diode | 1N4004-TP | Peak reverse voltage | 400 V |
| Forward current | 1 A | ||
| D1 = D2 Fast switching diode | 1N4148TR | Peak reverse voltage | 100 V |
| Forward current | 150 mA | ||
| CB (tantalum) | TAP226K025SRW | Capacitance, voltage | 22 µF, 25 V |
| C1 = C2 (electrolytic) | ESK226M025AC3AA | Capacitance, voltage | 22 µF, 25 V |
| C (ceramic) | Capacitance, voltage | 224 pF, 25V | |
| Parameter | Nominal Value | ||
| Minimum (V) | Maximum (V) | ||
| VDD | VSS + 3 | VSS + 20 | |
| VSS | −5 | 5 | |
| DC | 10 | 20 | |
| VCC | 10 | 20 | |
| VS | - | 600 | |
| HO | VS | VB | |
| LO | 0 | VCC | |
| HIN | VSS | VDD | |
| LIN | VSS | VDD | |
| VB | VS + 10 | VS + 20 | |
| Parameter | Quantity | |
|---|---|---|
| Conventional Topology | Proposed Topology | |
| MOSFET switches | 8 | 6 |
| Snubber circuits | 8 | 6 |
| MOSFET drivers (Half bridge) | 4 | 3 |
| Switching circuits | 8 | 6 |
| Inductors | 3 | 2 |
| Output capacitor | 1 | 1 |
| Duty Ratio (%) | Mode A (%) | Mode B (%) | ||
|---|---|---|---|---|
| Analytical | Simulation | Analytical | Simulation | |
| 15.00 | 11.02 | 4.28 | 6.16 | 2.76 |
| 30.00 | 10.12 | 3.51 | 3.61 | 1.62 |
| 45.00 | 8.09 | 3.09 | 4.06 | 1.38 |
| 60.00 | 10.53 | 6.68 | 5.27 | 3.49 |
| 75.00 | 14.47 | 8.96 | 9.57 | 5.38 |
| 90.00 | 16.60 | 13.94 | 11.50 | 7.01 |
© 2018 by the authors. Licensee MDPI, Basel, Switzerland. This article is an open access article distributed under the terms and conditions of the Creative Commons Attribution (CC BY) license (http://creativecommons.org/licenses/by/4.0/).
Share and Cite
Jiya, I.N.; Gurusinghe, N.; Gouws, R. Combination of LiCs and EDLCs with Batteries: A New Paradigm of Hybrid Energy Storage for Application in EVs. World Electr. Veh. J. 2018, 9, 47. https://doi.org/10.3390/wevj9040047
Jiya IN, Gurusinghe N, Gouws R. Combination of LiCs and EDLCs with Batteries: A New Paradigm of Hybrid Energy Storage for Application in EVs. World Electric Vehicle Journal. 2018; 9(4):47. https://doi.org/10.3390/wevj9040047
Chicago/Turabian StyleJiya, Immanuel N., Nicoloy Gurusinghe, and Rupert Gouws. 2018. "Combination of LiCs and EDLCs with Batteries: A New Paradigm of Hybrid Energy Storage for Application in EVs" World Electric Vehicle Journal 9, no. 4: 47. https://doi.org/10.3390/wevj9040047
APA StyleJiya, I. N., Gurusinghe, N., & Gouws, R. (2018). Combination of LiCs and EDLCs with Batteries: A New Paradigm of Hybrid Energy Storage for Application in EVs. World Electric Vehicle Journal, 9(4), 47. https://doi.org/10.3390/wevj9040047

