Fault Diagnosis Method for Position Sensors in Multi-Phase Brushless DC Motor Drive Systems Based on Position Signals and Fault Current Characteristics
Abstract
1. Introduction
2. Operation Principle of Nine-Phase BLDCM and Fault Analysis of Position Sensor
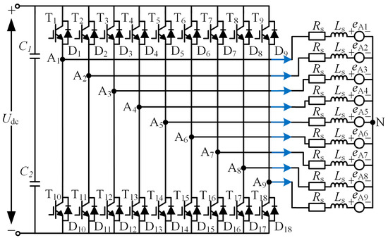
2.1. Operation Principle of Nine-Phase BLDCM
2.2. Fault Analysis of Position Sensors
3. Proposed Fault Diagnosis Method
3.1. Fault Diagnosis and Location
3.2. Fault-Tolerant Control
4. Experimental Results and Analysis
4.1. Steady-State Experiments
4.2. Dynamic Experiments
4.3. Performance Analysis of Fault Detection
4.4. Construction of the Actual Rotor Position Angle Under Fault-Tolerant Conditions
5. Conclusions
Author Contributions
Funding
Data Availability Statement
Conflicts of Interest
References
- Kirtley, J.-L.; Banerjee, A.; Englebretson, S. Motors for Ship Propulsion. Proc. IEEE 2015, 103, 2320–2332. [Google Scholar] [CrossRef]
- Schefer, H.; Fauth, L.; Kopp, T.-H.; Mallwitz, R.; Friebe, J.; Kurrat, M. Discussion on Electric Power Supply Systems for All Electric Aircraft. IEEE Access 2020, 8, 84188–84216. [Google Scholar] [CrossRef]
- Chau, K.-T.; Chan, C.-C.; Liu, C.-H. Overview of Permanent-Magnet Brushless Drives for Electric and Hybrid Electric Vehicles. IEEE Trans. Ind. Electron. 2008, 55, 2246–2257. [Google Scholar] [CrossRef]
- Wang, M.-Q.; Zheng, P.; Tong, C.-D.; Zhao, Q.-B.; Qiao, G.-Y. Research on a Transverse-Flux Brushless Double-Rotor Machine for Hybrid Electric Vehicles. IEEE Trans. Ind. Electron. 2019, 66, 1032–1043. [Google Scholar] [CrossRef]
- Sulligoi, G.; Vicenzutti, A.; Menis, R. All-Electric Ship Design: From Electrical Propulsion to Integrated Electrical and Electronic Power Systems. IEEE Trans. Transp. Electrif. 2016, 2, 507–521. [Google Scholar] [CrossRef]
- Chen, W.; Zhu, L.-X.; Li, X.-M.; Shi, T.-N.; Xia, C.-L. Comparing the Performance of Parallel Multi-Phase Brushless DC Motors: A Comprehensive Analysis. IEEE Trans. Power Electron. 2023, 38, 11290–11303. [Google Scholar] [CrossRef]
- Zhu, L.-X.; Chen, W.; Li, X.-M.; Wang, Z.-Q. Fault-Tolerant Control Method to Reduce Torque Ripple for Symmetrical Winding Multi-Phase Brushless DC Motor Under Open-Circuit Faults. In Proceedings of the 2024 27th International Conference on Electrical Machines and Systems (ICEMS), Fukuoka, Japan, 26–29 November 2024; pp. 679–685. [Google Scholar] [CrossRef]
- Dong, L.; Jatskevich, J.; Huang, Y.; Chapariha, M.; Liu, J. Fault diagnosis and signal reconstruction of hall sensors in brushless permanent magnet motor drives. IEEE Trans. Energy Convers. 2016, 31, 118–131. [Google Scholar] [CrossRef]
- Ebadpour, M.; Amiri, N.; Jatskevich, J. Fast fault-tolerant control for improved dynamic performance of hall-sensor-controlled brushless DC motor drives. IEEE Trans. Power Electron. 2021, 36, 14051–14061. [Google Scholar] [CrossRef]
- Ofori, E.; Husain, T.; Sozer, Y.; Husain, I. A pulse-injection-based sensorless position estimation method for a switched reluctance machine over a wide speed range. IEEE Trans. Ind. Appl. 2015, 51, 3867–3876. [Google Scholar] [CrossRef]
- Cai, J.; Deng, Z. Initial rotor position estimation and sensorless control of SRM based on coordinate transformation. IEEE Trans. Instrum. Meas. 2015, 64, 1004–1018. [Google Scholar] [CrossRef]
- Chen, W.; Zhu, L.; Wang, S.; Li, X.; Shi, T.; Xia, C. Rotating Restart Method for TPFS Inverter-Fed Sensorless PMSM Drive System Based on Dual Effective Voltage Vectors Injection. IEEE Trans. Power Electron. 2024, 39, 11708–11722. [Google Scholar] [CrossRef]
- Chen, W.; Dong, S.-H.; Li, X.-M.; Cao, Y.-F.; Zhang, G.-Z. Initial Rotor Position Detection for Brushless DC Motors Based on Coupling Injection of High-Frequency Signal. IEEE Access 2019, 7, 133433–133441. [Google Scholar] [CrossRef]
- Lyons, J.P.; Macminn, S.R.; Preston, M.A. Flux-current methods for SRM rotor position estimation. In Proceedings of the Conference Record of the 1991 IEEE Industry Applications Society Annual Meeting, Dearborn, MI, USA, 28 September–4 October 1991; pp. 482–487. [Google Scholar]
- Song, S.; Ge, L.; Zhang, Z. Accurate position estimation of SRM based on optimal interval selection and linear regression analysis. IEEE Trans. Ind. Electron. 2016, 63, 3467–3478. [Google Scholar] [CrossRef]
- Lee, Y.; Sul, S.-K. Model-Based Sensorless Control of an IPMSM With Enhanced Robustness Against Load Disturbances Based on Position and Speed Estimator Using a Speed Error. IEEE Trans. Ind. Appl. 2018, 54, 1448–1459. [Google Scholar] [CrossRef]
- de Araujo Porto Henriques, L.O.; Rolim, L.G.B.; Suemitsu, W.I.; Dente, J.A.; Costa Branco, P.J. Development and experimental tests of a simple neurofuzzy learning sensorless approach for switched reluctance motors. IEEE Trans. Power Electron. 2011, 26, 3330–3344. [Google Scholar] [CrossRef]
- Cai, Y.; Wang, Y.; Xu, H.; Sun, S.; Wang, C.; Sun, L. Research on rotor position model for switched reluctance motor using neural network. IEEE/ASME Trans. Mechatron. 2018, 23, 2762–2773. [Google Scholar] [CrossRef]
- Saha, B.; Singh, B.; Sen, A. SMO Based Position Sensorless BLDC Motor Drive Employing Canonical Switching Cell Converter for Light Electric Vehicle. IEEE Trans. Ind. Appl. 2023, 59, 2974–2984. [Google Scholar] [CrossRef]
- Chen, Z.; Tomita, M.; Doki, S.; Okuma, S. New adaptive sliding observers for position- and velocity-sensorless controls of brushless DC motors. IEEE Trans. Ind. Electron. 2000, 47, 582–591. [Google Scholar] [CrossRef]
- Tomita, M.; Senjyu, T.; Doki, S.; Okuma, S. New sensorless control for brushless DC motors using disturbance observers and adaptive velocity estimations. IEEE Trans. Ind. Electron. 1998, 45, 274–282. [Google Scholar] [CrossRef]
- Ding, W.; Song, K. Position sensorless control of switched reluctance motors using reference and virtual flux linkage with one-phase current sensor in medium and high speed. IEEE Trans. Ind. Electron. 2020, 67, 2595–2606. [Google Scholar] [CrossRef]
- Chen, W.; Liu, Z.; Cao, Y.-F.; Li, X.-M.; Shi, T.-N.; Xia, C.-L. A Position Sensorless Control Strategy for the BLDCM Based on a Flux-Linkage Function. IEEE Trans. Ind. Electron. 2019, 66, 2570–2579. [Google Scholar] [CrossRef]
- Chen, S.; Liu, G.; Zhu, L. Sensorless Control Strategy of a 315 kW High-Speed BLDC Motor Based on a Speed-Independent Flux Linkage Function. IEEE Trans. Ind. Electron. 2017, 64, 8607–8617. [Google Scholar] [CrossRef]
- Song, X.; Han, B.; Wang, K. Sensorless Drive of High-Speed BLDC Motors Based on Virtual Third-Harmonic Back EMF and High-Precision Compensation. IEEE Trans. Power Electron. 2019, 34, 8787–8796. [Google Scholar] [CrossRef]
- Cai, J.; Deng, Z. A joint feature position detection-based sensorless position estimation scheme for switched reluctance motors. IEEE Trans. Ind. Electron. 2017, 64, 4352–4360. [Google Scholar] [CrossRef]
- Champa, P.; Somsiri, P.; Wipasuramonton, P.; Nakmahachalasint, P. Initial Rotor Position Estimation for Sensorless Brushless DC Drives. IEEE Trans. Ind. Appl. 2009, 45, 1318–1324. [Google Scholar] [CrossRef]
- Cai, J.; Deng, Z.Q. An approach to selecting the optimal sensing coil configuration structure for switched reluctance motor rotor position measurement. Rev. Sci. Instrum. 2015, 86, 025002. [Google Scholar] [CrossRef]
- Li, X.-M.; Li, X.-C.; Chen, W.; Liu, K.; Wang, Z.-Q. Rotor Position Detection of IPMSM Based on Search Coil in Full-Speed Range. IEEE Trans. Power Electron. 2025, 40, 14571–14584. [Google Scholar] [CrossRef]
- Li, X.-M.; Li, X.-C.; Liu, X.; Guo, L.-Y.; Wang, J.; Wang, Z.-Q.; Chen, W. An Uncoupled Search Coil for IPMSM Rotor Position Detection in Low-Speed Range. IEEE Trans. Transp. Electrif. 2025, 11, 7527–7541. [Google Scholar] [CrossRef]
- Rahimi, T.; Ding, L.; Peyghami, S.; Kheshti, M.; Blaabjerg, F.; Davari, P. Time Domain Simulation of A Five-Phase BLDC Motor Drive. In Proceedings of the 2020 11th Power Electronics, Drive Systems and Technologies Conference (PEDSTC), Tehran, Iran, 4–6 February 2020; pp. 1–6. [Google Scholar] [CrossRef]
- Dong, L.-H.; Huang, Y.-W.; Jatskevich, J.; Liu, J.-L. Improved fault-tolerant control for brushless permanent magnet motor drives with defective Hall sensors. IEEE Trans. Energy Convers. 2016, 31, 789–799. [Google Scholar] [CrossRef]
- Cai, J.; Zhao, X. Synthetic hybrid-integral-threshold logic-based position fault diagnosis scheme for SRM drives. IEEE Trans. Instrum. Meas. 2021, 70, 1–8. [Google Scholar] [CrossRef]
- Balaban, E.; Saxena, A.; Bansal, P.; Goebel, K.; Curran, S. Modeling, detection, and disambiguation of sensor faults for aerospace applications. IEEE Sens. J. 2009, 9, 1907–1917. [Google Scholar] [CrossRef]
- Hong, S.K.; Lee, Y. Optimizing Detection: Compact MobileNet Models for Precise Hall Sensor Fault Identification in BLDC Motor Drives. IEEE Access 2024, 12, 77475–77485. [Google Scholar] [CrossRef]
- Kao, I.-H.; Wang, W.-J.; Lai, Y.-H.; Perng, J.-W. Analysis of Permanent Magnet Synchronous Motor Fault Diagnosis Based on Learning. IEEE Trans. Instrum. Meas. 2018, 68, 310–324. [Google Scholar] [CrossRef]
- Kerboua, A.; Kelaiaia, R. Fault diagnosis in an asynchronous motor using three-dimensional convolutional neural network. Arab. J. Sci. Eng. 2024, 49, 3467–3485. [Google Scholar] [CrossRef]
- Chu, K.S.K.; Chew, K.W.; Chang, Y.C. Fault Diagnosis System of Hall Sensor in Brushless DC Motor Based on Neural Networks Approach. In Proceedings of the 2022 IEEE 18th International Colloquium on Signal Processing & Applications (CSPA), Kuala Lumpur, Malaysia, 12 May 2022; pp. 35–40. [Google Scholar] [CrossRef]
- Han, J.-H.; Choi, D.-J.; Hong, S.-K.; Kim, H.-S. Motor Fault Diagnosis Using CNN Based Deep Learning Algorithm Considering Motor Rotating Speed. In Proceedings of the 2019 IEEE 6th International Conference on Industrial Engineering and Applications (ICIEA), Tokyo, Japan, 12–15 April 2019; IEEE: Piscataway, NJ, USA, 2019; pp. 440–445. [Google Scholar] [CrossRef]
- Chu, K.S.K.; Chew, K.W.; Chang, Y.C. Fault-Diagnosis and Fault-Recovery System of Hall Sensors in Brushless DC Motor Based on Neural Networks. Sensors 2023, 23, 4330. [Google Scholar] [CrossRef]
- Papathanasopoulos, D.A.; Mitronikas, E.D. Fault Tolerant Control of a Brushless DC Motor with Defective Position Sensors. In Proceedings of the 2018 XIII International Conference on Electrical Machines (ICEM), Alexandroupoli, Greece, 3–6 September 2018; pp. 1503–1509. [Google Scholar] [CrossRef]
- Gan, W.; Li, X.; Wei, D.; Ding, R.; Liu, K.; Chen, Z. Real-time multi-sensor joint fault diagnosis method for permanent magnet traction drive systems based on structural analysis. Sensors 2024, 24, 2878. [Google Scholar] [CrossRef] [PubMed]
- Scelba, G.; De Donato, G.; Pulvirenti, M.; Giulii Capponi, F.; Scarcella, G. Hall-Effect Sensor Fault Detection, Identification, and Compensation in Brushless DC Drives. IEEE Trans. Ind. Appl. 2015, 52, 1542–1554. [Google Scholar] [CrossRef]
- Guo, C.; Gao, X.; Zhang, Q.; Zhu, Y. Fault Tolerance Method of Low-Resolution Hall Sensor in Permanent Magnet Synchronous Machine. IEEE Access 2022, 10, 119162–119169. [Google Scholar] [CrossRef]
- Lv, D.; Du, Z. Fault-Tolerant of Hall-Effect Sensors in Permanent Magnet In-Wheel Motor Drives. IEICE Electron. Express 2017, 14, 20170470. [Google Scholar] [CrossRef][Green Version]
- Zhang, X.; Zhao, Y.; Lin, H.; Riaz, S.; Elahi, H. Real-Time Fault Diagnosis and Fault-Tolerant Control Strategy for Hall Sensors in Permanent Magnet Brushless DC Motor Drives. Electronics 2021, 10, 1268. [Google Scholar] [CrossRef]
- Tashakori, A.; Ektesabi, M. A Simple Fault Tolerant Control System for Hall Effect Sensors Failure of BLDC Motor. In Proceedings of the 2013 IEEE 8th Conference on Industrial Electronics and Applications (ICIEA), Melbourne, VIC, Australia, 19–21 June 2013; pp. 1011–1016. [Google Scholar] [CrossRef]
- Zhang, X.; Lin, H.; Zhao, Y. Fault Detection and Compensation Strategy of Brushless DC Motor with Fault in Hall Sensors. In Proceedings of the 2019 22nd International Conference on Electrical Machines and Systems (ICEMS), Harbin, China, 11–14 August 2019; pp. 1–6. [Google Scholar] [CrossRef]
- Xu, X.; Huang, X.; Hu, Q.; Li, Z. An Improved Rotor Position Estimation Method for SPMSM With Misaligned Hall-Effect Sensor. IEEE Trans. Transp. Electrif. 2024, 10, 735–743. [Google Scholar] [CrossRef]
- Jain, C.; Garg, P.; Jain, A.K. Hall-Effect Sensor Fault Diagnosis, Identification and Remedial Strategy in Permanent Magnet Brushless DC Drive. In Proceedings of the 2018 IEEE International Conference on Power Electronics, Drives and Energy Systems (PEDES), Chennai, India, 18–21 December 2018; pp. 1–5. [Google Scholar] [CrossRef]
- Goswami, A.; Sreejeth, M.; Singh, M. Investigation and Mitigation of Unbalanced Hall Sensor Signal Faults in Sensored Brushless DC Motor Drives. Electr. Eng. 2024, 106, 4835–4850. [Google Scholar] [CrossRef]
- Zhang, Y.; Zhou, B.; Fang, W.; Lu, Y.; Jiang, S. Position Signal and Nonconduction Phase Current Based Fault Diagnosis Method of Position Sensor for Doubly Salient Electromagnetic Motor. IEEE Trans. Power Electron. 2024, 39, 8572–8584. [Google Scholar] [CrossRef]
- Aqil, M.; Hur, J. A direct redundancy approach to fault-tolerant control of BLDC motor with a damaged hall-effect sensor. IEEE Trans. Power Electron. 2020, 35, 1732–1741. [Google Scholar] [CrossRef]
- Zhang, Q.; Feng, M. Fast fault diagnosis method for hall sensors in brushless DC motor drives. IEEE Trans. Power Electron. 2019, 34, 2585–2596. [Google Scholar] [CrossRef]
- Mousmi, A.; Abbou, A.; El Houm, Y. Binary diagnosis of hall effect sensors in brushless DC motor drives. IEEE Trans. Power Electron. 2020, 35, 3859–3868. [Google Scholar] [CrossRef]




















| Sector | Hall State s | Conduction Phase (+ for Positive, − for Negative) |
|---|---|---|
| 0°~20° | 341 | A1+, A2−, A3+, A4−, A5+, A6−, A7+, A8− |
| 20°~40° | 340 | A9−, A1+, A2−, A3+, A4−, A5+, A6−, A7+ |
| 40°~60° | 342 | A8+, A9−, A1+, A2−, A3+, A4−, A5+, A6− |
| 60°~80° | 338 | A7−, A8+, A9−, A1+, A2−, A3+, A4−, A5+ |
| 80°~100° | 346 | A6+, A7−, A8+, A9−, A1+, A2−, A3+, A4− |
| 100°~120° | 330 | A5−, A6+, A7−, A8+, A9−, A1+, A2−, A3+ |
| 120°~140° | 362 | A4+, A5−, A6+, A7−, A8+, A9−, A1+, A2− |
| 140°~160° | 298 | A3−, A4+, A5−, A6+, A7−, A8+, A9−, A1+ |
| 160°~180° | 426 | A2+, A3−, A4+, A5−, A6+, A7−, A8+, A9− |
| 180°~200° | 170 | A1−, A2+, A3−, A4+, A5−, A6+, A7−, A8+ |
| 200°~220° | 171 | A9+, A1−, A2+, A3−, A4+, A5−, A6+, A7− |
| 220°~240° | 169 | A8−, A9+, A1−, A2+, A3−, A4+, A5−, A6+ |
| 240°~260° | 173 | A7+, A8−, A9+, A1−, A2+, A3−, A4+, A5− |
| 260°~280° | 165 | A6−, A7+, A8−, A9+, A1−, A2+, A3−, A4+ |
| 280°~300° | 181 | A5+, A6−, A7+, A8−, A9+, A1−, A2+, A3− |
| 300°~320° | 149 | A4−, A5+, A6−, A7+, A8−, A9+, A1−, A2+ |
| 320°~340° | 213 | A3+, A4−, A5+, A6−, A7+, A8−, A9+, A1− |
| 340°~360° | 85 | A2−, A3+, A4−, A5+, A6−, A7+, A8−, A9+ |
| i | ideti = 1 |
|---|---|
| 1 | ((|iA9| > ith) ∩ (|iA1| < εA) ∩ (|iothers| < ith)) ∩ ((|iA1| > ith) ∩ (|iA9| < εA) ∩ (|iothers| < ith)) |
| 2 | ((|iA1| > ith) ∩ (|iA2| < εA) ∩ (|iothers| < ith)) ∩ ((|iA2| > ith) ∩ (|iA1| < εA) ∩ (|iothers| < ith)) |
| 3 | ((|iA2| > ith) ∩ (|iA3| < εA) ∩ (|iothers| < ith)) ∩ ((|iA3| > ith) ∩ (|iA2| < εA) ∩ (|iothers| < ith)) |
| 4 | ((|iA3| > ith) ∩ (|iA4| < εA) ∩ (|iothers| < ith)) ∩ ((|iA4| > ith) ∩ (|iA3| < εA) ∩ (|iothers| < ith)) |
| 5 | ((|iA4| > ith) ∩ (|iA5| < εA) ∩ (|iothers| < ith)) ∩ ((|iA5| > ith) ∩ (|iA4| < εA) ∩ (|iothers| < ith)) |
| 6 | ((|iA5| > ith) ∩ (|iA6| < εA) ∩ (|iothers| < ith)) ∩ ((|iA6| > ith) ∩ (|iA5| < εA) ∩ (|iothers| < ith)) |
| 7 | ((|iA6| > ith) ∩ (|iA7| < εA) ∩ (|iothers| < ith)) ∩ ((|iA7| > ith) ∩ (|iA6| < εA) ∩ (|iothers| < ith)) |
| 8 | ((|iA7| > ith) ∩ (|iA8| < εA) ∩ (|iothers| < ith)) ∩ ((|iA8| > ith) ∩ (|iA7| < εA) ∩ (|iothers| < ith)) |
| 9 | ((|iA8| > ith) ∩ (|iA9| < εA) ∩ (|iothers| < ith)) ∩ ((|iA9| > ith) ∩ (|iA8| < εA) ∩ (|iothers| < ith)) |
| Parameter | Value | Unit |
|---|---|---|
| Rated voltage UN | 42 | V |
| Rated current IN | 23 | A |
| Rated torque TN | 8 | N·m |
| Rated speed nN | 2500 | r/min |
| Phase resistance R | 0.012 | Ω |
| Phase inductance L | 0.064 | mH |
| Working Condition | Average Detection Delay | False Positives |
|---|---|---|
| Steady-state experiments | 114 μs | 0 |
| Dynamic experiments | 125 μs | 0 |
| Healthy experiments | — | 0 |
Disclaimer/Publisher’s Note: The statements, opinions and data contained in all publications are solely those of the individual author(s) and contributor(s) and not of MDPI and/or the editor(s). MDPI and/or the editor(s) disclaim responsibility for any injury to people or property resulting from any ideas, methods, instructions or products referred to in the content. |
© 2025 by the authors. Published by MDPI on behalf of the World Electric Vehicle Association. Licensee MDPI, Basel, Switzerland. This article is an open access article distributed under the terms and conditions of the Creative Commons Attribution (CC BY) license (https://creativecommons.org/licenses/by/4.0/).
Share and Cite
Li, J.; Zhang, W.; Zhang, S.; Chen, W.; Li, X. Fault Diagnosis Method for Position Sensors in Multi-Phase Brushless DC Motor Drive Systems Based on Position Signals and Fault Current Characteristics. World Electr. Veh. J. 2025, 16, 454. https://doi.org/10.3390/wevj16080454
Li J, Zhang W, Zhang S, Chen W, Li X. Fault Diagnosis Method for Position Sensors in Multi-Phase Brushless DC Motor Drive Systems Based on Position Signals and Fault Current Characteristics. World Electric Vehicle Journal. 2025; 16(8):454. https://doi.org/10.3390/wevj16080454
Chicago/Turabian StyleLi, Jianwen, Wei Zhang, Shi Zhang, Wei Chen, and Xinmin Li. 2025. "Fault Diagnosis Method for Position Sensors in Multi-Phase Brushless DC Motor Drive Systems Based on Position Signals and Fault Current Characteristics" World Electric Vehicle Journal 16, no. 8: 454. https://doi.org/10.3390/wevj16080454
APA StyleLi, J., Zhang, W., Zhang, S., Chen, W., & Li, X. (2025). Fault Diagnosis Method for Position Sensors in Multi-Phase Brushless DC Motor Drive Systems Based on Position Signals and Fault Current Characteristics. World Electric Vehicle Journal, 16(8), 454. https://doi.org/10.3390/wevj16080454

