Next Article in Journal
Digital Reconstruction Method for Low-Illumination Road Traffic Accident Scenes Using UAV and Auxiliary Equipment
Next Article in Special Issue
Study on Multiple-Inverter-Drive Method for IPMSM to Improve the Motor Efficiency
Previous Article in Journal
Optimization of Tesla Valve Cooling Channels for High-Efficiency Automotive PMSM
Previous Article in Special Issue
Predictive Torque Control of Permanent Magnet Motor for New-Energy Vehicles Under Low-Carrier-Ratio Conditions
 
 
Font Type:
Arial Georgia Verdana
Font Size:
Aa Aa Aa
Line Spacing:
Column Width:
Background:
Article

Performance Evaluation and Accuracy Analysis of a Chassis Dynamometer for Light Electric Vehicles

1
Department of Mechanical Engineering, Universitas Indonesia, Jl. Lingkar, Pondok Cina, Kecamatan Beji, Kota Depok 16424, Jawa Barat, Indonesia
2
Department of Mechanical Engineering, Politeknik Negeri Jakarta, Jl. Prof. DR. G.A. Siwabessy, Kampus Universitas Indonesia Depok, Kota Depok 16424, Jawa Barat, Indonesia
3
Department of Mechanical Engineering, Universitas Presiden, Jababeka Education Park, Jalan Ki Hajar Dewantara, Kota Jababeka, Cikarang Utara, Bekasi 17550, Jawa Barat, Indonesia
*
Authors to whom correspondence should be addressed.
World Electr. Veh. J. 2025, 16(3), 170; https://doi.org/10.3390/wevj16030170
Submission received: 20 January 2025 / Revised: 10 March 2025 / Accepted: 10 March 2025 / Published: 14 March 2025

Abstract

This research focuses on the development of a chassis dynamometer for light electric vehicles (LEV), utilizing the Prony Brake method for torque measurement. The primary goal was to create a robust testing platform that accurately assesses the performance characteristics of LEVs under controlled conditions. The dynamometer’s performance evaluation revealed an average error of 0.55 for RPM readings, indicating a moderate level of variability in the sensor’s accuracy. In contrast, the torque measurement yielded a significantly lower average error of 0.03, demonstrating high precision in capturing torque data. Additionally, a standard deviation of 0.34 was observed during the torque versus RPM assessments, reflecting the consistency of the collected data. These findings validate the effectiveness of the chassis dynamometer in delivering reliable performance metrics for LEVs, providing essential insights for future advancements in electric vehicle technology and performance evaluation methodologies.

1. Introduction

Electric vehicles (EVs) should be developed because they offer a sustainable solution to the pressing of environmental challenges posed by traditional fossil-fuel-powered vehicles that was discussed by Alanazi [1]. Unlike gasoline and diesel engines, EVs produce zero tailpipe emissions, significantly reducing air pollution and greenhouse gas emissions that contribute to climate change, discussed by Gao and Zimm [2,3]. Additionally, with advancements in renewable energy sources like solar and wind, the electricity used to charge EVs can increasingly come from clean energy, further minimizing their carbon footprint. EVs also promote energy independence by reducing reliance on imported oil and help mitigate the economic impact of fluctuating fuel prices. As battery technology continues to improve, EVs are becoming more affordable and practical, making them a key component in the transition to a more sustainable and eco-friendly transportation system according to Aderibigbe [4].
The development of light electric vehicles (LEVs) is crucial, especially in urban areas, discussed by Fishman and Sumarsono [5,6], where traffic congestion, air pollution, and limited parking space are significant challenges (Sumarsono and Ehrenberger) [6,7]. LEVs, such as electric scooters, bikes, and small electric cars, offer a compact and efficient mode of transportation that can navigate crowded city streets with ease. They produce zero emissions, helping to reduce the carbon footprint in densely populated areas where air quality is often poor. LEVs also require less energy and space compared to traditional vehicles, making them ideal for short-distance travel and reducing the strain on urban infrastructure. As cities continue to grow, the adoption of LEVs can play a key role in creating more sustainable, accessible, and livable urban environments (Tullah) [8] by alleviating traffic, lowering pollution levels, and providing affordable transportation options for residents (Mesimäki) [9].
Figure 1 shows the chassis dynamometer for light electric vehicles. The chassis dynamometer is an essential instrumentation tool for accurately measuring the performance of light electric vehicles (LEVs), according to Zhang [10]. It provides a controlled environment where various performance metrics, such as power output, efficiency, speed, and torque, can be tested under simulated driving conditions (Sumarsono) [11]. For LEVs, which are designed for efficiency and agility in urban settings, understanding these performance characteristics is crucial for optimizing design, safety, and energy consumption. The chassis dynamometer allows engineers to evaluate how different components—such as the electric motor, battery, and drivetrain—interact and perform under load, ensuring that the vehicle meets regulatory standards and delivers reliable performance in real-world conditions (Reick) [12]. This precision testing is vital for refining vehicle designs, improving energy efficiency, and enhancing the overall user experience, making the chassis dynamometer an indispensable tool in the development and validation of LEVs.
This study presents a novel contribution by developing a chassis dynamometer specifically designed for Light Electric Vehicles (LEVs) with four wheels, an area that has not been extensively explored in previous studies. Previous studies have focused on chassis dynamometers for two-wheeled vehicles, leaving a gap in the standardization and performance testing methodologies for four-wheeled LEVs. This research addresses that gap by designing a twin-roller chassis dynamometer that accommodates the unique dimensions, load distribution, and drive dynamics of small four-wheeled electric vehicles. The twin roller dynamometer is a specialized type of chassis dynamometer designed to measure the performance of vehicles by simulating real-world driving conditions using two rollers beneath each wheel. For electric vehicles (EVs), particularly light electric vehicles (LEVs), the twin roller dynamometer offers several benefits and advantages. One key advantage is its ability to provide precise (Raine) [13] and consistent load conditions, which is essential for accurately measuring the efficiency, power output, and torque of EVs. The dual-roller system allows for better contact and traction between the vehicle’s tires and the rollers, ensuring more accurate data collection, especially in the testing of small lightweight vehicles that might otherwise experience slippage on a single-roller setup, according to Lourenço [14]. Additionally, it supports testing under different simulated road conditions, such as inclines or varying surface textures, giving a comprehensive understanding of how the LEV performs in diverse environments. Moreover, twin roller dynamometers are compact and require less space compared to other dynamometer types, making them ideal for use in urban research and development facilities where space is at a premium. This makes them an excellent choice for manufacturers and engineers focused on developing and refining LEVs as they provide the necessary data to enhance vehicle performance, ensure safety, and improve energy efficiency (Racewicz) [15], all the while accommodating the specific needs of light electric vehicles.
Magnetic proximity sensors are widely used in chassis dynamometers to accurately measure the revolutions per minute (RPM) of a vehicle’s wheels or drivetrain components. These sensors detect the presence of a magnetic field, typically from a magnet attached to a rotating part, such as a wheel or axle (Balevičius) [16], as it passes by the sensor as shown as Figure 2. Each time the magnet passes the sensor, it triggers a pulse, which is then used to calculate the RPM by counting the number of pulses over a specific time interval (Aryanto) [17]. This method is particularly effective in chassis dynamometers, where precise RPM measurements are crucial for assessing the performance of the vehicle under test.
For electric vehicles (EVs), especially light electric vehicles (LEVs), accurate RPM measurement is vital for evaluating the efficiency and performance of the electric motor and drivetrain. The magnetic proximity sensor provides a non-contact, reliable, and highly accurate means of measuring RPM, even at high speeds, without introducing mechanical wear or resistance. This ensures that the data collected are consistent and free from interference, allowing engineers to make informed decisions about vehicle performance, energy efficiency, and overall design optimization. Additionally, the simplicity and durability of magnetic proximity sensors make them an ideal choice for use in the often harsh testing environments of chassis dynamometers.
For measuring torque on a chassis dynamometer, a load sensor is needed to make the Prony Brake as shown as Figure 3. The Prony Brake method was chosen over alternative techniques such as rotary encoders and strain gauges due to its simplicity, cost-effectiveness, and suitability for measuring torque in a controlled laboratory setting. The Prony Brake is a mechanical device that applies a controlled resistance or braking force to the rotating element of a vehicle’s drivetrain, such as fly wheels or axle, to simulate real-world driving conditions (Maghfiroh) [18]. As the vehicle’s component rotates against this resistance, the load sensor measures the force exerted by the braking mechanism [19]. This force, combined with the known radius of the fly wheel, allows for the precise calculation of torque, which is a key performance metric for understanding the power output and efficiency of the vehicle [20]. The torque generated by the Prony Brake is obtained by Equation (1).
τ = m g L
Besides torque, power is an important component that needs to be measured using a chassis dynamometer. Torque and power are closely related concepts in mechanics and engineering [21]. Torque refers to the rotational force applied to an object. Power, on the other hand, is the rate at which work is done or energy is transferred. The relationship between torque and power can be expressed mathematically by the Equation (2). It indicates that for a given power output, an increase in torque will result in a decrease in angular velocity, and vice versa. In practical terms, this means that engines or motors with higher torque values can generate more rotational force, which is particularly important for tasks requiring heavy lifting or acceleration, even if they operate at lower speeds. Conversely, high-speed applications often require less torque but more power to maintain performance.
P = τ ω

2. Materials and Methods

Research into the accuracy and precision of chassis dynamometers for light electric vehicles (LEVs) often employs a combination of experimental methods and advanced design considerations. The methodologies typically include controlled testing environments where the dynamometer is calibrated with high-precision instruments to measure variables such as torque, speed, and power output across a range of operating conditions [22]. Researchers may use a reference vehicle with known performance parameters to validate the dynamometer’s accuracy, ensuring that the measurements closely match the expected values. Precision is evaluated through repeated tests, where the consistency of results is analyzed statistically to determine the dynamometer’s repeatability under identical conditions.
Design considerations are also crucial, with dynamometers for LEVs being specifically engineered to handle the unique characteristics of electric drivetrains [23]. This includes the ability to accurately simulate regenerative braking, manage high torque at low speeds, and accommodate the instantaneous power delivery typical of electric motors. Advanced software algorithms are integrated to process data in real-time, allowing for dynamic adjustments during testing to maintain accuracy. Additionally, the design often incorporates temperature controls to manage the thermal effects on both the vehicle and the dynamometer, ensuring that external factors do not compromise the precision of the measurements. Through these rigorous methods and thoughtful design, researchers can reliably assess the performance and efficiency of light electric vehicles, contributing to the development of more efficient and reliable EV technologies.

2.1. Methods

The vehicle to be tested using this chassis dynamometer is a Light Electric Vehicle (LEV), a lightweight electric vehicle designed for efficient use in short distances or urban environments. This vehicle is equipped with a 3 kW Brushless DC (BLDC) motor, which is an efficient and reliable type of electric motor commonly used in electric vehicle applications due to its advantages in energy efficiency and minimal maintenance. The BLDC motor is known for its ability to provide high torque at low speeds, which is crucial for electric vehicles that require quick acceleration and smooth control, especially in urban conditions that involve frequent stops and starts [24].
The calibration process is used for both the magnetic proximity sensors and the Prony Brake mechanism, as well as the steps taken to account for environmental conditions during testing.
  • Calibration of RPM Sensors
The magnetic proximity sensors used to measure RPM were calibrated using a high-precision tachometer as a reference. This tachometer was mounted on the rotating shaft of the test vehicle, and multiple trials were conducted across a range of speeds (from 100 RPM to 800 RPM) to ensure the sensor readings were consistent with the tachometer’s output. The calibration process involved the following:
  • Recording RPM values at incremental speed levels and comparing the proximity sensor’s output to the tachometer’s readings;
  • Calculating the percentage error at each speed increment and adjusting the sensor’s output via software calibration to align with the reference values;
  • This process was repeated across five trials to ensure repeatability and accuracy in the measurements.
b.
Calibration of the Torque Measurement (Prony Brake System)
The Prony Brake system was calibrated using a torque gauge with known accuracy as the reference instrument. The torque gauge was attached to the same shaft as the Prony Brake and readings were compared under controlled load conditions. The calibration steps included the following:
  • Applying known loads to the Prony Brake and measuring the resultant torque using the gauge;
  • Adjusting the sensor readings based on the deviation observed between the Prony Brake output and the torque gauge reference values;
  • Multiple tests were performed across different torque levels to ensure accuracy, particularly in the low-torque range where measurement precision is more challenging.
c.
Environmental Conditions
During the testing process, temperature and humidity were monitored and controlled to minimize their potential influence on sensor accuracy. The following measures were implemented:
  • The tests were conducted in a temperature-controlled environment with an average temperature of 25 °C to ensure that thermal expansion or contraction did not affect the sensor performance or introduce noise in the measurements. This was particularly important for the strain gauges in the load sensors, which are sensitive to temperature variations;
  • Humidity levels were kept within a range of 40–50%, as higher humidity can affect electrical resistance in sensors and potentially degrade the accuracy of electronic components, including the proximity sensors and the Prony Brake load sensor;
  • Any temperature fluctuations during the testing were recorded, and the results were analyzed to determine if environmental changes had any significant effect on the measurement accuracy.
By ensuring proper calibration of the sensors and controlling environmental factors, we minimized potential sources of error in both RPM and torque measurements, providing more reliable and repeatable data for the performance evaluation of light electric vehicles.
To validate the accuracy and precision of a chassis dynamometer’s RPM measurements, an experimental method can be established by comparing the results obtained from a magnetic proximity sensor and a tachometer with the specification as shown in Table 1. The magnetic proximity sensor, which is commonly used on the dynamometer, detects the rotational speed of the vehicle’s wheels by counting the pulses generated as a metal object passes through the sensor’s magnetic field. This sensor is connected to the dynamometer’s control system, which calculates the RPM. To validate this measurement, a high-precision tachometer is mounted on the same rotating shaft or wheel of the test vehicle. The tachometer provides a direct reading of the RPM, which is then compared to the output from the magnetic proximity sensor. Multiple trials are conducted across various speeds to ensure that the dynamometer’s readings are consistent and accurate. The comparison involves calculating the percentage error between the two sets of RPM values, and statistical analysis, such as standard deviation, is used to assess the precision of the measurements.
For torque measurement validation, the experiment involves comparing the torque values obtained from the chassis dynamometer with those measured using a Prony Brake system and a torque gauge with the specification as shown in Table 2. The Prony Brake system is a method of measuring torque by applying a known resistance to the rotating shaft and measuring the force exerted on a lever arm connected to the shaft. The torque is calculated by multiplying the force by the length of the lever arm. Simultaneously, a high-precision torque gauge is attached to the same shaft to directly measure the torque. The readings from the torque gauge are then compared with the dynamometer’s torque output. This comparison is conducted under different load conditions to ensure a comprehensive validation. The experiment assesses both accuracies, by calculating the deviation between the dynamometer and reference measurements, and precision, by repeating the tests and analyzing the consistency of the results. This rigorous approach ensures that the dynamometer provides reliable data for vehicle testing and development.

2.2. Design

The design of the RPM measurement system in a chassis dynamometer using a magnetic proximity sensor is centered on accurately detecting the rotational speed of the vehicle’s wheels or drivetrain components as shown as Figure 4. The magnetic proximity sensor is strategically placed near a rotating element. As the metal object passes through the sensor’s magnetic field during rotation, it disrupts the field, generating a pulse. The sensor counts these pulses over a specific time interval, and this count is used to determine the number of revolutions per minute (RPM) of the rotating part. The proximity sensor’s high sensitivity ensures the precise detection of each pulse, even at high speeds, providing accurate RPM readings essential for vehicle performance analysis [25].
From the RPM measurement, the vehicle’s speed and angular speed can be determined. To calculate the linear speed of the vehicle, the RPM value is combined with the circumference of the vehicle’s wheels, which is derived from the wheel diameter. The formula for speed (v) is given by Equation (3). The value of v obtained from Equation (3) is then converted according to the vehicle’s wheel diameter to obtain the v value of the measured vehicle.
v = 2 π D 2 R P M 60
The angular speed of the rotating element, which is the rate of change in the angular displacement, is calculated using Equation (4). This angular speed is crucial for analyzing the rotational dynamics of the vehicle’s components, especially in electric vehicles, where precise control of motor speed directly impacts performance and efficiency. By leveraging the magnetic proximity sensor for accurate RPM measurement, the dynamometer can reliably compute both the linear speed and angular speed, facilitating comprehensive testing of electric vehicles.
ω = R P M 2 π 60
The design of torque measurement in a chassis dynamometer for LEV using a Prony Brake mechanism with a load sensor involves a combination of mechanical and electronic components to accurately assess the torque output of a vehicle as shown as Figure 5. The Prony Brake works by applying a controllable resistance to the rotating drum connected to the vehicle’s wheels. This resistance generates a measurable torque, which is then captured by the load sensor. The load sensor, typically a strain gauge, detects the force exerted by the brake and converts it into an electrical signal proportional to the torque. By carefully calibrating the load sensor and ensuring the Prony Brake applies a consistent and uniform resistance, this setup provides an accurate measurement of the torque produced by the vehicle’s engine under various operating conditions. This method is particularly useful for testing and tuning, as it allows engineers to precisely monitor and adjust the engine’s performance based on the torque output.

2.3. Error Analysis

a.
Confidence Interval
The confidence interval is used to provide a range of values that are likely to contain the population parameter, based on the sample data. In your case, it can be applied to the RPM or torque measurements to determine how confident we are about the average values.
C I = x ¯ ± Z s n
The CI provides a range within which the true population mean is expected to fall, with a certain confidence level (e.g., 95%).
b.
Standard Error of the Mean (SEM)
The standard error indicates how far the sample mean is likely to be from the true population mean. The smaller the standard error, the more accurate the estimate of the mean.
S E = 8 n
c.
Statistical Significance Testing
To verify whether the differences observed between the instrument measurements (e.g., torque sensor and tachometer) and the reference instrument are statistically significant, a t-test can be used. The t-test evaluates whether the means of two datasets differ significantly.
t = x ¯ 1 x ¯ 2 s 1 2 n 1 + s 2 2 n 2
If the t value is greater than the critical value at a given significance level (e.g., 0.05), we can conclude that the difference is statistically significant.
d.
Relative Error
To assess how much the measurement deviates from the true value, relative error can be used. This helps determine how large the error is compared to the actual value being measured.
R e l a t i v e   E r r o r = x m e a s u r e x t r u e x t r u e × 100 %
For validation in scientific research, especially in the context of validating measurement instruments like the chassis dynamometer in your study, the following applies:
  • Comparison with a Reference Instrument
One of the most fundamental methods of validation is comparing the measurements from the experimental device (e.g., the chassis dynamometer) to a known calibrated reference instrument. In your case, this could involve comparing RPM readings with a tachometer or torque values with a high-precision torque gauge.
Steps:
  • Select a Reference Standard: Choose an instrument that is well-calibrated and widely recognized for accuracy (e.g., a certified tachometer or torque gauge);
  • Run Comparative Tests: Conduct tests under the same conditions using both the chassis dynamometer and the reference instrument;
  • Analyze Differences: Calculate the differences (errors) between the dynamometer readings and the reference values, and evaluate the consistency and magnitude of these differences.
b.
Repeatability Testing
Repeatability refers to the ability of an instrument to produce consistent results when the same measurements are repeated under identical conditions. This is critical for ensuring that the dynamometer produces reliable data.
Steps:
  • Conduct Multiple Trials: Perform the same measurement multiple times, under the same conditions, using the same setup;
  • Calculate Standard Deviation: Use the standard deviation of the repeated measurements to quantify the variability;
    s = x i x ¯ 2 n 1
  • Assess Repeatability: Lower standard deviation indicates better repeatability.
c.
Reproducibility Testing
Reproducibility refers to the ability of the instrument to produce consistent results when measurements are taken under different conditions, such as by different operators or in different environments. This is important for generalizing the performance of the instrument beyond the original test setting.
Steps:
  • Vary Conditions: Have different operators run the test or run the tests in different settings (e.g., different times of day or slight variations in setup);
  • Compare Results: Analyze the consistency of the results across different conditions by calculating the variance or standard deviation.

2.4. Computer Program

Figure 6 is a flowchart of the electrical components showing that both sensors will send test data, which will be connected to the LabVIEW application using a computer. The collected test data will be processed and produce an output in the form of a graph displaying test parameters such as RPM, speed, torque, and vehicle Brake Horse Power.
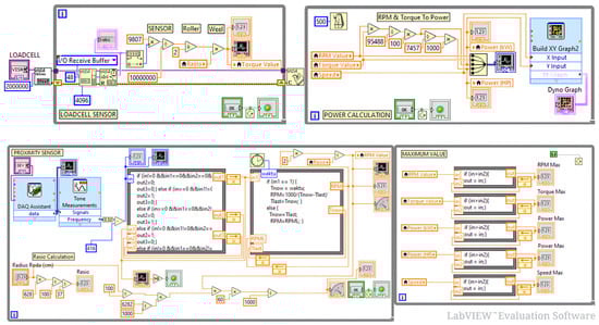
Figure 7 is a block diagram of the universal portable chassis dynamometer program that details the data reading process. The reading process consists of four stages: the proximity sensor process, which includes a program for calculating the RPM value based on the proximity sensor’s detection of gear rotation; the load cell sensor process, which involves calculating the torque value from the load cell sensor’s readings when a load is applied to the differential mechanism; the power calculation process, which calculates the power value based on the RPM and torque values; and finally, the maximum value process, which includes a program that detects the maximum value during testing. The data processing in the diagram starts with a proximity sensor and a load sensor capturing RPM and mass values, respectively. The RPM data are processed by the NI DAQ USB-6008, while the mass data are handled by an Arduino. Both processed signals are then transmitted to a PC running LabVIEW, where they are integrated and analyzed. The final output is displayed as a chart, visualizing the relationship between RPM and mass values, marking the end of the process.

3. Results and Discussion

The chassis dynamometer testing for light electric vehicles is conducted to determine the accuracy, precision, and performance of the equipment. The accuracy test is performed by collecting data from several test trials to evaluate the accuracy and error of the device.
The RPM testing is carried out by comparing the results obtained from the RPM sensor used in the dynamometer with those from a tachometer. The trial was conducted five times for each variation in rotation speed, starting from 100 rpm to 800 rpm with increments of 100 rpm. The results and comparison between the tachometer result and trial results of the RPM sensor can be seen in Figure 8.
The RPM sensor readings, with an average standard deviation of 2.61, indicate that overall, there is little variation in the sensor’s measurements. The standard deviation reflects how much the data deviate from its mean; it is calculated using Equation (10).
S t a n d a r d   D e v i a t i o n = d 1 2 + d 2 2 + d 3 2 + d 4 2 + d 5 2 4
A value of 2.61 suggests that the measurements have relatively small deviations, meaning the sensor provides consistent readings in most cases. An interesting finding from this analysis is the trend of increasing standard deviation as the measured RPM values rise, as shown in Figure 9. This indicates that at lower rotational speeds (e.g., 100 RPM or 200 RPM), the sensor delivers more stable and precise results. However, as the rotational speed increases (up to 800 RPM), the variation in sensor readings also increases. Several factors could contribute to this, such as the sensor’s sensitivity to machine vibrations or greater signal fluctuations at higher speeds. At high RPM, signal fluctuations received by the sensor might lead to more variable readings. The average error of 0.55, calculated using Equation (6), when compared to tachometer measurements, suggests that the sensor has fairly good accuracy. This small error indicates that the difference between the sensor’s readings and the tachometer’s measurements is not significant.
E r r o r = M e a s u r e d   V a l u e T r u e   V a l u e  
When compared to previous studies, which reported an average error of 0.1 [26], the sensor used in this study exhibits a slightly higher measurement error. This difference could be attributed to several factors, including variations in sensor placement, the resolution of the magnetic proximity sensor, and external disturbances such as mechanical vibrations or electromagnetic interference. The higher error value in this study may also be influenced by the test setup conditions, such as differences in mounting stability, environmental factors, or calibration methods. Another possible reason is the difference in signal processing techniques, where previous studies may have employed advanced filtering algorithms or higher-precision sensors to achieve lower error margins. Despite this discrepancy, an error of 0.55 is still within an acceptable range for practical applications, particularly in chassis dynamometer testing, where minor variations are expected due to dynamic conditions. Further improvements, such as optimizing sensor alignment, implementing real-time noise filtering, and enhancing calibration accuracy, could help reduce the error and bring the performance closer to the benchmark established in previous research.
Torque measurement tests were conducted by comparing the Prony Brake system’s torque sensor readings with those obtained from a reference torque meter. The test was carried out at nine different torque levels, ranging from 1 Nm to 9 Nm, with the results shown in Figure 10.
Based on the torque sensor readings using the Prony Brake system, the average standard deviation was recorded at 0.06, indicating minimal variation in the overall torque measurements. Interestingly, there is a downward trend in the standard deviation as the measured torque increases, as shown in Figure 11. At low torque, such as 1 Nm, the standard deviation reached 0.16, which shows significant fluctuations in the sensor readings. However, as the torque increased to 9 Nm, the standard deviation significantly decreased to 0.02, indicating improved sensor stability at higher torque levels. This may be due to the sensor’s ability to manage fluctuations at higher loads or a more stable signal as the torque increases. Additionally, the analysis revealed an average error of 0.03 when compared to measurements using a torque meter. At 1 Nm torque, the error reached 0.08, which is relatively high. However, as the torque increased, the error decreased significantly. At 9 Nm, the error was recorded at just 0.01, demonstrating improved sensor accuracy at higher torque levels. This reduction in error could be attributed to factors such as increased sensor sensitivity at higher loads or reduced influence from external factors affecting the sensor readings at lower torque levels.
When compared to previous studies, which reported an average error of 0.02 [27], the torque measurement system in this study exhibits a slightly higher error of 0.03. This difference, although small, may be influenced by several factors, including variations in the test setup, differences in sensor calibration methods, or the characteristics of the braking mechanism used in the Prony Brake system. The slightly higher error in this study, particularly at lower torque levels, could also be attributed to higher sensitivity to external disturbances such as friction variations or minor misalignments in the braking system. However, at higher torque levels, where the error decreases to 0.01, the performance of the system becomes more comparable to the benchmark error of 0.02 reported in previous research. This suggests that the Prony Brake system used in this study provides reliable measurements at moderate to high torque values. Further refinements, such as improving the calibration process, enhancing the stability of the braking mechanism, and applying noise filtering techniques, could potentially reduce the measurement error and further improve the overall accuracy of the torque sensor.
Overall, the torque sensor using the Prony Brake system showed good performance, with both standard deviation and error decreasing significantly at higher torque levels, making it reliable for measuring high torque, although its accuracy at lower torque levels still needs improvement.
Based on the data shown in Figure 12, the graph indicates that at low RPM, torque increases rapidly, peaking between 80 and 120 RPM, with a maximum value approaching 9 Nm for several curves. After reaching its peak, torque sharply decreases to around 250 RPM, then stabilizes at a lower range of approximately 3–4 Nm. At higher RPMs, above 500 RPM, torque tends to remain stable and flat, indicating that torque remains at a lower value at high RPMs, which generally aligns with the characteristics of electric vehicles. After reaching its peak, torque experiences a sharp decline to the range of 250–300 RPM. This indicates that the efficiency of the motor tends to decrease as RPM increases, signaling a transition from the initial acceleration phase to the medium or high-speed phase. This significant drop in torque may reflect the presence of limitations or controls within the electric vehicle (LEV) system, designed to maintain a balance between operational efficiency and the durability of the motor components. At RPMs above 400–500 RPM, torque stabilizes around 3–4 Nm, indicating that the electric vehicle (LEV) motor produces lower but consistent torque when reaching higher speeds. This stability in torque is crucial for maintaining driving performance at a constant speed, ensuring that the driver experiences reliable responsiveness while driving. Additionally, this constant torque condition contributes to energy efficiency during operation at high RPMs, allowing the motor to function optimally without compromising the durability or overall performance of the vehicle.
Based on the data shown in Figure 13, it can be seen that BHP gradually increases with rising RPM, peaking at around 4.5 HP at approximately 800 RPM. Although there are some fluctuations at the beginning of the graph, overall, BHP shows a stable upward trend, particularly after around 300 RPM.
At low RPM ranges (0–100 RPM), BHP (Brake Horsepower) increases significantly from 0 HP to around 1.5 HP, indicating that even at low speeds, light electric vehicles (LEVs) begin to generate sufficient power for initial acceleration. However, there are minor fluctuations between 100 and 300 RPM, which may be attributed to changes in motor efficiency or dynamic control during acceleration. Around 300–500 RPM, the graph shows a slight decrease or stability in BHP, particularly in the blue and green curves, which relates to the decrease in torque observed earlier. Following this decline, BHP begins to rise again, indicating that the LEV’s electric motor operates more efficiently at higher RPMs, where power becomes more critical than torque. Above 500 RPM, the BHP graph shows a more significant and consistent increase across all curves, suggesting that the LEV is optimized to produce higher power at elevated RPMs, which is essential for achieving constant and stable speeds on the road.
The combination of torque vs. RPM and BHP vs. RPM provides a comprehensive overview of the light electric vehicle (LEV) performance. High torque at low RPMs offers strong initial acceleration, allowing for quick starts and responsiveness. In contrast, the continuous increase in BHP at high RPMs demonstrates the vehicle’s ability to maintain speed and power during fast-paced driving. These changing characteristics reflect the dynamics of electric motors, where torque decreases as RPM increases, yet power (BHP) rises due to the higher rotational speeds of the engine. This interplay between torque and power is crucial for optimizing the LEV’s performance across various driving conditions.
Operator variability may have contributed to inconsistencies in the test results, affecting measurement accuracy (Figure 14). In this context, the standard deviation obtained from the torque versus RPM tests is 0.34, indicating a relatively low level of variation. This suggests that, despite the potential impact of human factors on the results, the test data remain fairly consistent. This standard deviation provides insight into the reliability of the measurements, demonstrating that the performance data for the electric motor is still robust even with operator variability.

4. Conclusions

In conclusion, the findings from the testing provide valuable insights into the performance and reliability of the measurement sensors used in evaluating the electric motor’s capabilities. The RPM sensor recorded an average error of 0.55, with a standard deviation of 2.61. This indicates a moderate level of variability in the RPM measurements, suggesting that while the sensor is functional, there may be factors influencing its consistency that warrant further investigation. On the other hand, the torque sensor exhibited a much lower average error of 0.03, along with a standard deviation of 0.06. This remarkable precision underscores the torque sensor’s reliability, indicating that it consistently delivers accurate measurements. Furthermore, during the performance measurements of torque versus RPM, a standard deviation of 0.34 was observed, reflecting a reasonable level of reliability in the data collected. Collectively, these metrics not only highlight the effectiveness of the sensors in capturing performance data but also point to the need for continual monitoring and calibration to enhance accuracy.
Overall, the results affirm the sensors’ capability to provide reliable insights into the electric motor’s performance, while also suggesting areas for improvement to further refine measurement precision. As a follow-up to this research, future studies will focus on evaluating the performance of the measurement system under real-world driving conditions. This includes testing on various road surfaces, incorporating dynamic load variations, and assessing the impact of environmental factors such as temperature changes, humidity, and electromagnetic interference. The aim is to validate the laboratory findings in practical scenarios and identify any potential discrepancies that may arise due to uncontrolled external conditions. Additionally, real-time data collection and analysis techniques will be implemented to monitor sensor performance during operation, ensuring that any anomalies can be detected and corrected promptly. These steps will not only strengthen the reliability of the measurement system but also pave the way for further advancements in electric vehicle performance testing and optimization.

Author Contributions

Conceptualization, R.N.; methodology, M.A.; software, R.N.; validation, M.H.T. and G.H.; formal analysis, R.N.; investigation, G.H.; resources, G.H.; data curation, M.H.T.; writing—original draft preparation, M.T.; writing—review and editing, G.H. and M.A.; visualization, M.H.T.; supervision, D.A.S.; project administration, F.Z.; funding acquisition, D.A.S. All authors have read and agreed to the published version of the manuscript.

Funding

The authors acknowledge the financial support from the PUTI (Publikasi Terindeks Internasional) No. 251 Universitas Indonesia—PENG-001/UN2.RST/PPM.00.00/2023, Contract number: NKB-274/UN2.RST/HKP.05.00/2023.

Institutional Review Board Statement

Not applicable.

Informed Consent Statement

Not applicable.

Data Availability Statement

The original contributions presented in this study are included in the article. Further inquiries can be directed to the corresponding authors.

Conflicts of Interest

The authors declare no conflicts of interest.

Nomenclatures

PPower (Watt)
mMass (kg)
gGravity (m/s2)
LLength of torque arm (m)
vVelocity (m/s)
DDiameter of shaft (m)
RPMAmount of rotation per minute (rpm)
Greek Symbols
τTorque (Nm)
ωAngular velocity (rad/s)

References

  1. Alanazi, F. Electric vehicles: Benefits, challenges, and potential solutions for widespread adaptation. Appl. Sci. 2023, 13, 6016. [Google Scholar] [CrossRef]
  2. Gao, Z.; Xie, H.; Yang, X.; Zhang, L.; Yu, H.; Wang, W.; Liu, Y.; Xu, Y.; Ma, B.; Liu, X. Electric vehicle lifecycle carbon emission reduction: A review. Carbon Neutralization 2023, 2, 528–550. [Google Scholar] [CrossRef]
  3. Zimm, C. Improving the understanding of electric vehicle technology and policy diffusion across countries. Transp. Policy 2021, 105, 54–66. [Google Scholar] [CrossRef]
  4. Aderibigbe, O.-O.; Gumbo, T. The role of electric vehicles in greening the environment: Prospects and challenges. In Proceedings of the REAL CORP 2023, 28th International Conference on Urban Development, Regional Planning and Information Society, Ljubljana, Slovenia, 18–20 September 2023; pp. 18–20. [Google Scholar]
  5. Fishman, E.; Cherry, C. E-bikes in the Mainstream: Reviewing a Decade of Research. Transp. Rev. 2016, 36, 72–91. [Google Scholar] [CrossRef]
  6. Sumarsono, D.A.; Heryana, G.; Adhitya, M.; Nazaruddin; Siregar, R. Performance Analysis of a Main Drive Motor—Initial Study of an EV Modeling Software Design. World Electr. Veh. J. 2021, 12, 246. [Google Scholar] [CrossRef]
  7. Ehrenberger, S.; Dasgupta, I.; Brost, M.; Gebhardt, L.; Seiffert, R. Potentials of Light Electric Vehicles for Climate Protection by Substituting Passenger Car Trips. World Electr. Veh. J. 2022, 13, 183. [Google Scholar] [CrossRef]
  8. Tullah, M.H.; Sumarsono, D.A.; Noval, R.; Zainuri, F.; Prasetya, S.; Aprianto, B.D. Design and evaluation of hollow frame structures for the development of urban-centric two-passenger electric vehicles. In AIP Conference Proceedings; AIP Publishing: Melville, NY, USA, 2024. [Google Scholar]
  9. Mesimäki, J.; Lehtonen, E. Light electric vehicles: The views of users and non-users. Eur. Transp. Res. Rev. 2023, 15, 33. [Google Scholar] [CrossRef]
  10. Zhang, X.; Zhou, Z. Research on development of vehicle chassis dynamometer. J. Phys. Conf. Ser. 2020, 1626, 012150. [Google Scholar] [CrossRef]
  11. Sumarsono, D.A.; Zainuri, F.; Tullah, M.H.; Noval, R.; Prasetya, S.; Subarkah, R.; Rahmiati, T.; Ridwan, M. Dynotest Design Analysis for Electrical Converted Vehicles. Recent Eng. Sci. Technol. 2023, 1, 7–12. [Google Scholar] [CrossRef]
  12. Reick, B.; Kaufmann, A.; Engelmann, D. Test Procedure Proposal for EV Power Measurement on Dynamometers; SAE Technical Paper; SAE International: Warrendale, PA, USA, 2021. [Google Scholar]
  13. Raine, J. The Design of a Chassis Dynamometer for Programmable Vehicle Testing. In Transactions of the New Zealand Institution of Engineers Incorporated: Electrical/Mechanical/Chemical; Engineers New Zealand: Wellington, New Zealand, 1981; Volume 8, pp. 21–31. [Google Scholar]
  14. Lourenço, M.A.d.M.; Eckert, J.J.; Silva, F.L.; Santiciolli, F.M.; Silva, L.C. Vehicle and twin-roller chassis dynamometer model considering slip tire interactions. Mech. Based Des. Struct. Mach. 2023, 51, 6166–6183. [Google Scholar] [CrossRef]
  15. Racewicz, S.; Kazimierczuk, P. Light two-wheeled electric vehicle energy balance investigation using chassis dynamometer. Acta Mech. Autom. 2020, 14, 175–179. [Google Scholar] [CrossRef]
  16. Balevičius, S.; Piatrou, P.; Vertelis, V.; Stankevič, V.; Keršulis, S.; Dobilas, J.; Dilys, J.; Žurauskienė, N. Magnetic proximity sensor based on colossal magnetoresistance effect. Sens. Actuators A Phys. 2024, 375, 115518. [Google Scholar] [CrossRef]
  17. Aryanto, D.D.; Sukir, S. Comparison of DC Motor Speed Calculation Efficiency between Inductive Proximity Sensor and Rotary Encoder. Elinvo Electron. Inform. Vocat. Educ. 2023, 8, 19–25. [Google Scholar] [CrossRef]
  18. Maghfiroh, H.; Titus, A.J.; Sujono, A.; Adriyanto, F.; Saputro, J.S. Induction Motor Torque Measurement using Prony Brake System and Close-loop Speed Control. Int. J. Robot. Control Syst. 2022, 2, 594–605. [Google Scholar] [CrossRef]
  19. Tjandra, S.; Suhartono, A.; Suswanto, T.S. Simplification of the Prony Brake Dynamometer System Using Brake Caliper Load. Int. J. Sci. Technol. Manag. 2023, 4, 1351–1357. [Google Scholar] [CrossRef]
  20. Muller, I.; de Brito, R.M.; Pereira, C.E.; Brusamarello, V. Load cells in force sensing analysis--theory and a novel application. IEEE Instrum. Meas. Mag. 2010, 13, 15–19. [Google Scholar] [CrossRef]
  21. Heryana, G.; Sumarsono, D.A.; Adhitya, M.; Siregar, R.; Nazaruddin, N.; Zainuri, F.; Prasetya, S. Analysis of behavior in the use of plug-in hybrid electric vehicle and hybrid electric vehicle in the tropics. EUREKA Phys. Eng. 2021, 29, 97–105. [Google Scholar] [CrossRef]
  22. Noh, M.S.; Kim, D.E.; Ahn, J.H.; Kim, K.B. Reduction in chassis dynamometer test time for evaluating energy economy and range of light-duty battery electric vehicles. Int. J. Automot. Technol. 2024, 25, 1–12. [Google Scholar] [CrossRef]
  23. Techalimsakul, P.; Niyomphol, A. Installation Design and Efficiency Evaluation of an EV Transform Powertrain and a 3.3 kW Multi-Charging System Driven by a 30 kW Permanent-Magnet Synchronous Motor. Energies 2024, 17, 4584. [Google Scholar] [CrossRef]
  24. Dhote, V.; Lokhande, M.; Gupta, S. Test bench setup for emulating electric vehicle on-road conditions. Energy Rep. 2023, 9, 218–227. [Google Scholar]
  25. Megantoro, H.; Ridlwan, H.M.; Mulyana, F.; Zanuri, F.; Tullah, M.H.; Prasetya, S. Perancangan Perancangan Rangka Universal Chassis Dynamometer Portable Berbasis NI DAQ USB-6008 Menggunakan Sistem Differential: Perancangan Rangka Universal Chassis Dynamometer Portable Berbasis NI DAQ USB-6008 Menggunakan Sistem Differential; Prosiding Seminar Nasional Teknik Mesin: Depok, Indonesian, 2024; pp. 608–617. [Google Scholar]
  26. von Jouanne, A.; Adegbohun, J.; Collin, R.; Stephens, M.; Thayil, B.; Li, C.; Agamloh, E.; Yokochi, A. Electric vehicle (EV) chassis dynamometer testing. In Proceedings of the 2020 IEEE Energy Conversion Congress and Exposition (ECCE), Detroit, MI, USA, 11–15 October 2020; pp. 897–904. [Google Scholar]
  27. Park, D.; Yang, L.; Kim, N. Validation for ioniq ev via chassis dynamometer test. In Proceedings of the 2019 IEEE Vehicle Power and Propulsion Conference (VPPC), Hanoi, Vietnam, 14–17 October 2019; pp. 1–3. [Google Scholar]
Figure 1. Chassis dynamometer for light electric vehicle.
Figure 1. Chassis dynamometer for light electric vehicle.
Wevj 16 00170 g001
Figure 2. The magnetic proximity sensor principle.
Figure 2. The magnetic proximity sensor principle.
Wevj 16 00170 g002
Figure 3. The Prony Brake principle.
Figure 3. The Prony Brake principle.
Wevj 16 00170 g003
Figure 4. RPM sensor mechanism.
Figure 4. RPM sensor mechanism.
Wevj 16 00170 g004
Figure 5. Load sensor mechanism.
Figure 5. Load sensor mechanism.
Wevj 16 00170 g005
Figure 6. Electrical component flowchart.
Figure 6. Electrical component flowchart.
Wevj 16 00170 g006
Figure 7. Program block diagram.
Figure 7. Program block diagram.
Wevj 16 00170 g007
Figure 8. RPM sensor trial results.
Figure 8. RPM sensor trial results.
Wevj 16 00170 g008
Figure 9. RPM sensor standard deviation and error.
Figure 9. RPM sensor standard deviation and error.
Wevj 16 00170 g009
Figure 10. Torque sensor trial results.
Figure 10. Torque sensor trial results.
Wevj 16 00170 g010
Figure 11. Torque sensor standard deviation and error.
Figure 11. Torque sensor standard deviation and error.
Wevj 16 00170 g011
Figure 12. Torque vs. Motor Rotation data.
Figure 12. Torque vs. Motor Rotation data.
Wevj 16 00170 g012
Figure 13. BHP vs. Motor Rotation data.
Figure 13. BHP vs. Motor Rotation data.
Wevj 16 00170 g013
Figure 14. Process of data acquisition.
Figure 14. Process of data acquisition.
Wevj 16 00170 g014
Table 1. Digital tachometer specifications.
Table 1. Digital tachometer specifications.
Value
Accuracy (%)±0.05
Max. detecting distance (cm)5–200
Photo measurement (rpm)10–99,999
Contact measurement (rpm)0.5–19,999
Table 2. Digital torque gauge specifications.
Table 2. Digital torque gauge specifications.
Value
Accuracy (%)±0.05
Max. detecting torque (Nm)11.5
Sampling rate (Hz)2000
Safe overload (%)150
Disclaimer/Publisher’s Note: The statements, opinions and data contained in all publications are solely those of the individual author(s) and contributor(s) and not of MDPI and/or the editor(s). MDPI and/or the editor(s) disclaim responsibility for any injury to people or property resulting from any ideas, methods, instructions or products referred to in the content.

Share and Cite

MDPI and ACS Style

Noval, R.; Sumarsono, D.A.; Adhitya, M.; Heryana, G.; Zainuri, F.; Tullah, M.H.; Todaro, M. Performance Evaluation and Accuracy Analysis of a Chassis Dynamometer for Light Electric Vehicles. World Electr. Veh. J. 2025, 16, 170. https://doi.org/10.3390/wevj16030170

AMA Style

Noval R, Sumarsono DA, Adhitya M, Heryana G, Zainuri F, Tullah MH, Todaro M. Performance Evaluation and Accuracy Analysis of a Chassis Dynamometer for Light Electric Vehicles. World Electric Vehicle Journal. 2025; 16(3):170. https://doi.org/10.3390/wevj16030170

Chicago/Turabian Style

Noval, Rahmat, Danardono Agus Sumarsono, Mohammad Adhitya, Ghany Heryana, Fuad Zainuri, Muhammad Hidayat Tullah, and Muhammad Todaro. 2025. "Performance Evaluation and Accuracy Analysis of a Chassis Dynamometer for Light Electric Vehicles" World Electric Vehicle Journal 16, no. 3: 170. https://doi.org/10.3390/wevj16030170

APA Style

Noval, R., Sumarsono, D. A., Adhitya, M., Heryana, G., Zainuri, F., Tullah, M. H., & Todaro, M. (2025). Performance Evaluation and Accuracy Analysis of a Chassis Dynamometer for Light Electric Vehicles. World Electric Vehicle Journal, 16(3), 170. https://doi.org/10.3390/wevj16030170

Article Metrics

Back to TopTop