Abstract
The present work is devoted to the analysis of the most important reliability indicators of components of electrical devices of mining dump trucks, and analytical methods of their evaluation are proposed. A mathematical model for calculating the reliability of electrical devices integrated into the electrical systems of quarry dump trucks is presented. The model takes into account various loads arising in the process of operation and their influence on reliability reduction. Optimisation of maintenance and repair schedules of electrical equipment has revealed problems for research. One of them is the classification of electrical equipment by similar residual life, which allows the formation of effective repair and maintenance cycles. The analysis of statistical data on damages revealed the regularities of their occurrence, which is an important factor in assessing the reliability of electrical equipment in mining production. For quantitative assessment of reliability, it is proposed to use the parameter of the average expected operating time per failure. This parameter characterises the relative reliability of electrical equipment and is a determining factor of its reliability. The developed mathematical model of equipment failures with differentiation of maintained equipment by repeated service life allows flexible schedules of maintenance and repair to be created. The realisation of such cycles makes it possible to move from planned repairs to the system of repair according to the actual resource of the equipment.
1. Introduction
Hitachi and other high-power electric dump trucks (EPDs) are currently used in the mining industry [1,2,3]. These systems, as a rule, have control apparatuses. Control apparatuses have rather high constructive complexity. In this connection, the operation of such technical systems is often accompanied by a significant number of failures of their constituent equipment. High quality, high efficiency, survivability, safety, stability, and good controllability of the system in general can be achieved with stable operation of its constituent elements. Each of these properties of equipment is ensured by high reliability [4,5,6].
In complex technical systems, such as electric dump trucks for coal mining and other installations with the number of subsystems of nodes and parts reaching several hundreds and thousands, it is very difficult to describe them in the form of block-functional decomposition [7,8] and to take into account the mutual influence of the components of the technical system [9,10]. Therefore, the proposed approach is to determine, first of all, the reliability of the weakest, frequently failing nodes, which account for the main flow of failures and increase the reliability of the entire system from them [11,12].
The aim of the research is modelling and determining the reliability of electrical apparatuses (EAs) of electric dump truck equipment, taking into account the parts that fail the most to justify the economic choice of costs for maintenance and improvement of operational reliability. The novelty of this work is not only the modelling of the current reliability of equipment, consisting of factory reliability and operational reliability, but also the forecasting of reliability for the future. Also this study takes into account in the model economically feasible levels of the technical reliability of equipment [13,14].
The objects for which the most important properties of all the above are the first three—failure-free, maintainability, and durability—are those that operate non-stop [15]. Mining equipment objects need to operate all year round. [16,17]. The limitation in time or economic indicators does not always allow in practice for correct and reliable evaluation of any object with the use of experimental data. When processing statistical data, reliability (its quantitative accuracy) is determined by the width of the confidence interval that covers the indicator. Quantitative indicators of reliability are the reliability of statistical estimation of an object and its accuracy of the same estimation of the object [18,19]. These indices are not determined in a direct way but in an indirect way. They are determined through the reliability of objects that should and can be tested. Reliability and accuracy are necessary quantities for the objects under investigation. These values show the difference between the principal probability of reliability quantification and the practical impracticability of obtaining it [20,21].
As studies have shown, the causes of various faults in apparatuses can be [22,23,24,25]:
- Unsatisfactory care and maintenance of the apparatus;
- Violation of the required modes of operation of the equipment [26];
- Unfavourable operating conditions of the apparatus (high air humidity, elevated temperature, high content of substances in the air that have a harmful effect on live or insulating parts, if the apparatus is not designed to operate in such conditions) [27].
The occurrence of practical difficulties in quantification is due to cases where the object has very high reliability [28,29].
The authors suggested that two approaches should be used to obtain reliable indicators of facility reliability:
Approach No. 1 consists of high-cost testing. This method is characterised by special tests that determine the reliability of the object. The result of these tests is to obtain reliable indicators of the reliability of the object. It is the scientific and production enterprise manufacturer that carries out these activities [30]. Determination of the cause of product failures occurs when analysing the collected information during these tests. To determine quantitative reliability criteria, reliability prediction, and standardisation, it is necessary to have statistical data (especially concerning the causes of failure of parts and products). Such data are obtained by bench testing [31,32].
Approach No. 2 is based on the performance of the facilities. These results are obtained during the production operation of these facilities.
In both methods, both advantages and disadvantages can be found. When conducting reliability tests, one can encounter many difficulties that arise during the simulation of external conditions. The objects being tested are forced to operate in a real environment [33]. Other problems that can be found are the significant cost and duration of these tests. Moreover, in many cases, they simply cannot be carried out for a number of reasons. Most often, a correlation can be traced between the conducting of such tests and the experimenters themselves [34].
Each method has its advantages and disadvantages. Thus, the second method does not require additional costs, as the data are obtained as a result of operating equipment for its intended purpose. This method does not use simulation of external conditions [35]. The disadvantage of this method is the need for significant time required for the operation of the object and the development of statistical data. Also, the process of equipment operation does not depend on the observer. The method is applicable only for the evaluation of the finished object [36].
On this basis, both methods should be used for a comprehensive reliability assessment. This allows us to objectively determine reliability indicators for the object under study [37,38].
2. Methods
The reliability of the electrical apparatus of electric dump trucks depends on many factors. Plan of work: Section 2 considers the mathematical apparatus that allows you to determine the reliability and probability of failure-free operation to make a mathematical model of mining machinery equipment, taking into account the parts that fail the most to justify the economic choice of costs to maintain and improve operational reliability. With the help of this mathematical model, it is possible not only to model the reliability of equipment, consisting of factory reliability and operational reliability, but also to forecast reliability for the future in time. In Section 3, the mathematical modelling of reliability parameters with element-by-element estimation and identification of the units that fail the most in the reliability hierarchy is carried out. Section 4 optimises the reliability level of the equipment of the electrical complex maintenance system. Section 5 summarises the results of the work and highlights its main scientific achievements.
Mathematical analysis of reliability in many respects allows the physical nature of failures to be revealed and allows appropriate directions of work to be chosen, providing the growth of reliability of the complex and individual apparatuses, or components. The classification of factors that affect the object, according to the area of their action, includes constructive, operational (objective, subjective), and production [39]. In our work, through the hierarchy of reliability levels of elements with minimum reliability, we build a model of an economically feasible approach to the formation of a maintenance and repair system for complex electrical complexes.
2.1. Calculation of Reliability at Basic Connection of Elements in Electrical Apparatuses of Electric Dump Trucks
Consider a system consisting of N elements. Let us denote Ai as the event that the i-th element is operable and AS as the event that the whole system is operable.
Assume that the failures of the system elements are statistically independent, i.e., the failure of one element does not affect the performance of the others. Also assume that the system is such that, for its operability, it is necessary for all its elements to be operable. In other words, failure of any element leads to failure of the system. Such systems are called systems with a basic (sequential) connection of elements or simply sequential systems.
In this case, we can write:
The probabilities of events Ai and AS coincide with the definition of the probability of failure-free operation (PBO) of the i-th element and system, respectively, so let us denote the probability of event Ai by Pi, and the probability of event AS by PS, i.e.,
Since the events Ai are statistically independent, we can write:
Using Relations (2), we obtain:
Thus, the BBR of a system with the main (series) connection of elements is equal to the product of the BBR of its constituent elements.
Expression (4) implies that the VBR is determined for some fixed moment in time. If, instead, it is necessary to find the time dependence of the CBR, one can write:
Thus, since , the CBR of a consistent system is less than the CBR of any of its constituent elements. Based on Formula (5), the CBR of a consistent system is less than the CBR of the least reliable element within it.
Let us now return to Expression (5) and consider a system consisting of N sequentially connected elements with certain failure rate functions .
Using Expression (5), we express the WBR of the elements through the intensity functions:
Substituting this expression into Expression (5), we obtain:
Let us introduce the following notation:
Then,
Thus, the failure rate of a sequential system is equal to the sum of the intensities of its elements. When deriving Formula (9), we did not imply that we know the specific reliability models of the elements. Consequently, this relation is also true in the general case.
The basic or series connection of the elements in the system is shown in Figure 1. In this connection, failure of the electrical apparatus occurs when any of the elements in the system fails.
Figure 1.
Basic connection of elements in EA.
Let us take into account that failures of elements are independent. Then, the probability of failure-free operation of an electrical apparatus of N elements will be determined by the following expression:
where is the probability of failure-free operation of the i element. In our case of series connections, the failure flow is considered to be stationary. Then, the expression will take the following form:
Other quantitative characteristics of the electrical apparatus reliability, taking into account these transformations, will be determined by the following formulas:
- Failure rate of the electrical apparatus:
- Average time to failure of an electrical apparatus:
- Density of distribution of failure-free operation time of an electrical apparatus
This method of calculation of reliability indices of electrical apparatuses is relatively simple. The simplicity of the calculation is accompanied by a number of disadvantages. The operation of the elements of an electrical apparatus depends on a number of external factors. These factors include pressure, load factor, air humidity, etc. Also, when elements are connected in series, it is difficult to make calculations at the first stages of system design [40,41].
The duration of operation of an electrical apparatus for time t is usually divided into three stages. These are the development of electrical apparatus components, normal operation, and ageing [42].
The probability of failure-free operation for the electrical apparatuses under study is calculated as follows:
where is a function describing the probability of failure-free operation, and the index indicates the number of the section. For the third section, the wear of the arc suppression device is taken into account, and the same goes for the main arc suppression contacts [43].
The role of approximate calculation is that at the first stages of object design it is possible to assess the reliability of various circuit variants and to fix changes in the structural scheme in a timely manner while achieving an increase in reliability. The following simplifying assumptions were made to assess the reliability of electrical equipment: The number of elements of each type is known and constant; all elements operate in normal mode, without deviations from the design parameters; and the probability of failure of individual elements is known and constant [44]. Elements of the same type have comparable reliability and are characterised by similar failure rates. In this case, the average value of the failure rate is taken as representative for all elements of a given type [45].
By the term “failure model” we mean the characterisation by mathematical methods of the failure process. The failure model depends on the load factor , which represents the ratio between the operating value of the load and the nominal value of this load. Load factor is a coefficient that takes into account the possible deviation of loads to an unfavourable (greater or lesser) side from the normative values under the conditions of normal operation of a technical system. In reliability calculations, the load factor is used to take into account the operating mode of the elements. At , the failure rate . The function will increase monotonically.
Cyclic operation of electrical equipment of mining machines leads to an increase in the intensity of failures [46,47]. This is due to two main factors: The first is increased load during switching on and off. Cyclic operation entails repeated switching on and off of the equipment, which creates increased load on its components. Cyclic operation also causes temperature fluctuations inside the equipment, which leads to instability of thermal processes and additional stress on components [48].
The combination of these factors leads to a gradual decrease in the reliability of electrical equipment and an increase in the probability of failures.
where is the failure rate in the case of continuous operation of the object under study;
- —the failure rate per switched-on cycle;
- I—average frequency of inclusions for the object under study.
The application of the coefficient method of reliability calculation is suitable in those cases when new types of EAs are designed, taking into account the fact that information on the failure rate of any elements is not available. According to the authors, the method of calculating the reliability of electrical apparatuses is applicable when the following conditions are fulfilled:
- Failures of electrical apparatus occur according to the simplest flow, i.e., the probability of failure per unit time is independent of the time of its operation.
- The failure rate of each element of the electrical apparatus varies to the same extent depending on the operating conditions.
Using the proposed method, let us define the stages of calculating the reliability of electrical apparatuses:
- Definition of electrical apparatus failure;
- Construction of the scheme of calculation of reliability of the electrical apparatus with an indication of the operating time of each of its units;
- Selection of the method of calculation of the reliability indices;
- Drawing up a table for calculating the reliability parameters;
- Determination of the reliability characteristics of the electrical apparatus;
- Formulation of conclusions and recommendations to improve the reliability of the electrical apparatus.
2.2. Reliability Calculation Considering Recovery and Different Depth of Control
The recoverable elements of complex EAs account for the most significant part of their total number. At the same time, the maintainability and organisation of EA restoration are the main conditions affecting the speed and quality of restoration. Restoration of an electrical apparatus allows the place of occurrence of the failure to be detected and the fact that failure did occur. Also, EA restoration gives good adaptability to the replacement of failed elements [49].
The time after the failure occurs can be divided into three parts. The first part of the time is related to the moment of occurrence of the failure and lasts until this fact is recognised by the monitoring system (tf). The second part of the time is the time from the moment the failure occurs until the location of the failure is detected (t0). That is, it is actually the time it takes to find the location of the failure after its occurrence. The third part is the time from the time of detection of the failure location to the time of replacement of the failed element (trep). That is, this part comes after the second part and is pumped by replacement of the failed element.
Electrical apparatus recovery includes the following stages: failure detection, in which the control system detects the fact of electrical apparatus failure and searches for the failure location [50]. This identifies the specific component or element of the electrical apparatus that caused the failure. This is followed by replacement of the failed element, in which the failed component or element is replaced by a serviceable one [51]. The electrical apparatus recovery process can be divided into three stages in terms of time:
- Failure detection time (tf): This is the time from when the failure occurs until it is detected by the monitoring system.
- Failure location search time (t0): The time from the moment the failure is detected until its location is determined.
- Failed component replacement time (trep): This is the time from the time the location of the failure is detected until the faulty component is replaced.
The probability density of the random variables t0 and trep is defined as follows:
where
At , we obtain the following equation:
This feature allows you to determine the time it will take to repair the damaged unit.
2.3. Reliability Assessment Using Parallel–Sequential Structures
For parallel–sequential structures, the authors propose carrying out the reliability calculation step by step:
- Calculation of the reliability of elementary units: Reliability indices of individual components forming the minimum functional blocks of the system are determined.
- Analyses of more complex units: The reliability of units consisting of several elementary nodes connected in series or parallel is assessed.
- Calculation of the reliability of the whole system: Reliability indices of the whole system are calculated on the basis of the reliability characteristics of its individual sections.
An example of a parallel–sequential connection of elements is shown in Figure 2. A node consists of two parts: an elementary node (1-2) and a complex node (1-2-3-4).
Figure 2.
Structure diagram of reliability determination for a mixed connection of electrical apparatus elements.
In an equivalent form, the structure in Figure 2 can be collapsed and these elements can be connected in series. For a parallel connection, a failure of the elements can only occur as a result of a failure of all the elements that make up the node (Figure 3).
Figure 3.
Diagram of a parallel connection of elements.
For further calculations, the following condition of operability is accepted: The system is considered operable if at least one of elements a, b, or c, or joint elements a, b and c; b and c; a and c; or a and b, are operable.
The following function of logic algebra (FAL) corresponds to this performance condition:
where a, b, and c are events describing the performance of elements a, b, and c, respectively.
The serviceability function F(a, b, c) is a FAL that establishes the relationship between the states of individual elements and the serviceability of the whole system.
This function shows the operability of the system for a given state of its elements.
The probability of failure-free operation of a system of serially connected elements will be defined as the product of the probabilities of its elements:
The probability of failure of a system is equal to the sum of the probabilities of failure of the elements:
An example of a serviceability calculation for a system of three elements connected in series would be as follows:
This function is equal to one (true) when all elements are operable. It is equal to zero (false) when at least one of the elements is inoperable.
The arithmetic and logical representations of the function coincide:
The probability for failure-free operation of the system under study is equal to:
3. Mathematical Modelling of Reliability Parameters with Element-by-Element Estimation
As an example object of study in this paper, we considered a reversible magnetic starter of an electric mine hoist, most often used as electrical equipment for quarry dump trucks. The magnetic starter consists of the following main elements: an electromagnetic coil, armature, main contacts, and block contacts [52].
When voltage is applied to the solenoid coil, a magnetic field is created that attracts the armature. The armature, in turn, closes the main contacts, which supply power to the motor. At the same time as when the main contacts close, the block contacts are also closed, which are used for interlocking and signalling circuits [53,54].
When the voltage is removed from the solenoid coil, the magnetic field disappears and the armature is released by the spring. The main contacts open, disconnecting the motor from the mains. The block contacts also open, opening the blocking and signalling circuits [55].
Magnetic starters are widely used to control electric motors of electric dump trucks. For the operation and control of magnetic starters, a reversible magnetic starter includes two control buttons: “forward” and “back”. The “forward” button closes the contacts, starting the motor in the forward direction. At the same time, it closes the contacts, energising the contactor coil Kfw. It opens the contacts, breaking the supply circuit of the contactor coil Kb. The “back” button opens the contacts, de-energising the contactor coil Kfw, and closes the contacts, energising the contactor coil Kb, which switches on its power contacts Kb by closing its contacts. As a result, the motor power supply phase sequence is reversed [56].
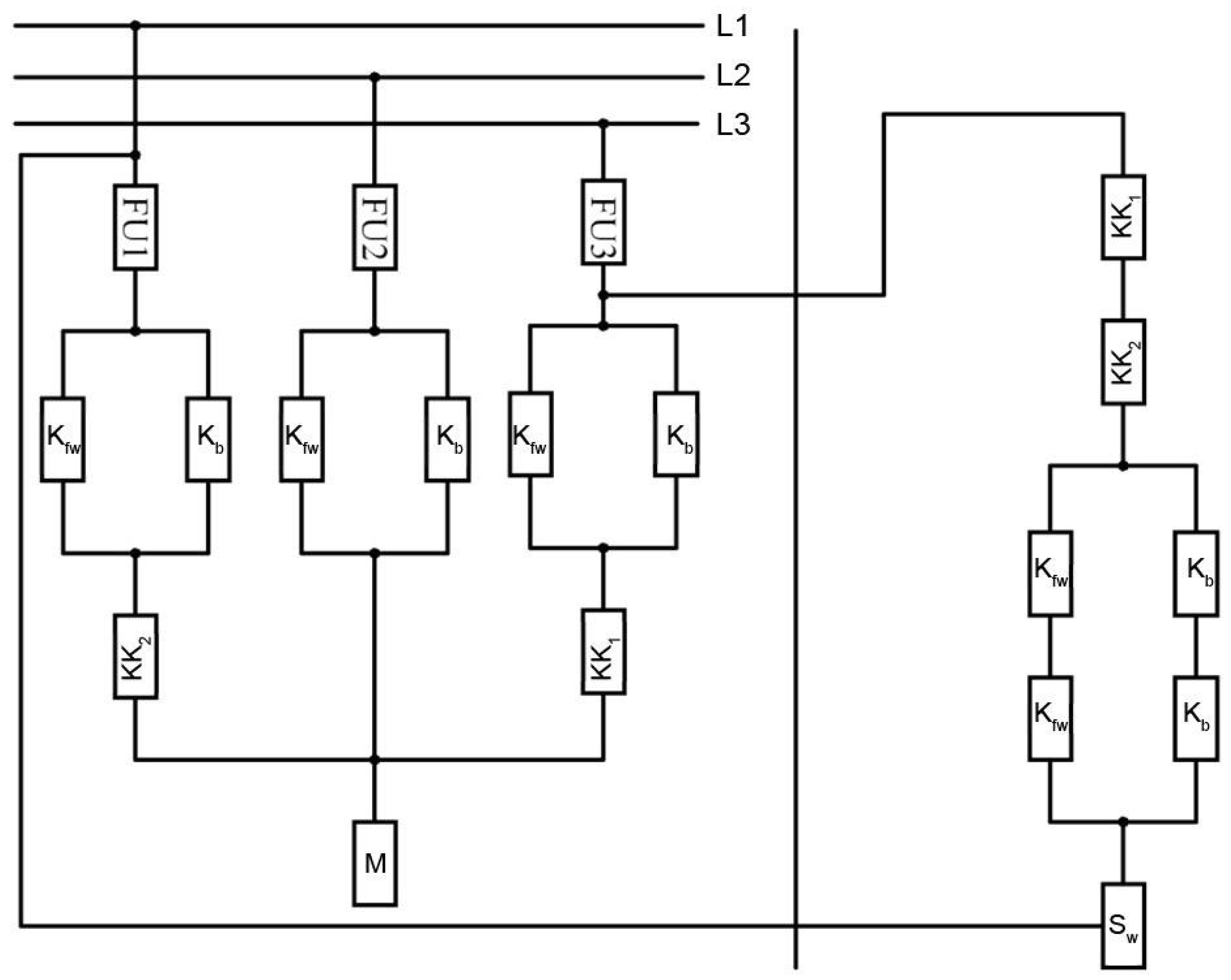
The circuit diagram of the reversing magnetic starter is shown as follows (Figure 4).
Figure 4.
Structure diagram of a reversible magnetic starter.
Elements included in the system include:
- FU1, FU2, FU3—fuses;
- KK1, KK2—thermal relays;
- Kfw, Kb—contactors;
- M—induction motor;
- Sw—control button
Numerical values of the probability of failure-free operation of elements of a reversible magnetic starter were obtained as a result of experimental statistics of failures of equipment of mining dump trucks, obtained during 2023 in an open coal mine in Kemerovo, Russia. Since the probability theory and mathematical statistics are used to determine the reliability of a reversible magnetic starter, we assumed that the cases of equipment failure are independent phenomena and do not influence each other. A more complex model taking into account mutual influences can be built with the help of Markov processes, first determining the correlation links of mutual influence of failures of some equipment elements on others, and then building a regression model of the mutual influence of the reliability of some types of equipment on others.
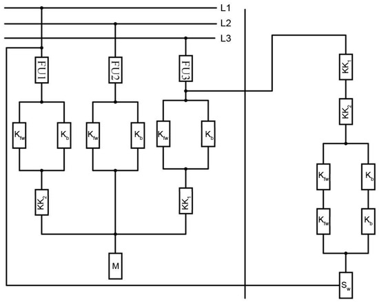
The next action is calculations of reliability, using the probability of failure of these elements. To carry out such calculations, it is necessary to divide the above-shown struc-tural diagram into separate blocks.
The first block looks as follows (Figure 5):
Figure 5.
First block of the structural diagram.
Further, it is necessary to reduce the number of elements included in this block. For this purpose, it is necessary to combine the elements Kfw and Kb, having previously calculated the reliability, fault tolerance, and failure probability of these elements [57].

Hereinafter, —probability of failure-free operation of i—element, —total probability of failure-free operation of the structural chain of elements in the scheme, and —total probability of failure of the structural chain of elements in the scheme.
It is reasonable to apply these formulas for elements with parallel connection. After combining the blocks with contactor elements, it is necessary to consider and perform calculations for the following elements:

It is reasonable to apply these formulae to elements with a series connection. The second block looks as follows (Figure 6):
Figure 6.
Second block of the structural diagram.
Further, it is necessary to reduce the number of elements included in this block. For this purpose, it is necessary to combine the elements Kfw and Kb, having previously calculated the reliability, fail-safety, and failure probability of these elements.

It is reasonable to use these formulae for elements with parallel connection. After combining the blocks with diverter switch elements, it is necessary to consider and perform calculations for the following elements:

It is reasonable to apply these formulae for elements with a series connection. The third block looks as follows (Figure 7):
Figure 7.
Third block of the structural diagram.
By collating the elements included in this block, we calculate the probability of its failure-free operation.

It is reasonable to apply these formulae for elements with a parallel connection. After combining the blocks with diverter switch elements, it is necessary to consider and perform calculations for the following elements:

It is reasonable to apply these formulae for elements with a series connection. After the calculations with the first, second, and third blocks, it can be said that these blocks are in parallel with each other:

After combining the three units into one, we can say that the resulting single unit is in a series connection with an element that goes by the name “induction motor”.

The fourth block is as follows (Figure 8):
Figure 8.
The fourth block of the structural diagram.
In the block shown in Figure 8, we combine the serial and parallel elements and calculate the overall probability of their failure-free operation.

Similar actions should be carried out with the elements of Kb.

After combining the blocks with the contactor elements, we can say that the resulting blocks are parallel to each other.

Next, a calculation must be completed to connect the elements in series.

The relationship between the first and second fuses and the simplified fourth block of the structural diagram must then be established.

All elements are in a series connection.
where is for the first and third blocks, and is for the fourth block.
Further, using the Mathcad program, it is necessary to construct graphs of the reliability of the elements and determine the least reliable element.
The graphs show that the contactor is the least reliable element. Thus, the realisation of the reliability model (Figure 9) shows that the reliability of the magnetic starter elements gradually decreases with time. This is due to wear of mechanical units, contact corrosion, and other factory and operational factors [58,59]. It can be seen from the graphs in Figure 9 that the least reliable element is the contactor. The probability of failure-free operation of the contactor decreases faster than that of relays and interlocking contacts. This is due to the fact that the contactor performs heavier work, including switching the load current [60]. The most reliable element is the interlocking contact. The probability of failure-free operation of the interlocking contact remains high throughout the entire period of operation. The relay and contactor have comparable reliability. However, the contactor is slightly less reliable than the relay. This is due to the fact that the contactor is subjected to higher loads.
Figure 9.
Dependences of variation of reliability of magnetic starter elements on operation time with determination of the least reliable element during the overhaul period (—contactor, —relay, —blocking contacts).
Taking into account the obtained results of the modelling, it is possible to estimate the economically justified level of reliability, which is the main criterion for the formation of the system of maintenance of mining machinery of electrical apparatuses.
4. Optimisation of the Reliability Level of the Maintenance System of the Electrical Complex
When forming the system of maintenance of electrical equipment of mining machines, it is extremely important to take into account the economic component. The resulting reliability level should be economically justified [61]. The reliability of EA is one of the key indicators of vehicle reliability. In this regard, the choice of the optimal reliability level is of particular importance. It is necessary to implement reliability programmes for the operated equipment and its electroautomatics. This is especially relevant when the system of repairs on demand (ROD) prevails [62]. For the coal mining industry, failures of electrical apparatuses during equipment operation lead to downtime and reduced coal production. Low reliability of electrical equipment (EE) yields significant material losses. In some cases, it leads to irreversible consequences associated with the destruction of equipment. Improving the reliability of electrical equipment has an economic effect by increasing the duration of useful operation of EA, reducing the need for spare parts, materials, and energy resources [63,64].
Since failures of electrical equipment during operation mean a reduction in the efficiency of its operation, it is critical to determine the required level of equipment reliability. This determination is based on comprehensive feasibility studies that take into account not only current costs but also potential risks associated with operation. Inadequate EE reliability during operation can lead to significant material losses and, in some cases, irreparable consequences such as damage to infrastructure or jeopardising the safety of mining workers. Vehicle failures can cause not only direct financial losses but also indirect losses, such as reduced customer confidence, increased waiting times, and a deterioration in service quality. These factors, in turn, can negatively affect the company’s reputation and its competitiveness in the market. From the economic point of view, the effect of improving the reliability of electrical equipment is manifested in an increase in the useful operation duration of mine plants, which directly affects the volume of transportation performed. More reliable equipment leads to lower repair and maintenance costs, which reduces the need for rolling stock, materials, and energy. This optimises operating costs and increases the profitability of the company.
Additionally, increased EE reliability contributes to more efficient planning of movement schedules and better overall logistics. As a result, companies can use their resources more efficiently, minimising downtime and maximising the capacity of the transportation network. In the long term, this creates a sustainable basis for business growth and development, allowing investment in new technologies and improvements that will further enhance the reliability and safety of mining machines. In this way, the issue of electrical equipment reliability is not only a technical challenge but also a strategic focus for improving the overall efficiency of the mining system.
Thus, determining an economically feasible level of EA reliability is critical to ensure efficient operation of mining machines and optimise maintenance costs.
Ensuring the required level of reliability is achieved by the following target function:
where the structure of the maintenance and repair (MR) system includes the types, frequency, and volumes of maintenance and repair.
The parameters of the MR system include reliability standards, cost of MR works, cost of downtime, etc.
The target function of the task of mining equipment operation with the required level of reliability in modern economic market conditions is a complex and multilevel dependence of annualised present costs on the desired structure and parameters of the system. In the context of this problem, it is necessary to take into account many factors that affect the efficiency of equipment operation, including its technical characteristics, operating modes, and operating conditions, as well as maintenance and repair costs. The presented costs are the authors’ concept of considering all costs associated with equipment operation, reduced to a single time scale. This includes both current costs (fuel, electricity, materials, and wages) and capital costs (investment in equipment acquisition and modernisation). The present-value cost method allows for a more accurate assessment of the economic feasibility of various decisions and the selection of an optimal equipment management strategy. The economic criterion behind this task is to minimise the present costs. This means that it is necessary to find a set of parameters and structural solutions that will provide the greatest efficiency at the lowest cost. This approach requires a comprehensive analysis, including life cycle analysis, reliability assessment, maintenance optimisation, technology investment, and financial analysis, taking into account all possible risks and uncertainties associated with equipment operation, including fluctuations in resource prices and market conditions.
As a result of applying the present value method, it is possible not only to reduce the total cost of operating mining equipment but also to increase its productivity, which in turn contributes to improving the company’s financial performance and its competitiveness in the market. This approach allows informed decisions on resource allocation to be made, as well as investment strategies to be optimised, which is extremely important in conditions of constant changes in the market.
Thus, the target function of the task of mining equipment operation with the required level of reliability becomes not just a tool for calculating costs but also a powerful tool for strategic management, allowing companies to adapt to modern challenges and achieve sustainable growth in a dynamic market.
In this paper, the period of realisation of measures to improve the reliability of mining equipment was small and did not exceed one year, so we did not carry out economic planning for several years; only the annual inflation component was taken into account. For complex technical systems, these terms can reach 4 years and more; at the same time, it is undoubtedly necessary to take into account the risks of technical modernisation of equipment and the production as a whole.
The purpose of the optimisation of a maintenance and repair (MR) system is to find the structure and parameters of the system that minimise the value of the target function and provide the required level of equipment reliability.
where K is the capital investment;
- a is the conversion factor;
- C is the annual costs.
The dynamic target function is reduced to static form by the procedure of discounting the reduction factor a:
where t is the number of the current period of expenditures, and r is the discount rate, which can be real interest on capital.
Improving the reliability of electrical equipment requires investment of funds and resources. As a rule, the operation of equipment with high reliability is accompanied by high costs [65]. But at the same time, there is a decrease in costs associated with maintenance. At the same time, the cost of operation grows faster than the increase in reliability. Reliable equipment is cheaper to maintain, as it requires less expenditure to maintain its serviceability. On this basis, the optimal level of reliability is achieved when the present costs of operating the equipment are minimised [66].
The optimal level of reliability is determined by balancing between the reduction in operating costs and the costs of reliability improvement [67]. Let us denote the dependence of the reduced capital investment in the reliability function P as . Let us show the operating costs as a reliability function . Let us denote Z(P) as a reliability function for the present value of costs.
where a is the discounted conversion factor.
Using differentiation, the condition for determining the economically optimal reliability level can be shown as:
The root of this equation yields Popt; the solution to the equation is shown in Figure 10 for electrical equipment from 100 mining machines over three years of maintenance. As a rule, if we are not talking about catastrophic man-made accidents, it is the economically optimal reliability of the equipment that is the main criterion for maintaining the level of operational reliability for the enterprise.
Figure 10.
Dependences of costs on the reliability level P of electroautomatics. aK(P)—capital investments for measures to improve reliability; C(P)—operating costs; Z(P)—reduced costs; Popt—economically optimal level of equipment reliability improvement.
When determining the value of reliability indicators, it is necessary to take into account not only economic aspects but also the responsibility of electrical equipment elements. Striving for absolute reliability of mining machine components will be ineffective in the case when failures of these components do not affect traffic safety. For such assemblies, it is important to be guided by the minimisation of present costs. Nodes of mining machines that affect driving safety should have absolute reliability. Such units include batteries, motion control systems, starting and braking rheostats, etc. [68].
Costs to improve reliability consist of costs to improve diagnostic processes and costs to expand volumes. Also, these costs include the modernisation of equipment and an improvement in diagnostics. A reduction in the costs of operation () is carried out at the expense of a reduction in the number of unscheduled repairs [69]. It is also due to the growth of time between repairs and the introduction of differentiated routine maintenance. The implementation of the task of cost optimisation for predicting the serviceability of electrical equipment of mining machines and assessing the reliability of its components allows repair and maintenance costs to be reduced [70]. The choice of the optimal maintenance strategy allowed us to calculate and establish the target levels of equipment uptime. Based on the results obtained, a method for determining the frequency of maintenance based on the probability of failure-free operation was applied.
Based on the collected technical and economic information on the operation of 37 coal dump trucks at the Bachatskoye coal mine, Kemerovo, Russia, in 2023, information was collected on equipment failures, repair technology and maintenance, and financial costs. The results of the mathematical processing of the data are shown in Figure 10 and Figure 11.
Figure 11.
Empirical laws of change in the level of failure-free operation of equipment for optimisation of the maintenance system of electrical equipment of quarry dump trucks by the level of reliability and the probability of failure-free operation: : 1—motor fan; 2—motor compressor; 3—power contactors; 4—inductance coils; 5—auxiliary drive; 6—switch; 7—control system; 8—heaters and lighting; 9—signalling; 10—battery; 11—controller and reverser; 12—insulation resistance; 13—auxiliary contactors; 14—drive control; 15—current relay; 16—voltage relay; 17—voltage regulator; 18—generator; 19—current collector head; 20—traction motor brushes. Reprinted from Ref. [59].
BELAZ quarry dump trucks with payloads of 180 tons and 280 tons are equipped with two electric traction motors, ED-132 and EDP-800, manufactured by Sibelectroprivod LLC (Novosibirsk, Russia), or DK-724, manufactured by PTFK ZTEO CJSC (Naberezhnye Chelny, Russia). Electric traction motors DK-724 (TEM) were used and installed in the crankcases of the unified driving axles of dump trucks according to the design scheme, which is traditional for serial dump trucks. They transfer the onboard gearbox to the motor-wheel hub from the side opposite to the TEM collector. In this case, maintenance of the TEM brush manifold assembly was limited by the dimensions of the drive axle, and dismantling of the TEM was impossible without complete disassembly of the motor-wheel. The nominal motor speed was 910 rpm.
Figure 11 shows the results of modelling the mining machinery equipment by the reliability level and the probability of failure-free operation for optimisation of the mining machinery maintenance system.
For an item of electrical equipment, an acceptable level of uptime is considered to be the level () that guarantees its failure-free operation until the next maintenance. The proposed methodology of fail-safe assessment takes into account the current level of equipment reliability, which is determined on the basis of MTBF. At present, there are no normative values of probability of failure-free operation for mining machines [71]. Therefore, using the developed optimisation methodology, we established several levels of equipment uptime. These levels were introduced in order to be able to determine both the gamma percentage life and the frequency of equipment maintenance.
Figure 11 shows the reliability levels. The values for the high level are . This level of reliability is required for those elements, failures of which threaten traffic safety. Such elements include electric brake motors of power steering, rheostats, and contactors.
The values for the average level are . This level of reliability is required for elements whose failures lead to mining machine returns, long downtime, and high costs. Such elements include motors, current collectors, auxiliary motors, generators, controllers, and control systems.
The values for the low level are . This level of uptime is required for elements whose failures are eliminated during repair and maintenance. These failures do not occur between overhauls. Such elements include rechargeable batteries.
The values for the minimum level are . This failure rate is required for elements whose failures allow temporary operation of the machines. Such elements include loudspeakers, lighting systems, and heating systems.
The required number of repairs of electrical equipment is calculated using the laws of change of the probability of failure-free operation. The same laws are used to divide the equipment into groups. By supplementing the laws of change of the probability of failure-free operation with the calculated levels of failure-free operation, it is possible to draw up maintenance schedules for each mining machine [72]. This approach will take into account not only the technical condition of the mining machine but also the economic possibilities of the repair enterprise [22,73].
Thus, the apparatus that allows for the determination of the reliability and probability of failure-free operation to compile a mathematical model of mining machinery equipment, taking into account the parts that fail the most to justify the economic choice of costs to maintain and improve operational reliability, has been proposed and tested. With the help of this mathematical model, it is possible not only to model the reliability of equipment, consisting of factory reliability and operational reliability, but also to forecast reliability for the future in time. Mathematical modelling of reliability parameters with element-by-element estimation and identification of the nodes that fail the most according to the reliability hierarchy has been carried out. The reliability level of the equipment of the maintenance system of the electrical complex of mining machines was optimised using the hierarchy of reliability levels of elements with minimum reliability for an economically feasible approach to the formation of a maintenance and repair system for complex electrical complexes.
Thus, the application of mathematical apparatuses made it possible to divide the maintained equipment into groups according to the residual technical resource makes it possible to realise repair and maintenance cycles. The use of such cycles allows the transition from a planned repair system to repairs on demand, based on the technical condition.
5. Conclusions
In this work, the main reliability parameters of electric apparatus elements of electric dump trucks and methods of their calculation have been considered. A mathematical model for calculating the reliability of electrical apparatuses included in the electrical circuits of dump trucks is proposed. The model takes into account the most and least probable loads influencing the equipment in the process of operation and leading to a decrease in its reliability. By combining electrical equipment into groups with approximately equal remaining life, it is possible to optimise maintenance and repair (MR) cycles, similar to existing systems, such as preventive maintenance systems. In the proposed model, MR is performed on demand or depending on the technical condition of the truck’s equipment.
The statistical analysis is used to determine the probability of damage to the electrical equipment elements of mine dump trucks, which is an important parameter for assessing the reliability of electrical systems of mining machines. As a quantitative characteristic of statistical series of failures, it is proposed to use the mathematical expectation of mileage. The relative characteristic of failure-free performance of electrical equipment is estimated as the main component of its reliability. It is determined through the indicator characterising the number of equipment failures per unit mileage, i.e., through the intensity of failures.
Author Contributions
Conceptualisation, A.F.P.; methodology, V.Y.K. and A.A.M.; software, O.A.F.; validation, V.Y.K. and A.A.M.; formal analysis, R.V.K.; investigation, A.F.P.; resources, R.V.K.; writing—original draft preparation, B.V.M. and N.V.M.; writing—review and editing, B.V.M. and N.V.M.; visualisation, O.A.F. All authors have read and agreed to the published version of the manuscript.
Funding
This research received no external funding.
Institutional Review Board Statement
Not applicable.
Informed Consent Statement
Not applicable.
Data Availability Statement
The data presented in this study are available from the corresponding authors upon reasonable request.
Conflicts of Interest
The authors declare no conflicts of interest.
References
- Carlo, F.D. Reliability and Maintainability in Operations Management; Massimiliano, S., Ed.; InTech: London, UK, 2013. [Google Scholar]
- Dhillon, B.S. Mining Equipment Reliability, Maintainability, and Safety; Springer: London, UK, 2008. [Google Scholar]
- Kumar, U.; Klefsjo, B. Reliability analysis of hydraulic systems of LHD machines using the power law process model. Reliab. Eng. Syst. Saf. 1992, 35, 217–224. [Google Scholar] [CrossRef]
- Tian, H.; Safiullin, R.N.; Safiullin, R.R. Integral Evaluation of Implementation Efficiency of Automated Hardware Complex for Vehicle Traffic Control. Int. J. Eng. Trans. B Appl. 2024, 37, 1534–1546. [Google Scholar] [CrossRef]
- Botyan, E.Y.; Lavrenko, S.A.; Pushkarev, A.E. Methodology for refined calculation of mean time to repair of mining dump truck suspension elements with account of mining and technical conditions of their operation. Russ. Min. Ind. 2024, 71–76. [Google Scholar] [CrossRef]
- Amy, H. What Is Equipment Reliability and How Do You Improve It? Available online: https://nonstopreliability.com/equipment-reliability/ (accessed on 15 October 2020).
- Nazarychev, A.N.; Dyachenok, G.V.; Sychev, Y.A. A reliability study of the traction drive system in haul trucks based on failure analysis of their functional parts. J. Min. Inst. 2023, 261, 363–373. [Google Scholar]
- Vishnyakov, G.Y.; Pushkarev, A.E.; Botyan, E.Y.; Khloponina, V.S. Justification of rational modes of operation of quarry dump trucks in case of over-normative operation. Min. Informational Anal. Bull. 2023, 11, 24–37. [Google Scholar] [CrossRef]
- Norris, G. The True Cost of Unplanned Equipment Downtime. Available online: https://www.forconstructionpros.com/equipment-management/article/21104195/the-true-cost-of-unplanned-equipment-downtime (accessed on 3 December 2019).
- Kumar, U. Reliability Analysis of Load-Haul-Dump Machines. Ph.D. Thesis, Lulea Tekniska Universitet, Lulea, Sweden, 1990. [Google Scholar]
- Provencher, M. A Guide to Predictive Maintenance for the Smart Mine. Available online: https://www.mining.com/subscribe-login/?id=1020750 (accessed on 16 April 2020).
- Shibanov, D.A.; Ivanov, S.L.; Sheshukova, E.I.; Nedashkovskaya, E.S. Efficiency of operation of a quarry excavator as an ergatic system. Min. Informational Anal. Bull. 2023, 11, 144–158. [Google Scholar] [CrossRef]
- Sychev, Y.A.; Nazarychev, A.N.; Dyachenok, G.V. Improving the Labor Safety of Mining Dump Truck Drivers by Reducing the Risk of Failure of the Functional Units of the Traction Electric Drive under Operating Conditions. Bezop. Tr. V Promyshlennosti 2023, 9, 52–58. [Google Scholar]
- Ivanov, S.L.; Safronchuk, K.A.; Olt, Y. Justification and selection of design parameters of the eccentric gear mechanism of the piston lubrication and filling unit for the mining machines maintenance. J. Min. Inst. 2021, 248, 290–299. [Google Scholar] [CrossRef]
- Korolev, N.A.; Zhukovskiy, Y.L.; Buldysko, A.D.; Baranov, G.D.; Chen, P. Energy resource evaluation from technical diagnostics of electromechanical devices in minerals sector. MIAB Min. Inf. Anal. Bull. 2024, 5, 158–181. [Google Scholar] [CrossRef]
- Gabov, V.V.; Zadkov, D.A.; Pryaluhin, A.F.; Sadovsky, M.V.; Molchanov, V.V. Mining combine screw executive body design. MIAB Min. Inf. Anal. Bull. 2023, 11-1, 51–71. [Google Scholar]
- Collins, E.W. Safety Evaluation of Coal Mine Power Systems. In Proceedings of the Annual Reliability and Maintainability Symposium, Philadelphia, PA, USA, 27 January 1987; Sandia National Labs.: Albuquerque, NM, USA, 1987. [Google Scholar]
- Ivanov, V.V.; Dzyurich, D.O. Justification of the technological scheme parameters for the development of flooded deposits of construction sand. J. Min. Inst. 2022, 253, 33–40. [Google Scholar] [CrossRef]
- Samanta, B.; Sarkar, B.; Mukherjee, S.K. Reliability assessment of hydraulic shovel system using fault trees. Min. Technol. Trans. Inst. Min. Metall. Sect. A 2002, 111, 129–135. [Google Scholar] [CrossRef]
- Gabov, V.V.; Zadkov, D.A.; Van Nguyen, X.; Hamitov, M.S.; Molchanov, V.V. To the problem of improvement the working tools of mining excavation machines. MIAB Min. Inf. Anal. Bull. 2022, 6-2, 205–222. [Google Scholar] [CrossRef]
- Roy, S.K.; Bhattacharyya, M.M.; Naikan, V.N. Maintainability and reliability analysis of a fleet of shovels. Min. Technol. Trans. Inst. Min. Metall. Sect. A 2001, 110, 163–171. [Google Scholar] [CrossRef]
- Abdollahpour, P.; Tabatabaee Moradi, S.S.; Leusheva, E.; Morenov, V. A Numerical Study on the Application of Stress Cage Technology. Energies 2022, 15, 5439. [Google Scholar] [CrossRef]
- Coetzee, J.L. The role of NHPP models in the practical analysis of maintenance failure data. Reliab. Eng. Syst. Saf. 1997, 56, 161–168. [Google Scholar] [CrossRef]
- Abramovich, B.N.; Bogdanov, I.A. Improving the efficiency of autonomous electrical complexes of oil and gas enterprises. J. Min. Inst. 2021, 249, 408–416. [Google Scholar] [CrossRef]
- Zuev, B.Y. Methodology of modeling nonlinear geomechanical processes in blocky and layered rock masses on models made of equivalent materials. J. Min. Inst. 2021, 250, 542–552. [Google Scholar] [CrossRef]
- Skamyin, A.N.; Dobush, I.V.; Gurevich, I.A. Influence of nonlinear load on the measurement of harmonic impedance of the power supply system. In Proceedings of the 2023 5th International Youth Conference on Radio Electronics, Electrical and Power Engineering, Moscow, Russia, 16–18 March 2023. [Google Scholar] [CrossRef]
- Hall, R.A.; Daneshmend, L.K. Reliability Modelling of Surface Mining Equipment: Data Gathering and Analysis Methodologies. Int. J. Surf. Min. 2003, 17, 139–155. [Google Scholar] [CrossRef]
- Malozyomov, B.V.; Martyushev, N.V.; Sorokova, S.N.; Efremenkov, E.A.; Qi, M. Mathematical Modeling of Mechanical Forces and Power Balance in Electromechanical Energy Converter. Mathematics 2023, 11, 2394. [Google Scholar] [CrossRef]
- Golik, V.I.; Brigida, V.; Kukartsev, V.V.; Tynchenko, Y.A.; Boyko, A.A.; Tynchenko, S.V. Substantiation of Drilling Parameters for Undermined Drainage Boreholes for Increasing Methane Production from Unconventional Coal-Gas Collectors. Energies 2023, 16, 4276. [Google Scholar] [CrossRef]
- Efremenkov, E.A.; Qi, M. Mathematical Modeling the Performance of an Electric Vehicle Considering Various Driving Cycles. Mathematics 2023, 11, 2586. [Google Scholar] [CrossRef]
- Klyuev, R.V.; Karlina, A.I. Improvement of Hybrid Electrode Material Synthesis for Energy Accumulators Based on Carbon Nanotubes and Porous Structures. Micromachines 2023, 14, 1288. [Google Scholar] [CrossRef] [PubMed]
- Rao, K.R.; Prasad, P.V. Graphical methods for reliability of repairable equipment and maintenance planning. In Proceedings of the Annual Symposium on Reliability and Maintainability (RAMS), Philadelphia, PA, USA, 22–25 January 2001; pp. 123–128. [Google Scholar]
- Kumar, R.; Vardhan, A.; Kishorilal, D.B.; Kumar, A. Reliability analysis of a hydraulic shovel used in open pit coal mines. J. Mines Met. Fuels 2018, 66, 472–477. [Google Scholar]
- Sinha, R.S.; Mukhopadhyay, A.K. Reliability centred maintenance of cone crusher: A case study. Int. J. Syst. Assur. Eng. Manag. 2015, 6, 32–35. [Google Scholar] [CrossRef]
- Gharahasanlou, A.N.; Mokhtarei, A.; Khodayarei, A.; Ataei, M. Fault tree analysis of failure cause of crushing plant and mixing bed hall at Khoy cement factory in Iran. Case Stud. Eng. Fail. Anal. 2014, 2, 33–38. [Google Scholar] [CrossRef] [PubMed]
- Kang, J.; Sun, L.; Soares, C.G. Fault Tree Analysis of floating offshore wind turbines. Renew. Energy 2019, 133, 1455–1467. [Google Scholar] [CrossRef]
- Tuncay, D.; Nuray, D. Reliability analysis of a dragline using fault tree analysis. Bilimsel Madencilik Derg. 2017, 56, 55–64. [Google Scholar] [CrossRef]
- Patil, R.B.; AMhamane, D.; Kothavale, P.B.; SKothavale, B. Fault Tree Analysis: A Case Study from Machine Tool Industry. In Proceedings of the An International Conference on Tribology, TRIBOINDIA-2018, Mumbai, India, 13–15 December 2018. [Google Scholar]
- Iyomi, E.P.; Ogunmilua, O.O.; Guimaraes, I.M. Managing the Integrity of Mine Cage Conveyance. Int. J. Eng. Res. Technol. (IJERT) 2021, 10, 743–747. [Google Scholar]
- Relkar, A.S. Risk Analysis of Equipment Failure through Failure Mode and Effect Analysis and Fault Tree Analysis. J. Fail. Anal. Prev. 2021, 21, 793–805. [Google Scholar] [CrossRef]
- Li, S.; Yang, Z.; Tian, H.; Chen, C.; Zhu, Y.; Deng, F.; Lu, S. Failure Analysis for Hydraulic System of Heavy-Duty Machine. Appl. Sci. 2021, 11, 1249. [Google Scholar] [CrossRef]
- Jiang, G.-J.; Li, Z.-Y.; Qiao, G.; Chen, H.-X.; Li, H.-B.; Sun, H.-H. Reliability Analysis of Dynamic Fault Tree Based on BinaryDecision Diagrams for Explosive Vehicle. Math. Probl. Eng. 2021, 2021, 5559475. [Google Scholar] [CrossRef]
- Kabir, S. An overview of fault tree analysis and its application in model based dependability analysis. Expert Syst. Appl. 2017, 77, 114–135. [Google Scholar] [CrossRef]
- Tynchenko, V.S.; Bukhtoyarov, V.V.; Wu, X.; Tyncheko, Y.A.; Kukartsev, V.A. Overview of Methods for Enhanced Oil Recovery from Conventional and Unconventional Reservoirs. Energies 2023, 16, 4907. [Google Scholar] [CrossRef]
- Malozyomov, B.V.; Martyushev, N.V.; Voitovich, E.V. Kononenko Designing the Optimal Configuration of a Small Power System for Autonomous Power Supply of Weather Station Equipment. Energies 2023, 16, 5046. [Google Scholar] [CrossRef]
- Malozyomov, B.V.; Martyushev, N.V.; Konyukhov, V.Y.; Oparina, T.A.; Zagorodnii, N.A.; Efremenkov, E.A.; Qi, M. Mathematical Analysis of the Reliability of Modern Trolleybuses and Electric Buses. Mathematics 2023, 11, 3260. [Google Scholar] [CrossRef]
- Efremenkov, E.A.; Valuev, D.V.; Qi, M. Review Models and Methods for Determining and Predicting the Reliability of Technical Systems and Transport. Mathematics 2023, 11, 3317. [Google Scholar] [CrossRef]
- Zuo, X.; Yu, X.R.; Yue, Y.L.; Yin, F.; Zhu, C.L. Reliability Study of Parameter Uncertainty Based on Time-Varying Failure Rates with an Application to Subsea Oil and Gas Production Emergency Shutdown Systems. Processes 2021, 9, 2214. [Google Scholar] [CrossRef]
- Kumar, N.S.; Choudhary, R.P.; Murthy, C. Reliability based analysis of probability density function and failure rate of the shovel-dumper system in a surface coal mine. Model. Earth Syst. Environ. 2020, 7, 1727–1738. [Google Scholar] [CrossRef]
- Balaraju, J.; Raj, M.G.; Murthy, C. Estimation of reliability-based maintenance time intervals of Load-Haul Dumper in an underground coal mine. J. Min. Environ. 2018, 9, 761–771. [Google Scholar]
- Bala, R.J.; Govinda, R.; Murthy, C. Reliability analysis and failure rate evaluation of load haul dump machines using Weibull. Math. Model. Eng. Probl. 2018, 5, 116–122. [Google Scholar] [CrossRef]
- Waghmode, L.Y.; Patil, R.B. Reliability analysis and life cycle cost optimisation: A case study from Indian industry. Int. J. Qual. Reliab. Manag. 2016, 33, 414–429. [Google Scholar] [CrossRef]
- Barabady, J.; Kumar, U. Reliability analysis of mining equipment: A case study of a crushing plant at Jajarm Bauxite Mine in Iran. Reliab. Eng. Syst. Saf. 2008, 93, 647–653. [Google Scholar] [CrossRef]
- Taherı, M.; Bazzazı, A.A. Reliability Analysis of Loader Equipment: A Case Study of a Galcheshmeh. MT Bilimsel 2017, 11, 37–46. Available online: https://dergipark.org.tr/en/pub/mtb/issue/32053/354893 (accessed on 3 March 2022).
- Hoseinie, S.H.; Ataei, M.; Khalokakaie, R.; Ghodrati, B.; Kumar, U. Reliability analysis of the cable system of drum shearer using the power law process model. Int. J. Min. Reclam. Environ. 2012, 26, 309–323. [Google Scholar] [CrossRef]
- Mouli, C.; Chamarthi, S.; Chandra, G.; Kumar, V. Reliability Modeling and Performance Analysis of Dumper Systems in Mining by KME Method. Int. J. Curr. Eng. Technol. 2014, 2, 255–258. [Google Scholar] [CrossRef]
- Roche-Carrier, N.L.; Ngoma, G.D.; Kocaefe, Y.; Erchiqui, F. Reliability analysis of underground rock bolters using the renewal process, the non-homogeneous Poisson process and the Bayesian approach. Int. J. Qual. Reliab. Manag. 2019, 37, 223–242. [Google Scholar] [CrossRef]
- Sorokova, S.N.; Efremenkov, E.A.; Valuev, D.V.; Qi, M. Stochastic Models and Processing Probabilistic Data for Solving the Problem of Improving the Electric Freight Transport Reliability. Mathematics 2023, 11, 4836. [Google Scholar] [CrossRef]
- Martyushev, N.V.; Malozyomov, B.V.; Kukartsev, V.V.; Gozbenko, V.E. Determination of the Reliability of Urban Electric Transport Running Autonomously through Diagnostic Parameters. World Electr. Veh. J. 2023, 14, 334. [Google Scholar] [CrossRef]
- Boychuk, I.P.; Grinek, A.V.; Kondratiev, S.I. A Methodological Approach to the Simulation of a Ship’s Electric Power System. Energies 2023, 16, 8101. [Google Scholar] [CrossRef]
- Filina, O.A.; Panfilova, T.A. Increasing the Efficiency of Diagnostics in the Brush-Commutator Assembly of a Direct Current Electric Motor. Energies 2024, 17, 17. [Google Scholar] [CrossRef]
- Yi, X.J.; Chen, Y.F.; Hou, P. Fault diagnosis of rolling element bearing using Naïve Bayes classifier. Vibroengineering Procedia 2017, 14, 64–69. [Google Scholar] [CrossRef]
- Rokach, L.; Maimon, O. Data Mining with Decision Trees, 2nd ed.; World Scientific Publishing Co. Pte. Ltd.: Singapore, 2015. [Google Scholar]
- Du, C.-J.; Sun, D.-W. (Eds.) Object Classification Methods. In Computer Vision Technology for Food Quality Evaluation; Elsevier Inc.: Amsterdam, The Netherlands; Academic Press: Cambridge, MA, USA, 2008; pp. 57–80. [Google Scholar]
- Gong, Y.-S.; Li, Y. Motor Fault Diagnosis Based on Decision Tree-Bayesian Network Model. In Advances in Electronic Commerce, Web Application and Communication; Jin, D., Lin, S., Eds.; Springer: Warsaw, Poland, 2012; pp. 165–170. [Google Scholar]
- Hildreth, J.; Dewitt, S. Logistic Regression for Early Warning of Economic Failure. In Proceedings of the 52nd ASC Annual International Conference Proceedings, Provo, UT, USA, 13–16 April 2016. [Google Scholar]
- Bhattacharjee, P.; Dey, V.; Mandal, U.K. Risk assessment by failure mode and effects analysis (FMEA) using an interval number based logistic regression model. Saf. Sci. 2020, 132, 104967. [Google Scholar] [CrossRef]
- Ku, J.-H. A Study on Prediction Model of Equipment Failure Through Analysis of Big Data Based on RHadoop. Wirel. Pers. Commun. 2018, 98, 3163–3176. [Google Scholar] [CrossRef]
- Efremenkov, E.A.; Valuev, D.V.; Qi, M. Analysis of a Predictive Mathematical Model of Weather Changes Based on Neural Networks. Mathematics 2024, 12, 480. [Google Scholar] [CrossRef]
- Konyukhov, V.Y.; Oparina, T.A.; Sevryugina, N.S.; Gozbenko, V.E.; Kondratiev, V.V. Determination of the Performance Characteristics of a Traction Battery in an Electric Vehicle. World Electr. Veh. J. 2024, 15, 64. [Google Scholar] [CrossRef]
- Abdelhadi, A. Heuristic Approach to schedule preventive maintenance operations using K-Means methodology. Int. J. Mech. Eng. Technol. 2017, 8, 300–307. [Google Scholar]
- Riantama, R.N.; Prasanto, A.D.; Kurniati, N.; Anggrahini, D. Examining Equipment Condition Monitoring for Predictive Maintenance, A case of typical Process Industry. In Proceedings of the 5th NA International Conference on Industrial Engineering and Operations Management, Detroit, MI, USA, 10–14 August 2020. [Google Scholar]
- Valuev, D.V.; Qi, M. Mathematical Modelling of Traction Equipment Parameters of Electric Cargo Trucks. Mathematics 2024, 12, 577. [Google Scholar] [CrossRef]
Disclaimer/Publisher’s Note: The statements, opinions and data contained in all publications are solely those of the individual author(s) and contributor(s) and not of MDPI and/or the editor(s). MDPI and/or the editor(s) disclaim responsibility for any injury to people or property resulting from any ideas, methods, instructions or products referred to in the content. |
© 2024 by the authors. Licensee MDPI, Basel, Switzerland. This article is an open access article distributed under the terms and conditions of the Creative Commons Attribution (CC BY) license (https://creativecommons.org/licenses/by/4.0/).