Abstract
Electric vehicles are the most innovative and promising area of the automotive industry. The efficiency of a traction battery is an important factor in the performance of an electric vehicle. This paper presents a mathematical model of an electric truck, including modules for the traction battery to determine the depth of battery discharge during the operation of the electric truck, a traction electric system for the electric truck and a system for calculating traction forces on the shaft in electric motors. As a result of the modelling, the charging and discharging currents of an accumulator battery in a real cycle of movement in peak and nominal modes of operation in electric motors and at different voltages of the accumulator battery are determined. A functional scheme of a generalized model of the electric vehicle traction electrical equipment system is developed. An experimental battery charge degree, torques of asynchronous electric motors, temperature of electric motors and inverters, battery voltage and the speed of electric motors have been measured and analysed. The developed complex mathematical model of an electric vehicle including a traction battery, two inverters and two asynchronous electric motors integrated into an electric portal bridge allowed us to obtain and study the load parameters of the battery in real driving cycles. Data were verified by comparing simulation results with the data obtained during driving.
1. Introduction
Electric vehicles are the most innovative and promising area of the automotive industry. In recent decades, they have undergone significant progress and are widely recognised as environmentally friendly and energy-efficient vehicles. One of the key components of electric vehicles is a traction battery, which provides energy for the engine [1,2,3]. Determining the performance characteristics of an electric vehicle traction battery is an important task for both electric vehicle manufacturers and potential buyers. The performance characteristics determine the ability of the battery to supply energy throughout its lifetime and also allow us to evaluate its reliability, efficiency and durability [4,5]. One of the main characteristics of a traction battery is its capacity, expressed in ampere-hours (A·h). The capacity of a battery determines the amount of energy it can store and supply to propel an electric vehicle. A larger capacity allows for travelling a greater distance using a single charge, which is an important factor for electric vehicles [6,7]. A second important characteristic is the charging speed of a battery. In today’s environment, where a network of charging stations is rapidly developing, charging time is becoming an increasingly critical factor when choosing an electric vehicle. The faster the battery can be charged, the less time it takes to reuse the vehicle [8,9]. Another important performance characteristic is the durability of a battery. Traction batteries in electric vehicles have a limited life span, which is determined by the number of charge–discharge cycles they can withstand. The higher the number of cycles is, the longer the battery will last. It is also important to consider the loss of battery capacity over time. Gradually, a battery may become lower in capacity, which can reduce its mileage using a single charge [10,11,12]. The efficiency of the traction battery is also an important factor. In electric vehicles, the energy stored in the battery is converted into mechanical energy to drive the vehicle. The higher the efficiency of the battery, the less energy is lost in the conversion process, which improves the overall energy efficiency of an electric vehicle. Determining performance characteristics of the traction battery in an electric vehicle plays an important role when selecting a vehicle and its future operation [13,14]. Battery capacity, charging speed, durability and efficiency are all important parameters to ensure comfortable and efficient operation of an electric vehicle throughout its lifetime. Electric vehicle manufacturers continue to work on improving the battery performance to make electric vehicles even more competitive in the automotive industry [15,16,17].
An electric cargo vehicle, the Mitsubishi MIEV, was selected as the vehicle for performance characterisation (Figure 1).
Figure 1.
Mitsubishi MIEV electric truck.
This choice was determined by the fact that, for trucks, the daily mileage is unknown, and statistical data do not allow for determining an exact value for the degree of charge at extreme points in a driving cycle [18]. In 2010–2020, the maximum range of a passenger electric car was about 100–150 km. But, in 2020, the mileage of electric cars increased to 300–500 km after the release of tesla cars. In this regard, there is still a need to increase the maximum range of electric cars, and accordingly, make a change to the battery capacity and daily mileage [19].
In the case of electric trucks, driving modes are fixed and allow for a more accurate assessment of daily mileage, the depth of discharge and the number of cycles. In addition, electric vehicles can be driven in both under-loaded modes (lunchtime) and maximum load modes (morning rush hour trips). In the case of a fixed route of movement, it is possible to install charging stations on the route of an electric car, as well as in places with stops for the boarding and disembarkation of passengers, during which it is possible to charge the battery. When conducting experimental studies, it was possible to obtain a significant amount of statistical data on the movement of an electric vehicle [20]. The average speed exceeds 25 km/h, while the average speed of urban motor transport is 12–17 km/h.
Modern publications, concerning the environmental impact of electric vehicles, namely analysing the sustainability of using electric vehicles in Europe to reduce CO2 emissions [1,3], and the mathematical modelling of the state of the batteries in cargo electric vehicles [10], are devoted to determining performance characteristics of the traction battery in an electric truck.
The purpose of this work was to develop a mathematical model of the traction of a cargo electric vehicle, including modules for a traction battery, the traction electric system of an electric truck and a system for calculating the traction forces acting on a shaft in the electric motors. As a result of the modelling, we determined the charging and discharging currents of the battery in a real driving cycle in peak and nominal modes of operation of electric motors, and at different battery voltages. To verify the results of the modelling, using the obtained performance characteristics of the battery, the electric vehicle was investigated while moving along a route.
2. Materials and Methods
In the course of our experimental studies, to determine the depth of battery discharge, 9 runs along a given route were performed. Each run involved different road conditions, traffic intensities and vehicle loads [21,22].
The route included both urban and suburban driving modes. The maximum speed is 70 km/h and the electric vehicle made three stops for passenger boarding and disembarkation. During the experiment, there were 2 runs without loading (13,600 kg) and with full loading (16,000 kg).
Electrical characteristics are were using the CAN information protocol technology. The following parameters were measured and recorded:
- The degree of charge of the battery;
- Torques of asynchronous electric motors;
- Temperature of electric motors and inverters;
- The battery voltage;
- The rotation frequency of the electric motor.
A functional scheme of a generalised model of the electric vehicle traction electrical equipment system was developed.
The mathematical model of the traction electrical equipment of an electric vehicle includes:
- Determining the depth of discharge of batteries during vehicle operation;
- Modelling the traction electrical system of an electric truck;
- Traction battery modelling;
- Modelling a system for the calculation of traction forces on a shaft in the electric motors.
3. Determining the Depth of Discharge of Batteries during Vehicle Operation
Route #1. The route was a mixed traffic cycle with low-speed urban traffic sections, as well as motorway traffic [23,24]. The electric vehicle was travelling and its mass was 13,600 kg. Figure 2 shows the dependence of the travelling speed on time along route #1.
Figure 2.
Speed graph of route #1.
The electric vehicle had on-board equipment that captured the following characteristics:
Ibat is the battery current;
Pbat is the supplied battery power;
Ubat is the battery voltage.
Efficiency is the efficiency coefficient of a system. In our case, efficiency was defined by the ratio of the energy in the electric vehicle’s motion to the energy expended to charge the electric vehicle’s battery.
Wbat is the energy given by the battery;
SOC is the degree of charge.
The characteristics were measured using CAN bus technology and were recorded throughout the cycle (Figure 2 and Figure 3).
Figure 3.
Energy characteristics of an electric vehicle propulsion system (route #1): Wrecup is the regeneration energy stored while an electric vehicle is in motion, Wbat is the battery energy used to move an electric vehicle, Wcon is the consolidated battery and regenerative energy used for driving.
The average battery current per cycle was 118 A (0.6C). The degree of charge decreased from 90 to 82 per cent.
Route #2. On this route, the electric car was moving fully loaded; its mass was 16,000 kg. Figure 4 shows a speed graph of the electric car on route 2.
Figure 4.
Dependence of speed on time along route #2.
Figure 5 shows characteristics of the traction electric drive system in the electric vehicle when travelling along the second route.
Figure 5.
Energy characteristics of the electric vehicle on route #2.
The average battery current per cycle was 140 A (0.7C). The degree of charge decreased from 85 to 72 per cent.
The parameters of the test cycles and the test results for the electric vehicle are summarized in Table 1.
Table 1.
Test cycle parameters and test results for the electric vehicle.
As a result of the tests, we found that the electric vehicle was capable of travelling along the two routes under consideration with a partial load (13,600 kg) and being fully loaded (16,000 kg). In this case, the depth of discharge can be seen in SOC(t) plots in Figure 3 and Figure 5, respectively.
To investigate the aging process of a battery [25], a system of equations describing the dependence on battery temperature (), the charge level (), and the values of the charge and discharge currents () was compiled [26].
The United States Advanced Battery Consortium defines two operational modes for PHEVs: Charge-Depleting (CD) and Charge-Sustaining (CS). A ratio of CD-CS to the total operating time is defined as follows:
which indicates the fraction of time spent in the CD mode over the total operation time. Therefore, corresponds to the CD operation, i.e., all of the operating time is spent in CD. corresponds to the CS operation; that is, all of the operating time is spent in CS. Arranging the ratios such that corresponds to the mixed operation, i.e., the total operating time is divided between CD and CS.
is the estimated loss of battery capacity during the experiment;
is the minimum state of charge of a cell;
is the minimum state of charge of a cell;
is the factor depending on a degree of charge and the ratio of charge time to discharge time.
4. Mathematical Modelling of the Traction Electrical System in an Electric Truck
In order to determine the charging and discharging currents in a battery pack, when driving according to a standardised cycle, a mathematical model of the traction electrical equipment system in an electric vehicle was developed as part of the present work [27,28]. A mathematical model of an electric vehicle makes it possible to obtain the performance characteristics of the battery in different driving cycles [29,30,31].
The development of the mathematical model involved several steps, including:
- The development of a mathematical model that takes into account the mechanical characteristics of the vehicle;
- Verification of the obtained data with the results of vehicle test runs by comparing the acceleration characteristics in the simulation with real characteristics when driving according to an acceleration cycle along a straight road;
- The integration of a mechanical model into the electrical model in order to calculate the energy performance, reliable traction electrical system (TES) parameters and vehicle dynamics (VD).
The mathematical model contains a battery pack which can be configured for different parameters and chemical compositions. Our work provides a mathematical description of a squirrel-cage induction machine. This type of electric motor is used in the electric portal axle of an electric vehicle [32].
The mathematical model is formed using specialised software. The main extension packages used in the study are from MatLab library Simulink [33]. The extensively developed Simulink extension is mostly adapted for the analysis and synthesis of various systems [34,35,36]. This extension provides a variety of possibilities ranging from a structural (mathematical) representation of the system to the generation of codes in high-level languages and the subsequent programming of microprocessors according to the structural diagram of the model [37,38].
For calculating the basic characteristics of the vehicle, the parameters of a Mitsubishi MIEV electric truck were selected [39]. The parameters of the vehicle are given in Table 2.
Table 2.
Vehicle parameters and traffic conditions.
The model proposed below is based on speed, torque consumed by the motor, electrical power, mechanical power output by the motor and the depth of discharge of the battery taking into account dynamic states of the electric vehicle (accelerated road travel, path profile, i.e., an angle of ascent and descent of the electric vehicle, and its mass).
Characteristics required for the calculations can be determined according to the following expressions [40]:
- -
- Required traction force on the drive wheels
is the acceleration/deceleration resistance;
where is the rotating mass factor;
is the aerodynamic drag:
Fα is the force of resistance to uphill movement:
- -
- the required torque on drive wheels is:
- -
- the speed of the TM shaft rotation is:
- -
- the required torque on the TM shaft is:
- -
- the drag torque on the electric vehicle (EV) shaft is:
- -
- the required power on the shaft of the TM is calculated by the following formula, kW:
- -
- The actual speed of the vehicle is calculated according to the speed of the TM shaft using the following expression:
- -
- EV acceleration is as follows:
Information about the value of the resistance torque on the EDG shaft, Mc, serves as an input parameter for the mathematical model of EV. Data on the required values of torque, speed and power on the EV shaft are used in the calculation of load moments in the TM [41,42,43].
The process of model creation begins with a mathematical description of a traction motor used as part of an electric portal bridge [44]. The initial data are presented in Table 3.
Table 3.
Parameters of the electric motor installed in the electric portal bridge.
The energy performance of the system is proposed to be determined by means of a mathematical model of an electric vehicle traction electrical system [45,46].
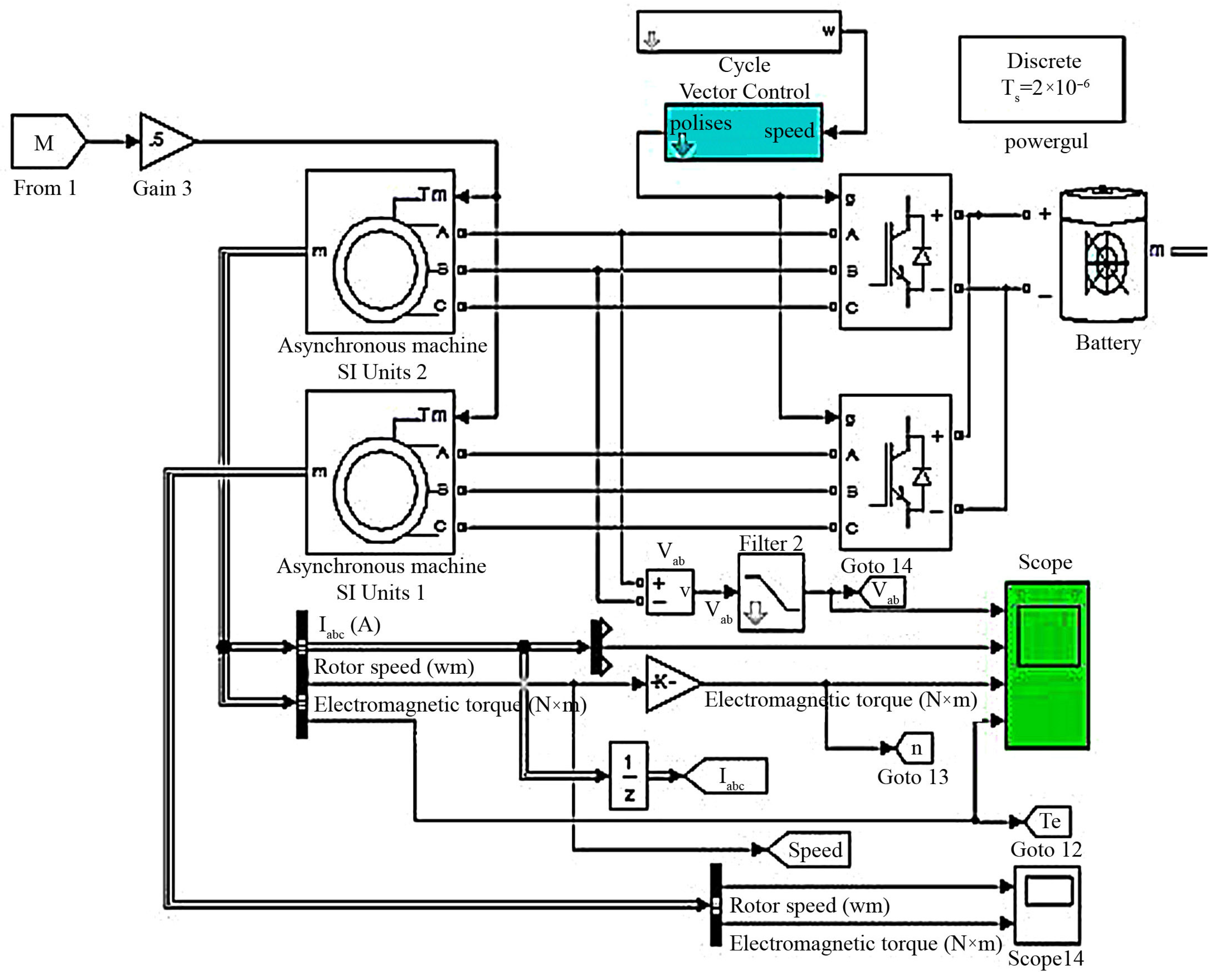
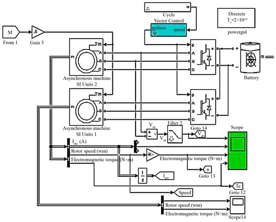
A functional diagram of a generalised model of the electric vehicle’s traction electrical equipment system is shown in Figure 6.
Figure 6.
Mathematical model of the traction electrical equipment of an electric vehicle.
The mathematical model includes:
- Model of a traction electric machine;
- Model of an electric energy conversion and a control system for the traction electrical equipment (two inverters for each electric motor);
- Traction battery model;
- Model of a system for calculating traction forces on the shaft of electric motors.
In addition, the scheme uses measuring devices and auxiliary units to perform mathematical modelling and determine the system performance in given driving cycles [47,48,49].
4.1. Mathematical Model Considering the Mechanical Characteristics of the Vehicle, and Subsequent Verification of Traction Characteristics
In order to observe the mechanical characteristics of an induction motor, it is necessary to perform system modelling over the entire motor speed range [50].
The speed is calculated using Formula (7). To calculate the tractive effort of a torque on a motor shaft, the following formula must be used:
The mechanical characteristics for maximum power are calculated using the ratio of power to speed [51]; an external characteristic of the motor is shown in Figure 7.
Figure 7.
External characteristic of the electric motor.
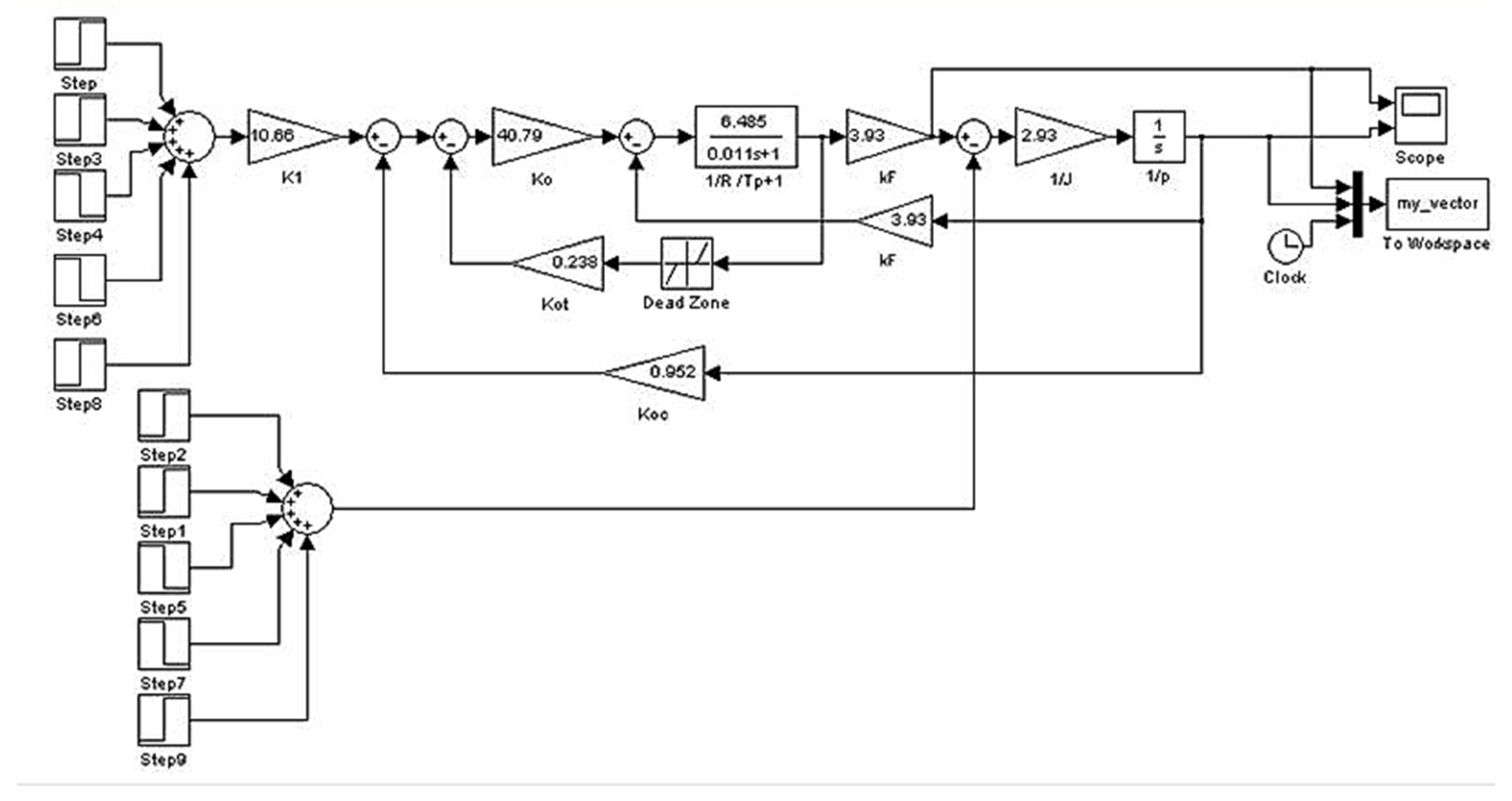
The maximum speed of the traction motor was 11,000 rpm. The maximum torque was 450 Nm. These characteristics allow for the creation of a mechanical verification model for the electric vehicle (Figure 8). The model allows us to clarify the traction-dynamic characteristics of the electric vehicle by comparing the acceleration characteristic in the simulation with real data obtained in experimental studies.
Figure 8.
Structural diagram of a mechanical model of an electric vehicle.
The model consists of the following blocks:
- A vehicle characterisation unit;
- A block for calculating the torque in a cycle;
- A vehicle dynamics calculation unit;
- A braking system unit;
- A dynamic characteristics calculation block;
- A block for calculating energy characteristics;
- An oscilloscope unit.
A vehicle characterisation block (Figure 9) consists of sub-blocks, including:
Figure 9.
Vehicle characterisation block.
- A motion cycle setting unit;
- A unit for calculating the moment of resistance to vehicle movement;
- A vehicle inertia calculation unit.
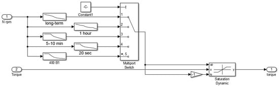
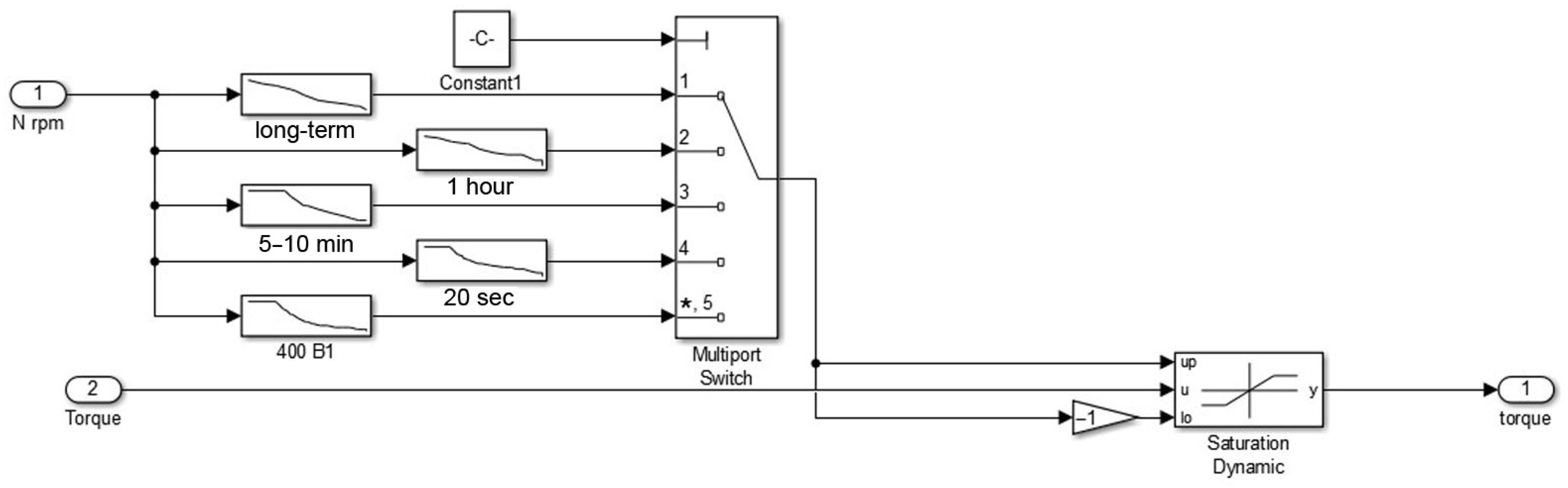
A motion cycle setting block is shown in Figure 10, consisting of data tables that describe motion cycles in the form of speed vs. time dependencies. The blocks are numbered and connected to a multiport switch. The switch allows you to quickly change the cycle of motion when loading the initial data into the modelling process.
Figure 10.
Motion cycle setting block.
The block converts the value of an angular frequency in an engine shaft rotation into a linear speed of a car using the function “w_V”, which is calculated according to Formula (11). After converting the frequency into speed, a signal is fed to a “Moment of resistance to movement” block (Figure 11), which realises the dependence (9). Blocks “Constant1”, “Relational Operator” and “Switch” (the original names of the blocks used in the Simulink software (v10.2) are given) are necessary for programme zeroing the resistance forces when stopping the vehicle. This function is intended to eliminate possible errors in the calculation and an incorrect determination of drag forces at the moment when the vehicle has come to a complete stop.
Figure 11.
Block for calculating the moment of resistance to vehicle movement.
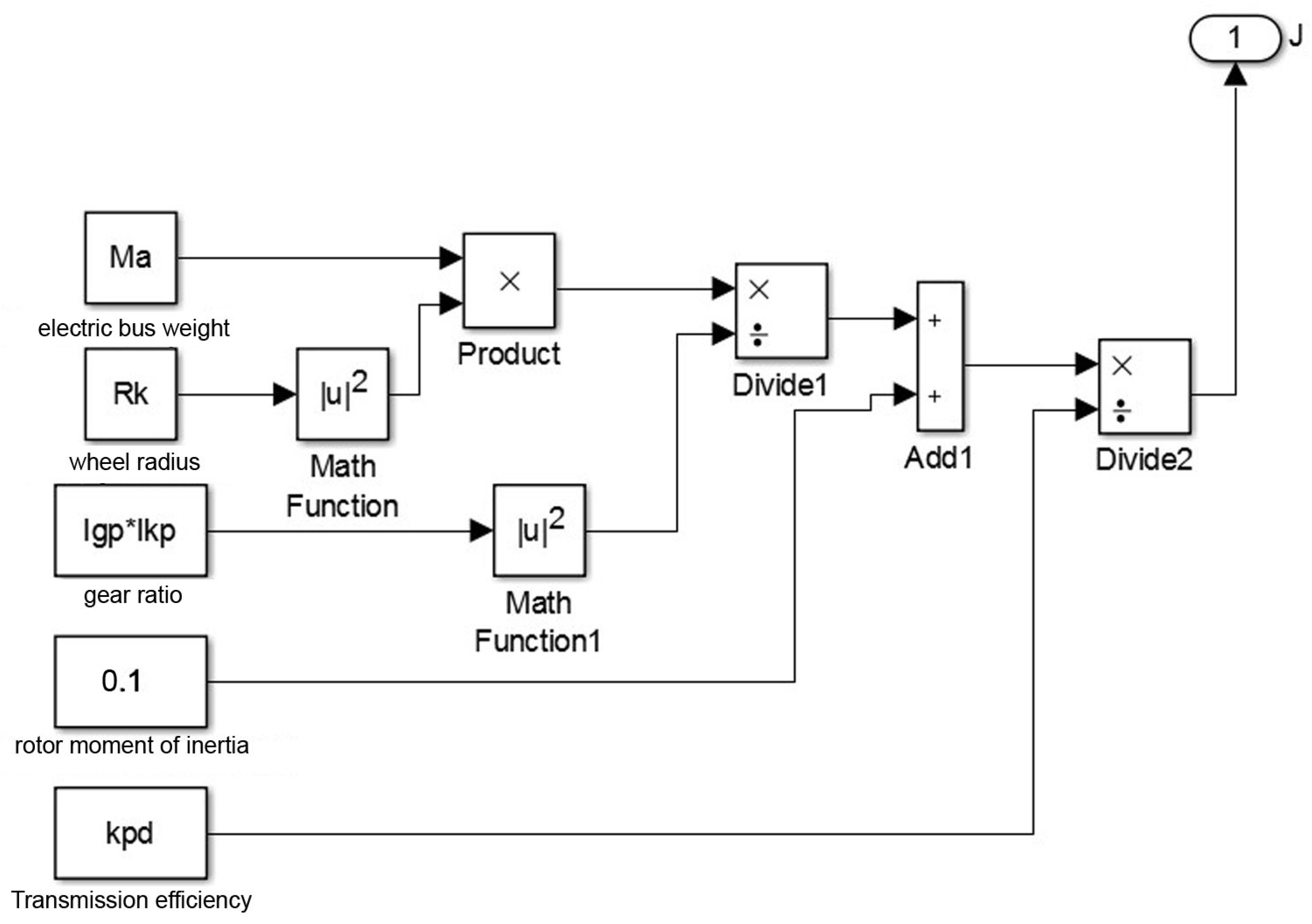
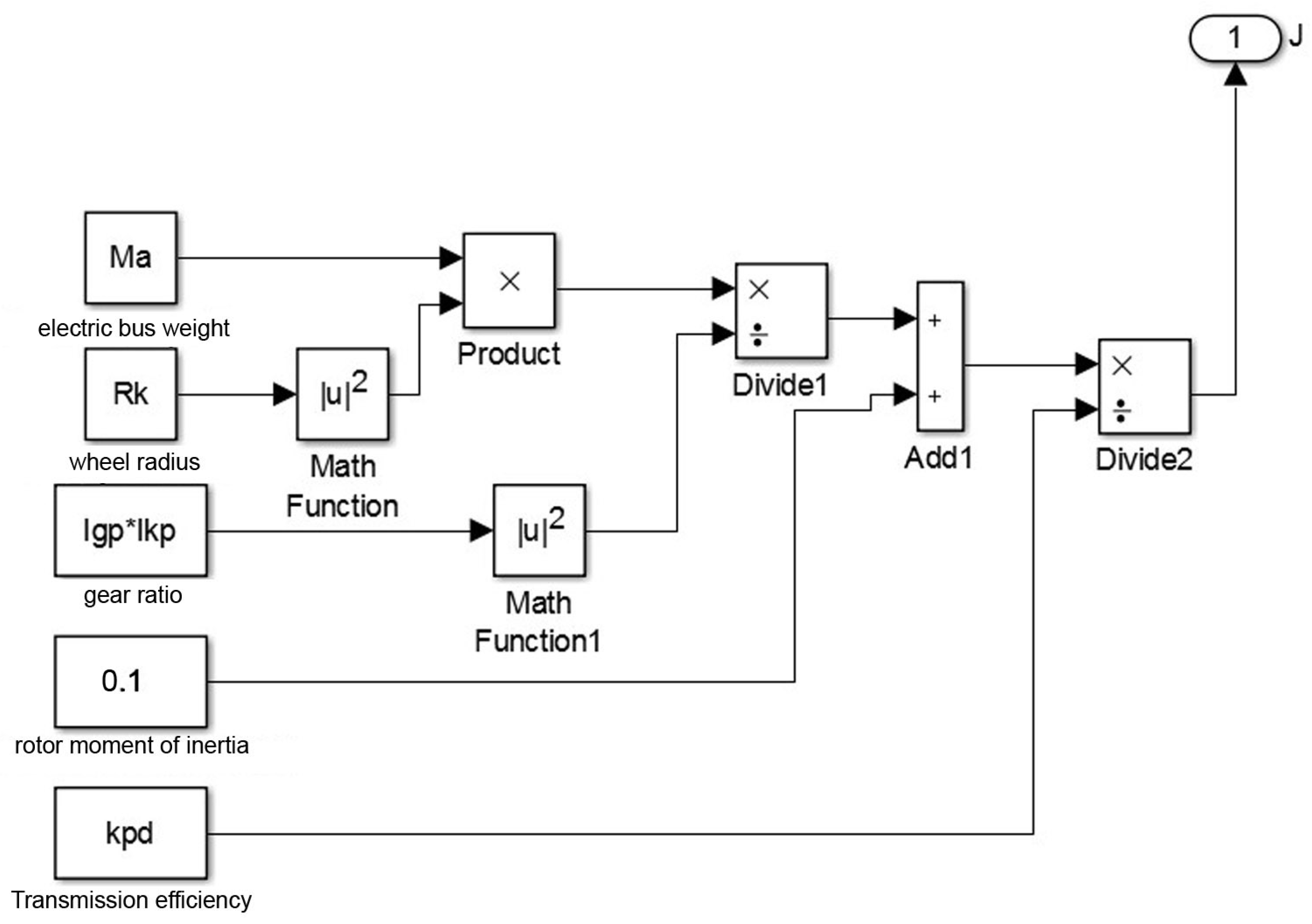
The block in Figure 12 calculates the vehicle’s moment of inertia using the following formula:
where is the electric mobile weight; is the rotor moment of inertia.
Figure 12.
Unit for calculating the moment of inertia applied to the motor shaft.
This formula allows us to find an approximate moment of inertia for the car [52]. In order to find the real moment of inertia, it is necessary to verify the model.
In addition to receiving a signal from the motion cycle [53], the model allows us to use external speed information to compare the speed during mathematical modelling with the data registered via the CAN protocol. In this case, the data obtained as a result of calculations are fed to a block to calculate the error in the obtained results and can also be sent to an oscilloscope block. To obtain data from the CAN protocol, a workspace block is used.
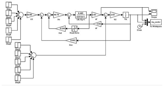
A structure of the block for calculating the required torque per cycle is shown in Figure 13.
Figure 13.
Block for calculating the torque by cycle.
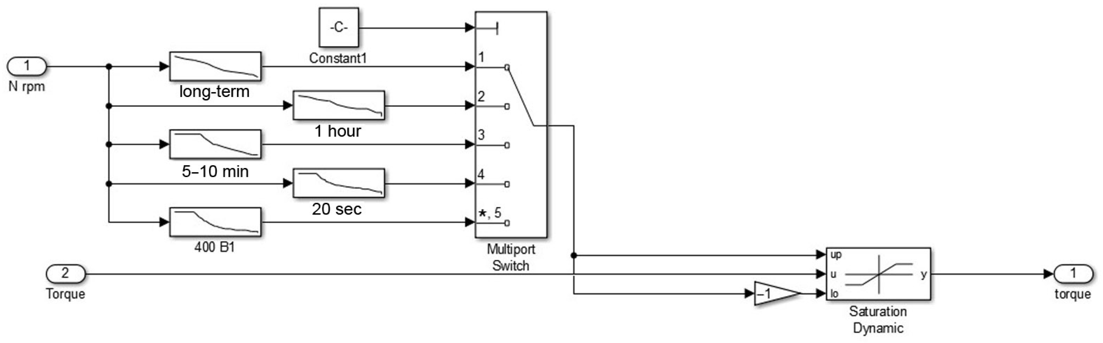
The unit consists of a “PI controller” [54], which compares the error between the theoretical cycle-defined angular speed of the TM shaft and the actual speed. The output of the “PI controller” calculates a motor torque signal including all losses. The content of the torque calculation block is shown in Figure 14. Just like the cycle assignment block, the submodel consists of data tables and a switch between characteristics. The submodel allows the dynamic characteristics of the vehicle to be calculated for all possible modes of operation of the electric drive.
Figure 14.
Block for calculating the required torque in a motion cycle taking into account the motor-operating mode.
The model is equipped with a special unit designed to realise an OEM braking system. The OEM braking scheme is shown in Figure 15.
Figure 15.
Standard braking system.
The braking control system increases the drag torque on the motor shaft if the vehicle speed is higher than the speed in a given driving cycle [55,56,57]. The model is necessary when comparing the results from the test protocol. The electric vehicle uses regenerative braking in addition to a conventional braking system. The energy generated by the braking torque of the electric motor is used to charge the battery. However, in a case where the battery is fully charged and cannot accept energy, the regenerative torque needs to be limited by the OEM braking system [58]. The ratio of the mechanical braking system to the electrical braking system determines an efficiency and electrical energy consumption. When driving in a cycle, the braking system unit can be switched off so that full energy regeneration takes place. The “Saturation 1” block limits values above zero so that the controller will only switch on the regular system when there is an insufficient regenerative torque [59,60]. The mechanical braking torque calculation block captures an error between the theoretical speed in the cycle and the actual speed, and it uses the controller to add a braking torque. When the regenerative torque is sufficient, the error between the speeds in the braking mode is zero.
The block in Figure 16 calculates the angular acceleration according to the following formula:
where Ft is the coefficient of viscous friction for the motor shafts (Ft is 0.03 Nms).
Figure 16.
Vehicle dynamics calculation block.
The integration of the obtained value for the acceleration over time using the integrator block allows for determining the angular velocity of the motor shaft. The blocks for the calculation of dynamic and energy characteristics reflect mathematical dependencies for calculating the distance travelled, the average speed in the cycle, useful energy, the specific consumption and the useful power in the shaft [61]. The oscilloscope block contains oscilloscopes of all measured quantities.
4.2. Verification of the Mechanical Model with Real Test Results
To verify the vehicle dynamics in this work, the data obtained using the CAN bus during testing an electric vehicle in accordance with “EN 1986-1:1997. Electrically propelled road vehicles—Measurement of energy performances” [62] were used.
The following characteristics were measured as a result of the tests:
- Torques of electric motors;
- Motor shaft speed;
- Actual speed of the electric vehicle.
Using the experimental data on driving in other conditions does not allow us to estimate real drag forces acting on the wheels of an electric vehicle, because a drag moment reduced to a motor shaft will be greater when climbing and less when descending due to the presence of a drag moment when the vehicle is travelling along an uneven road [63,64].
Figure 17 shows speed characteristics of an electric vehicle when driving according to a standardised cycle.
Figure 17.
Electric car driving along a flat road.
Figure 18 shows oscillograms of motor torques when driving in a given cycle.
Figure 18.
Motor torque graph obtained from the experimental study: black line—engine torque; blue line—resistance torque.
To verify the model, the sum of torques of electric motors measured under experimental conditions (Figure 18) was input to the car dynamics calculation block (Figure 16). During the first run of the model, without taking into account the moments of inertia in the vehicle coupling mechanisms, the cycle speed significantly exceeded the simulation speed (Figure 19).
Figure 19.
Comparison of electric vehicle speeds in simulation and real tests: black line—simulation movement; blue line—real car movement.
After comparing the results, a value of the moment of inertia was corrected to take into account rotating masses of gears used in an electric portal bridge [63]. After re-running the mathematical model, the graph of acceleration plots matched the values provided in the test report (Figure 20).
Figure 20.
Comparison of electric vehicle speeds in simulation and real tests after correcting a moment of inertia: black line—simulation movement; blue line—real car movement.
As a result, the maximum error was 0.3% in the braking mode. The total error was 0.8%. A graph of the error in the cycle is shown in Figure 21.
Figure 21.
Modeling error in a motion cycle.
The data obtained from the mechanical model were duplicated in its electrical part, and verification of the mechanical performance with a maximum error of 0.8% was achieved.
4.3. Verification of the Energy Performance of an Electric Bus
The energy consumption in real tests using the CAN protocol was 1.69 kWh/km. In order to compare the obtained consumption data, it is necessary to perform mathematical modelling according to the driving cycle [64]. Since energy recovery is limited, and a standard braking system together with regeneration was applied during driving, the verification of the energy consumption would be unreliable. Therefore, to compare the energy performance, it is necessary to compare the energy expended without regeneration [65].
The value of the battery energy consumption measured in a cycle was 4.4 kWh. The same parameter obtained by the mathematical modelling of the vehicle movement without energy recovery was 4.48 kWh. The difference is due to the fact that, during stopping and braking, the battery current in the mathematical model is not equal to zero. A combination of the obtained values of the battery energy without regeneration in real tests and simulation in the driving cycle is shown in Figure 22.
Figure 22.
Matching battery energy without considering regeneration in real tests and in driving cycle: black line—simulation movement; blue line—real car movement.
The graph shows a discrepancy between the real tests and the modelling of the system in the middle of the cycle, which is due to considering the own needs of an electric vehicle, as well as the operation of a compressor of a pneumatic system [66].
The results obtained allow us to obtain energy characteristics not only in driving cycles measured as a result of experimental studies, but also to calculate characteristics in standardised driving cycles with maximum reliability [67,68,69].
4.4. Verification of Speed Characteristics with a Test Report
According to the tests we performed, the acceleration required for an electric car to reach a speed of 60 km/h is 33.8 s. To verify the acceleration, an external motor characteristic is required. Taking into account the fact that motors do not operate in an optimal range of battery voltage and external characteristics given in the specification cannot be realised, it is necessary to obtain an external characteristic from acceleration tests on an electric car. A family of external characteristics is obtained from tests on an electric vehicle in individual modes. To investigate the acceleration characteristic, the external characteristic obtained at a battery charge level of 35% was used in the simulation. Other characteristics were not analysed because measurements were carried out for the sections during descents and ascents. The external characteristic we obtained are shown in Figure 23.
Figure 23.
External characteristic obtained from testing an electric vehicle: black line—engine torque; blue line—resistance torque.
The torque signal of an external velocity characteristic is input to a mechanical model. This compares velocities over a motion cycle and a simulation velocity (Figure 24).
Figure 24.
Experimental estimation of velocities in a motion cycle: black line—simulation movement; blue line—real car movement.
According to the simulation results, an acceleration to a speed of 58 km/h took 30 s. Taking into account the battery discharge and limitations applied to an electric vehicle, a difference of 0.1 s can be considered acceptable.
5. Conclusions
A mathematical model of an electric loader has been developed, including modules for a traction battery to determine battery discharge depth in an electrically driven mode of operation; a traction electric system for the electric loader; and a system for calculating traction forces on a shaft in an electric motor. As a result of modelling, the charging and discharging currents in an accumulator battery in a real cycle of movement in peak and nominal modes of operation of electric motors at different voltages of the accumulator battery have been determined.
A functional diagram of a generalised model of an electric vehicle traction electrical equipment system has been developed. The battery charge degree, torques of induction motors, temperature of electric motors and inverters, battery voltage and the speed of electric motors have been measured and analysed.
The characteristics of a battery pack’s performance, when an electric vehicle is travelling along a route, were obtained. Measurements were carried out using the CAN technology, different electric vehicle weights and road conditions. As a result, we have found that an electric bus can drive two complete cycles along the route. A comprehensive mathematical model of the electric vehicle, including a traction battery, two inverters and two asynchronous electric motors integrated into a portal axle of the electric vehicle, has been developed to obtain and investigate battery load parameters in real driving cycles. Vector control of induction motors in mathematical modelling has been implemented. The work has shown that the developed mathematical model can be used to calculate battery load parameters in standardised driving cycles. Data verification was carried out by comparing data obtained during driving, according to EN 1986-1:1997 [62] Electrically propelled road vehicles—Measurement of energy performances”, with the results of the mathematical modelling.
The comparison of the characteristics obtained when modelling the electric vehicle in peak and recommended modes shows a significant improvement in the energy characteristics of the battery. The current plots obtained in the nominal driving mode can be used to further calculate the lifetime and thermal characteristics of the battery. This provides a theoretical and experimental mathematical platform for both electric vehicle developers and organisations involved in the operation and maintenance of electric vehicles. The performance characteristics of a battery pack, while driving a Mitsubishi MIEV electric vehicle, have been obtained. The measurements have been performed with different electric bus weights and road conditions.
Author Contributions
Conceptualization, B.V.M. and N.V.M.; methodology, V.V.K. (Vladislav V. Kukartsev) and V.Y.K.; software, T.A.O.; validation, T.A.O.; formal analysis, N.S.S.; investigation, V.E.G.; resources, V.V.K. (Viktor V. Kondratiev); data curation, V.V.K. (Viktor V. Kondratiev); writing—original draft preparation, B.V.M. and N.V.M.; writing—review and editing, V.V.K. (Vladislav V. Kukartsev) and V.Y.K.; visualization, N.S.S. and V.E.G.; All authors have read and agreed to the published version of the manuscript.
Funding
This research received no external funding.
Data Availability Statement
Data are contained within the article.
Conflicts of Interest
The authors declare no conflicts of interest.
References
- Casals, L.C.; Martinez-Laserna, E.; García, B.A.; Nieto, N. Sustainability analysis of the electric vehicle use in Europe for CO2 emissions reduction. J. Clean. Prod. 2016, 127, 425–437. [Google Scholar] [CrossRef]
- Colvile, R.N.; Hutchinson, E.J.; Mindell, J.S.; Warren, R.F. The transport sector as a source of air pollution. Atmos. Environ. 2001, 35, 1537–1565. [Google Scholar] [CrossRef]
- Waldmann, T.; Kasper, M.; Fleischhammer, M.; Wohlfahrt-Mehrens, M. Temperature dependent aging mechanisms in Lithium-Ion batteries—A Post-Mortem study. J. Power Sources 2014, 363, 129–135. [Google Scholar] [CrossRef]
- Filina, O.A.; Tynchenko, V.S.; Kukartsev, V.A.; Bashmur, K.A.; Pavlov, P.P.; Panfilova, T.A. Increasing the Efficiency of Diagnostics in the Brush-Commutator Assembly of a Direct Current Electric Motor. Energies 2024, 17, 17. [Google Scholar] [CrossRef]
- Xia, B.; Wang, S.; Tian, Y.; Sun, W.; Xu, Z.; Zheng, W. Experimental study on the linixcoymnzo2 lithium-ion battery characteristics for model modification of SOC estimation. Inf. Technol. J. 2014, 13, 2395–2403. [Google Scholar] [CrossRef]
- Boychuk, I.P.; Grinek, A.V.; Tynchenko, V.S.; Kukartsev, V.A.; Tynchenko, Y.A.; Kondratiev, S.I. A Methodological Approach to the Simulation of a Ship’s Electric Power System. Energies 2023, 16, 8101. [Google Scholar] [CrossRef]
- Li, X.; Jiang, J.; Zhang, C.; Wang, L.Y.; Zheng, L. Robustness of SOC estimation algorithms for EV lithium-ion batteries against modelling errors and measurement noise. Math. Probl. Eng. 2015, 2015, 719490. [Google Scholar]
- Tian, Y.; Xia, B.; Wang, M.; Sun, W.; Xu, Z. Comparison study on two model-based adaptive algorithms for SOC estimation of lithium-ion batteries in electric vehicles. Energies 2014, 7, 8446–8464. [Google Scholar] [CrossRef]
- Tseng, K.-H.; Liang, J.-W.; Chang, W.; Huang, S.-C. Regression models using fully discharged voltage and internal resistance for state of health estimation of lithium-ion batteries. Energies 2015, 8, 2889–2907. [Google Scholar] [CrossRef]
- Kukartsev, V.V.; Gozbenko, V.E.; Konyukhov, V.Y.; Mikhalev, A.S.; Kukartsev, V.A.; Tynchenko, Y.A. Determination of the Reliability of Urban Electric Transport Running Autonomously through Diagnostic Parameters. World Electr. Veh. J. 2023, 14, 334. [Google Scholar] [CrossRef]
- Hafsaoui, J.; Sellier, F. Electrochemical model and its parameters identification tool for the follow-up of battery aging. World Electric. Veh. J. 2010, 4, 386–395. [Google Scholar] [CrossRef]
- Prada, E.; Di Domenico, D.; Creff, Y.; Sauvant-Moynot, V. Towards advanced BMS algorithms development for (p)hev and EV by using a physics-based model of Li-Ion Battery Systems. World Electric. Veh. J. 2013, 6, 807–818. [Google Scholar] [CrossRef]
- Varini, M.; Campana, P.E.; Lindbergh, G. A semi-empirical, electrochemistry-based model for Li-ion battery performance prediction over lifetime. J. Energy Storage 2019, 25, 100819. [Google Scholar] [CrossRef]
- Ashwin, T.R.; McGordon, A.; Jennings, P.A. Electrochemical modelling of li-ion battery packs with constant voltage cycling. J. Power Sources 2017, 341, 327–339. [Google Scholar] [CrossRef]
- Somakettarin, N.; Pichetjamroen, A. A study on modelling of effective series resistance for lithium-ion batteries under life cycle consideration. IOP Conf. Ser. Earth Environ. Sci. 2019, 322, 012008. [Google Scholar] [CrossRef]
- Kuo, T.J.; Lee, K.Y.; Chiang, M.H. Development of a neural network model for SOH of LiFePO4 batteries under different aging conditions. IOP Conf. Ser. Mater. Sci. Eng. 2019, 486, 012083. [Google Scholar] [CrossRef]
- Davydenko, L.; Davydenko, N.; Bosak, A.; Bosak, A.; Deja, A.; Dzhuguryan, T. Smart Sustainable Freight Transport for a City Multi-Floor Manufacturing Cluster: A Framework of the Energy Efficiency Monitoring of Electric Vehicle Fleet Charging. Energies 2022, 15, 3780. [Google Scholar] [CrossRef]
- Mamun, K.A.; Islam, F.R.; Haque, R.; Chand, A.A.; Prasad, K.A.; Goundar, K.K.; Prakash, K.; Maharaj, S. Systematic Modelling and Analysis of On-Board Vehicle Integrated Novel Hybrid Renewable Energy System with Storage for Electric Vehicles. Sustainability 2022, 14, 2538. [Google Scholar] [CrossRef]
- Chao, P.-P.; Zhang, R.-Y.; Wang, Y.-D.; Tang, H.; Dai, H.-L. Warning model of new energy vehicle under improving time-to-rollover with neural network. Meas. Control 2022, 55, 1004–1015. [Google Scholar] [CrossRef]
- Pusztai, Z.; K’orös, P.; Szauter, F.; Friedler, F. Vehicle Model-Based Driving Strategy Optimisation for Lightweight Vehicle. Energies 2022, 15, 3631. [Google Scholar] [CrossRef]
- Mariani, V.; Rizzo, G.; Tiano, F.; Glielmo, L. A model predictive control scheme for regenerative braking in vehicles with hybridised architectures via aftermarket kits. Control Eng. Pract. 2022, 123, 105142. [Google Scholar] [CrossRef]
- Martyushev, N.V.; Malozyomov, B.V.; Filina, O.A.; Sorokova, S.N.; Efremenkov, E.A.; Valuev, D.V.; Qi, M. Stochastic Models and Processing Probabilistic Data for Solving the Problem of Improving the Electric Freight Transport Reliability. Mathematics 2023, 11, 4836. [Google Scholar] [CrossRef]
- Li, S.; Yu, B.; Feng, X. Research on braking energy recovery strategy of electric vehicle based on ECE regulation and I curve. Sci. Prog. 2020, 103, 0036850419877762. [Google Scholar] [CrossRef]
- Laadjal, K.; Cardoso, A.J.M. Estimation of Lithium-Ion Batteries State-Condition in Electric Vehicle Applications: Issues and State of the Art. Electronics 2021, 10, 1588. [Google Scholar] [CrossRef]
- Cordoba, A. Capacity and power fade cycle-life model for plug-in hybrid electric vehicle lithium-ion battery cells containing blended spinel and layered-oxide positive electrodes. J. Power Sources 2015, 278, 473–483. [Google Scholar] [CrossRef]
- Mei, J.; Zuo, Y.; Lee, C.H.; Wang, X.; Kirtley, J.L. Stochastic optimisation of multi-energy system operation considering hydrogen-based vehicle applications. Adv. Appl. Energy 2021, 2, 100031. [Google Scholar] [CrossRef]
- Wu, X. Research and Implementation of Electric Vehicle Braking Energy Recovery System Based on Computer. J. Phys. Conf. Ser. 2021, 1744, 022080. [Google Scholar] [CrossRef]
- Sorokova, S.N.; Efremenkov, E.A.; Valuev, D.V.; Qi, M. Review Models and Methods for Determining and Predicting the Reliability of Technical Systems and Transport. Mathematics 2023, 11, 3317. [Google Scholar] [CrossRef]
- Domanov, K.; Shatohin, A.; Nezevak, V.; Cheremisin, V. Improving the technology of operating electric locomotives using electric power storage device. E3S Web Conf. 2019, 110, 01033. [Google Scholar] [CrossRef]
- Debelov, V.V.; Endachev, D.V.; Yakunov, D.M.; Deev, O.M. Charging balance management technology for low-voltage battery in the car control unit with combined power system. IOP Conf. Ser. Mater. Sci. Eng. 2019, 534, 012029. [Google Scholar] [CrossRef]
- Malozyomov, B.V.; Martyushev, N.V.; Konyukhov, V.Y.; Oparina, T.A.; Zagorodnii, N.A.; Efremenkov, E.A.; Qi, M. Mathematical Analysis of the Reliability of Modern Trolleybuses and Electric Buses. Mathematics 2023, 11, 3260. [Google Scholar] [CrossRef]
- Liu, X.; Zhao, M.; Wei, Z.; Lu, M. The energy management and economic optimisation scheduling of microgrid based on Coloured Petri net and Quantum-PSO algorithm. Sustain. Energy Technol. Assess. 2022, 53, 102670. [Google Scholar] [CrossRef]
- Tormos, B.; Pla, B.; Bares, P.; Pinto, D. Energy Management of Hybrid Electric Urban Bus by Off-Line Dynamic Programming Optimisation and One-Step Look-Ahead Rollout. Appl. Sci. 2022, 12, 4474. [Google Scholar] [CrossRef]
- Zhou, J.; Feng, C.; Su, Q.; Jiang, S.; Fan, Z.; Ruan, J.; Sun, S.; Hu, L. The Multi-Objective Optimisation of Powertrain Design and Energy Management Strategy for Fuel Cell-Battery Electric Vehicle. Sustainability 2022, 14, 6320. [Google Scholar] [CrossRef]
- Wang, Y.; Chen, N.; Fan, G.; Yang, D.; Rao, L.; Cheng, S.; Song, X. DLPformer: A Hybrid Mathematical Model for State of Charge Prediction in Electric Vehicles Using Machine Learning Approaches. Mathematics 2023, 11, 4635. [Google Scholar] [CrossRef]
- Sorokova, S.N.; Efremenkov, E.A.; Qi, M. Mathematical Modelling the Performance of an Electric Vehicle Considering Various Driving Cycles. Mathematics 2023, 11, 2586. [Google Scholar] [CrossRef]
- Ehsani, M.; Wang, F.-Y.; Brosch, G.L. (Eds.) Transportation Technologies for Sustainability; Springer: New York, NY, USA, 2013. [Google Scholar]
- Voitovich, E.V.; Kononenko, R.V.; Konyukhov, V.Y.; Tynchenko, V.; Kukartsev, V.A.; Tynchenko, Y.A. Designing the Optimal Configuration of a Small Power System for Autonomous Power Supply of Weather Station Equipment. Energies 2023, 16, 5046. [Google Scholar] [CrossRef]
- Sorokova, S.N.; Efremenkov, E.A.; Qi, M. Mathematical Modelling of Mechanical Forces and Power Balance in Electromechanical Energy Converter. Mathematics 2023, 11, 2394. [Google Scholar] [CrossRef]
- Raugei, M.; Hutchinson, A.; Morrey, D. Can electric vehicles significantly reduce our dependence on non-renewable energy? Scenarios of compact vehicles in the UK as a case in point. J. Clean. Prod. 2018, 201, 1043–1051. [Google Scholar] [CrossRef]
- Xia, Q.; Wang, Z.; Ren, Y.; Sun, B.; Yang, D.; Feng, Q. A reliability design method for a lithium-ion battery pack considering the thermal disequilibrium in electric vehicles. J. Power Sources 2018, 386, 10–20. [Google Scholar] [CrossRef]
- Balagurusamy, E. Reliability Engineering, First. P-24, Green Park Extension; McGraw Hill Education (India) Private Limited: New Delhi, India, 2002. [Google Scholar]
- Malozyomov, B.V.; Martyushev, N.V.; Kukartsev, V.V.; Tynchenko, V.S.; Bukhtoyarov, V.V.; Wu, X.; Tyncheko, Y.A.; Kukartsev, V.A. Overview of Methods for Enhanced Oil Recovery from Conventional and Unconventional Reservoirs. Energies 2023, 16, 4907. [Google Scholar] [CrossRef]
- Khalikov, I.H.; Kukartsev, V.A.; Kukartsev, V.V.; Tynchenko, V.S.; Tynchenko, Y.A.; Qi, M. Review of Methods for Improving the Energy Efficiency of Electrified Ground Transport by Optimizing Battery Consumption. Energies 2023, 16, 729. [Google Scholar]
- Aggarwal, K.K. Maintainability and Availability, Topics in Safety Reliability and Quality; Springer: Dordrecht, The Netherlands, 1993. [Google Scholar]
- Shu, X.; Guo, Y.; Yang, W.; Wei, K.; Zhu, Y.; Zou, H. A Detailed Reliability Study of the Motor System in Pure Electric Vans by the Approach of Fault Tree Analysis. IEEE Access 2020, 8, 5295–5307. [Google Scholar] [CrossRef]
- Klyuev, R.V.; Dedov, S.I. Determination of Inactive Powers in a Single-Phase AC Network. Energies 2021, 14, 4814. [Google Scholar] [CrossRef]
- Klyuev, R.V.; Andriashin, S.N. Degradation of Lithium-Ion Batteries in an Electric Transport Complex. Energies 2021, 14, 8072. [Google Scholar] [CrossRef]
- Kukartsev, V.A.; Kukartsev, V.V.; Tynchenko, S.V.; Klyuev, R.V.; Zagorodnii, N.A.; Tynchenko, Y.A. Study of Supercapacitors Built in the Start-Up System of the Main Diesel Locomotive. Energies 2023, 16, 3909. [Google Scholar] [CrossRef]
- Xia, Q.; Wang, Z.; Ren, Y.; Tao, L.; Lu, C.; Tian, J.; Hu, D.; Wang, Y.; Su, Y.; Chong, J.; et al. A modified reliability model for lithium-ion battery packs based on the stochastic capacity degradation and dynamic response impedance. J. Power Sources 2019, 423, 40–51. [Google Scholar] [CrossRef]
- Isametova, M.E.; Nussipali, R.; Martyushev, N.V.; Malozyomov, B.V.; Efremenkov, E.A.; Isametov, A. Mathematical Modelling of the Reliability of Polymer Composite Materials. Mathematics 2022, 10, 3978. [Google Scholar] [CrossRef]
- Bolvashenkov, I.; Herzog, H.-G. Approach to predictive evaluation of the reliability of electric drive train based on a stochastic model. In Proceedings of the 2015 International Conference on Clean Electrical Power (ICCEP), Taormina, Italy, 16–18 June 2015; pp. 486–492. [Google Scholar]
- Ammaiyappan, B.S.; Ramalingam, S. Reliability investigation of electric vehicles. Life Cycle Reliab. Saf. Eng. 2019, 8, 141–149. [Google Scholar] [CrossRef]
- Khalilzadeh, M.; Fereidunian, A. A Markovian approach applied to reliability modelling of bidirectional DC-DC converters used in PHEVs and smart grids. IJEEE 2016, 12, 301–313. [Google Scholar]
- Kheradmand-Khanekehdani, H.; Gitizadeh, M. Well-being analysis of distribution network in the presence of electric vehicles. Energy 2018, 155, 610–619. [Google Scholar] [CrossRef]
- Sadeghian, O.; N-Heris, M.; Abapour, M.; Taheri, S.S.; Zare, K. Improving reliability of distribution networks using plug-in electric vehicles and demand response. J. Mod. Power Syst. Clean Energy 2019, 7, 1189–1199. [Google Scholar] [CrossRef]
- Galiveeti, H.R.; Goswami, A.K.; Choudhury, N.B.D. Impact of plug-in electric vehicles and distributed generation on reliability of distribution systems. Eng. Sci. Technol. Int. J. 2018, 21, 50–59. [Google Scholar] [CrossRef]
- Garcés Quílez, M.; Abdel-Monem, M.; El Baghdadi, M.; Yang, Y.; Van Mierlo, J.; Hegazy, O. Modelling, Analysis and Performance Evaluation of Power Conversion Units in G2V/V2G Application-A Review. Energies 2018, 11, 1082. [Google Scholar] [CrossRef]
- Yelemessov, K.; Sabirova, L.B.; Bakhmagambetova, G.B.; Atanova, O.V. Modelling and Model Verification of the Stress-Strain State of Reinforced Polymer Concrete. Materials 2023, 16, 3494. [Google Scholar] [CrossRef]
- Lacey, G.; Putrus, G.; Bentley, E. Smart EV charging schedules: Supporting the grid and protecting battery life. IET Electr. Syst. Transp. 2017, 7, 84–91. [Google Scholar] [CrossRef]
- Kasturi, K.; Nayak, C.K.; Nayak, M.R. Electric vehicles management enabling G2V and V2G in smart distribution system for maximizing profits using MOMVO. Int. Trans. Electr. Energy Syst. 2019, 29, e12013. [Google Scholar] [CrossRef]
- EN 1986-1:1997; Electrically propelled road vehicles—Measurement of energy performances. Slovenian Institute of Standardization: Ljubljana, Slovenia, 2024. Available online: https://standards.iteh.ai/catalog/standards/cen/b0a26ef0-5331-4c51-a488-c84e15b39b6e/en-1986-1-1997 (accessed on 20 December 2023).
- Malozyomov, B.V.; Kukartsev, V.V.; Martyushev, N.V.; Kondratiev, V.V.; Klyuev, R.V.; Karlina, A.I. Improvement of Hybrid Electrode Material Synthesis for Energy Accumulators Based on Carbon Nanotubes and Porous Structures. Micromachines 2023, 14, 1288. [Google Scholar] [CrossRef] [PubMed]
- Sorokova, S.N.; Efremenkov, E.A.; Qi, M. Mathematical Modelling of the State of the Battery of Cargo Electric Vehicles. Mathematics 2023, 11, 536. [Google Scholar] [CrossRef]
- Baranovskyi, D.; Bulakh, M.; Michajłyszyn, A.; Myamlin, S.; Muradian, L. Determination of the Risk of Failures of Locomotive Diesel Engines in Maintenance. Energies 2023, 16, 4995. [Google Scholar] [CrossRef]
- De Santis, M.; Silvestri, L.; Forcina, A. Promoting electric vehicle demand in Europe: Design of innovative electricity consumption simulator and subsidy strategies based on well-to-wheel analysis. Energy Convers. Manag. 2022, 270, 116279, ISSN 0196-8904. [Google Scholar] [CrossRef]
- Pollák, F.; Vodák, J.; Soviar, J.; Markovič, P.; Lentini, G.; Mazzeschi, V.; Luè, A. Promotion of Electric Mobility in the European Union-Overview of Project PROMETEUS from the Perspective of Cohesion through Synergistic Cooperation on the Example of the Catching-Up Region. Sustainability 2021, 13, 1545. [Google Scholar] [CrossRef]
- Volneikina, E.; Kukartseva, O.; Menshenin, A.; Tynchenko, V.; Degtyareva, K. Simulation-Dynamic Modelling of Supply Chains Based On Big Data. In Proceedings of the 2023 22nd International Symposium INFOTEH-JAHORINA, INFOTEH 2023, East Sarajevo, Bosnia and Herzegovina, 15–17 March 2023. [Google Scholar] [CrossRef]
- Tynchenko, V.S.; Tynchenko, Y.A.; Rogova, D.V.; Leonteva, A.A. Computational model of soldered details heating with considering the magnetic field distribution. J. Phys. Conf. Ser. 2022, 2373, 062015. [Google Scholar] [CrossRef]
Disclaimer/Publisher’s Note: The statements, opinions and data contained in all publications are solely those of the individual author(s) and contributor(s) and not of MDPI and/or the editor(s). MDPI and/or the editor(s) disclaim responsibility for any injury to people or property resulting from any ideas, methods, instructions or products referred to in the content. |
© 2024 by the authors. Licensee MDPI, Basel, Switzerland. This article is an open access article distributed under the terms and conditions of the Creative Commons Attribution (CC BY) license (https://creativecommons.org/licenses/by/4.0/).























