The Control Strategies for Charging and Discharging of Electric Vehicles in the Vehicle–Grid Interaction Modes
Abstract
1. Introduction
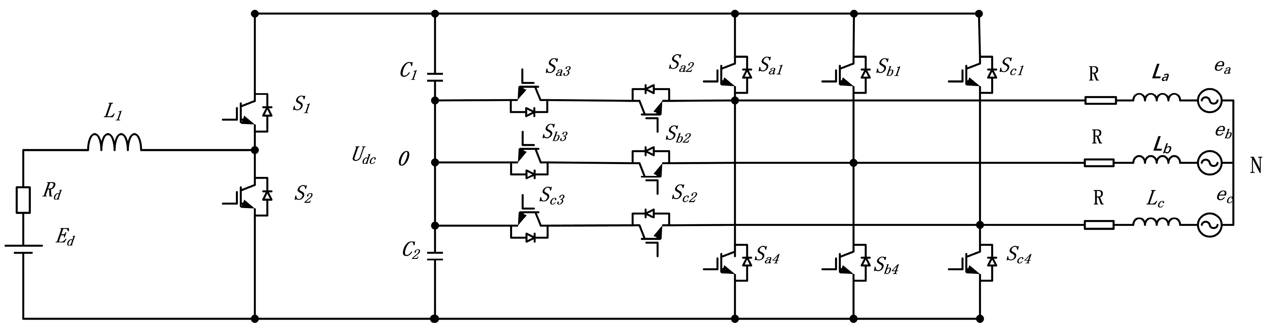
2. Two-Stage Bidirectional Three-Level AC/DC Topology Configuration
The Operational Principle of the T-Type Three-Level Converter
3. Bidirectional DC/DC Converter
3.1. Charging of Batteries and the Associated Decrease in Voltage
3.2. Enhancement of Battery Discharge Capabilities
4. Control Strategy for T-Type Three-Level Converters
Development of a Voltage Outer Loop Control System Utilizing Variable Structure Sliding Mode Techniques
5. Design of the Inner Loop Current Module
Development of a Variable Structure Current Inner Loop System Utilizing Linearization Techniques
6. Control Strategy for Bidirectional DC/DC Converters
6.1. Constant Current Charge and Discharge Control Methodology
6.2. Establish the Parameters for the DC Side
7. Midpoint Potential Balance Control Strategy
7.1. An Examination of the Midpoint Voltage Imbalance Issue
7.2. Injection of Zero-Sequence Voltage
8. Simulation Analysis
8.1. Design of Primary Circuit Parameters
8.2. Results and Analysis of the Simulation
8.3. Analysis of Charging Mode Simulation
8.4. Analysis of Discharge Mode Simulation
9. Conclusions
- V2G employs a two-stage architecture to expand the input voltage range, facilitating the independent design of control strategies for each stage. This approach allows for comprehensive management of the charging and discharging processes, thereby enhancing the longevity of the battery.
- The sliding mode variable structure voltage outer loop control strategy is characterized by rapid dynamic response, significant robustness, and enhanced resistance to interference, in addition to possessing substantial load capacity. By utilizing a linearized variable structure current inner loop control strategy, this approach facilitates the in-phase operation of grid-side current and voltage, thereby achieving a unity power factor.
- The midpoint potential balance control strategy regulates the midpoint potential by overlaying zero-sequence voltage onto the modulation waveform. This approach demonstrates effective control outcomes, features a straightforward design, exhibits broad applicability, and is relatively easy to implement.
Author Contributions
Funding
Data Availability Statement
Conflicts of Interest
References
- Wei, Y.; Han, X.; Lu, L.; Wang, H.; Li, J.; Ouyang, M. Prospect of interactive technology between new energy vehicles and vehicle network for carbon neutrality. Automot. Eng. 2022, 44, 449–464+444. [Google Scholar]
- Wang, Y.; Han, X.; Lu, L.; Feng, X.; Li, J.; Ouyan, M. Research prospect of electric vehicle power battery: Intelligent battery, intelligent management and intelligent energy. Automot. Eng. 2022, 44, 617–637. [Google Scholar]
- Acharige, S.S.G.; Haque, E.; Arif, M.T.; Hosseinzadeh, N.; Hasan, K.N.; Oo, A.M.T. Review of Electric Vehicle Charging Technologies, Standards, Architectures, and Converter Configurations. IEEE Access 2023, 11, 41218–41255. [Google Scholar] [CrossRef]
- Zhao, S.J.; Liu, Z.W.; Hao, H.; Zhao, F. Research on V2G KeyTechnology and Development Countermeasures in China. Automob. Technol. 2018, 9, 1–5. [Google Scholar]
- Xu, K.; Wang, S.Z.; Zhao, J.B.; Dou, X.; Zhang, P. Research on MicrogridDispatch Considering the Charge and Discharge Strategy of Electric Vehicles. In Proceedings of the 2020 12th IEEE PES Asia-Pacific Power and Energy Engineering Conference (APPEEC), Nanjing, China, 20–23 September 2020. [Google Scholar]
- Iqbal, S.; Xin, A.; Jan, M.U.; Abdelbaky, M.A.; Rehman, H.U.; Salman, S.; Rizvi, S.A.A.; Aurangzeb, M. Aggregation of EVs for Primary Frequency Control of an Industrial Microgrid by Implementing Grid Regulation & Charger Controller. IEEE Access 2020, 8, 141977–141989. [Google Scholar]
- Han, J.G.; Gu, X.; Yang, Y.; Tang, T. Dynamic Improvement with a Feedforward Control Strategy of Bidirectional DC-DC Converter for Battery Charging and Discharging. Electronics 2020, 9, 1738. [Google Scholar] [CrossRef]
- Li, Z.; Khajepour, A.; Song, J. A comprehensive review of the key technologies for pure electric vehicles. Energy 2019, 182, 824–839. [Google Scholar] [CrossRef]
- Sharma, A.; Sharma, S. Review of Power Electronics in Vehicle-to-Grid Systems. J. Energy Storage 2023, 21, 337–361. [Google Scholar] [CrossRef]
- Deb, S.; Goswami, A.K.; Harsh, P.; Sahoo, J.P.; Chetri, R.L.; Roy, R.; Shekhawat, A.S. Charging Coordination of Plug-In Electric Vehicle for Congestion Management in Distribution System Integrated with Renewable Energy Sources. IEEE Trans. Ind. Appl. 2023, 56, 5452–5462. [Google Scholar] [CrossRef]
- China Society of Automotive Engineering. Energy-Saving and New Energy Vehicle Technology Roadmap 2.0; Machinery Industry Press: Beijing, China, 2020; Volume 12, p. 539. [Google Scholar]
- Ding, Y.F.; Zeng, S.; Zhang, B.Q.; Wang, L.Q.; Wang, L.Y.; Liu, C.; Fu, J.; Zhang, J. Photovoltaic-DC intelligent charging pile orderly charging strategy and application effect. Electr. Power 2024, 57, 70–77. [Google Scholar]
- Dai, J.; Zhu, L.; Chen, H.; Chen, H.; Li, Y.; Guan, Y.; Ji, S.; Xiong, Q. Research on evaluation technology of deterioration state of charging module for charging pile. Smart Power 2023, 51, 108–114+130. [Google Scholar]
- Zhao, D.; Hu, N.; Fu, J.; Ben, X.; Zi, Z. Research on China’s practice and development path of improving the flexibility of new energy power systems. Power Syst. Prot. Control 2020, 48, 1–8. [Google Scholar]
- Teng, J.H.; Liao, S.H.; Wen, C.K. Design of a fully decentralized controlled electric vehicle charger for mitigating charging impact on power grids. IEEE Trans. Ind. Appl. 2017, 53, 1497–1505. [Google Scholar] [CrossRef]
- Wang, T.; Zheng, K.; Liu, W. Research on Charging and Discharging Control Strategy of Electric Vehicle in Vehicle to Grid Interactive Mode. Automob. Technol. 2023, 20–27. [Google Scholar]
- Hu, W.F.; Zhou, Y.; Zhou, H.Y.; Shou, H.B.; Li, Z.J. Research on T-Type Three-Level Photovoltaic Grid Connected Inverter with Bidirectional Energy Flow. Chin. J. Electron Devices 2021, 44, 554–558. [Google Scholar]
- Li, Y.; Guo, Y.; Huangfu, X.; Wang, J.; Zhang, M.; Liu, W. Modeling and Control of Midpoint Balance for T-Type Three-Level Inverter. Electr. Power Eng. Technol. 2017, 36, 61–65. [Google Scholar]
- Gong, B.; Cheng, S.; Qin, Y. Carrier-based three-level midpoint voltage balance control strategy. J. Electr. Eng. Technol. 2013, 28, 172–177. [Google Scholar]
- Lin, J.; Chen, S. Research on Control Strategy of Cascaded Three-Phase Interleaved Boost Converter. Automot. Technol. 2019, 8, 1–6. [Google Scholar]
- Zhang, B.; Zhang, Z.; Wang, T.; Wang, T. A Bidirectional DC/DC Converter with Interleaved Parallel Configuration Suitable for BESS. J. Sol. Energy 2022, 43, 277–283. [Google Scholar]
- Lu, Z.; Zhu, W.; Liu, J.; Wu, C.; Zhao, L. A New Type of Interleaved Parallel Bidirectional DC/DC Converter. Trans. China Electrotech. Soc. 2013, 33, 39–46+184. [Google Scholar]
- Wang, J.; Wang, B.; Zhang, L.; Wang, J.; Shchurov, N.I.; Malozyomov, B.V. Review of bidirectional DC–DC converter topologies for hybrid energy storage system of new energy vehicles. Green Energy Intell. Transp. 2022, 1, 100010. [Google Scholar] [CrossRef]
- Dusmez, S.; Khaligh, A.; Hasanzadeh, A. A Zero-Voltage-Transition Bidirectional DC/DC Converter. IEEE Trans. Ind. Electron. 2015, 62, 3152–3162. [Google Scholar] [CrossRef]
- Wang, Z.Q.; Cui, F.Y.; Zhang, G.Z.; Shi, T.; Xia, C. Novel carrier-based PWM strategy with zero sequence voltage injected for three-level NPC inverter. IEEE J. Emerg. Sel. Top. Power Electron. 2017, 4, 1442–1451. [Google Scholar] [CrossRef]
- Wang, C.; Xiong, R.; He, H.; Ding, X.; Shen, W. Efficiency analysis of a bidirectional DC/DC converter in a hybrid energy storage system for plug-in hybrid electric vehicles. Appl. Energy 2016, 183, 612–622. [Google Scholar] [CrossRef]
- Lyu, M.; Man, C.; Zhou, T. Mid-point potential balancing in three-level inverters. J. Phys. Conf. Ser. 2023, 2479, 012023. [Google Scholar] [CrossRef]
- Xiu, F.; Liu, S.; Xu, S. Design of Control System of Three-level T-type Bidirectional Converter. In Proceedings of the IEEE 2022 2nd International Conference on Electrical Engineering and Mechatronics Technology, Hangzhou, China, 1–3 July 2022; pp. 185–192. [Google Scholar]
- Kim, H.S.; Kwon, Y.C.; Chee, S.J.; Sul, S.K. Analysis and compensation of inverter nonlinearity for three-level T-type inverters. IEEE Trans. Power Electron. 2016, 32, 4970–4980. [Google Scholar] [CrossRef]
- Sebaaly, F.; Vahedi, H.; Kanaan, H.Y.; Moubayed, N.; Al-Haddad, K. Sliding mode fixed frequency current controller design for grid-connected NPC inverter. IEEE J. Emerg. Sel. Top. Power Electron. 2016, 4, 1397–1405. [Google Scholar] [CrossRef]
- Zhang, M.; Xing, X.; Huang, W.; Li, P. Saturated PD-SMC method for suspension systems by exploiting beneficial nonlinearities for improved vibration reduction and energy-saving performance. Mech. Syst. Signal Process. 2022, 179, 109376. [Google Scholar] [CrossRef]
- Wang, T.; Li, X.; Zhang, J.; Chen, S.; Ma, J.; Lin, C. Fractional Sliding Mode Observer Control Strategy for Three-Phase PWM Rectifier. World Electr. Veh. J. 2024, 15, 316. [Google Scholar] [CrossRef]
- Huang, Y. Research and Design of Three-Phase Voltage Source PWM Rectifier. South China Univ. Technol. 2010, 04, 112. [Google Scholar]
- Chen, C.L. Research on sliding mode control strategy of three-phase voltage source PWM rectifier. South China Univ. Technol. 2021. [Google Scholar]
- Leijon, J.; Santos Döhler, J.; Hjalmarsson, J.; Brandell, D.; Castellucci, V.; Boström, C. An Analysis of Vehicle-to-Grid in Sweden Using MATLAB/Simulink. World Electr. Veh. J. 2024, 15, 153. [Google Scholar] [CrossRef]
- Fakhrooeian, P.; Pitz, V. A New Control Strategy for Energy Management of Bidirectional Chargers for Electric Vehicles to Minimize Peak Load in Low-Voltage Grids with PV Generation. World Electr. Veh. J. 2022, 13, 218. [Google Scholar] [CrossRef]


















Disclaimer/Publisher’s Note: The statements, opinions and data contained in all publications are solely those of the individual author(s) and contributor(s) and not of MDPI and/or the editor(s). MDPI and/or the editor(s) disclaim responsibility for any injury to people or property resulting from any ideas, methods, instructions or products referred to in the content. |
© 2024 by the authors. Published by MDPI on behalf of the World Electric Vehicle Association. Licensee MDPI, Basel, Switzerland. This article is an open access article distributed under the terms and conditions of the Creative Commons Attribution (CC BY) license (https://creativecommons.org/licenses/by/4.0/).
Share and Cite
Wang, T.; Zhang, J.; Li, X.; Chen, S.; Ma, J.; Han, H. The Control Strategies for Charging and Discharging of Electric Vehicles in the Vehicle–Grid Interaction Modes. World Electr. Veh. J. 2024, 15, 468. https://doi.org/10.3390/wevj15100468
Wang T, Zhang J, Li X, Chen S, Ma J, Han H. The Control Strategies for Charging and Discharging of Electric Vehicles in the Vehicle–Grid Interaction Modes. World Electric Vehicle Journal. 2024; 15(10):468. https://doi.org/10.3390/wevj15100468
Chicago/Turabian StyleWang, Tao, Jihui Zhang, Xin Li, Shenhui Chen, Jinhao Ma, and Honglin Han. 2024. "The Control Strategies for Charging and Discharging of Electric Vehicles in the Vehicle–Grid Interaction Modes" World Electric Vehicle Journal 15, no. 10: 468. https://doi.org/10.3390/wevj15100468
APA StyleWang, T., Zhang, J., Li, X., Chen, S., Ma, J., & Han, H. (2024). The Control Strategies for Charging and Discharging of Electric Vehicles in the Vehicle–Grid Interaction Modes. World Electric Vehicle Journal, 15(10), 468. https://doi.org/10.3390/wevj15100468
