Abstract
In the past two decades, people have started to develop efficient, clean and safe transportation vehicles. The development of a fuel cell vehicle has become the focus of attention. First, we analyze the common components of a hybrid electric vehicle with a fuel cell. Second, we build a simulation model of the hybrid electric vehicle with a fuel cell. Through the simulation model, we study and analyze the fuel cell and battery under various conditions related to fuel consumption parameters. Through the above-described research, we hope to optimize the parameter structure of the fuel cell hybrid electric vehicle and improve the working efficiency of fuel cells.
1. Introduction
The worldwide use of a large number of internal combustion engine (ICE) vehicles has produced and continues to cause serious environmental problems. Air pollution, global warming and the depletion of oil resources have become the primary concerns in the context of human development. In recent decades, research and development activities related to transportation have emphasized the development of high-efficiency and clean transportation systems [1,2,3,4]. Electric vehicles, hybrid electric vehicles and fuel cell vehicles are considered the best alternatives to conventional ICE vehicles [5,6,7,8].
Among these vehicles, fuel cell vehicles are one of the focal points of both researchers and industry. Unlike chemical batteries, fuel cells can generate electricity through chemical reactions rather than by storing electricity [9,10,11]. In addition, as long as the fuel supply is maintained, fuel cells can generate electricity. Compared with battery electric vehicles and ICE vehicles, fuel cell vehicles have the advantages of a long driving range, high conversion efficiency and zero emission because the energy in the fuel can be directly converted into electricity without having to go through the combustion process. Some commercial fuel cells have achieved efficiencies of 57% or more [12,13].
In recent years, fuel cell technology has been used in various types of vehicles [14,15,16]. Fuel cell buses are considered to be the most likely areas for commercialization, with many countries investing heavily in their development and operation. A fixed rail electric tram has also been considered a likely vehicle to introduce fuel cell technology to an urban area [17]. At the same time, proton-exchange membrane fuel cell (PEMFC) power has been applied to forklift trucks [5,18,19]. The fuel cell-based forklift effectively combines the advantages of an ICE forklift and a battery forklift, namely, long endurance and zero emissions [20]. In addition, fuel cells have been verified in construction equipment, aerial vehicles, and small airplanes, demonstrating their wide application prospects and great commercial value [21,22,23,24].
However, as a power system, fuel cells still have many shortcomings, such as low power density, long start-up time and slow power response. The fuel cell system is inefficient for peak loads and extremely low-power loads [25]. Therefore, a hybrid electric system based on a fuel cell is an effective method to overcome the above shortcomings. The hybrid electric system consists of a fuel cell and a battery or a supercapacitor [26]. This hybrid system can effectively reduce the size and cost of fuel cells and eliminate the impacts of peak loads and very low-power loads on fuel cells.
The fuel cell hybrid electric vehicle is different from a conventional ICE vehicle and a hybrid electric vehicle based on an ICE [27]. Fuel cell hybrid electric vehicles typically use fuel cells as the main power supply and batteries or supercapacitors as auxiliary power supplies that simultaneously provide electricity to the motor [28,29]. Because of the larger battery capacity, a bus can also use a battery as the main power supply and a fuel cell as the auxiliary power supply [25].
In this paper, a fuel cell hybrid electric vehicle model is established in the AMESim [30]. The simulation analysis mainly focuses on the influence of three parameters on the total fuel consumption: the inferior power limit for the fuel cell (IPLFC), the state of charge (SOC) interval of the battery (SIB) and the rated capacity of the battery (RCB). As a result, the parameters between the fuel cell and the battery are better matched, and fuel efficiency is improved.
2. Components of a Fuel Cell Hybrid Electric Vehicle
A fuel cell hybrid electric vehicle usually includes a fuel cell, battery, motor/generator, controller, etc., as shown in Figure 1. The fuel cell is the core component of a fuel cell vehicle, providing power for the vehicle. The battery works in tandem with the fuel cell to optimize efficiency and performance. The motor/generator can be used both as an electric motor to drive the wheels and as a generator to convert kinetic energy into electrical energy during regenerative braking. The fuel cell controller manages the power flow between the fuel cell, battery and motor/generator.
Figure 1.
Schematic of a fuel cell vehicle.
2.1. Fuel Cell
A fuel cell is a primary energy source that converts the chemical energy of its internal fuel directly into electrical energy via electrochemical processes. When the fuel cell generates current, a voltage drop is generated by the presence of ohmic resistance in the electrode and the electrolyte that is proportional to the current density, as shown below:
where is the voltage drop generated by the equivalent ohmic resistance, is the equivalent ohmic resistance, and is the current density [31].
Figure 2 shows an example of the characteristics of a running hydrogen–air fuel cell system. In Figure 2, the best efficiency of a fuel cell is in the range of 7% to 50% of the maximum current. A large current leads to low efficiency because of the significant voltage drop in the fuel cell stack. Meanwhile, a small current leads to low efficiency because the percentage of energy consumed by the auxiliary equipment increases. In Figure 2, the fuel consumption and output voltage of the corresponding current can be calculated, and the corresponding efficiency can be obtained. In fact, fuel cells need auxiliary equipment to support their operations.
Figure 2.
The efficiency of hydrogen and oxygen fuel cells versus current density.
Figure 3 shows the structural schematic diagram of a PEMFC used in the simulation model in this study, including the auxiliary parts of the air supply system, fuel supply system, cooling system and control system. The operation of these parts requires the support of a fuel cell. Therefore, the normal operation of the auxiliary parts will ensure the efficient operation of the fuel cell as a whole.
Figure 3.
The schematic of a PEMFC.
2.2. Battery
A battery is an electrochemical device that is usually composed of multiple cells that are stacked together. The SOC is an important parameter of the battery. The SOC is defined as the ratio of the residual capacity to the total charge capacity. By this definition, an adequate battery has a 100% SOC, while a fully discharged battery has a 0% SOC. In the time interval , the relationship between the change of the SOC and discharge or charging current can be expressed below:
where is the ampere capacity of the battery that corresponds to the current change rate . Therefore, the battery’s SOC can be expressed as follows:
where is the initial value of the SOC. The supply energy of the battery can be expressed as
where is the terminal voltage of the battery, which is a function of the battery current and its SOC.
In addition, the RCB typically represents the battery specification and is defined as the ampere-hours obtained when the terminal voltage of the total charge state drops to the termination voltage. Therefore, the battery’s specification is usually expressed by the ampere-hour corresponding to a given current discharge rate.
2.3. Permanent Magnet Synchronous Motor
This study employed a widely used permanent magnet synchronous motor/generator (PMSM). The PMSM is similar to the induction motor, and the stator magnetic field rotates at a constant speed. Since the PMSM induction waveform is sinusoidal, we can carry out vector control and a direct-quadrature (DQ) transformation. Due to the use of rare earth materials, the flux density of the air gap increases, and the power density and torque ratio of the motor increase. The use of rare earth materials increases the flux density of air gap and PMSM power density, as well as the torque–inertia ratio. PMSM has advantages, including a fast response, high power density and high efficiency [32].
In this paper, the PMSM can both drive the movement of the vehicle and recover the braking energy of the vehicle. As shown in Figure 4, when the speed W and torque T are the same symbol, the PMSM operates as a motor, and the output power Pm is positive. When the speed W and torque T are in the same direction, the PMSM operates as a motor and the output power Pm is positive. When W and T are in the opposite direction, the PMSM operates as a generator and the output power Pm is negative.
Figure 4.
The working schematic of a PMSM.
2.4. Energy Control Strategy
In this paper, we use the fuel cell as the main power supply and the battery as the auxiliary power source. The study of the energy control algorithm is a popular research topic of hybrid electric vehicles. Our energy management strategy is based on the motor/generator mode switch and the battery’s SOC.
In motor mode, the energy management strategy is as follows:
(1) When , the battery does not provide electricity to the vehicle, and the fuel cell provides power to the vehicle and charges the battery.
(2) When , the battery provides electricity to the vehicle, together with the fuel cell.
In generator mode, the energy management strategy is as follows:
(1) When , the generators and fuel cells simultaneously charge the batteries.
(2) When , the generators and fuel cells do not charge the batteries.
3. Simulations
3.1. Simulation Environment
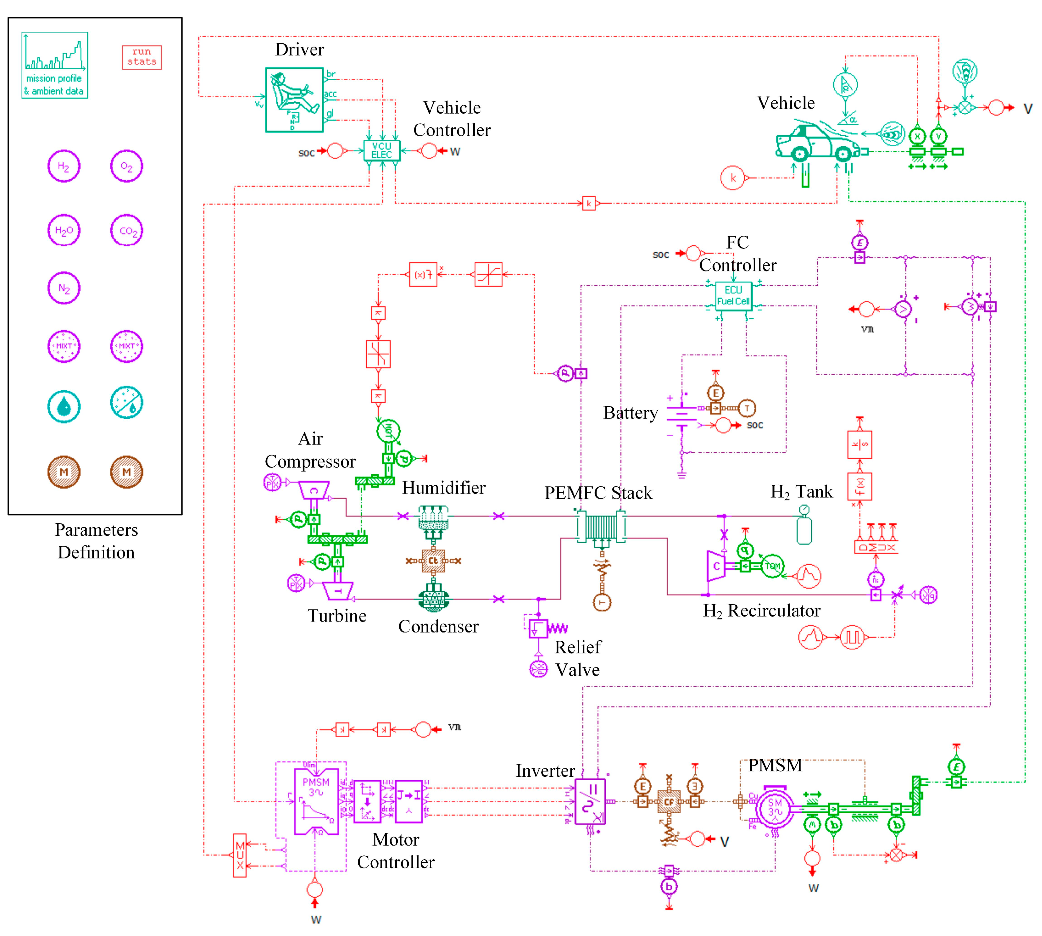
LMS AMEsim is an advanced simulation environment that supports an engineering system and can build an integrated simulation model of the hybrid electric vehicle. In this paper, the simulation model includes the following: a fuel cell (PEMFC stack, humidifier, hydrogen gas, air compressor), a fuel cell control unit (including DC-DC), a battery, a motor controller, an inverter, a PMSM, a mechanical transmission mechanism, a constant load vehicle, a driver and a vehicle controller. Figure 5 shows the simulation model of a fuel cell hybrid electric vehicle. This paper mainly focuses on the simulation and performance analysis of the fuel cell hybrid electric system composed of a fuel cell, a battery, a PMSM and a motor control system.
Figure 5.
The simulation model of a fuel cell hybrid electric vehicle.
The adopted parameters of the main components are the system’s default parameters. For the main parameters of the vehicle, i.e., the fuel cell and the battery, we reset the parameters, as shown in Table 1, Table 2, Table 3 and Table 4. Moreover, the efficiency of the PMSM is complex and affected by multiple factors. The simulation model of the PMSM considers AC loss in default mode. In this paper, the standard New European Driving Cycle (NEDC) is used to simulate the actual conditions of urban roads. Figure 6 shows a single NEDC cycle diagram.
Table 1.
Main parameters of the vehicle.
Table 2.
Default parameters of the fuel cell.
Table 3.
Default parameters of the battery.
Table 4.
Default parameters of the PMSM.
Figure 6.
Single NEDC cycle diagram.
3.2. Simulation Process of a Single NEDC Cycle
We set the battery’s , the and the initial value of the battery’s . We set the maximum efficiency of the charging battery . If the battery must be charged, then the fuel cell is operated with a maximum efficiency. If the power demand of the motor exceeds , then the fuel cell ceases to charge the battery. In this simulation, the default IPLFC is . When the power demand of the motor is less than , the battery will power the motor alone, and the fuel cell will charge the battery to ensure the efficient and stable operation of the vehicle under different driving conditions. It considers the optimal utilization of both the fuel cell and battery energy to achieve the best energy efficiency. However, the energy control strategy in 2.4 must be followed.
With the initial parameters, we first conducted the simulation of the model of the hybrid electric vehicle with the fuel cell under a single NEDC cycle. Figure 7 shows the power inputs and outputs of the fuel cells, batteries and motors/generators. Figure 8 shows the battery power, the battery power loss and the battery’s SOC in a single NEDC cycle. Figure 9 shows the PMSM power output of a single NEDC cycle. Figure 10 shows the fuel consumption per second and the total fuel consumption in a single NEDC cycle.
Figure 7.
Power diagrams of the main components in a single NEDC cycle: (a) fuel cell, (b) fuel cell accessories, (c) battery.
Figure 8.
Battery power, battery power loss and battery’s SOC chart of a single NEDC cycle: (a) battery power, (b) battery power loss, (c) battery SOC.
Figure 9.
PMSM power output of a single NEDC cycle.
Figure 10.
Energy consumption of the fuel cell.
4. Simulation Results Analysis
This chapter mainly examines the influence of three key parameter changes on the total hydrogen consumption of the fuel cell. The three key parameters include the IPLFC, SIB and RCB. First, we analyzed the influence of variations in a single key parameter by the default parameters. Second, we analyzed the influence of variations in multiple parameters. To ensure the reliability and validity of the analysis data, our simulation adopted five NEDC working cycles.
4.1. The Influence of Variations in a Single Parameter
4.1.1. IPLFC
The simulation results show that different IPLFCs significantly influence the total fuel consumption of the fuel cell. In this simulation, the maximum efficiency of the fuel cell is set at 40 kW. We selected a range of the IPLFC to be from 5 kW to 40 kW to analyze the influence of the fuel cell power floor on fuel cell consumption, as shown in Figure 11. The simulation results show that the total fuel consumption value is 376.15 g when the IPLFC is 5 kW. As the IPLFC rises, the total fuel consumption continues to decline. When the IPLFC is greater than 15 kW, the fuel consumption value remains below 330 g, indicating that the higher IPLFC can improve fuel cell efficiency. As the IPLFC increases, the battery provides more power to the motor, and the fuel cell charges the battery with the highest efficiency.
Figure 11.
Relationship between the IPLFC and the total fuel consumption.
4.1.2. SIB
When the SOC is less than the lower SOC limit (LSL), the battery is charged by the fuel cell or the generator. When the SOC exceeds the upper SOC limit (USL), the battery does not charge and provides electricity to the motor. When the SOC is between the LSL and the USL, the battery can charge or provide power, as needed. We set the default value of the SOC to 60% and changed the USL to analyze the influence of the SIB on the total fuel consumption. As the USL increases, the total fuel consumption continues to rise when the USL is 80%, and the total fuel consumption is 434.52 g, as shown in Figure 12. The analysis of the results shows that the smaller SIB can reduce fuel consumption. However, if the SIB is too small, then the battery charge/discharge times will increase and the battery life will be reduced.
Figure 12.
Influence of the SIB on the total fuel consumption.
4.1.3. RCB
The RCB represents the capacity of the battery, which directly affects the discharging time and the length of charge. In Figure 13, the RCB is set to the range. Through the simulation results, when the RCB is 5 Ah, the total fuel consumption value is 324.26 g, which is the minimum value in this simulation. As with the SIB, the fuel consumption increases with an increase in the RCB.
Figure 13.
The influence of the RCB on the total fuel consumption.
4.2. The Influence of Multiparameter Variations
The fuel consumption of the IPLFC, SIB and RCB under different parameters at the same time is also studied. For convenience, we set the RCB as a fixed value each time. Figure 14a–d show the contour color-filling diagrams for RCB values of 10 Ah, 20 Ah, 30 Ah and 40 Ah, respectively. The dark blue area indicates the lowest energy consumption, while the deep red region indicates the highest energy consumption. Although the minimum and maximum energy consumption values of the four graphs are different, the trend is consistent; that is, the maximum amount of fuel consumption appears in the region above IPFLC > 35 kW. When the IPFLC is between 15 kW and 20 kW, a lower energy consumption value is obtained, but the minimum energy consumption area is different. In Figure 14, for the parameter SIB, the effect of its change on the fuel consumption is not obvious. In Figure 12, when the default parameter is used, the energy consumption increases as the SIB increases. For the parameter RCB, if the total energy consumption threshold is set at 336 g, an increase in the RCB results in a gradual decrease in the area under the threshold level, indicating that fuel consumption is directly proportional to the RCB.
Figure 14.
The total fuel consumption under multiparameter variations: (a) RCB = 10 Ah; (b) RCB = 20 Ah; (c) RCB = 30 Ah; and (d) RCB = 40 Ah.
5. Conclusions
Fuel cell-powered vehicles have long been considered the most promising low-carbon vehicles. However, because of the many shortcomings of fuel cells, they cannot be used as a single source of power. At the same time, fuel cell systems are expensive, which greatly increases the cost of establishing an experimental platform and ultimately limits the scope of their research. In this paper, we built a simulation model of a general-purpose fuel cell hybrid electric vehicle based on AMESim. We analyzed the key parameters of the model, such as the IPFLC, SIB and RCB, to assess their impact on the overall energy consumption of the fuel cell hybrid vehicles. We found that when the IPFLC was between 15 kW and 20 kW, better energy consumption was obtained. The influence of the SIB on energy consumption was not obvious. When the RCB was between 20 Ah and 30 Ah, the maximum energy consumption area was obtained. We hope that by studying the results, we can improve the efficiency of fuel cells and reduce the total energy consumption of fuel cell hybrid electric vehicles.
Author Contributions
Conceptualization, Y.J. and X.H.; writing, Y.J. and X.H.; supervision, X.H.; project administration, Y.J. All authors have read and agreed to the published version of the manuscript.
Funding
This work was funded by the Scientific Research Project of the Hunan Provincial Department of Education (Grant number 21A0190) and the Hunan Provincial Natural Science Foundation of China (Grant number 2022JJ30595).
Data Availability Statement
The original contributions presented in the study are included in the article; further inquiries can be directed to the corresponding author.
Acknowledgments
We would like to thank He Shanghong of Changsha University of Science and Technology for his suggestions regarding this paper.
Conflicts of Interest
The authors declare no conflicts of interest.
References
- Tie, S.F.; Tan, C.W. A review of energy sources and energy management system in electric vehicles. Renew. Sustain. Energy Rev. 2013, 20, 82–102. [Google Scholar] [CrossRef]
- Ge, L.; Quan, L.; Li, Y.; Zhang, X.; Yang, J. A novel hydraulic excavator boom driving system with high efficiency and potential energy regeneration capability. Energy Convers. Manag. 2018, 166, 308–317. [Google Scholar] [CrossRef]
- Khalil, A.; Rajab, Z.; Alfergani, A.; Mohamed, O. The impact of the time delay on the load frequency control system in microgrid with plug-in-electric vehicles. Sustain. Cities Soc. 2017, 35, 365–377. [Google Scholar] [CrossRef]
- He, X.; Liu, H.; He, S.; Hu, B.; Xiao, G. Research on the energy efficiency of energy regeneration systems for a battery-powered hydrostatic vehicle. Energy 2019, 178, 400–418. [Google Scholar] [CrossRef]
- He, X.; Jiang, Y. Review of hybrid electric systems for construction machinery. Autom. Constr. 2018, 92, 286–296. [Google Scholar] [CrossRef]
- Cawthorne, W.R.; Hubbard, G.A. Method of Determining Engine Output Power in a Hybrid Electric Vehicle. U.S. Patent US007653474B2, 26 January 2010. [Google Scholar]
- Weldon, P.; Morrissey, P.; O’Mahony, M. Long-term cost of ownership comparative analysis between electric vehicles and internal combustion engine vehicles. Sustain. Cities Soc. 2018, 39, 578–591. [Google Scholar] [CrossRef]
- Jiang, Y.; He, X. Overview of Applications of the Sensor Technologies for Construction Machinery. IEEE Access 2020, 8, 110324–110335. [Google Scholar] [CrossRef]
- Zhang, J.; Yan, S.; Qu, H. Recent progress in magnesium hydride modified through catalysis and nanoconfinement. Int. J. Hydrogen Energy 2018, 43, 1545–1565. [Google Scholar] [CrossRef]
- Ge, L.; Quan, L.; Zhang, X.; Dong, Z.; Yang, J. Power matching and energy efficiency improvement of hydraulic excavator driven with speed and displacement variable power source. Chin. J. Mech. Eng. 2019, 32, 100. [Google Scholar] [CrossRef]
- Wang, X.; Quan, L.; Luan, S.; Xu, X. Dynamic and Static Characteristics of Double Push Rods Electromechanical Converter. Chin. J. Mech. Eng. 2019, 32, 62. [Google Scholar] [CrossRef]
- Cigolotti, V.; Genovese, M.; Fragiacomo, P. Comprehensive review on fuel cell technology for stationary applications as sustainable and efficient poly-generation energy systems. Energies 2021, 14, 4963. [Google Scholar] [CrossRef]
- Qasem, N.A.A.; Abdulrahman, G.A.Q. A Recent Comprehensive Review of Fuel Cells: History, Types, and Applications. Int. J. Energy Res. 2024, 2024, 7271748. [Google Scholar] [CrossRef]
- Hua, T.; Ahluwalia, R.; Eudy, L.; Singer, G.; Jermer, B.; Asselin-Miller, N.; Wessel, S.; Patterson, T.; Marcinkoski, J. Status of hydrogen fuel cell electric buses worldwide. J. Power Sources 2014, 269, 975–993. [Google Scholar] [CrossRef]
- Fu, S.; Wang, L.; Lin, T. Control of electric drive powertrain based on variable speed control in construction machinery. Autom. Constr. 2020, 119, 103281. [Google Scholar] [CrossRef]
- Zhao, B.; Quan, Z.; Li, Y.W.; Quan, L.; Hao, Y.; Ding, L. A Hybrid-Driven Elevator System With Energy Regeneration and Safety Enhancement. IEEE Trans. Ind. Electron. 2019, 67, 7715–7726. [Google Scholar] [CrossRef]
- China produces first hydrogen fuel cell tram, with Ballard unit. Fuel Cells Bull. 2015, 2015, 5. [CrossRef]
- Hosseinzadeh, E. Modeling and Design of Hybrid PEM Fuel Cell Systems for Lift Trucks. Ph.D. Thesis, Technical University of Denmark, Kongens Lyngby, Denmark, 2012. [Google Scholar]
- Lin, T.; Lin, Y.; Ren, H.; Chen, H.; Chen, Q.; Li, Z. Development and key technologies of pure electric construction machinery. Renew. Sustain. Energy Rev. 2020, 132, 110080. [Google Scholar] [CrossRef]
- McCabe, P.P.; Gregory, B.A.; Day, R.M. Lift Truck with Hybrid Power Source. U.S. Patent 20070090808A1, 8 June 2010. [Google Scholar]
- Li, T.; Liu, H.; Ding, D. Predictive energy management of fuel cell supercapacitor hybrid construction equipment. Energy 2018, 149, 718–729. [Google Scholar] [CrossRef]
- Ge, L.; Quan, L.; Zhang, X.; Zhao, B.; Yang, J. Efficiency improvement and evaluation of electric hydraulic excavator with speed and displacement variable pump. Energy Convers. Manag. 2017, 150, 62–71. [Google Scholar] [CrossRef]
- Oman, H. Fuel-cell powered airplane propulsion. IEEE Aerosp. Electron. Syst. Mag. 2004, 19, 12–13. [Google Scholar] [CrossRef]
- He, X.; Xiao, G.; Hu, B.; Tan, L.; Tang, H.; He, S.; He, Z. The applications of energy regeneration and conversion technologies based on hydraulic transmission systems: A review. Energy Convers. Manag. 2020, 205, 112413. [Google Scholar] [CrossRef]
- Eshani, M.; Gao, Y.; Gay, S.E.; Emadi, A. Modern Electric, Hybrid Electric, and Fuel Cell Vehicles; CRC Press: Boca Raton, FL, USA, 2009. [Google Scholar]
- Payman, A.; Pierfederici, S.; Meibody-Tabar, F. Energy control of supercapacitor/fuel cell hybrid power source. Energy Convers. Manag. 2008, 49, 1637–1644. [Google Scholar] [CrossRef]
- Gharibeh, H.F.; Yazdankhah, A.S.; Azizian, M.R. Improved energy management for a power-split multi-source fuel cell vehicle based on optimal source sizing and regenerative braking. In Proceedings of the Environment and Electrical Engineering (EEEIC), Florence, Italy, 7–10 June 2016; pp. 1–6. [Google Scholar]
- Bagotsky, V.S.; Skundin, A.M.; Volfkovich, Y.M. Electrochemical Power Sources: Batteries, Fuel Cells, and Supercapacitors; John Wiley & Sons: Hoboken, NJ, USA, 2015. [Google Scholar]
- Odeim, F.; Roes, J.; Heinzel, A. Power management optimization of a fuel cell/battery/supercapacitor hybrid system for transit bus applications. IEEE Trans. Veh. Technol. 2016, 65, 5783–5788. [Google Scholar] [CrossRef]
- Salim, R.; Noura, H.; Fardoun, A. Fault diagnosis of a commercial PEM Fuel cell system using LMS AMESim. In Proceedings of the 2017 7th International Conference on Modeling, Simulation, and Applied Optimization (ICMSAO), Sharjah, United Arab Emirates, 4–6 April 2017; pp. 1–6. [Google Scholar]
- Husain, I. Electric and Hybrid Vehicles: Design Fundamentals; CRC Press: Boca Raton, FL, USA, 2011. [Google Scholar]
- Jeong, C.-L.; Kim, Y.-K.; Hur, J. Optimized design of PMSM with hybrid type permanent magnet for improving performance and reliability. In Proceedings of the 2017 IEEE Energy Conversion Congress and Exposition (ECCE), Cincinnati, OH, USA, 1–5 October 2017; pp. 2439–2444. [Google Scholar]
Disclaimer/Publisher’s Note: The statements, opinions and data contained in all publications are solely those of the individual author(s) and contributor(s) and not of MDPI and/or the editor(s). MDPI and/or the editor(s) disclaim responsibility for any injury to people or property resulting from any ideas, methods, instructions or products referred to in the content. |
© 2024 by the authors. Published by MDPI on behalf of the World Electric Vehicle Association. Licensee MDPI, Basel, Switzerland. This article is an open access article distributed under the terms and conditions of the Creative Commons Attribution (CC BY) license (https://creativecommons.org/licenses/by/4.0/).













