A Battery Cell Equalisation System Based on a Supercapacitors Tank and DC–DC Converters for Automotive Applications
Abstract
1. Introduction
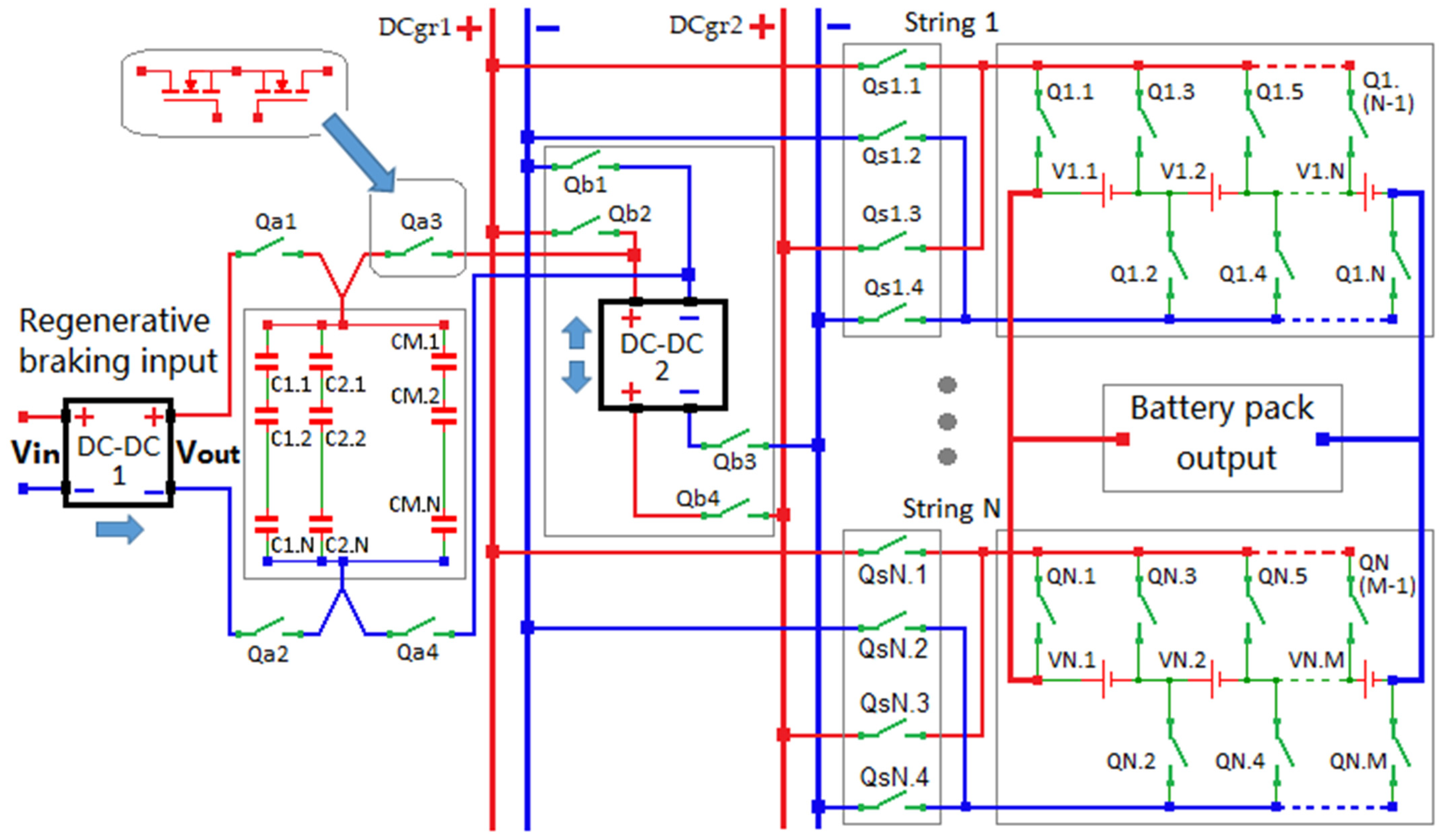
- The Battery Cell Equalisation System (BCES) is an indispensable part of battery pack energy storage for automotive applications. Most of the BCES are based on multiple DC–DC converters, in some cases equal to the number of the cells, which increases the number of passive elements, and, respectively, the overall volume and weight. A better structure could be a topology accommodating a central DC–DC converter with bi-directional switches, establishing the energy flow between the cells and the ES.
- The researched BCES use the energy from the battery pack to equalise the cells in it. A more efficient solution could accommodate the reverse recovery brake energy, accumulating the energy in an ES. Considering the high energy accumulated for a short time, the SCs would match the requirements for a fast charge and increased charge/discharge cycles.
- Utilising SC’s energy tank as a part of the BCES requires additional research on the charge mode, clarifying the CC and CV conditions according to the specific energy parameters of the regenerative brake and cell equalisation operations.
2. Battery Cell Equalisation System Analysis
- Sub-system 1: battery ES comprises cells connected in series strings that are then paralleled. In the models and design procedures that were further developed, only a cell is used as an element of charge equalisation.
- Sub-system 2: bi-directional DC–DC converter transferring the energy between the battery and main inverter (out of scope).
- Sub-system 3: traction inverter and motor (out of scope).
- Sub-system 4: battery management system (BMS) controlling the equalisation process (out of scope).
- Sub-system 5: SCES identical to the battery storage architecture. Based on analytical calculations, modelling, and simulations, the design procedure shows the recommended approach for the energy storage accommodation, giving the desired capacity and operational modes of charge and discharge.
- Sub-system 6: unidirectional DC/DC converter used for SCES fast charge from regenerative break energy. The design procedure shows the applicability of the selected topology, considering the necessary high transformation ratio and power transfer.
- Sub-system 7: bi-directional DC/DC converter for battery cell equalisation. The design procedure shows the selected transformer-less topology applicability under the necessary modes of operation: battery cell charging/discharging from the SCES and battery cell equalisation by cell-to-cell energy transfer through the SCES.
3. DC–DC Converters Analysis and Design
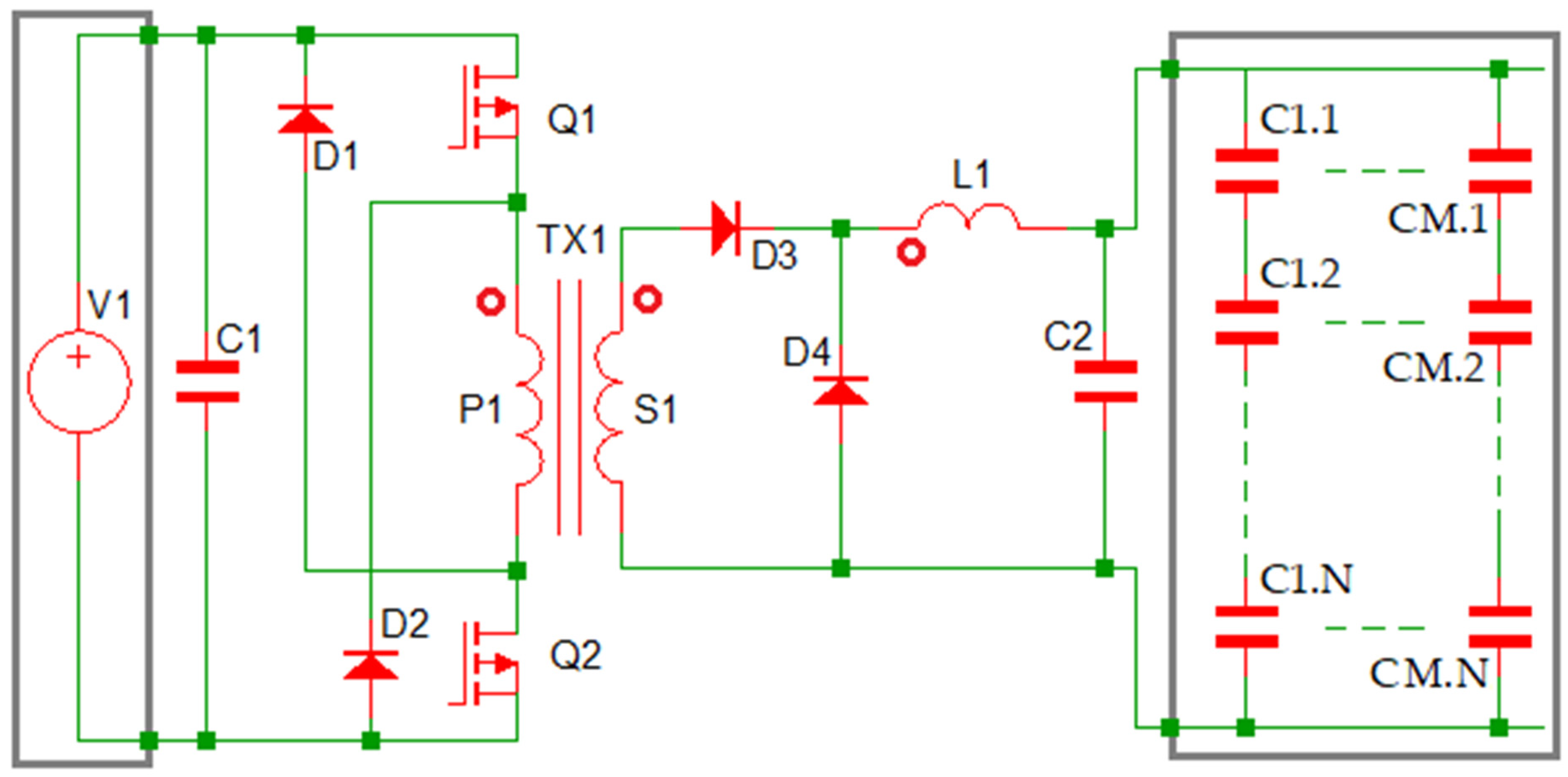
3.1. SCES DC/DC Charging Converter
3.2. Bi-Directional Battery Cell Equalising DC/DC Converter Analysis and Design
4. Battery Cell Equalisation Process Analysis
5. Experimental Setup
6. Conclusions
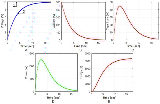
- The design of the SCES could be supported with models based on the presented apparatus (Table 2), which gives a reasonable estimation of the transient processes of SCs charge/discharge and power loss (Figure 5, Figure 6, Figure 7 and Figure 8). Also, the models can be used to depict the battery cell equalisation process and power transfer, as shown in Figure 11, Figure 12, Figure 13 and Figure 14. The obtained results comply with the results published in [10,24].
- To minimise the power loss in the bi-directional switches, the transistors could be oversized on current, which minimises the resistance. Regarding targeted resistance, the range of can be recommended.
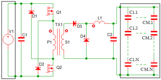
- A buck–boost transformer-less converter (Figure 10) is a good choice for the battery cell equalisation converter as it has a simple structure and offers high power density. To accommodate this converter easily, the SCES could be selected with a nominal voltage of 2–3 times the charge voltage of the battery cells. For the SCES charge, the two-switch forward converter (Figure 9) is a good choice, as can be concluded from its experimental verification. The results comply with and complete the results published in [49,50,51,52,53,54,55].
Author Contributions
Funding
Data Availability Statement
Conflicts of Interest
References
- Liu, F.; Dai, J. Equalization circuit topologies of lithium battery strings: A brief review. J. Phys. Conf. Ser. 2020, 1633, 012141. [Google Scholar] [CrossRef]
- Liu, X.; Wan, Z.; He, Y.; Zheng, X.; Zeng, G.; Zhang, J. A Unified Control Strategy for Inductor-Based Active Battery Equalisation Schemes. Energies 2018, 11, 405. [Google Scholar] [CrossRef]
- Lei, X.; He, J.; Fan, L.; Wang, G. Active Equalization Strategy for Lithium-Ion Battery Packs Based on Multilayer Dual Interleaved Inductor Circuits in Electric Vehicles. J. Adv. Transp. 2022, 2022, 8653547. [Google Scholar] [CrossRef]
- Liao, L.; Chen, H.; Sun, S.; Li, H.; Jiang, J.; Wu, T. Research on Equalization Strategy Based on Credibility Factor Inference for Lithium-Ion Battery Packs. IEEE Access 2022, 10, 107980–107992. [Google Scholar] [CrossRef]
- Daowd, M.; Antoine, M.; Omar, N.; Van den Bossche, P.; Van Mierlo, J. Single Switched Capacitor Battery Balancing System Enhancements. Energies 2013, 6, 2149–2174. [Google Scholar] [CrossRef]
- Arasaratnam, I.; Tjong, J.; Habibi, S. Switched-Capacitor Cell Balancing: A Fresh Perspective; SAE Technical Paper 2014-01-1846; SAE: Warrendale, PA, USA, 2014. [Google Scholar] [CrossRef]
- Wang, X.; Cheng, K.; Fong, Y. Series-Parallel Switched-Capacitor Balancing Circuit for Hybrid Source Package. IEEE Access 2018, 6, 34254–34261. [Google Scholar] [CrossRef]
- Shimizu, T.; Koizumi, H. Modularised chain structure of switched capacitor for cell voltage equaliser with T-connected bi-directional switch. In Proceedings of the 2016 IEEE International Symposium on Circuits and Systems (ISCAS), Montreal, QC, Canada, 22–25 May 2016; pp. 1194–1197. [Google Scholar] [CrossRef]
- Takeda, Y.; Koizumi, H. Modularized double-tiered switched capacitor voltage equalizer. In Proceedings of the IECON 2017—43rd Annual Conference of the IEEE Industrial Electronics Society, Beijing, China, 29 October–1 November 2017; pp. 2782–2787. [Google Scholar] [CrossRef]
- Wasim, M.S.; Habib, S.; Amjad, M.; Bhatti, A.R.; Ahmed, E.M.; Qureshi, M.A. Battery-Ultracapacitor Hybrid Energy Storage System to Increase Battery Life Under Pulse Loads. IEEE Access 2022, 10, 62173–62182. [Google Scholar] [CrossRef]
- Podder, A.K.; Chakraborty, O.; Islam, S.; Kumar, N.M.; Alhelou, H.H. Control Strategies of Different Hybrid Energy Storage Systems for Electric Vehicles Applications. IEEE Access 2021, 9, 51865–51895. [Google Scholar] [CrossRef]
- He, D.; Luo, J.; Lin, D.; Yu, S. Flexible predictive power-split control for battery-supercapacitor systems of electric vehicles using IVHS. J. Syst. Eng. Electron. 2023, 34, 224–235. [Google Scholar] [CrossRef]
- Lu, X.; Chen, Y.; Fu, M.; Wang, H. Multi-Objective Optimization-Based Real-Time Control Strategy for Battery/Ultracapacitor Hybrid Energy Management Systems. IEEE Access 2019, 7, 11640–11650. [Google Scholar] [CrossRef]
- Panhwar, I.H.; Ahmed, K.; Seyedmahmoudian, M.; Stojcevski, A.; Horan, B.; Mekhilef, S.; Aslam, A.; Asghar, M. Mitigating Power Fluctuations for Energy Storage in Wind Energy Conversion System Using Supercapacitors. IEEE Access 2020, 8, 189747–189760. [Google Scholar] [CrossRef]
- Roy, P.; He, J.; Liao, Y. Cost Minimization of Battery-Supercapacitor Hybrid Energy Storage for Hourly Dispatching Wind-Solar Hybrid Power System. IEEE Access 2020, 8, 210099–210115. [Google Scholar] [CrossRef]
- Cabrane, Z.; Lee, S.H. Control and Management of Railway System Connected to Microgrid Stations. IEEE Access 2022, 10, 40445–40455. [Google Scholar] [CrossRef]
- Sayed, K.; Abdel-Khalek, S.; Zakaly, H.M.H.; Aref, M. Energy Management and Control in Multiple Storage Energy Units (Battery–Supercapacitor) of Fuel Cell Electric Vehicles. Materials 2022, 15, 8932. [Google Scholar] [CrossRef]
- Torres, J.; Moreno-Torres, P.; Navarro, G.; Blanco, M.; Lafoz, M. Fast Energy Storage Systems Comparison in Terms of Energy Efficiency for a Specific Application. IEEE Access 2018, 6, 40656–40672. [Google Scholar] [CrossRef]
- Yaqoob, S.J.; Ferahtia, S.; Obed, A.A.; Rezk, H.; Alwan, N.T.; Zawbaa, H.M.; Kamel, S. Efficient Flatness Based Energy Management Strategy for Hybrid Supercapacitor/Lithium-ion Battery Power System. IEEE Access 2022, 10, 132153–132163. [Google Scholar] [CrossRef]
- Pai, F.-S.; Huang, S.-J.; Ku, C.-W.; Chen, Y.-R.; Huang, B.-G.; Lin, Y.-C. Voltage equalization of lithium iron phosphate batteries cooperating with supercapacitors. In Proceedings of the 2014 IEEE International Symposium on Circuits and Systems (ISCAS), Melbourne, VIC, Australia, 1–5 June 2014; pp. 618–621. [Google Scholar] [CrossRef]
- Pour, G.B.; Ashourifar, H.; Aval, L.F.; Solaymani, S. CNTs-Supercapacitors: A Review of Electrode Nanocomposites Based on CNTs, Graphene, Metals, and Polymers. Symmetry 2023, 15, 1179. [Google Scholar] [CrossRef]
- Şahİn, M.; Blaabjerg, F.; Sangwongwanİch, A. Modelling of Supercapacitors Based on Simplified Equivalent Circuit. CPSS Trans. Power Electron. Appl. 2021, 6, 31–39. [Google Scholar] [CrossRef]
- Prasad, R.; Kothari, K.; Mehta, U. Flexible Fractional Supercapacitor Model Analyzed in Time Domain. IEEE Access 2019, 7, 122626–122633. [Google Scholar] [CrossRef]
- Xu, D.; Zhang, L.; Wang, B.; Ma, G. Modeling of Supercapacitor Behavior with an Improved Two-Branch Equivalent Circuit. IEEE Access 2019, 7, 26379–26390. [Google Scholar] [CrossRef]
- Krpan, M.; Kuzle, I.; Radovanovic, A.; Milanovic, J.V. Modelling of Supercapacitor Banks for Power System Dynamics Studies. IEEE Trans. Power Syst. 2021, 36, 3987–3996. [Google Scholar] [CrossRef]
- Li, Y.; Wang, S.; Zheng, M.; Liu, J. Thermal behavior analysis of stacked-type supercapacitors with different cell structures. CSEE J. Power Energy Syst. 2018, 4, 112–120. [Google Scholar] [CrossRef]
- Wu, M.; Wei, L.; Shen, Y. Electro-thermal coupling model of supercapacitor for online application. In Proceedings of the 2019 IEEE 4th International Future Energy Electronics Conference (IFEEC), Singapore, 25–28 November 2019. [Google Scholar]
- Liu, Y.; Zhang, C.; Jiang, J.; Jiang, Y.; Zhang, L.; Zhang, W. Capacity Estimation of Serial Lithium-ion Battery Pack Using Dynamic Time Warping Algorithm. IEEE Access 2019, 7, 174687–174698. [Google Scholar] [CrossRef]
- Rufer, A. Energy Storage Systems and Components; Taylor & Francis Group, LLC: Abingdon, UK, 2018; ISBN 978-1-138-08262-5. [Google Scholar]
- Kim, Y.; Chang, N. Design and Management of Energy-Efficient Hybrid Electrical Energy Storage Systems; Springer International Publishing: Cham, Switzerland, 2014; ISBN 978-3-319-07280-7. [Google Scholar] [CrossRef]
- Khalid, A.; Stevenson, A.; Sarwat, A.I. Overview of Technical Specifications for Grid-Connected Microgrid Battery Energy Storage Systems. IEEE Access 2021, 9, 163554–163593. [Google Scholar] [CrossRef]
- Hannan, M.A.; Hoque, M.D.M.; Hussain, A.; Yusof, Y.; Ker, A.P.J. State-of-the-Art and Energy Management System of Lithium-Ion Batteries in Electric Vehicle Applications: Issues and Recommendations. IEEE Access Spec. Sect. Adv. Energy Storage Technol. Appl. 2018, 6, 19362–19378. [Google Scholar] [CrossRef]
- Bolonne, S.R.A.; Chandima, D.P. Sizing an Energy System for Hybrid Li-Ion Battery-Supercapacitor RTG Cranes Based on State Machine Energy Controller. IEEE Access 2019, 7, 71209–71220. [Google Scholar] [CrossRef]
- Apribowo, C.H.B.; Adyatama, S.; Ramelan, A.; Adriyanto, F.; Nizam, M.; Sutrisno. Design and Implementation of Hybrid Equalization Battery Management System for Lithium-Ion Batteries. In Proceedings of the 2022 5th International Seminar on Research of Information Technology and Intelligent Systems (ISRITI), Yogyakarta, Indonesia, 8–9 December 2022; pp. 531–536. [Google Scholar] [CrossRef]
- Xia, X.; Zhao, X.; Zeng, H.; Zeng, X. A novel design of hybrid energy storage system for electric vehicles. Chin. J. Electr. Eng. 2018, 4, 45–51. [Google Scholar] [CrossRef]
- Zhang, H.; Wang, Y.; Qi, H.; Zhang, J. Active Battery Equalization Method Based on Redundant Battery for Electric Vehicles. IEEE Trans. Veh. Technol. 2019, 68, 7531–7543. [Google Scholar] [CrossRef]
- Gao, M.; Qu, J.; Lan, H.; Wu, Q.; Lin, H.; Dong, Z.; Zhang, W. An Active and Passive Hybrid Battery Equalization Strategy Used in Group and between Groups. Electronics 2020, 9, 1744. [Google Scholar] [CrossRef]
- Choy, W.J.; Costabeber, A.; Buticchi, G.; Trentin, A.; Walker, A.; Galea, M.; Paciura, K.; O’Brien, J.; Palmer, B. A Multiport Power Electronics Converter for Hybrid Traction Applications. IEEE Access 2021, 9, 99181–99192. [Google Scholar] [CrossRef]
- Zhan, H.; Wu, H.; Muhammad, M.; Lambert, S.; Pickert, V. Combining electric vehicle battery charging and battery cell equalisation in one circuit. IET Electr. Syst. Transp. 2021, 11, 377–390. [Google Scholar] [CrossRef]
- Wang, P.; Ren, P.; Lu, X.; Wang, W.; Xu, D. A Distributed State-of-Charge Balancing Control Scheme for Three-Port Output-Series Converters in DC Hybrid Energy Storage Systems. IEEE Access 2019, 7, 157173–157184. [Google Scholar] [CrossRef]
- Cavallo, A.; Russo, A.; Canciello, G. Control of Supercapacitors for smooth EMA Operations in Aeronautical Applications. In Proceedings of the 2019 American Control Conference (ACC), Philadelphia, PA, USA, 10–12 July 2019. [Google Scholar] [CrossRef]
- Russo, A.; Cavallo, A. Supercapacitor stability and control for More Electric Aircraft application. In Proceedings of the 2020 European Control Conference (ECC), Saint Petersburg, Russia, 12–15 May 2020. [Google Scholar]
- Cao, J.; Xia, B.; Zhou, J. An Active Equalization Method for Lithium-ion Batteries Based on Flyback Transformer and Variable Step Size Generalized Predictive Control. Energies 2021, 14, 207. [Google Scholar] [CrossRef]
- Dimitrov, B.; Krishna, M.; Cruden, A.; Sharkh, S.; Elkhateb, A. Analysis, Design and Experimental Validation of a Primary Side Current Sensing Flyback Converter for Use in a Battery Management System. Electronics 2018, 7, 43. [Google Scholar] [CrossRef]
- Karthikrajan, G.; Sindhu, M. Implementation and Analysis of Flyback converter for active charge equalization in Li-ion battery pack for EVs. In Proceedings of the 2020 International Conference on Power, Instrumentation, Control and Computing (PICC), Thrissur, India, 17–19 December 2020; pp. 1–5. [Google Scholar] [CrossRef]
- Sun, X.; Cai, C.; Nie, J.; Deng, Y.; Shu, Z. Battery Equalizer for Series-Connected Batteries Based on Half-Bridge LLC Topology. In Proceedings of the 2022 IEEE Applied Power Electronics Conference and Exposition (APEC), Houston, TX, USA, 20–24 March 2022; pp. 1898–1903. [Google Scholar] [CrossRef]
- Wei, Z.; Peng, F.; Wang, H. A String-to-Cell Battery Equalizer Based on Fixed-Frequency LCC Resonant Converter. In Proceedings of the 2020 IEEE Applied Power Electronics Conference and Exposition (APEC), New Orleans, LA, USA, 15–19 March 2020. [Google Scholar]
- Wu, Q.; Gao, M.; Lin, H. A mode-varying cell equaliser based on interleaved parallel multiple transformers. CSEE J. Power Energy Syst. 2023, 9, 802–823. [Google Scholar] [CrossRef]
- Song, S.; Xiao, F.; Peng, S.; Song, C.; Shao, Y. A High-Efficiency Bidirectional Active Balance for Electric Vehicle Battery Packs Based on Model Predictive Control. Energies 2018, 11, 3220. [Google Scholar] [CrossRef]
- Ji, W.; Ran, F.; Ji, Y.; Lu, X.; Guo, A. A low cost battery equalising scheme with buck-boost and series LC converter using synchronous phase-shift controller. IEICE Electron. Express 2016, 14, 20161166. [Google Scholar] [CrossRef]
- Liu, K.; Yang, Z.; Tang, X.; Cao, W. Automotive Battery Equalizers Based on Joint Switched-Capacitor and Buck-Boost Converters. IEEE Trans. Veh. Technol. 2020, 69, 12716–12724. [Google Scholar] [CrossRef]
- Singh, A.; Mishra, A.; Gupta, K.; Siwakoti, Y. High Voltage Gain Bidirectional DC-DC Converters for Supercapacitor Assisted Electric Vehicles: A Review. CPSS Trans. Power Electron. Appl. 2022, 7, 386–398. [Google Scholar] [CrossRef]
- Liu, Y.; Xia, C.; Gu, M.; Xin, W.; Men, X. A novel active equaliser for Li-ion battery pack in electric vehicles. In Proceedings of the 10th International Conference on Applied Energy (ICAE 2018), Hong Kong, China, 22–25 August 2018; pp. 2649–2654. [Google Scholar]
- Garcia, J.; Garcia, P.; Capponi, F.G.; De Donato, G. Analysis, Modeling, and Control of Half-Bridge Current-Source Converter for Energy Management of Supercapacitor Modules in Traction Applications. Energies 2018, 11, 2239. [Google Scholar] [CrossRef]
- Zhu, Z.; Xiao, F.; Huang, Z.; Liu, J.; Chen, P.; Ren, Q. Bidirectional Power Control Strategy for Super Capacitor Energy Storage System Based on MMC DC-DC Converter. IEEE Access 2022, 10, 53225–53233. [Google Scholar] [CrossRef]
- Ao, F.; Dai, W.-L.; Xu, L.-Q.; Huang, C.; Gu, X.-W.; Chen, L. Research and Implementation on the Active Equalization for the Battery in the DC System. In Proceedings of the 2019 Chinese Automation Congress (CAC), Hangzhou, China, 22–24 November 2019; pp. 925–929. [Google Scholar] [CrossRef]
- Remes, C.L.; Rosa, M.B.; Oliveira, S.V.G. A Two-Switch Forward Converter application for battery charging. In Proceedings of the 2015 IEEE 13th Brazilian Power Electronics Conference and 1st Southern Power Electronics Conference (COBEP/SPEC), Fortaleza, Brazil, 29 November–2 December 2015; pp. 1–6. [Google Scholar] [CrossRef]
- Zhou, L.; Ju, Q.; Wang, Q.; Miao, T. A novel dual switch DC/DC converter without reverse recovery problem. In Proceedings of the 7th International Conference on Green Energy Technologies (ICGET 2022), Frankfurt, Germany, 28–30 July 2022; pp. 60–67. [Google Scholar]
- Li, J.-L.; Zhu, B.; Cheng, M.-Y.; Li, Y.; Wang, M.-L. Design and control algorithm of dual switch forward DC/DC converter with DSP digital control. J. Phys. Conf. Ser. 2021, 1754, 012226. [Google Scholar] [CrossRef]
- Application Note AND8373/D, 2 Switch-Forward Current Mode Converter; Semiconductor Components Industries, LLC: Phoenix, AZ, USA, 2010.
- Dimitrov, B. Direct off-line two-switch forward converter with a boost PFC converter for powering of dc electromagnet systems. Technol. Educ. Manag. Inform. TEM J. 2018, 7, 3–12. [Google Scholar] [CrossRef]
- ROHM Semiconductor Application Note No. 64AN035E, Efficiency of Buck Converter; ROHM Co., Ltd.: Kyoto, Japan, 2022.
- Ye, Z.; Rajagopalan, S. Bidirectional DC/DC Converter Topology Comparison and Design. Texas Instruments Application Note. 2017. Available online: https://www.ti.com/seclit/ml/slup342/slup342.pdf (accessed on 9 July 2023).



















| Converters’ Mode of Operation | ON Switches | OFF Switches |
|---|---|---|
| SCES charging from regenerative breaking | ||
| DC–DC 1 (ON) DC–DC 2 (OFF) | Qa1, Qa2 | Qa3, Qa4; Qb1–Qb4 Qs1.1–QsN.4; Q1.1–QN.M |
| Battery cell equalisation—battery charging from the SCES (String 1, Cell V1.1 undercharge) | ||
| DC–DC 1 (OFF) DC–DC 2 (ON, Buck mode) | Qa3, Qa4; Qb3, Qb4; Qs1.3,Qs1.4; Q1.1, Q1.2 | Qa1, Qa2; Qb1, Qb2; Qs1.1, Qs1.2; QsN.1–QsN.4; QN.1–QN.M |
| Battery cell equalisation—battery charging from the SCES (String N, Cell VN1.1 undercharge) | ||
| DC–DC 1 (OFF) DC–DC 2 (ON, Buck mode) | Qa3, Qa4; Qb3, Qb4; QsN.3, QsN.4; QN.1, QN.2 | Qa1, Qa2; Qb1, Qb2; Qs1.1–Qs1.4; Q1.1–Q1.N; QsN.1, QsN.2; QN.3–QN.M |
| Battery cell equalisation—energy cell-to-cell distribution (String 1, Cell V1.1 overcharged, String N Cell VN1.1. undercharge) | ||
| DC–DC 1 (OFF) DC–DC 2 (ON, Buck mode) | Qb1-Qb4; Qs1.1, Qs1.2; QsN.3, QsN.4; Q1.1, Q1.2; QN.1, QN.2 | Qa1-Qa4; Qs1.3, Qs1.4; QsN.1, QsN.2; Q1.3–Q1.N; QN.3–QN.M |
| Battery cell equalisation—energy cell-to-cell distribution (String 1, Cell V1.1 undercharged, String N Cell VN1.1. overcharge) | ||
| DC–DC 1 (OFF) DC–DC 2 (ON, Buck mode) | Qb1-Qb4; Qs1.3, Qs1.4; QsN.1, QsN.2; Q1.1, Q1.2; QN.1, QN.2 | Qa1-Qa4; Qs1.1, Qs1.2; QsN.3, QsN.4; Q1.3–Q1.N; QN.3–QN.M |
| Battery cell discharge—energy transfer to the SCES (String 1, Cell V1.1 overcharged, no cell undercharge) | ||
| DC–DC 1 (OFF) DC–DC 2 (ON, Boost mode) | Qa3, Qa4; Qb3, Qb4; Qs1.3, Qs1.4; Q1.1, Q1.2 | Qa1, Qa2; Qb1, Qb2; Qs1.1, Qs1.2; QsN.1–QsN.4; Q1.3–Q1.N; QN.1–QN.M |
| Battery cell discharge—energy transfer to the SCES (String N, Cell VN.1 overcharged, no cell undercharge) | ||
| DC–DC 1 (OFF) DC–DC 2 (ON, Boost mode) | Qa3, Qa4; Qb3, Qb4; QsN.3, QsN.4; QN.1, QN.2 | Qa1, Qa2; Qb1, Qb2; Qs1.1–Qs1.4; QsN.1, QsN.2; Q1.1–Q1.N; QN.3–QN.M |
| Charge | Discharge | ||
|---|---|---|---|
| Transient capacitor’s voltage | |||
| (9) | (10) | ||
| (11) | (12) | ||
| (13) | - | ||
| (14) | - | ||
| Where C is the equivalent tank capacitance (F), R is the equivalent circuit resistance (), and , respectively, the tank input and initial discharge voltages (V), t is the time (s), is the initial voltage capacitor charge, and is the initial current capacitor charge | |||
| ) currents | |||
| (15) | (16) | ||
| (17) | (18) | ||
| Where and are the initial and maximum discharge ratios, and are charge and discharge times (s), and is the maximum voltage (V) | |||
| Energy loss during the charge and discharge ) process | |||
| (19) | (20) | ||
| (21) | |||
| Where is the stored/recovered energy, is the equivalent series resistance of the tank () | |||
| ) efficiency | |||
| (22) | (23) | ||
| (24) | (25) | ||
| (26) | (27) | ||
| Design Parameter | Value | Equation |
|---|---|---|
| Input design parameters | ||
| Input/output voltage ranges | 300–500 V/0–12 V | - |
| Nominal/maximum output current | 100 A/120 A | - |
| Switching frequency/targeted efficiency | 100 kHz/90% | - |
| Output design parameters | ||
| Transformation turns ratio and minimum duty cycle | 0.1; 0.27 | (29), (30) |
| Selected output capacitor (C2, Figure 9) | (32), (33) | |
| Output inductor and DC resistance (L1, Figure 9) | (35) | |
| Primary/secondary RMS current | 100.5 A/7.3 A | (36), (37), (38), (39) |
| Selected MOSFETS (Q1, Q2, Figure 9) | NTHL040N65 | |
| Conductive/switching/total power loss | 2.12 W/4.1 W/6.2 W | (40), (41), (42), (43) |
| Primary side demagnetisation peak/average current | 1 A/0.4 A | (45), (47) |
| Selected primary side diodes (D1, D2, Figure 9) | STTH812 | |
| Selected secondary side diodes (D3, D4, Figure 9) | VS-150EBU02 | |
| Rectifier (D3)/freewheeling (D4) diodes power loss | 37.8 W/46.2 W | (49), (50) |
| Design Parameter | Value | Equation |
|---|---|---|
| Input design parameters | ||
| Input/output voltages | 12 V/5 V | - |
| Nominal/maximum current | 2 A/2.5 A | - |
| Switching frequency | 100 kHz | - |
| Output design parameters | ||
| Selected MOSFETS (Q1, Q2, Figure 10) | FDP8896 | |
| Transistors Q1/Q2 total power loss | 0.39 W/0.17 W | (51), (52), (55), (56)(57), (58), (59) |
| Selected inductor (L1, Figure 10); Inductance/Rdc | (53), (54) | |
| Selected capacitor (C1, Figure 10); capacitance/ESR | (63) | |
| Inductor/capacitor power loss | 0.17 W/0.034 W | (60), (61) |
| Converter total loss/estimated efficiency | 1.07 W/90.4% | (62), (64) |
| Mode of Operation | ON Switches Secondary Side DC–DC1 | ON Switches Primary Side DC–DC2 | ON Switches Secondary Side DC–DC2 | Total Conductive Loss (W) | Switches Estimated Efficiency |
|---|---|---|---|---|---|
| Estimated maximum DC current/voltage/power | 100 A/10 V 1000 W | 1 A/10 V 10 W | 2 A/5 V 10 W | - | - |
| SCES charging (regenerative breaking) | Qa1, Qa2 | - | - | 10 | 99% |
| Battery cell equalisation | - | Qa3, Qa4 | Qb3, Qb4, Qs1.3, Qs1.4, Q1.1, Q1.2 | 0.468 | 95.3% |
| Battery cell equalisation—energy distribution | - | Qb1, Qb2, Qs1.1, Qs1.2, Q1.1, Q1.2 | Qb1, Qb4, QsN.3, QsN.4, QN.1, QN.2 | 0.54 | 94.6% |
| Battery cell discharge | - | Qa3, Qa4 | Qb3, Qb4, Qs1.3, Qs1.4, Q1.1, Q1.2 | 0.468 | 95.3% |
Disclaimer/Publisher’s Note: The statements, opinions and data contained in all publications are solely those of the individual author(s) and contributor(s) and not of MDPI and/or the editor(s). MDPI and/or the editor(s) disclaim responsibility for any injury to people or property resulting from any ideas, methods, instructions or products referred to in the content. |
© 2023 by the authors. Licensee MDPI, Basel, Switzerland. This article is an open access article distributed under the terms and conditions of the Creative Commons Attribution (CC BY) license (https://creativecommons.org/licenses/by/4.0/).
Share and Cite
Dimitrov, B.; Konaklieva, S. A Battery Cell Equalisation System Based on a Supercapacitors Tank and DC–DC Converters for Automotive Applications. World Electr. Veh. J. 2023, 14, 185. https://doi.org/10.3390/wevj14070185
Dimitrov B, Konaklieva S. A Battery Cell Equalisation System Based on a Supercapacitors Tank and DC–DC Converters for Automotive Applications. World Electric Vehicle Journal. 2023; 14(7):185. https://doi.org/10.3390/wevj14070185
Chicago/Turabian StyleDimitrov, Borislav, and Sylvia Konaklieva. 2023. "A Battery Cell Equalisation System Based on a Supercapacitors Tank and DC–DC Converters for Automotive Applications" World Electric Vehicle Journal 14, no. 7: 185. https://doi.org/10.3390/wevj14070185
APA StyleDimitrov, B., & Konaklieva, S. (2023). A Battery Cell Equalisation System Based on a Supercapacitors Tank and DC–DC Converters for Automotive Applications. World Electric Vehicle Journal, 14(7), 185. https://doi.org/10.3390/wevj14070185

