A Novel Dynamic Li-Ion Battery Model for the Aggregated Charging of EVs
Abstract
:1. Introduction
2. Li-Ion Battery Models
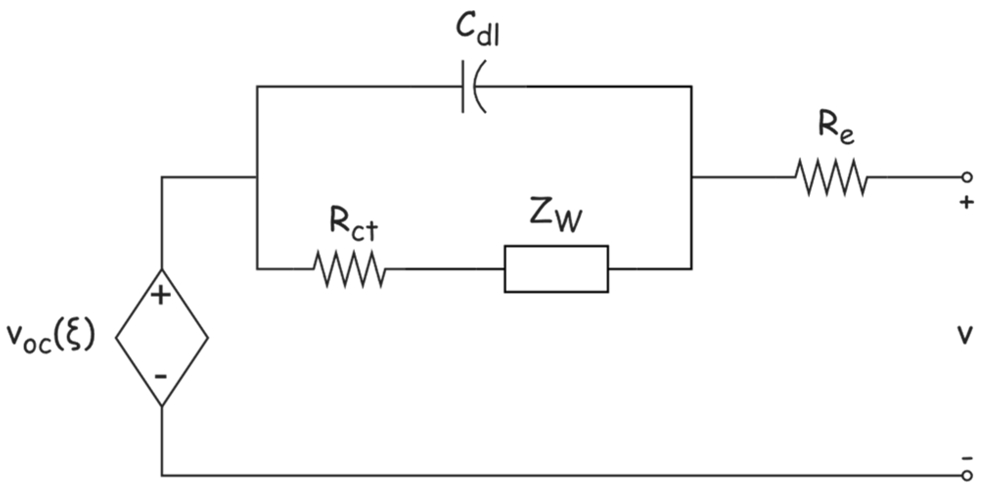
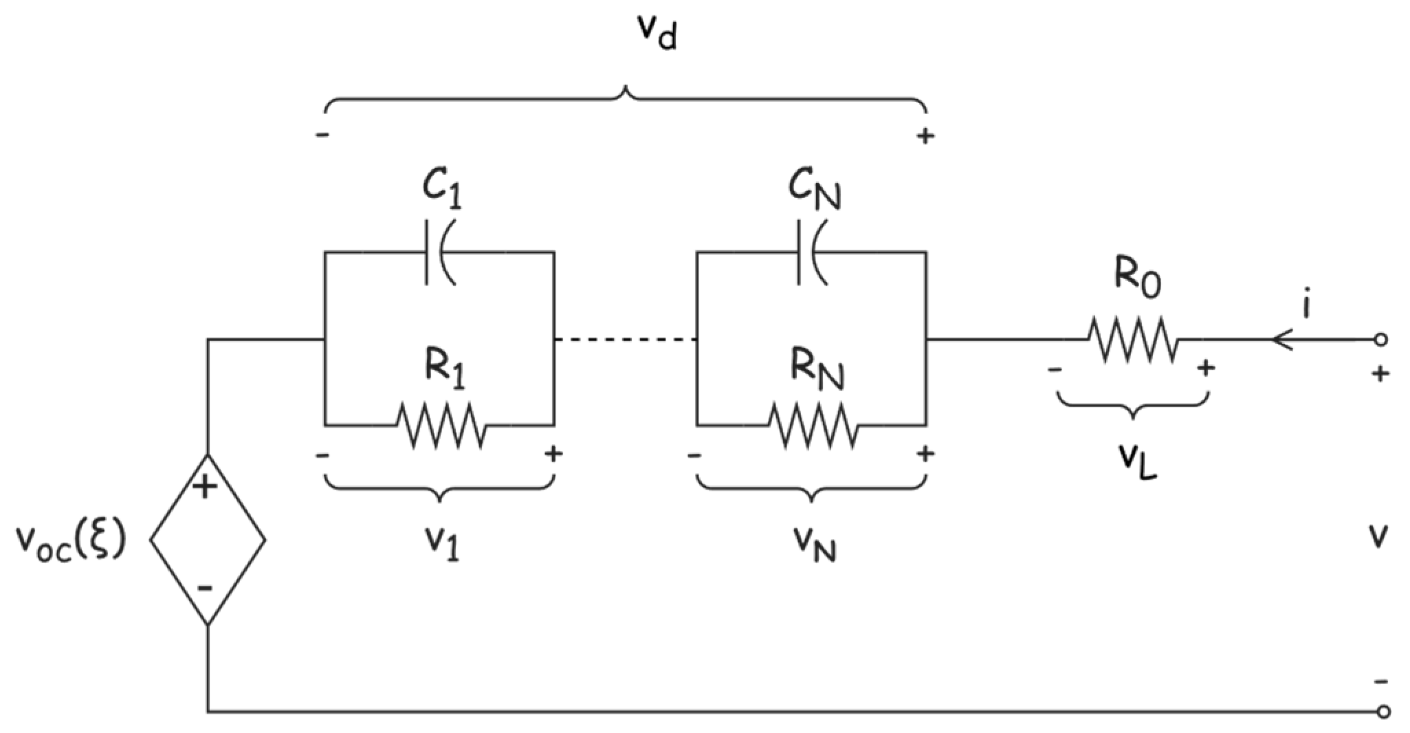
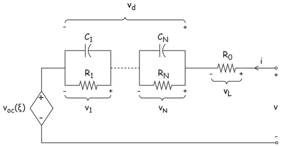
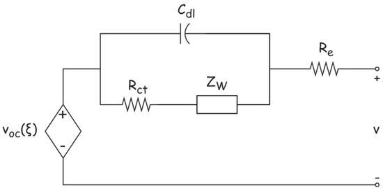
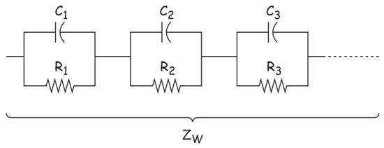
2.1. Thevenin Equivalent Circuit Model (Th-ECM)
2.2. Constant Power Model (CPM)
3. Proposed Linear Battery Model (LBM)
3.1. Voltage Transformation
3.2. Current Transformation
4. Developed Battery Model Evaluation
4.1. Accuracy Evaluation of the Charging and Discharging Dynamics of the LBM
4.2. The Scalability of the LBM Compared to the ECM and CPM
5. Conclusions
Author Contributions
Funding
Data Availability Statement
Conflicts of Interest
Abbreviations
| BMS | Battery management system |
| CC | Constant current |
| CPM | Constant power model |
| CV | Constant voltage |
| EV | Electric vehicle |
| LBM | Linear battery model |
| LFP | Lithium iron phosphate |
| LMO | Lithium manganese oxide |
| NCA | Nickel cobalt aluminum |
| NMC | Nickel manganese cobalt |
| OCV | Open circuit voltage |
| SoC | State of charge |
| SoH | State of health |
| Th-ECM | Thevenin equivalent circuit model |
| V2G | Vehicle to grid |
| Indices | |
| Index of RC branches, ranges from 1 to . | |
| Index of EVs inside a fleet, ranges from to (fleet size) | |
| Index of time instant, ranges from 1 to (simulation time)/ | |
| Parameters | |
| Electrolyte resistance | |
| Charge transfer resistance | |
| Double-layer capacitance | |
| Warburg impedance | |
| Total internal resistance | |
| Columbic efficiency | |
| Columbic capacity | |
| Sampling period | |
| The RC branch resistance | |
| The RC branch capacitance | |
| The RC branch time constant | |
| Minimum operational voltage limit | |
| Maximum operational voltage limit | |
| Maximum operational discharging current limit | |
| Maximum operational charging current limit | |
| Energy efficiency | |
| Maximum operational discharging power limit | |
| Maximum operational charging power limit | |
| Minimum operational energy limit | |
| Maximum operational energy limit | |
| The zero-order coefficient for linearly fitting to | |
| The first-order coefficient for linearly fitting to | |
| The mean of under typical battery usage pattern | |
| The mean of under typical battery usage pattern | |
| The forecasted day-ahead energy cost at instant | |
| / | Arrival/departure instant of electric vehicle |
| / | Arrival/departure energy of electric vehicle |
| Variables | |
| State of charge | |
| Open circuit voltage | |
| Terminal voltage | |
| Polarization in terminal voltage due to ion diffusion | |
| Diffusion voltage polarization component of the RC branch | |
| Polarization in terminal voltage due to loading | |
| Terminal current | |
| Stored energy | |
| Terminal power | |
| Apparent energy | |
| Polarization in energy due to RC branch | |
| Terminal power for a fleet vehicle with index | |
| Stored energy for a fleet vehicle with index |
References
- Singh, K.V.; Bansal, H.O.; Singh, D. A comprehensive review on hybrid electric vehicles: Architectures and components. J. Mod. Transp. 2019, 27, 77–107. [Google Scholar] [CrossRef]
- Sanguesa, J.A.; Torres-Sanz, V.; Garrido, P.; Martinez, F.J.; Marquez-Barja, J.M. A Review on Electric Vehicles: Technologies and Challenges. Smart Cities 2021, 4, 372–404. [Google Scholar] [CrossRef]
- Costa, C.M.; Carlos, M. Electric vehicles: To what extent are environmentally friendly and cost effective?—Comparative study by european countries. Renew. Sustain. Energy Rev. 2021, 151, 111548. [Google Scholar] [CrossRef]
- Raveendran, V.; Alvarez-Bel, C.; Manjula, G. Assessing the ancillary service potential of electric vehicles to support renewable energy integration in touristic islands: A case study from Balearic island of Menorca. Renew. Energy 2020, 161, 495–509. [Google Scholar] [CrossRef]
- Dik, A.; Omer, S.; Boukhanouf, R. Electric Vehicles: V2G for Rapid, Safe, and Green EV Penetration. Energies 2022, 15, 803. [Google Scholar] [CrossRef]
- Icaza, D.; Borge-Diez, D.; Galindo, S.P.; Flores-Vázquez, C. Analysis of Smart Energy Systems and High Participation of V2G Impact for the Ecuadorian 100% Renewable Energy System by 2050. Energies 2023, 16, 4045. [Google Scholar] [CrossRef]
- Ullah, Z.; Ullah, K.; Diaz-Londono, C.; Gruosso, G.; Basit, A. Enhancing Grid Operation with Electric Vehicle Integration in Automatic Generation Control. Energies 2023, 16, 7118. [Google Scholar] [CrossRef]
- Bayati, M.; Abedi, M.; Farahmandrad, M.; Gharehpetian, G.B.; Tehrani, K. Important Technical Considerations in Design of Battery Chargers of Electric Vehicles. Energies 2021, 14, 5878. [Google Scholar] [CrossRef]
- Gholizadeh, M.; Yazdizadeh, A. SOC and SOH Estimation for a Lithium-Ion Battery Using a Novel Adaptive Observer Based Approach. In Proceedings of the 2020 28th Iranian Conference on Electrical Engineering (ICEE), Tabriz, Iran, 4–6 August 2020; IEEE: Piscataway, NJ, USA, 2020; pp. 1–6. [Google Scholar]
- Hannan, M.A. Review of energy storage systems for electric vehicle applications: Issues and challenges. Renew. Sustain. Energy Rev. 2017, 69, 771–789. [Google Scholar] [CrossRef]
- El Baset Abd El Halim, A.A.; Bayoumi, E.H.E.; El-Khattam, W.; Ibrahim, A.M. Electric Vehicles: A Review of Their Components and Technologies. Int. J. Power Electron. Drive Syst. 2022, 13, 2041. [Google Scholar] [CrossRef]
- Durmus, Y.E.; Zhang, H.; Baakes, F.; Desmaizieres, G.; Hayun, H.; Yang, L.; Kolek, M.; Küpers, V.; Janek, J.; Mandler, D.; et al. Side by Side Battery Technologies with Lithium-Ion Based Batteries. Adv. Energy Mater. 2020, 10, 2000089. [Google Scholar] [CrossRef]
- Nazir, M.H.; Rahil, A.; Partenie, E.; Bowkett, M.; Khan, Z.A.; Hussain, M.M.; Zaidi, S.Z.J. Comparison of Lithium-ion Battery Cell Technologies Applied in the Regenerative Braking System. Battery Energy 2022, 1, 20220022. [Google Scholar] [CrossRef]
- Uddin, K.; Jackson, T.; Widanage, W.D.; Chouchelamane, G.H.; Jennings, P.; Marco, J. On the Possibility of Extending the Lifetime of Lithium-Ion Batteries through Optimal V2G Facilitated by an Integrated Vehicle and Smart-Grid System. Energy 2017, 133, 710–722. [Google Scholar] [CrossRef]
- Shariff, S.M. A state-of-the-art review on the impact of fast EV charging on the utility sector. Energy Storage 2022, 4, e300. [Google Scholar] [CrossRef]
- Banerji, A.; Sharma, K.; Singh, R. Integrating Renewable Energy and Electric Vehicle Systems into Power Grid: Benefits and Challenges. In Proceedings of the 2021 Innovations in Power and Advanced Computing Technologies (i-PACT), Kuala Lumpur, Malaysia, 27–29 November 2021. [Google Scholar]
- Nour, M.; Chaves-Ávila, J.P.; Magdy, G.; Sánchez-Miralles, Á. Review of Positive and Negative Impacts of Electric Vehicles Charging on Electric Power Systems. Energies 2020, 13, 4675. [Google Scholar] [CrossRef]
- Nazari-Heris, M.; Abapour, M.; Mohammadi-Ivatloo, B. An Updated Review and Outlook on Electric Vehicle Aggregators in Electric Energy Networks. Sustainability 2022, 14, 15747. [Google Scholar] [CrossRef]
- Ahmadian, A.; Ponnambalam, K.; Almansoori, A.; Elkamel, A. Optimal Management of a Virtual Power Plant Consisting of Renewable Energy Resources and Electric Vehicles Using Mixed-Integer Linear Programming and Deep Learning. Energies 2023, 16, 1000. [Google Scholar] [CrossRef]
- Lemeski, A.T.; Ebrahimi, R.; Zakariazadeh, A. Optimal Decentralized Coordinated Operation of Electric Vehicle Aggregators Enabling Vehicle to Grid Option Using Distributed Algorithm. J. Energy Storage 2022, 54, 105213. [Google Scholar] [CrossRef]
- Zheng, Y.; Shao, Z.; Lei, X.; Shi, Y.; Jian, L. The Economic Analysis of Electric Vehicle Aggregators Participating in Energy and Regulation Markets Considering Battery Degradation. J. Energy Storage 2022, 45, 103770. [Google Scholar] [CrossRef]
- Wu, H.; Shahidehpour, M.; Alabdulwahab, A.; Abusorrah, A. A Game Theoretic Approach to Risk-Based Optimal Bidding Strategies for Electric Vehicle Aggregators in Electricity Markets with Variable Wind Energy Resources. IEEE Trans. Sustain. Energy 2016, 7, 374–385. [Google Scholar] [CrossRef]
- Thangaraj, A.; Xavier, S.; Ramasamy, P. Optimal Coordinated Operation Scheduling for Electric Vehicle Aggregator and Charging Stations in Integrated Electricity Transportation System Using Hybrid Technique. Sustain. Cities Soc. 2022, 80, 103768. [Google Scholar] [CrossRef]
- Fathy, A.; Abdelaziz, A.Y. Competition over Resource Optimization Algorithm for Optimal Allocating and Sizing Parking Lots in Radial Distribution Network. J. Clean. Prod. 2020, 264, 121397. [Google Scholar] [CrossRef]
- Kerscher, S.; Arboleya, P. The key role of aggregators in the energy transition under the latest European regulatory framework. Int. J. Electr. Power Energy Syst. 2022, 134, 107361. [Google Scholar] [CrossRef]
- Lin, H.; Zhou, Y.; Li, Y.; Zheng, H. Aggregator pricing and electric vehicles charging strategy based on a two-layer deep learning model. Electr. Power Syst. Res. 2024, 227, 109971. [Google Scholar] [CrossRef]
- Alaee, P.; Bems, J.; Anvari-Moghaddam, A. A Review of the Latest Trends in Technical and Economic Aspects of EV Charging Management. Energies 2023, 16, 3669. [Google Scholar] [CrossRef]
- Wang, Y.; Tian, J.; Sun, Z.; Wang, L.; Xu, R.; Li, M.; Chen, Z. A Comprehensive Review of Battery Modeling and State Estimation Approaches for Advanced Battery Management Systems. Renew. Sustain. Energy Rev. 2020, 131, 110015. [Google Scholar] [CrossRef]
- Tamilselvi, S.; Gunasundari, S.; Karuppiah, N.; Razak RK, A.; Madhusudan, S.; Nagarajan, V.M.; Sathish, T.; Shamim, M.Z.M.; Saleel, C.A.; Afzal, A. A Review on Battery Modelling Techniques. Sustainability 2021, 13, 10042. [Google Scholar] [CrossRef]
- Vardanyan, Y.; Banis, F.; Pourmousavi, S.A.; Madsen, H. Optimal Coordinated Bidding of a Profit-Maximizing EV Aggregator under Uncertainty. In Proceedings of the 2018 IEEE International Energy Conference (ENERGYCON), Limassol, Cyprus, 3–7 June 2018. [Google Scholar] [CrossRef]
- Ma, T.-Y. Two-Stage Battery Recharge Scheduling and Vehicle-Charger Assignment Policy for Dynamic Electric Dial-a-Ride Services. PLoS ONE 2021, 16, e0251582. [Google Scholar] [CrossRef] [PubMed]
- Chen, D.; Jing, Z.; Li, Z.; Xu, H.; Ji, T. Exact Relaxation of Complementary Constraints for Optimal Bidding Strategy for Electric Vehicle Aggregators. Iet Renew. Power Gener. 2021, 16, 2493–2507. [Google Scholar] [CrossRef]
- Najafi, A.; Pourakbari-Kasmaei, M.; Jasiński, M.; Lehtonen, M.; Leonowicz, Z. A Hybrid Decentralized Stochastic-Robust Model for Optimal Coordination of Electric Vehicle Aggregator and Energy Hub Entities. Appl. Energy 2021, 304, 117708. [Google Scholar] [CrossRef]
- Clairand, J.-M.; González, M.; Cedeño, I.; Escrivá-Escrivá, G. A Charging Station Planning Model Considering Electric Bus Aggregators. Sustain. Energy Grids Netw. 2022, 30, 100638. [Google Scholar] [CrossRef]
- Simić, M. A Randles circuit parameter estimation of Li-ion batteries with embedded hardware. IEEE Trans. Instrum. Meas. 2022, 71, 1–12. [Google Scholar] [CrossRef]
- Estaller, J.; Kersten, A.; Kuder, M.; Thiringer, T.; Eckerle, R.; Weyh, T. Overview of Battery Impedance Modeling Including Detailed State-of-the-Art Cylindrical 18650 Lithium-Ion Battery Cell Comparisons. Energies 2022, 15, 3822. [Google Scholar] [CrossRef]
- Fowler, M.; DaCosta, A.; Mevawalla, A.; Panchal, S.; Fowler, M. Comparative Study of Equivalent Circuit Models Performance in Four Common Lithium-Ion Batteries: LFP, NMC, LMO, NCA. Batteries 2021, 7, 51. [Google Scholar] [CrossRef]
- Martí-Florences, M.; Cecilia, A.; Costa-Castelló, R. Modelling and Estimation in Lithium-Ion Batteries: A Literature Review. Energies 2023, 16, 6846. [Google Scholar] [CrossRef]
- Masakure, A.; Gill, A.; Singh, M. The Impact of Battery Charging and Discharging Current Limits on EV Battery Degradation and Safety. In Proceedings of the 2023 3rd Asian Conference on Innovation in Technology (ASIANCON), Pune, India, 25–27 August 2023; IEEE: Piscataway, NJ, USA, 2023; pp. 1–5. [Google Scholar]
- Gabbar, H.A.; Othman, A.M.; Abdussami, M.R. Review of Battery Management Systems (BMS) Development and Industrial Standards. Technologies 2021, 9, 28. [Google Scholar] [CrossRef]
- El Baset Abd El Halim, A.A.; Bayoumi, E.H.E.; El-Khattam, W.; Ibrahim, A.M. Effect of Fast Charging on Lithium-Ion Batteries: A Review. SAE Int. J. Electrified Veh. 2023, 12, 361–388. [Google Scholar] [CrossRef]









| LFP | NMC | LMO | NCA | |
|---|---|---|---|---|
Disclaimer/Publisher’s Note: The statements, opinions and data contained in all publications are solely those of the individual author(s) and contributor(s) and not of MDPI and/or the editor(s). MDPI and/or the editor(s) disclaim responsibility for any injury to people or property resulting from any ideas, methods, instructions or products referred to in the content. |
© 2023 by the authors. Licensee MDPI, Basel, Switzerland. This article is an open access article distributed under the terms and conditions of the Creative Commons Attribution (CC BY) license (https://creativecommons.org/licenses/by/4.0/).
Share and Cite
Asim, A.M.; Ahmed, O.A.; Ibrahim, A.M.; El-Khattam, W.A.; Talaat, H.E. A Novel Dynamic Li-Ion Battery Model for the Aggregated Charging of EVs. World Electr. Veh. J. 2023, 14, 336. https://doi.org/10.3390/wevj14120336
Asim AM, Ahmed OA, Ibrahim AM, El-Khattam WA, Talaat HE. A Novel Dynamic Li-Ion Battery Model for the Aggregated Charging of EVs. World Electric Vehicle Journal. 2023; 14(12):336. https://doi.org/10.3390/wevj14120336
Chicago/Turabian StyleAsim, Ahmed M., Osama A. Ahmed, Amr M. Ibrahim, Walid Aly El-Khattam, and Hossam E. Talaat. 2023. "A Novel Dynamic Li-Ion Battery Model for the Aggregated Charging of EVs" World Electric Vehicle Journal 14, no. 12: 336. https://doi.org/10.3390/wevj14120336
APA StyleAsim, A. M., Ahmed, O. A., Ibrahim, A. M., El-Khattam, W. A., & Talaat, H. E. (2023). A Novel Dynamic Li-Ion Battery Model for the Aggregated Charging of EVs. World Electric Vehicle Journal, 14(12), 336. https://doi.org/10.3390/wevj14120336

