Next Article in Journal
Impact of V2G Flexibility on Congestion Management in the German Transmission Grid
Next Article in Special Issue
A Novel Dynamic Li-Ion Battery Model for the Aggregated Charging of EVs
Previous Article in Journal
Acceptance of E-Motorcycles: A Longitudinal Survey at Loewensteiner Platte, South Germany
Previous Article in Special Issue
Optimizing Voltage Stability in Distribution Networks via Metaheuristic Algorithm-Driven Reactive Power Compensation from MDHD EVs
 
 
Font Type:
Arial Georgia Verdana
Font Size:
Aa Aa Aa
Line Spacing:
Column Width:
Background:
Article

Low-Carbon Incentive Guidance Strategy for Electric Vehicle Agents Based on Carbon Emission Flow

1
School of Electric Power, Shenyang Institute of Engineering, Shenyang 110136, China
2
State Grid Economic and Technological Research Institute Co., Ltd., Beijing 102211, China
3
College of Computer and Control Engineering, Northeast Forestry University, Harbin 150040, China
4
Harbin Power Supply Company, State Grid Heilongjiang Co., Ltd., Harbin 150010, China
5
Suzhou Power Supply Company, State Grid Jiangsu Co., Ltd., Suzhou 215004, China
*
Author to whom correspondence should be addressed.
World Electr. Veh. J. 2023, 14(12), 327; https://doi.org/10.3390/wevj14120327
Submission received: 23 July 2023 / Revised: 22 November 2023 / Accepted: 23 November 2023 / Published: 28 November 2023
(This article belongs to the Special Issue Electric Vehicles and Smart Grid Interaction)

Abstract

:
The cleanliness of charging power determines whether electric vehicles can fully utilize their low-carbon properties. This paper, taking into account the impact of temperature on the energy consumption of electric vehicle air conditioning, uses the Monte Carlo algorithm to calculate the typical daily charging load of electric vehicle clusters in different seasons. Secondly, based on the Shapley value carbon responsibility allocation method, a reasonable range of carbon emission responsibilities for different electric vehicle agents is calculated, and a tiered carbon pricing method is proposed accordingly. Then, using carbon emission flow theory, we calculate the carbon emissions generated by the different agents’ charging amounts and corresponding carbon emission costs. Finally, a low-carbon incentive guidance model is constructed with the signal of tiered carbon prices and the goal of minimizing operating costs to re-optimize the charging load distribution of electric vehicles. Case studies showcase that the proposed method is effective in reducing power system carbon emissions and electric vehicle charging costs.

1. Introduction

China is the world’s largest energy consumer and greenhouse gas emitter, with the power industry and transportation industry emitting the most greenhouse gases, accounting for over 60% of the country’s total emissions. In the context of a low-carbon economy, clean energy and electric vehicles have attracted extensive attention from various countries [1]. Vigorously developed clean energy represented by wind power and photovoltaic will gradually become the main power supply to promote the transformation of the power industry to low carbon [2,3].
An electric vehicle is driven by electric energy, which has the advantages of high efficiency and zero pollution. It can effectively reduce carbon emissions and is an essential means to solve traffic and environmental problems [4]. Ref. [5] pointed out that the cleanliness of electric vehicle charging sources directly determines whether the electric vehicle has low-carbon characteristics. As of 2021, coal-fired power generation (after this point referred to as thermal power) accounted for 61% of China’s electricity generation and has continued to dominate the energy structure of China’s power grid for a considerable period [6]. Therefore, with adequate response measures, the cleanliness level of electric vehicle charging will be easier to ensure, and carbon emissions from the transportation end will only be transferred to the power generation side, contrary to the original intention of developing electric vehicles in China. After comparing the charging of electric vehicles under different grid energy structures in [7], it was found that the level of clean electricity consumption of electric vehicles is significantly higher in areas with low thermal power ratios than in areas with high thermal power ratios. Ref. [8] further pointed out that according to China’s current proportion of the power grid structure, if large-scale electric vehicles were directly connected to the grid for charging without control in the future, this would not be conducive to obtaining the expected environmental benefits. At the same time, coupling the inherent fluctuation and randomness of new energy output with the charging time of electric vehicles also poses particular challenges in the current power system [9]. Therefore, it is necessary to realize the optimal scheduling of electric vehicle charging and clean energy by regulating the charging behavior of electric vehicles. Ref. [10] aimed to minimize the operating costs of microgrids and studied the optimal energy management of clean energy and plug-in hybrid electric vehicles. In [11], the authors proposed the optimal scheduling strategy for multi-microgrid and electric vehicle charging loads and realized the optimal distribution. Although [10,11] studied the optimal allocation of clean energy and electric vehicle load energy, they were both from the perspective of microgrids without considering the charging costs of electric vehicles. In [12], the authors put forward an intelligent charging strategy for electric vehicles, which involved demand response from the perspective of electric vehicles and effectively reduced the charging costs of electric vehicle users. However, only the charging costs of electric vehicles was considered in the modeling process. Still, the carbon emissions from the power system caused by electric vehicle charging were not considered, which did not reflect the low-carbon attribute of electric vehicles. Ref. [13] put forward a charging and discharging strategy for electric vehicles, which integrated the charging electricity price and the dynamic updating mechanism of carbon quota income and reduced the scheduling costs of users. However, considering the carbon quota of the whole life cycle of electric vehicles, it is not applicable to only consider the carbon emissions caused by the charging process of electric vehicles. In [14], the authors defined the calculation method of carbon quota and carbon gain in the charging process of electric vehicles. The authors established a scheduling model considering the participation of electric vehicles in the carbon trading market. At the same time, the costs to users were reduced, and the carbon emission reduction performance of electric vehicles was fully exerted. However, when calculating the carbon emissions caused by the charging process of electric vehicles, this paper only used the proportion of thermal power generation to make a rough calculation, which needed more accuracy. Therefore, it is worth studying and discussing how to accurately calculate the power system’s carbon emissions caused by electric vehicles’ charging process and further explore the low-carbon properties of electric vehicles.
Ref. [15] combined carbon emission analysis with power flow calculation for the first time and put forward the concept of carbon emission flow in power systems, which brought a new direction for the research of low-carbon power. In Ref. [16], based on the theory of carbon emission flow in power systems, the similarities and differences between carbon emission flow and power flow calculation in power systems were further analyzed, and the primary calculation method of carbon emission flow in power systems was established. Refs. [15,16] measured and accounted for the carbon emissions of load power consumption from the power consumption side and improved the carbon emissions calculation method. As an effective tool to analyze low-carbon power, the theory of carbon emission flow has been thoroughly improved and developed. Based on the theory of carbon emission flow, the authors of Ref. [17] studied the site selection and capacity planning issues of electric gas stations. The authors of Ref. [18] designed a two-level low-carbon planning model of a power system considering carbon emission flow and demand response and adjusted the load distribution reasonably to reduce carbon emissions and carbon emission costs. The above work applied the carbon emission flow theory to the low-carbon research of power systems. However, there is limited work on the study of the carbon emissions when accounting for electric vehicle clusters’ charging load.
Considering the above issues, this paper presents a charging guidance strategy for electric vehicles based on power systems’ carbon emission flow theory. The carbon emissions caused by electric vehicle charging are accurately calculated using the carbon emission flow theory of power systems to guide and restrict the charging behavior of electric vehicles accurately. When calculating the carbon emission costs, the Shapley value carbon responsibility allocation method is introduced to calculate agents’ tiered carbon responsibility range in different locations to ensure fairness and rationality. Finally, the tiered carbon price is used as a signal to guide and encourage agents to arrange electric vehicle charging during the period of clean energy output to reduce the carbon emissions from power systems and the carbon emission costs paid by agents.
The contributions of this work can be concluded as follows:
(1)
The carbon emission flow theory of power systems is introduced to accurately calculate carbon emissions from power systems caused by electric vehicle charging.
(2)
Based on the Shapley value carbon responsibility method, the corresponding tiered carbon responsibility range of the agent at different node positions is calculated.
(3)
A low-carbon incentive and guidance strategy model for electric vehicle agents is proposed, which can effectively reduce the carbon emissions and charging costs caused by the charging load of the agent without affecting everyday travel.
The rest of this paper is organized as follows: Section 2 presents the charging load model of electric vehicles considering the energy consumption of temperature-responsive air conditioning; Section 3 introduces the theory of carbon emission flow in a power system; Section 4 presents the scope of tiered carbon responsibility for Shapley value calculation; Section 5 introduces the low-carbon incentive guidance strategy model; Section 6 presents the simulation results and analysis; and Section 7 discusses the conclusions and prospects for future work.

2. Modeling of Electric Vehicle Charging Load Considering Temperature Effects

This section focuses on modeling and predicting the daily charging load of private electric vehicles under the influence of temperature on air conditioning energy consumption. The paper uses the relatively popular BYD electric vehicle as the research object for private cars. The relevant parameters of the electric vehicles in the following text are sourced from [19].

2.1. Electric Vehicle Travel Data

Ref. [20] was used for the travel data and data processing methods for the electric vehicles. The travel start time and travel end time of the vehicles meet the relationship of normal distribution, and the daily mileage meets the relationship of log-normal distribution. The probability density functions f e ( t ) , f s ( t ) , and f ( x ) are respectively shown in Formulas (1)–(3).
(1)
Travel end time
f e ( t ) = { 1 σ t 2 π exp [ ( t + 24 μ t ) 2 2 σ t 2 ] , 0 < t ( μ t 12 ) 1 σ t 2 π exp [ ( t μ t ) 2 2 σ t 2 ] , ( μ t 12 ) < t 24
where t is the end time of private car travel; the start time of electric vehicle charging: μ t = 17.6 and σ t = 3.4.
(2)
Travel start time
f s ( t ) = { 1 2 π σ t exp [ ( t μ t ) 2 2 σ t 2 ] , 0 < t μ t + 12 1 2 π σ t exp [ ( t 24 μ t ) 2 2 σ t 2 ] , μ t + 12 < t 24
where t is the start time of private car travel; the compulsory end time of electric vehicle charging: μ t = 8.92 and σ t = 3.24.
(3)
Daily mileage
f ( x ) = 1 x σ x 2 π exp [ ( ln x μ x ) 2 2 σ x 2 ]
where x is the daily driving distance of a private car in km: μ x = 3.20 and σ x = 0.88.

2.2. Electric Vehicle Charging Load Model Considering Air Conditioning Energy Consumption

Due to the climate characteristics of the Liaoning region, the temperature changes throughout the four seasons are relatively noticeable. The temperature in the spring and autumn is suitable, and in the summer and winter, drivers turn on the air conditioning in the car to ensure driving comfort. Batteries entirely supply the energy of air conditioning in pure electric vehicles, and the start of air conditioning is closely related to temperature. Therefore, the daily charging load model of electric vehicles will also change in different seasons.

2.2.1. Spring and Autumn Charging Load Modeling

In the Liaoning region, the temperature during the spring and autumn is relatively suitable, so it is not necessary to consider the energy consumption impact of air conditioning when modeling the daily charging load of electric vehicles.
W = D S E T
t = W P η
where D is the daily mileage of electric vehicles in km; S is the rated driving range of the electric vehicle, taken as 300 km; ET is the battery capacity of the electric vehicle, taken as 62 kWh; t is the charging time; W is the amount of electricity required when the tram needs to be fully charged; P is the charging power, taken as 5 kW; and η is the charging efficiency, taken as 0.9.

2.2.2. Winter Charging Load Modeling

The winter in the Liaoning region is freezing, and the default is to turn on the air conditioning for heating throughout the driving process.
W = D S E T + D v P 1
where v is the average speed of the electric vehicle on the main road, taken as 60 km/h [21], and P 1 is the heating power of the electric vehicle, taken as 2.5 kW.

2.2.3. Summer Charging Load Modeling

In the summer, when the outdoor temperature reaches or exceeds 27 °C, the air conditioning inside electric vehicles will be turned on for cooling [22]. Ref. [21] was used for the charging load calculation method considering the probability of air conditioning startup:
p = n N
W = D S E T + p D v P 2
where n is the vehicle that needs to be air-conditioned; N is the total number of electric vehicles; p is the probability that electric vehicles require air conditioning; and P 2 is the cooling power of the electric vehicle, taken as 1.5 kW.
Due to the potentially large number of electric vehicles in cities, it is unrealistic for dispatch agencies to manage each electric vehicle uniformly. A more feasible solution is to establish agents in residential areas and implement unified management of electric vehicles. As a medium between the distribution network and electric vehicle users, agents collect information on grid electricity prices and user charging times, make appropriate arrangements, and charge electric vehicles in the community.

3. Theory of Carbon Emission Flow in Power Systems

On the surface, carbon emissions are generated by the combustion of fossil fuels in power plants. However, in essence, these carbon emissions are transmitted to the load side by the active power flow in the power system. The load side also emits carbon dioxide while consuming electricity, thus ultimately causing carbon emissions in the power system on the load side. In order to track the carbon emissions corresponding to the electricity consumption on the user side, the carbon emission flow theory of the power system has emerged. The carbon emission flow theory, based on the principle of proportional sharing, can attribute the responsibility for carbon dioxide generated on the power generation side to the user side of electricity consumption and quantify the carbon emissions caused by electricity consumption on the load side.

3.1. Theoretical Definition of Carbon Emission Flow in Power Systems

The theory of carbon emission flow in power systems has generated several new concepts when imputing carbon emissions from the power generation side to the load side.
(1)
Carbon flow rate
Carbon mission flow is the most basic physical quantity that describes carbon flow, used to represent the size of carbon flow on a branch, represented by the symbol F. Its definition is the carbon emission accumulation corresponding to the passage of active power flow through a branch within a certain time. The units are kg CO2 or t CO2.
(2)
Carbon flow rate
The carbon emission flow rate is represented by the symbol R. It is defined as the carbon flow rate that a branch passes through with active power per unit of time. The unit is t CO2/h.
R l = d F l d t
(3)
Carbon flow density
The carbon emission flow in the power system is combined with the power-flow study with the symbol ρ. It is defined as the carbon emissions corresponding to the consumption of a unit of electricity. The unit is t CO2/kWh.
ρ l = R l P l
(4)
Node carbon potential
Since the generation and consumption of electricity in the power system exist in the form of nodes, the physical quantity of node carbon potential is defined to describe the carbon emission intensity of nodes, represented by the symbol e. The carbon emissions are equivalent to the power generation side caused by consuming a unit of electricity at this node. The unit is t CO2/kWh.
The carbon potential e n of node n is calculated as follows:
e n = l N + P l ρ l l N + P l = l N + R l l N + P l
where N + is the set of all branches in the branch connected to node n that have flowed into node n and l is the branch number.
Among them, the nodes are further divided into power plant nodes, whose carbon potential is equal to the real-time carbon emission intensity of the power plant. The carbon potential of the load node needs to be calculated.
Derived from Ref. [23]:
ρ j = l N + P j P l s N + P s ρ l P j = l N + P l ρ l s N + P s = s N + R s s N + P s = e n
It can be seen that the carbon flow density of all currents flowing out of a node is equal to the carbon potential of that node, that is ρ = e .

3.2. Power System Carbon Emission Calculator Method

The carbon emissions E n of each node can be calculated from the carbon emission intensity of each generator unit and the power flow data in the power system network:
E n = e n P n
In summary, based on the carbon emission flow theory, the branch carbon emission flow and branch carbon emission rate correspond to the active power flow on each branch in the current. According to the carbon emission flow theory, the power generated by each generator unit and the carbon emissions attributed to the load side by the power system network flow can be calculated, achieving effective carbon emission responsibility sharing on the load side.

4. The Calculation Method of Agent Carbon Responsibility Allocation and Tiered Carbon Price Intervals Based on Shapley Value

The carbon emission flow theory assigns the responsibility for carbon emissions from the power generation side to the load side, providing theoretical guidance for charging for carbon emissions from the power system caused by electricity consumption on the load side. At present, when the power system uses carbon prices to constrain load-side electricity consumption, it mainly adopts the form of tiered carbon prices, and the entire power system load node adopts the same tiered carbon price [23]. In the power system network, the nodes where the generator sets are located are fixed, but due to many factors, such as the different locations of each electric vehicle agent node and different levels of electricity consumption, the actual carbon responsibility allocated to each agent is different. At this point, it is unfair to set a tiered carbon price for each agent based on the same carbon emission range.
Based on the calculation results based on carbon emission flow theory, this section introduces the Shapley value allocation method, which calculates the reasonable range of carbon emissions for each electric vehicle agent by sharing carbon emission responsibilities. It more reasonably allocates carbon emission responsibilities for each agent. Furthermore, a reasonable tiered carbon price range is proposed to calculate the carbon emission costs of each agent.

4.1. Carbon Responsibility Sharing Theory Based on Shapley Value

The Shapley value allocation method is a multiplayer cooperative game-solving method. This paper adopts a carbon emission responsibility allocation method based on the Shapley value, emphasizing the marginal role of the alliance in the alliance. According to the Shapley value allocation theory definition, the carbon emission responsibility of each sub-alliance is determined by the average marginal effect.
x i = S N / i P ( S ) ( c ( S { i } ) c ( S ) )
where x i is the carbon responsibility emissions shared by alliance member i; S is a sub-alliance composed of sub-alliance members sorted before alliance member i; P ( S ) is the probability of sub-alliance S occurring; S { i } is the merger of alliance member i into alliance S to form a new alliance; and c ( S { i } ) c ( S ) is the marginal impact generated by alliance member i joining sub-alliance S.
P ( S ) = n s ! ( n N n s 1 ) ! n N !
The carbon emission responsibility borne by sub-alliance members should be within a certain range, not greater than the maximum marginal contribution x max of the sub-alliance member, nor less than the minimum marginal contribution x min , that is, x min x x min , where:
x max ( i ) = max ( c ( S { i } ) c ( S ) ) x min ( i ) = min ( c ( S { i } ) c ( S ) )

4.2. Calculation Method for the Tiered Carbon Price Range

According to the theory in the previous section, based on the maximum value x max , minimum value x min , and average value x a v e of the marginal effect of carbon emission responsibility, a reasonable range of node carbon emission responsibility can be divided, and a tiered carbon price can be established within this range. At each time, the carbon emission responsibility of each electric vehicle agent is divided into four intervals: 0 x min is the free carbon responsibility price range, x min x a v e is the low-carbon responsibility price range, x a v e x max is the medium carbon responsibility price range, and x max is the high carbon responsibility price range. Within different carbon responsibility pricing ranges, a tiered carbon price is implemented for the carbon emissions of nodes according to the different intervals, namely:
{ α 1 = 0 , 0 E n , t x min ( i ) α 2 = 5 , x min ( i ) E n , t x min ( i ) x a v e ( i ) α 3 = 10 , x a v e ( i ) E n , t x a v e ( i ) x max ( i ) α 4 = 20 , x max ( i ) E n , t
where α is the cost of tiered carbon emissions, expressed in $/kg CO2, E n , t is the total carbon emissions per unit time load node, and the carbon emission cost is calculated as C n , t based on the tiered carbon price.
C n , t = { α 1 E n , t , 0 E n , t x min ( i ) α 1 x min ( i ) + α 2 ( E n , t x min ( i ) ) , x min ( i ) E n , t x a v e ( i ) α 1 x min ( i ) + α 2 x a v e ( i ) + α 3 ( E n , t x a v e ( i ) ) , x a v e ( i ) E n , t x max ( i ) α 1 x min ( i ) + α 2 x a v e ( i ) + α 3 x max ( i ) + α 4 ( E n , t x max ( i ) ) , x max ( i ) E n , t
This paper uses a calculation method based on Shapley values to allocate carbon emission responsibilities so that each load node has a reasonable and fair carbon emission responsibility interval and establishes a tiered carbon price in different carbon emission responsibility intervals, making the tiered carbon price of load side carbon emission responsibility fairer.

5. Low-Carbon Incentive Guidance Strategy Model

5.1. Low-Carbon Incentive Guidance Strategy Model with Carbon Price as the Price Signal

The carbon potential of the electric vehicle agent node is calculated through the carbon emission flow theory. After the carbon emission responsibility interval of each electric vehicle agent is calculated based on the Shapley value carbon emission responsibility sharing method, the carbon price is used as the price signal for incentive guidance, the responsive electric vehicle charging load is brought back into the system network, and the node carbon potential and carbon emission responsibility interval of each agent are recalculated. The objective function of the low-carbon incentive guidance model is to minimize the sum of carbon emission responsibility costs and demand response costs.
min t = 0 T n = 1 N ( C e m i , n , t + c d i s D d i s , n , t )
where C e m i , n , t is the carbon emission cost of agent n at time t in $/kW; c d i s is the cost coefficient per unit of power in response in $/kW; and D d i s , n , t is the response of negative n at time t in kW.
Constraints:
(1)
Load variation constraint
{ 0.8 D exp , n , t D t r , n , t 1.2 D exp , n , t D t r , n , t = D exp , n , t ± D d i s , n , t
where D t r , n , t is the charging load after the response at time t. Generally, it is assumed that the upper and lower limits of the change amount are 20% of the load.
t = 1 T D exp , n , t = t = 1 T D t r , n , t
It is necessary to ensure that the total charging amount of electric vehicles remains unchanged before and after the excitation guidance in the cycle and does not affect everyday travel.
(2)
Carbon emission constraints
{ E n , t = e n , t D t r , n , t e n , t = R l , t ( l N + )
e n , t = g = 1 N P g , t e g , t + l l + L P l , t ρ l , t g = 1 N P g , t + l l + L P l , t
where E n , t is the total carbon emissions of the agent at time t in kg CO2; e g , t is the carbon potential of the generator unit node at time t in kg CO2/kWh; e n , t is the carbon potential of the load node at time t in kg CO2/kWh; ρ l , t is the carbon emission rate of the branch at time t in kg CO2/kWh.
(3)
Agent’s carbon emission responsibility cost
C e m i , n , t = { α 1 E n , t , 0 E n , t x min ( i ) α 1 x min , n , t ( i ) + α 2 ( E n , t x min , n , t ( i ) ) , x min ( i ) E n , t x a v e ( i ) α 1 x min , n , t ( i ) + α 2 x a v e , n , t ( i ) + α 3 ( E n , t x a v e , n , t ( i ) )   x a v e ( i ) E n , t x max ( i ) α 1 x min , n , t ( i ) + α 2 x a v e , n , t ( i ) + α 3 x max , n , t ( i ) + α 4 ( E n , t x max , n , t ( i ) )     x max ( i ) E n , t

5.2. Low-Carbon Incentive Guidance Flowchart

The process of the low-carbon incentive guidance strategy proposed by electric vehicle agents based on carbon emission flow theory in this paper is shown in Figure 1.
(1)
Input the basic data of electric vehicles and use the Monte Carlo algorithm to calculate the daily charging load of electric vehicles under different seasonal temperatures;
(2)
Calculate the carbon potential ei of the node where the electric vehicle agent is located and the corresponding carbon emissions Ei caused by electric vehicle charging using carbon emission flow theory;
(3)
Calculate the range of carbon responsibility allocation intervals for each agent using the Shapley value and develop a tiered carbon price. Based on the results of the tiered carbon price, calculate the corresponding carbon emission costs for the agent, C e m i , n , t ;
(4)
Establish a model that takes the ladder carbon price as the price signal and the minimum total operating costs of agents as the objective function to optimize and adjust the charging load of agents’ electric vehicles;
(5)
Bring the optimized and adjusted electric vehicle load into the system, recalculate the agent’s tiered carbon responsibility and tiered carbon price, and calculate the agent’s charging load carbon emissions and the carbon emission costs that should be paid at this time.

6. Case Study

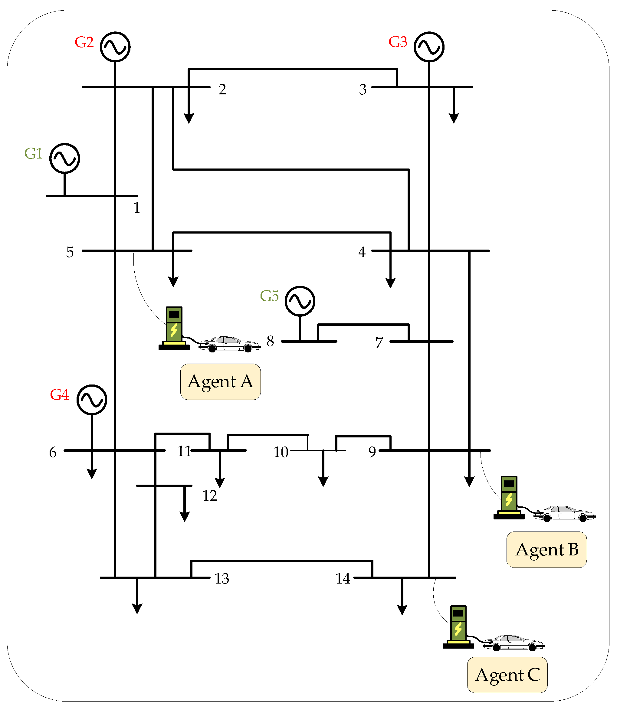
This paper takes the modified version of the IEEE 14-bus as an example to verify the effectiveness of the proposed low-carbon incentive guidance strategy for electric vehicle agents in reducing carbon emissions in the power system and reducing carbon emission operating costs. Since the established low-carbon incentive guidance model of electric vehicles is a linear programming problem, the YALMIP optimization toolbox was used for programing on the MATLAB 2016b platform, and the CPLEX solver was called upon to solve the model.

6.1. Modified IEEE 14-Bus System

6.1.1. Basic Data

The modified version of the IEEE 14-bus network topology is shown in Figure 2. Assuming that there are three coal-fired and gas units and two new energy units in the region, their carbon emission intensity (in g/kWh) is shown in Table 1. The number of electric vehicles in the region is 2000, represented by three agents. The original load of the city’s power grid and total electric vehicle charging load are shown in Figure 3.

6.1.2. Low-Wind Power Proportion Scenario

According to the network topology, the charging load of electric vehicles in this region is uniformly managed by three electric vehicle agents located at nodes 5, 9, and 14 called agent A, agent B, and agent C, respectively. The number of electric vehicles managed accounts for 30%, 30%, and 40% of the total. The predicted output values of the two wind turbines are shown in Figure 4.
Based on the Shapley value method, the carbon responsibility of each agent is shared and then the reasonable range of carbon emission responsibility of each agent for 24 h is calculated. The four tiered carbon responsibility ranges are divided, with 0~xmin being the free carbon responsibility range, represented in green, xmin~xave being the low-carbon responsibility range, represented in yellow, and xave~xmax being the medium carbon responsibility range, represented in red. The area beyond the red section is within the high carbon responsibility range, and the tiered carbon responsibility ranges of the three agents are shown in Figure 5.
By analyzing Figure 4 and Figure 5a–c, it can be concluded that the trend of the total carbon emission responsibility range of agents is generally consistent with the trend of the daily charging load of electric vehicles. Among them, the number of electric vehicles managed by agents A and B is similar, and the total carbon emission responsibility range is roughly the same. Agent C manages more electric vehicles than A and B, and its total carbon emission responsibility range is also larger. The charging capacity of electric vehicles by the dealer determines the size of their total carbon emission range. However, due to the different node positions of agents in the power system and the interactions between sub-alliances, there are significant differences in the scope and changes of the tiered carbon responsibility range assigned to different agents.
Agent A is adjacent to wind turbine G1 and coal-fired unit G2. Due to the smaller output of the wind turbine and the highest carbon emission intensity of the coal-fired unit, agent A has the highest proportion of free carbon responsibility. Due to its geographical location, agent B is closer to the wind turbine G5, and its electric vehicle charging load is mostly provided by the output of the wind turbine, so the proportion of free carbon emission responsibility is the smallest. The electricity consumed by agent C mostly comes from gas unit G4 with lower carbon emission intensity. Hence, the proportion of free carbon emission responsibility is smaller than agent A but greater than agent B.
Analysis of Figure 5a shows that during the time from 20:00 to 24:00, the output of wind turbine G1 significantly increased, and the tiered carbon emission responsibility range of agent A was smaller than that of the same electric vehicle charging load from 13:00 to 17:00. According to the analysis of Figure 5b,c, from 18:00 to 20:00, the charging load of electric vehicles officially increased and was in the maximum stage. However, due to the rapid increase in the output value of wind turbine G5, the carbon emission responsibility ranges of agents B and C decreased to varying degrees. Comparing Figure 5b,c, at 20:00, due to the sudden significant reduction in the output of wind turbine G5, the free- and low-carbon responsibility ranges of agents B and C increased to varying degrees.
Based on the proposed low-carbon incentive guidance strategy, the carbon emissions and carbon emission costs before and after agent incentives were compared, as shown in Table 2 and Table 3.
We obtained the optimized load distribution maps for agents A, B, and C.
By analyzing Figure 5 and Figure 6a–c, it can be seen that since the electricity consumed by agent A mainly comes from the thermal power unit G1 with high carbon emission intensity, the low-carbon guidance method is not very effective for agent A in reducing emissions and costs; from 15:00 to 19:00, the charging load of electric vehicles gradually increases and reaches its peak. Agents B and C choose to reduce the charging load during the time and transfer the load to the time when the wind turbine output increases from 19:00 to 24:00 to absorb wind power. After conducting low-carbon guidance, the effect is more significant, with agents A and B reducing CO2 emissions by 360.7 kg and 123 kg, respectively. After responding to the low-carbon guiding strategy, the CO2 emissions of the electric vehicles charging load in the city in one day’s charge cycle decreased by 490 kg. With the reduction in carbon emissions caused by electric vehicle load charging, the carbon emission costs that agents should pay also decreased by USD 250.2, bringing benefits to agents.
It can be seen that after the electric vehicle agents follow the low-carbon incentive and guidance strategy, they tend to choose periods with more wind power output to arrange more electric vehicles for charging, increasing the proportion of clean energy in the charging capacity of electric vehicles, better reflecting the low-carbon nature of electric vehicles; while reducing carbon emissions in the power system, it also reduces the costs paid by electric vehicle agents for carbon emissions.

6.1.3. High Wind Power Proportion Scenario

Based on the modified IEEE 14-bus system, the gas turbine located at node 3 changed to a wind turbine, and its predicted output value is shown in Figure 7.
We used the carbon emission flow theory in Section 3 and the Shapley value carbon responsibility allocation method in Section 4 to calculate the tiered carbon responsibility range of agents A, B, and C, as shown in Figure 8.
Comparing Figure 8 with Figure 6, it was found that while the electric vehicle charging load of agent A remained unchanged, the proportion of clean power sources in the electricity used did not change significantly due to the distance from the replaced wind turbine unit G3. Therefore, the total carbon emission responsibility range did not change significantly. In contrast, as the penetration rate of wind power increased, the carbon potential of each node in the system decreased for agents B and C, resulting in a decrease in the responsibility range and proportion of free carbon emissions.
According to the analysis of Table 4 and Table 5, in the scenario of a high proportion of wind power, after complying with the low-carbon incentive guidance strategy, the total carbon emissions of each agent still show a downward trend, reducing carbon emissions by 46.2 kg. The carbon emissions and operating costs of all agents also decreased by USD 217.2.
Comparing Table 4 with Table 2, it can be concluded that after changing the gas turbine to a wind turbine, electric vehicles can utilize more wind power during the charging process, and the carbon emissions caused by charging the same amount of electricity are significantly reduced. Under the guidance of the low-carbon incentive strategy, the carbon emissions were reduced from 41,040.0 kg to 3878.5 kg. When benchmarking Table 3 and Table 5, as the method of formulating tiered carbon prices dynamically changes with the overall carbon emissions of the system, there is little change in the carbon emissions and operating costs of agents without any change in the tiered unit carbon price. As the government gradually increases the field of new energy, the carbon price per unit can appropriately reduce, allowing electric vehicle owners to enjoy the dividends brought by new energy and promoting the further popularization of electric vehicles.
Subsequently, the charging costs also decrease. Therefore, while popularizing electric vehicles, clean energy such as wind power should also be developed simultaneously in order to leverage the environmental benefits of electric vehicles fully.

6.2. Modified IEEE 30-Bus System

According to the Shapley value carbon emission responsibility allocation method and the tiered carbon price formulation method mentioned above, the tiered carbon responsibility range of each electric vehicle agent in the IEEE 30-bus system was calculated, and the low-carbon incentive guidance strategy was obeyed. The results are as follows.
Table 6 compares the carbon emissions of each agent before and after responding to the incentive guidance strategy. After obeying the low-carbon incentive guidance strategy, the total CO2 emissions decreased by 16.6 kg, and the consumption of clean energy is promoted by transferring the charging time of electric vehicles to reduce carbon dioxide emissions. Table 7 compares the carbon emissions and operating costs before and after the incentive guidance, and the costs after the response decreased by USD 318.5 compared with the cost before the response. Therefore, the IEEE 30-bus system example also verifies that the low-carbon incentive guidance strategy can effectively reduce the carbon emissions generated by electric vehicle charging and the operating costs of electric vehicle agents.

7. Conclusions and Future Work

This paper proposes a low-carbon incentive guidance strategy for electric vehicle agents based on the carbon emission flow theory of the power system. Based on the carbon emission flow theory, the carbon emission caused by the charging load of electric vehicles was reduced from the power generation side to the load side, and the carbon emission value was accurately calculated. Using the Shapley value carbon responsibility allocation method, the tiered carbon responsibility ranges of electric vehicle agents in different positions were calculated. Through low-carbon incentives and guidance to electric vehicle agents, the charging load distribution of electric vehicles can be optimized, and the carbon emissions from the power system caused by electric vehicles, the carbon emission expenses paid by agents, and the operating costs can be reduced. Based on the modified versions of the IEEE 14-bus and IEEE 30-bus, the low-carbon incentive guidance strategy proposed in the paper was analyzed. The results show that the carbon emissions of agents decreased after adopting the low-carbon incentive guidance strategy. At the same time, the carbon emissions and operating costs of agents were also reduced.
This paper only considers the effectiveness of electric vehicle agents following a low-carbon incentive guidance strategy in reducing the carbon emissions of power systems at the time level, without considering the spatial distribution characteristics of the electric vehicle charging load connected to the power grid under the influence of traffic information. We will further consider describing electric vehicle charging load based on travel chain theory and guiding charging strategy based on carbon emission flow theory and regret theory in power–traffic coupling networks.

Author Contributions

Conceptualization, H.F., Y.Z. and M.B.; methodology, Q.C. and H.X.; software, H.F.; validation, H.F.; resources, X.Q., W.S. and Y.L.; data curation, H.F. and Q.C.; writing—original draft, H.F.; writing—review and editing, Y.Z. and M.B.; visualization, H.F. and Y.Z.; funding acquisition, M.B. All authors have read and agreed to the published version of the manuscript.

Funding

This research was funded by the National Natural Science Foundation of China, grant number: 52107075, the Natural Science Foundation of Heilongjiang Province of China, grant number: YQ2022E001, and the Fundamental Research Funds for the Central Universities, grant number: 2572023CT15-04.

Data Availability Statement

The original data cannot be shared because of confidentiality issues.

Acknowledgments

We would like to thank our colleagues who gave valuable feedback during the creation of the paper.

Conflicts of Interest

Qichao Chen is an employee of State Grid Economic and Technological Research Institute Co., Ltd.; Yu Liu is an employee of Harbin Power Supply Company, State Grid Heilongjiang Co., Ltd.; Hang Xu is an employee of Suzhou Power Supply Company, State Grid Jiangsu Co., Ltd. The paper reflects the views of the scientists and not the company.

References

  1. Barkenbus, J.N. Prospects for electric vehicles. Sustainablity 2020, 12, 5813. [Google Scholar] [CrossRef]
  2. Shu, Y.; Chen, G.; He, J.; Zhang, F. Research on the construction of a new power system framework with new energy as the main body. China Eng. Sci. 2021, 23, 61–69. [Google Scholar] [CrossRef]
  3. Zhang, Z.; Kang, C. Challenges and prospects of building a new power system under the goal of carbon neutrality. Chin. J. Electr. Eng. 2022, 42, 2806–2819. [Google Scholar]
  4. Kolbe, K. Mitigating urban heat island effect and carbon dioxide emissions through different mobility concepts: Comparison of conventional vehicles with electric vehicles, hydrogen vehicles and public transportation. Transp. Policy 2019, 80, 1–11. [Google Scholar] [CrossRef]
  5. Shi, X.; Sun, Z.; Li, X.; Li, J.; Yang, J. Comparative study on the life cycle environmental impact of electric taxis and fuel taxis in Beijing. Environ. Sci. 2015, 36, 1105–1116. [Google Scholar]
  6. Ji, Z.; Huang, X. Plug-in Electric Vehicle Charging Infrastructure Deployment of China towards 2020: Policies, Methodologies, and Challenges. Renew. Sustain. Energy Rev. 2018, 90, 710–727. [Google Scholar] [CrossRef]
  7. Huo, H.; Cai, H.; Zhang, Q.; Liu, F.; He, K. Life-cycle assessment of greenhouse gas and air emissions of electric vehicles: A comparison between China and the U.S. Atmos. Environ. 2015, 108, 107–116. [Google Scholar] [CrossRef]
  8. Xiao, X.; Chen, Z.; Liu, N. Integration mode and key issues of renewable energy and electric vehicle charging and discharging facilities in microgrid. J. Electr. Technol. 2013, 28, 1–14. [Google Scholar]
  9. Zakariazadeh, A.; Jadid, S.; Siano, P. Integrated operation of electric vehicles and renewable generation in a smart distribution system. Energy Convers. Manag. 2015, 89, 99–110. [Google Scholar] [CrossRef]
  10. Kamankesh, H.; Agelidis, V.G.; Kavousi-Fard, A. Optimal scheduling of renewable micro-grids considering plug-in hybrid electric vehicle charging demand. Energy 2016, 100, 285–297. [Google Scholar] [CrossRef]
  11. Zhang, X.; Wang, Z.; Lu, Z. Multi-objective load dispatch for microgrid with electric vehicles using modified gravitational search and particle swarm optimization algorithm. Appl. Energy 2022, 306, 118018. [Google Scholar] [CrossRef]
  12. Gong, L.; Cao, W.; Liu, K.; Yu, Y.; Zhao, J. Demand responsive charging strategy of electric vehicles to mitigate the volatility of renewable energy sources. Renew. Energy 2020, 156, 665–676. [Google Scholar] [CrossRef]
  13. Zhang, L.; Yin, Q.; Zhu, W.; Lyu, L.; Jiang, L.; Koh, L.H.; Cai, G. Research on the orderly charging and discharging mechanism of electric vehicles considering travel characteristics and carbon quota. IEEE Trans. Transp. Electrif. 2023, in press. [CrossRef]
  14. Chen, Z.; Lu, Y.; Xing, Q.; Chen, X.; Leng, X. Analysis of power system scheduling considering carbon quotas for electric vehicles. Power Syst. Autom. 2019, 43, 44–51. [Google Scholar]
  15. Zhou, T.; Kang, C.; Xv, Q.; Chen, Q. Preliminary Study on the Theory of Carbon Emission Flow Analysis in Power Systems. Power Syst. Autom. 2012, 36, 38–43. [Google Scholar]
  16. Zhou, T.; Kang, C.; Xv, Q.; Chen, Q. Preliminary Study on the Calculation Method of Carbon Emissions in Power Systems. Power Syst. Autom. 2012, 36, 44–49. [Google Scholar]
  17. Tao, Y.; Qiu, J.; Lai, S.; Zhao, J.; Xue, Y. Carbon-Oriented Electricity Network Planning and Transformation. IEEE Trans. Power Syst. 2021, 36, 1034–1048. [Google Scholar] [CrossRef]
  18. Zhao, W.; Xiong, Z.; Pan, Y.; Li, F.; Xu, P.; Lai, X. Low carbon planning for power systems considering carbon emissions. Power Syst. Autom. 2023, 47, 23–33. [Google Scholar]
  19. Peng, F. Pioneers in the electric vehicle market, such as BYD e6, i-MiEV, and Leaf. Automob. Accessories 2012, 41, 26–29. [Google Scholar]
  20. Tian, L.; Shi, S.; Jia, Z. Statistical modeling method for charging power demand of electric vehicles. Grid Technol. 2010, 34, 126–130. [Google Scholar]
  21. Xiong, X.; Lin, G.; Hao, S. Electric vehicle charging load forecasting considering temperature and traffic impact. Electr. Technol. 2021, 14, 73–76. [Google Scholar]
  22. Shaaban, M.F.; Atwa, Y.M.; El-Saadany, E.F. PEVs modeling and impacts mitigation in distribution networks. IEEE Trans. Power Syst. 2013, 28, 1122–1131. [Google Scholar] [CrossRef]
  23. Chen, J.; Hu, Z.; Chen, Y.; Chen, J.; Chen, W. Thermoelectric optimization of integrated energy system considering stepwise carbon trading mechanism and hydrogen production by electricity. Electr. Power Autom. Equip. 2021, 41, 48–55. [Google Scholar]
Figure 1. Electric car low-carbon incentive guide flow chart.
Figure 1. Electric car low-carbon incentive guide flow chart.
Wevj 14 00327 g001
Figure 2. Modified IEEE 14-bus system model.
Figure 2. Modified IEEE 14-bus system model.
Wevj 14 00327 g002
Figure 3. Original load and electric vehicle charging load.
Figure 3. Original load and electric vehicle charging load.
Wevj 14 00327 g003
Figure 4. The predicted output value of the wind turbines.
Figure 4. The predicted output value of the wind turbines.
Wevj 14 00327 g004
Figure 5. The agent-tiered carbon price range: (a) agent A; (b) agent B; and (c) agent C.
Figure 5. The agent-tiered carbon price range: (a) agent A; (b) agent B; and (c) agent C.
Wevj 14 00327 g005
Figure 6. Load comparison before and after incentive for each agent: (a) agent A; (b) agent B; and (c) agent C.
Figure 6. Load comparison before and after incentive for each agent: (a) agent A; (b) agent B; and (c) agent C.
Wevj 14 00327 g006
Figure 7. Wind turbine output prediction value.
Figure 7. Wind turbine output prediction value.
Wevj 14 00327 g007
Figure 8. The agent-tiered carbon price range: (a) agent A; (b) agent B; and (c) agent C.
Figure 8. The agent-tiered carbon price range: (a) agent A; (b) agent B; and (c) agent C.
Wevj 14 00327 g008
Table 1. Carbon emission intensity of the units.
Table 1. Carbon emission intensity of the units.
Generator SetsCarbon Intensity (g CO2/kWh)
Wind turbine unit G10
Coal-fired unit G2875
Gas turbine unit G3525
Gas turbine unit G4520
Wind turbine unit G50
Table 2. Comparison of the carbon emissions of each agent before and after incentive guidance.
Table 2. Comparison of the carbon emissions of each agent before and after incentive guidance.
Agent Carbon EmissionsBefore Response (kg CO2)After Response (kg CO2)
Agent A14,761.014,755.0
Agent B8083.37722.6
Agent C18,686.018,563.0
Total carbon emissions41,530.041,040.0
Table 3. Comparison of carbon emissions and operating costs before and after incentive guidance.
Table 3. Comparison of carbon emissions and operating costs before and after incentive guidance.
CaseCarbon Emission Cost ($)
Before response4020.5
After response3770.3
Table 4. Comparison of the carbon emissions of each agent before and after incentive guidance.
Table 4. Comparison of the carbon emissions of each agent before and after incentive guidance.
Agent Carbon EmissionsBefore Response (kg CO2)After Response (kg CO2)
Agent A1476.11472.3
Agent B672.5642.2
Agent C1776.11764.0
Total carbon emissions3924.73878.5
Table 5. Comparison of carbon emissions and operating costs before and after incentive guidance.
Table 5. Comparison of carbon emissions and operating costs before and after incentive guidance.
CaseCarbon Emission Cost ($)
Before response4132.0
After response3914.8
Table 6. Comparison of the carbon emissions of each agent before and after incentive guidance.
Table 6. Comparison of the carbon emissions of each agent before and after incentive guidance.
Agent Carbon EmissionsBefore Response (kg CO2)After Response (kg CO2)
Agent A1942.81937.9
Agent B1162.71155.4
Agent C2377.52373.1
Total carbon emissions5483.05466.4
Table 7. Comparison of carbon emissions and operating costs before and after incentive guidance.
Table 7. Comparison of carbon emissions and operating costs before and after incentive guidance.
CaseCarbon Emission Cost ($)
Before response5548.1
After response5229.6
Disclaimer/Publisher’s Note: The statements, opinions and data contained in all publications are solely those of the individual author(s) and contributor(s) and not of MDPI and/or the editor(s). MDPI and/or the editor(s) disclaim responsibility for any injury to people or property resulting from any ideas, methods, instructions or products referred to in the content.

Share and Cite

MDPI and ACS Style

Fu, H.; Zhao, Y.; Chen, Q.; Ban, M.; Qian, X.; Sun, W.; Liu, Y.; Xu, H. Low-Carbon Incentive Guidance Strategy for Electric Vehicle Agents Based on Carbon Emission Flow. World Electr. Veh. J. 2023, 14, 327. https://doi.org/10.3390/wevj14120327

AMA Style

Fu H, Zhao Y, Chen Q, Ban M, Qian X, Sun W, Liu Y, Xu H. Low-Carbon Incentive Guidance Strategy for Electric Vehicle Agents Based on Carbon Emission Flow. World Electric Vehicle Journal. 2023; 14(12):327. https://doi.org/10.3390/wevj14120327

Chicago/Turabian Style

Fu, Huazhao, Yi Zhao, Qichao Chen, Mingfei Ban, Xiaoyi Qian, Wenyao Sun, Yu Liu, and Hang Xu. 2023. "Low-Carbon Incentive Guidance Strategy for Electric Vehicle Agents Based on Carbon Emission Flow" World Electric Vehicle Journal 14, no. 12: 327. https://doi.org/10.3390/wevj14120327

APA Style

Fu, H., Zhao, Y., Chen, Q., Ban, M., Qian, X., Sun, W., Liu, Y., & Xu, H. (2023). Low-Carbon Incentive Guidance Strategy for Electric Vehicle Agents Based on Carbon Emission Flow. World Electric Vehicle Journal, 14(12), 327. https://doi.org/10.3390/wevj14120327

Article Metrics

Back to TopTop