Digital Implementation of LCC Resonant Converters for X-ray Generator with Optimal Trajectory Startup Control
Abstract
:1. Introduction
2. Analysis of State Trajectory-Based Startup for LCC Converter
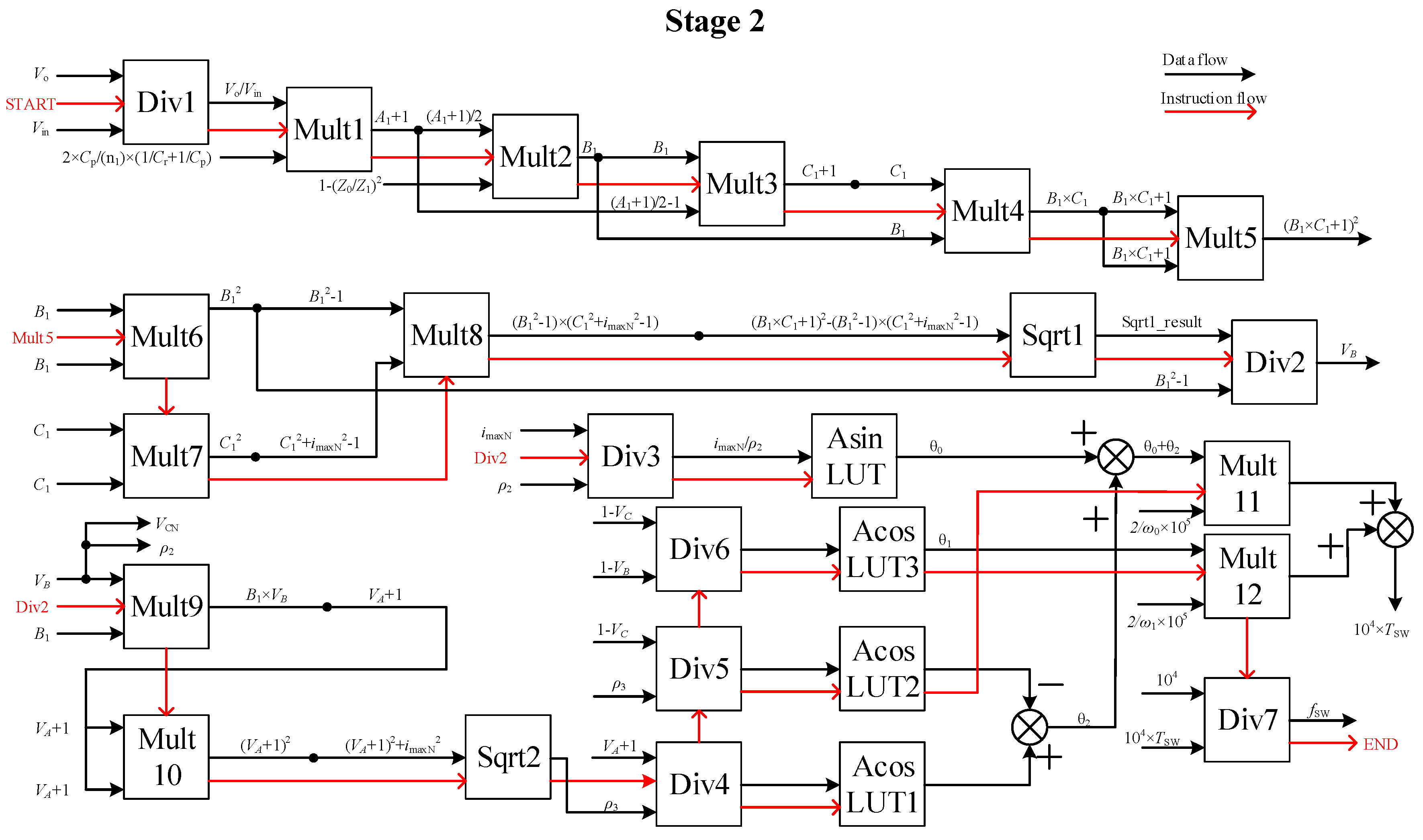
3. Implementation of State Trajectory Control Based on FPGA
4. Experiment Results
5. Conclusions
Author Contributions
Funding
Institutional Review Board Statement
Informed Consent Statement
Data Availability Statement
Conflicts of Interest
References
- Moskalev, Y.A.; Buller, A.I.; Babikov, S.A. Luminescent convertors of X-ray radiation for medical and engineering diagnostics and systems for nondestructive testing. Russ. J. Nondestruct. Test. 2011, 41, 730–734. [Google Scholar] [CrossRef]
- Villegas, P.J.; Díaz, J.; Pernía, A.M.; Martínez, J.A.; Nuño, F.; Prieto, M.J. Filament Power Supply for Electron Beam Welding Machine. IEEE Trans. Ind. Electron. 2015, 62, 1421–1429. [Google Scholar] [CrossRef]
- Bae, J.; Jang, S.; Kim, H. Design of Ion Pump Power Supply Based on LCC resonant converter. IEEE Trans. Power. Electron. 2018, 46, 3504–3511. [Google Scholar]
- Soeiro, T.B.; Muhlethaler, J.; Linner, J.; Ranstad, P.; Kolar, J.W. Automated design of a high-power high-frequency LCC resonant converter for electrostatic precipitators. IEEE Trans. Ind. Electron. 2013, 60, 4805–4819. [Google Scholar] [CrossRef]
- Mao, S.; Li, C.; Li, W.; Popovic, J.; Schroder, S.; Ferreira, J.A. Unified equivalent steady-state circuit model and comprehensive design of the LCC resonant converter for HV generation architectures. IEEE Trans. Power. Electron. 2018, 33, 7531–7544. [Google Scholar] [CrossRef]
- Fan, S.; Li, H.; Wang, Z.; Yuan, Y. Time domain analysis and efficiency research of high voltage power supply for electron beam welder based on LCC resonance in DCM. In Proceedings of the 2017 20th International Conference on Electrical Machines and Systems (ICEMS), Sydney, Australia, 11–14 August 2017; pp. 1–5. [Google Scholar]
- Jafari, H.; Habibi, M. High-voltage charging power supply based on an LCC-type resonant converter operating at continuous conduction mode. IEEE Trans. Power Electron. 2020, 35, 5461–5478. [Google Scholar] [CrossRef]
- Feng, W.; Lee, F.C.; Mattavelli, P. Simplified optimal trajectory control (SOTC) for LLC resonant converters. IEEE Trans. Power Electron. 2013, 28, 2415–2426. [Google Scholar] [CrossRef]
- Feng, W.; Lee, F.C. Optimal trajectory control of LLC resonant converters for soft startup. IEEE Trans. Power Electron. 2014, 29, 1461–1468. [Google Scholar] [CrossRef]
- Feng, W.; Lee, F.C.; Mattavelli, P. Optimal trajectory control of burst mode for LLC resonant converter. IEEE Trans. Power Electron. 2013, 28, 457–466. [Google Scholar] [CrossRef]
- Fei, C.; Lee, F.C.; Li, Q. Digital Implementation of Light-Load Efficiency Improvement for High-Frequency LLC converters with Simplified Optimal Trajectory Control. IEEE Trans. Power Electron. 2018, 6, 1850–1860. [Google Scholar] [CrossRef]
- Fei, C.; Lee, F.C.; Li, Q. Digital implementation of soft startup and short-circuit protection for high-frequency LLC converters with optimal trajectory control (OTC). IEEE Trans. Power Electron. 2017, 32, 8008–8017. [Google Scholar] [CrossRef]
- Zhao, J.; Wu, L.; Chen, G. State Trajectory Control of Burst Mode for LCC Resonant Converters with Capacitive Output Filter. IEEE Trans. Power Electron. 2022, 37, 377–391. [Google Scholar] [CrossRef]
- Jang, S.-R.; Seo, J.-H.; Ryoo, H.-J. Development of 50-kV 100-kWthree-phase resonant converter for 95-GHz gyrotron. IEEE Trans. Ind. Electron. 2016, 63, 6674–6683. [Google Scholar] [CrossRef]
- Fei, C.; Li, Q.; Lee, F.C. Digital implementation of adaptive synchronous rectifier (SR) driving scheme for high-frequency LLC converters with microcontroller. IEEE Trans. Power Electron. 2018, 33, 5351–5361. [Google Scholar] [CrossRef]
- Martin-Ramos, J.A.; Diaz, J.; Nuno, F.; Villegas, P.J.; Lopez-Hernandez, A.; Gutierrez-Delgado, J.F. A polynomial model to calculate steady-state set point in the PRC-LCC topology with a capacitor as output filter. IEEE Trans. Ind. Appl. 2015, 51, 2520–2527. [Google Scholar] [CrossRef]
- Ahn, S.-H.; Jang, S.-R.; Ryoo, H.-J. High-efficiency bidirectional three-phase LCC resonant converter with a wide load range. IEEE Trans. Power Electron. 2019, 34, 97–105. [Google Scholar] [CrossRef]
- Chen, Y.; Xu, J.; Gao, Y.; Lin, L.; Cao, J.; Ma, H. Analysis and design of phase-shift pulse-frequency-modulated full-bridge LCC resonant converter. IEEE Trans. Ind. Electron. 2020, 67, 1092–1102. [Google Scholar] [CrossRef]
- Shi, W.; Deng, J.; Wang, Z.; Cheng, X. The startup dynamic analysis and one cycle control-PD control combined strategy for primary side controlled wireless power transfer system. IEEE Access 2018, 6, 14439–14450. [Google Scholar] [CrossRef]
- Zhang, S.; Li, L.; Zhao, Z.; Fang, S.; Wang, C. Optimal trajectory based startup control of LCC resonant converter for X-ray generator applications. In Proceedings of the 2nd International Conference on Power Engineering (ICPE 2021), Nanning, China, 9–11 December 2021. [Google Scholar]











| Base Value | ||
|---|---|---|
| Input voltage (V) | Vin | |
| Output voltage (V) | Vo | |
| Lr, Cr | Impedance (Ω) | |
| Frequency (Hz) | ||
| Lr, Cr, Cp | Impedance (Ω) | |
| Frequency (Hz) | ||
| Parameters | Value |
|---|---|
| Output Power (P) | 42 kW |
| Input voltage (Vin) | 500 ± 50 V |
| Output voltage (Vo) | 60 kV~140 kV |
| Output current (Io) | 10 mA~350 mA |
| Load (RL) | 512 kΩ |
| Transformer Ratio | 15:301 (6) |
| Resonant inductor (Lr) | 30 μH |
| Series Resonant capacitor (Cr) | 0.66 μF |
| Parallel Resonant capacitor (Cp) | 0.266 μF |
| Switching frequency (fsw) | 70~120 kHz |
Publisher’s Note: MDPI stays neutral with regard to jurisdictional claims in published maps and institutional affiliations. |
© 2022 by the authors. Licensee MDPI, Basel, Switzerland. This article is an open access article distributed under the terms and conditions of the Creative Commons Attribution (CC BY) license (https://creativecommons.org/licenses/by/4.0/).
Share and Cite
Zhao, Z.; Zhang, S.; Li, L.; Fan, S.; Wang, C. Digital Implementation of LCC Resonant Converters for X-ray Generator with Optimal Trajectory Startup Control. World Electr. Veh. J. 2022, 13, 71. https://doi.org/10.3390/wevj13050071
Zhao Z, Zhang S, Li L, Fan S, Wang C. Digital Implementation of LCC Resonant Converters for X-ray Generator with Optimal Trajectory Startup Control. World Electric Vehicle Journal. 2022; 13(5):71. https://doi.org/10.3390/wevj13050071
Chicago/Turabian StyleZhao, Zhennan, Shanlu Zhang, Lei Li, Shengfang Fan, and Cheng Wang. 2022. "Digital Implementation of LCC Resonant Converters for X-ray Generator with Optimal Trajectory Startup Control" World Electric Vehicle Journal 13, no. 5: 71. https://doi.org/10.3390/wevj13050071
APA StyleZhao, Z., Zhang, S., Li, L., Fan, S., & Wang, C. (2022). Digital Implementation of LCC Resonant Converters for X-ray Generator with Optimal Trajectory Startup Control. World Electric Vehicle Journal, 13(5), 71. https://doi.org/10.3390/wevj13050071

