Influence of Thermal Treatment on Properties of Ash Wood
Abstract
1. Introduction
2. Materials and Methods
3. Results
3.1. Wood Density
3.2. Water Absorption
3.3. Swelling in the Radial/Tangential Grain Orientation
3.4. Color of Untreated and Thermally Treated Ash Wood in the CIELab Space
3.5. Roughness of Untreated and Thermally Treated Surfaces of Ash Wood
- -
- For thermally treated ash wood, Ra increased by 16%, Rq increased by 20.4%, and Rz increased by 13.8%.
- -
- For untreated ash wood, Ra increased by 51%, Rq increased by 44%, and Rz increased by 28%.
- -
- Ra increased by 183% in the longitudinal direction and by 11.7% in the transverse direction.
- -
- Rq increased by 195% in the longitudinal direction and by 146% in the transverse direction.
- -
- Rz increased by 190% in the longitudinal direction and by 156% in the transverse direction.
3.6. Brinell Hardness
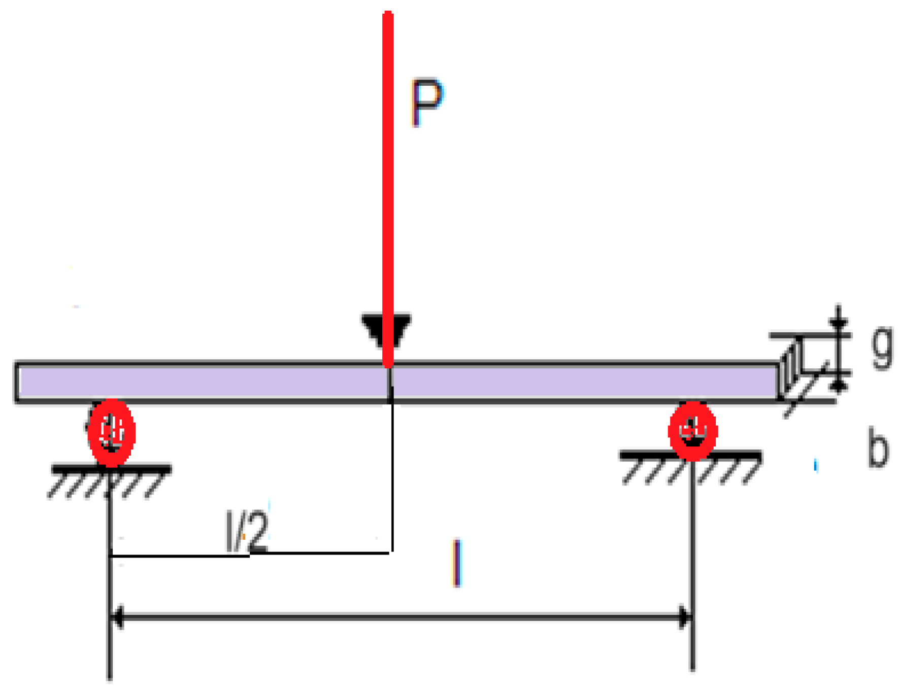
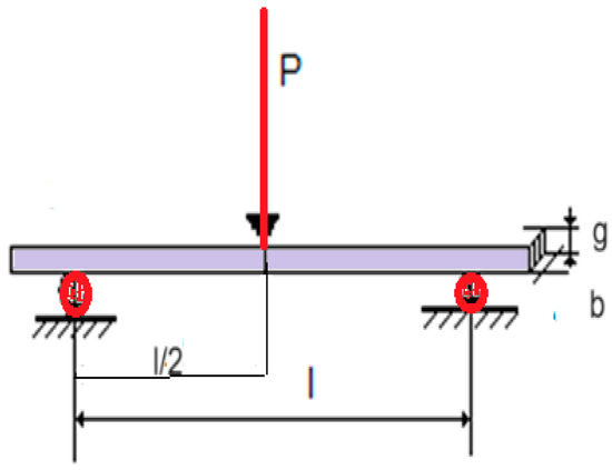
3.7. MOR at Static Bending
3.8. Modulus of Elasticity (MOE) at Static Bending
3.9. Resistance of the Three Types of Joints
4. Discussion
5. Conclusions
Author Contributions
Funding
Data Availability Statement
Conflicts of Interest
References
- Gurleyen, L.; Ayta, U.; Esteves, B.; Gurleyen, T.; Cakicier, N. Effects of thermal modification of oak wood upon selected properties of coating systems. BioResources 2019, 14, 1838–1849. [Google Scholar] [CrossRef]
- Hill, C. Wood Modification: Chemical, Thermal and Other Processes; Willey and Sons: Hoboken, NJ, USA, 2006. [Google Scholar] [CrossRef]
- Wood Database. Available online: https://www.wood-database.com/european-ash/ (accessed on 6 June 2024).
- Hillis, W. High temperature and chemical effects on wood stability. Part 1. General consideration. Wood Sci. Techn. 1984, 18, 281–293. [Google Scholar] [CrossRef]
- Candelier, K.; Thevenon, M.F.; Petrissans, A.; Dumarcay, S.; Gerardin, P.; Petrissans, M. Control of wood thermal treatment and its effects on decay resistance: A review. Ann. For. Sci. 2016, 73, 571–583. [Google Scholar] [CrossRef]
- Thermo-Wood Handbook; Finnish Thermo-Wood Association: Helsinki, Finland, 2023; Available online: https://asiakas.kotisivukone.com/files/en.thermowood.palvelee.fi/downloads/tw_handbook_080813.pdf (accessed on 8 January 2019).
- Jämsä, S.; Viitaniemi, P. Heat treatment of wood-Better durability without chemicals. In Proceedings of the Special Seminar, Antibes, France, 9 February 2001. [Google Scholar]
- Kamden, D.P.; Pizzi, A.; Jermannaud, A. Durability of heat-treated wood. Holz Als Roh-Und Werkst. 2002, 60, 1–6. [Google Scholar] [CrossRef]
- Rusche, H. Thermal degradation of wood at temperatures up to 200 °C, Part I and II. Holz Als Roh-Und Werkst. 1973, 31, 273–281. [Google Scholar] [CrossRef]
- Syrjanen, T.; Oy, K. Production and classification of heat-treated wood in Finland, Review on heat treatments of wood. In Proceedings of the Special Seminar, Antibes, France, 9 February 2001. [Google Scholar]
- Militz, H. Heat treatment technologies in Europe: Scientific background and technological state-of-art. In Proceedings of the Conference on Enhancing the durability of Lumber and Engineered Wood Products, Orlando, FL, USA, 11–13 February 2002. [Google Scholar]
- Boonstra, M.J. A Two-Stage Thermal Modification of Wood. Ph.D. Thesis, Henry Poincaré University-Nancy, Nancy, France, 2008. Available online: https://hal.univ-lorraine.fr/tel-01748345/document (accessed on 5 June 2010).
- Esteves, B.M.; Pereira, H.M. Wood modification by heat treatment: A review. BioResources 2009, 4, 370–404. [Google Scholar] [CrossRef]
- Wikberg, H.; Maunu, S.L. Characterisation of thermally modified hardwood and softwood. Carbohydr. Polym. 2014, 58, 461–466. [Google Scholar] [CrossRef]
- Zawadzki, J.; Gawron, J.; Antczak, A.; Kłosińska, T.; Radomski, A. The influence of heat treatment on the physico-chemical properties of pinewood (Pinus sylvestris L.). Drewno 2016, 59, 49–57. [Google Scholar] [CrossRef]
- Niemz, P.; Hofmann, T.; Rétfalvi, T. Investigation of chemical changes in the structure of thermally modified wood. Maderas-Cienc. Tecnol. 2010, 12, 69–78. [Google Scholar] [CrossRef]
- Nuopponen, M.; Vuorinen, T.; Jamsä, S.; Viitaniemi, P. Thermal modification in softwood studied by FT-IR and UV resonance Raman spectroscopies. J. Wood Chem. Technol. 2004, 24, 13–26. [Google Scholar] [CrossRef]
- Kim, G.; Yun, K.; Kim, J. Effect of heat treatment on the decay resistance and the bending properties of Radiata pine sapwood. Mater. Org. 1998, 32, 101–108. [Google Scholar]
- Bekhta, P.; Niemz, P. Effect of high temperature on the change in color, dimensional stability and mechanical properties of spruce wood. Holzforschung 2003, 57, 539–546. [Google Scholar] [CrossRef]
- Yin, Y.; Berglund, L.; Salmén, L. Effect of Steam Treatment on the Properties of Wood Cell Walls. Biomacromol 2011, 12, 194–202. [Google Scholar] [CrossRef] [PubMed]
- Windeisen, E.; Strobel, C.; Wegener, G. Chemical changes during the production of thermo-treated beech wood. Wood Scien. Techn. 2007, 41, 523–536. [Google Scholar] [CrossRef]
- Yildiz, S.; Yildiz, U.C.; Tomak, E.D. The effects of natural weathering on the properties of heat-treated alder wood. BioResources 2011, 6, 2504–2521. [Google Scholar] [CrossRef]
- Uzun, O.; Yeşil, H.; Perçin, O. Effects of thermal treatment on air-dried density, color change, average surface roughness, and sound absorption capacity of Scots pine. BioResources 2024, 19, 5568–5585. [Google Scholar] [CrossRef]
- Tuong, V.M.; Li, J. Effect of heat treatment on the change in color and dimensional stability of acacia hybrid wood. BioResources 2010, 5, 1257–1267. [Google Scholar] [CrossRef]
- Kačíková, D.; Kačík, F.; Čabalová, I.; Ďurkovič, J. Effects of thermal treatment on chemical, mechanical and colour traits in Norway spruce wood. Bioresour. Technol. 2013, 144, 669–674. [Google Scholar] [CrossRef] [PubMed]
- Li, L.; Wang, X.; Wu, F. Chemical analysis of densification, drying, and heat treatment of Scots pine (Pinus sylvestris L.) through a hot-pressing process. BioResources 2016, 11, 3856–3874. [Google Scholar] [CrossRef]
- Hu, W.; Li, S.; Liu, Y. Vibrational characteristics of four wood species commonly used in wood products. BioResources 2021, 16, 7101–7111. [Google Scholar] [CrossRef]
- Selçuk, D.; Harun, D.; Kasal, Y. Bending moment resistances of l-shaped furniture frame joints under tension and compression loadings. Wood Res. 2020, 65, 975–988. [Google Scholar] [CrossRef]
- Grič, M.; Joščák, P.; Tarvainen, I.; Ryönänkoski, H.; Lagaňa, R.; Langová, N.; Andor, T. Mechanical properties of furniture self-locking frame joints. BioResources 2017, 12, 5525–5538. [Google Scholar] [CrossRef][Green Version]
- Giagli, K.; Baar, J.; Fajstavr, M.; Gryc, V.; Vavrčík, H. Tree-ring width and variation of wood density in Fraxinus excelsior L. and Quercus robur L. growing in floodplain forests. BioResources 2018, 13, 804–819. [Google Scholar] [CrossRef]
- ISO 13061-2:2014; Physical and Mechanical Properties of Wood—Test Methods for Small Clear Wood Specimens—Part 2: Determination of Density for Physical and Mechanical Tests. International Organization for Standardization: Geneva, Switzerland, 2014.
- EN 325:2012; Wood-Based Panels—Determination of Dimensions of Test Pieces. European Committee for Standardization: Brussels, Belgium, 2012.
- Zhou, Q.; Tu, D.; Liao, L.; Guo, Q. Variation of equilibrium moisture content of heat-treated Couratari oblongifolia, Fraxinus excelsior, and Quercus rubra wood. BioResources 2013, 8, 182–188. [Google Scholar] [CrossRef][Green Version]
- ASTM D570-22; Standard Test Method for Water Absorption of Plastics. ASTM International: West Conshohocken, PA, USA, 2022.
- ASTM D143-21:2021; Standard Test Methods for Small Clear Specimens of Timber. ASTM International: West Conshohocken, PA, USA, 2021.
- EN 1534:2020; Wood Flooring and Parquet—Determination of Resistance to Indentation—Test Method. European Committee for Standardization: Brussels, Belgium, 2020.
- ASTM D1474-98:2008; Standard Test Methods for Indentation Hardness of Organic Coatings. ASTM International: West Conshohocken, PA, USA, 2008.
- EN ISO 4287-1:1997; Surface Roughness—Terminology. Part 1: Surface and Its Parameters. European Committee for Standardization: Brussels, Belgium, 1997.
- ASTM D143-23; Standard Test Methods for Small Clear Specimens of Timber. ASTM International: West Conshohocken, PA, USA, 2023.
- ISO 13061-1:2014; Physical and Mechanical Properties of Wood—Test methods for Small Clear Wood Specimens. International Organization for Standardization: Geneva, Switzerland, 2014.
- Hajdarević, S.; Martinović, S. Effect of tenon length on flexibility of mortise and tenon joint. Procedia Eng. 2014, 69, 1877–7058. [Google Scholar] [CrossRef][Green Version]
- Kaymakci, I.; Akyildiz, M.H. Dimensional stability of heat-treated Scots pine and Oriental beech. Pro. Ligno. 2011, 7, 32–38. [Google Scholar]
- Repellin, V.; Guyonnet, R. Evaluation of heat-treated wood swelling by differential scanning calorimetry in relation to chemical composition. Holzforschung 2005, 59, 28–34. [Google Scholar] [CrossRef]
- Zielenkiewicz, T.; Gawron, J.; Florczak, I. An evaluation of the influence of heat treatment on the preservative retention in ash wood (Fraxinus excelsior L.). Drewno 2018, 61, 71–79. [Google Scholar] [CrossRef]
- Lunguleasa, A.; Spirchez, C. Experiments about Roughness of Wood Composites. Recent 2020, 21, 13–18. [Google Scholar] [CrossRef]
- Zhong, Z.W.; Hiziroglu, S.; Chan, C.T.M. Measurement of the surface roughness of wood-based materials used in furniture manufacture. Measurement 2013, 46, 1482–1487. [Google Scholar] [CrossRef]
- Govorčin, S.; Sinković, T.; Hrčka, R. Some Physical and Mechanical Properties of Recent and Heat-Treated Ash–Fraxinus excelsior L. Šumar. List 2009, 133, 185–191. [Google Scholar]
- Roszyk, E.; Stachowska, E.; Majka, J.; Mania, P.; Broda, M. Moisture-Dependent Strength Properties of Thermally-Modified Fraxinus excelsior Wood in Compression. Materials 2020, 13, 1647. [Google Scholar] [CrossRef] [PubMed]
- Yazaki, Y. Wood Colors and their Coloring Matters: A Review. Nat. Prod. Commun. 2015, 10, 505–512. [Google Scholar] [CrossRef] [PubMed]
- Hu, J.; Liu, Y.; Wu, Z. Structural color for wood coloring: A Review. BioResources 2020, 15, 9917–9934. [Google Scholar] [CrossRef]
- Jakub, G.; Marchwicka, M. Color changes of ash wood (Fraxinus excelsior L.) caused by thermal modification in air and steam. Ann. Wars. Univ. Life Sci. SGGW For. Wood Technol. 2021, 116, 21–27. [Google Scholar]
- Dzurenda, L.; Banski, A. Wood colour modification of Fraxinus excelsior L. during the process of thermal treatment with saturated water steam. Innov. Woodwork. Ind. Eng. Des. 2018, 2, 12–18. [Google Scholar]
- Dashti, M.; Albannai, A. A Review on Surface Roughness (Ra) Ranges for Some Finishing Processes. Int. J. Sci. Eng. Res. 2020, 11, 623–629. [Google Scholar]



















| N0 | N1 | N2 | N3 | N4 | N5 | N6 | N7 | N8 | N9 | N10 | N11 | N12 | N13 |
|---|---|---|---|---|---|---|---|---|---|---|---|---|---|
| 0.012 | 0.025 | 0.05 | 0.10 | 0.20 | 0.40 | 0.80 | 1.60 | 3.20 | 6.30 | 12.50 | 25.00 | 50 | 100 |
| Source | DF | Adj SS | Adj MS | F-Value | p-Value |
|---|---|---|---|---|---|
| Treated | 9 | 13,896 | 1544 | * | * |
| Error | 0 | * | * | ||
| Total | 9 | 13,896 |
| No. | Mean | Median | Standard Deviation | Coefficient of Variance | Total Interval | |
|---|---|---|---|---|---|---|
| Untreated ash | R | 19.525 | 18.190 | 3.527 | 0.193 | 8.946–30.107 |
| T | 15.775 | 15.775 | 2.885 | 0.182 | 7.121–24.431 | |
| Thermally treated ash | R | 15.243 | 15.171 | 1.372 | 0.091 | 11.127–19.359 |
| T | 12.228 | 12.731 | 2.105 | 0.172 | 5.913–18.543 | |
| No. | Characteristic | Untreated Ash Wood | Thermally Treated Ash Wood | Difference |
|---|---|---|---|---|
| 1 | Density, kg/m3 | 652 | 605 | 7.2% |
| 2 | Water absorption, 24 h, % | 30.7 | 20.5 | 33.2% |
| 3 | Thickness swelling, 24 h, %, radial | 8.2 | 4.4 | 46.3% |
| 4 | Thickness swelling, 24 h, %, tangential | 6.3 | 3.4 | 46% |
| 5 | MOR, N/mm2 | 103 | 99 | 3.8% |
| 6 | MOE, N/mm2 | 5790 | 6970 | 2% |
| 7 | Brinell hardness, N/mm2, radial | 19.5 | 15.2 | 22.1% |
| 8 | Brinell hardness, N/mm2, tangential | 15.7 | 12.2 | 22.2% |
| 9 | CIELab, luminance | 87 | 7 | 80 points |
| 10 | Roughness, Ra, µm, paralel | 2.12 | 6.0 | 183% |
| 11 | Roughness, Ra, µm, perpendicular | 3.21 | 6.9 | 114% |
| 12 | Finger joint strength, N/mm2 | 3.24 | 1.72 | 46.9 |
| 13 | Frame joint strength, N/mm2 | 3.4 | 1.7 | 41.1 |
| 14 | Box joint strength, N/mm2 | 1.22 | 0.98 | 19.6% |
Disclaimer/Publisher’s Note: The statements, opinions and data contained in all publications are solely those of the individual author(s) and contributor(s) and not of MDPI and/or the editor(s). MDPI and/or the editor(s) disclaim responsibility for any injury to people or property resulting from any ideas, methods, instructions or products referred to in the content. |
© 2025 by the authors. Licensee MDPI, Basel, Switzerland. This article is an open access article distributed under the terms and conditions of the Creative Commons Attribution (CC BY) license (https://creativecommons.org/licenses/by/4.0/).
Share and Cite
Lunguleasa, A.; Spirchez, C. Influence of Thermal Treatment on Properties of Ash Wood. Forests 2025, 16, 155. https://doi.org/10.3390/f16010155
Lunguleasa A, Spirchez C. Influence of Thermal Treatment on Properties of Ash Wood. Forests. 2025; 16(1):155. https://doi.org/10.3390/f16010155
Chicago/Turabian StyleLunguleasa, Aurel, and Cosmin Spirchez. 2025. "Influence of Thermal Treatment on Properties of Ash Wood" Forests 16, no. 1: 155. https://doi.org/10.3390/f16010155
APA StyleLunguleasa, A., & Spirchez, C. (2025). Influence of Thermal Treatment on Properties of Ash Wood. Forests, 16(1), 155. https://doi.org/10.3390/f16010155

