Next Article in Journal
Modeling of Species Distribution and Biodiversity in Forests
Next Article in Special Issue
Use of Ground Penetrating Radar in the Evaluation of Wood Structures: A Review
Previous Article in Journal
DNA Markers Reveal Genetic Associations among 11,000-Year-Old Scots Pine (Pinus sylvestris L.) Found in the Baltic Sea with the Present-Day Gene Pools in Lithuania
Previous Article in Special Issue
Non-Destructive Lumber and Engineered Pine Products Research in the Gulf South U.S. 2005–2020
 
 
Font Type:
Arial Georgia Verdana
Font Size:
Aa Aa Aa
Line Spacing:
Column Width:
Background:
Review

Application of Nondestructive Testing Technologies in Preserving Historic Trees and Ancient Timber Structures in China

1
School of Technology, Beijing Forestry University, Beijing 100083, China
2
Joint International Research Institute of Wood Nondestructive Testing and Evaluation, Beijing Forestry University, Beijing 100083, China
3
School of IoT Engineering, Jiangnan University, Wuxi 214122, China
4
USDA Forest Products Laboratory, Madison, WI 53726, USA
5
Beijing University of Technology, Beijing 100124, China
*
Author to whom correspondence should be addressed.
Forests 2021, 12(3), 318; https://doi.org/10.3390/f12030318
Submission received: 30 November 2020 / Revised: 24 December 2020 / Accepted: 5 March 2021 / Published: 10 March 2021

Abstract

In China, preserving historic trees and ancient timber structures has attracted more attention from researchers and institutions. Nondestructive testing (NDT) technology has gained momentum in the application and research in recent years. This paper presents some examples of the application of NDT techniques in the protection of historic trees and ancient timber structures in China. A total of nine NDT techniques were applied, including five techniques of visual inspection, sounding, Resistograph, stress wave transmission velocity, stress wave tomography for both historic trees and ancient timber structures, two techniques of the pulling-test and ground-penetrating radar (GPR) for historic trees alone, and two techniques of acoustic emission (AE) and digital imaging for ancient timber structures. Based on field testing, there is a very good detecting effect for visual inspection and Resistograph, but sounding works unsatisfactorily. The stress wave transmission velocity is found to be excellent in screening for the internal defects of historic tree trunks, but performs badly in screening for the internal defects within the wood members of ancient timber structures. AE is less successful but digital imaging performs well in long-term monitoring and damage warning of wood structures. The stress wave tomography successfully obtains images of internal defects inside tree trunks. The anchorage of some historic trees cannot be quantitatively evaluated with the pulling test if the tree is too large. GPR’s resolution and accuracy are very low, which limit its application. Theoretical research on NDT and promotion of NDT technology are still an essential part of the work in the future.

1. Introduction

It is well known that China has countless historic trees and ancient timber structures, which leads to a great research value and application potential for nondestructive testing (NDT) technologies in preserving the historic trees and ancient timber structures in China.
In recent years, NDT techniques used for historic trees and wooden structures of ancient buildings have made great progress with the joint efforts of scientists from the East and West [1,2,3]. The earliest study on NDT technologies for wood and wood-based materials was published in 1964 [4]. Up to now, there have been four types of approaches used for NDT of trees and timber structures including visual inspection, probe inspection, wave detection, and mechanical deformation detection. The visual inspection method is the most widely used NDT method in the inspection of trees and timber structures, and the inspection characteristics of this method include size, quantity, and the number as well as location of external defects. The probe testing method is mainly used in the detection of the residual properties of ancient timber structures, and testing equipment or approaches include Resistograph, Pilodyn, and Pullout resistance. In addition, micro-drill resistance can be well used for detecting internal defects of tree trunks and ancient wood members. The wave detection refers to a series of methods for the qualitative detection of trees and ancient timber structures by means of different waves including sounding, stress wave, and radar waves. The mechanical deformation testing is a kind of method to test the overall mechanical properties by loading and deformation, such as the pulling-test for detecting tree anchorage. In addition to testing, long-term monitoring of historic trees or ancient timber structures is also an important part of conservation. Acoustic emission (AE) and digital imaging have been used for long-term monitoring of wood structures.
In general, detection of historic trees focuses on three aspects including growth condition, trunk defects, and tree stability. Visual inspection of historic trees is an effective way to assess growth conditions by investigating four indicators like the condition of leaves, branches, trunks, and roots. According to Chinese standards, historic trees should be classified as healthy, weakened, severely weakened, or endangered by assigning a certain weight to the four indicators mentioned above based on their actual conditions [5,6]. Trunk defect detection is an important part of tree evaluation, and a combination method of probe detection and wave detection is commonly used. Resistograph, as a probe inspection method, can reveal wood quality based on the resistance of the probe, and this approach has been widely used to detect internal defects within tree trunks, as some studies demonstrated there was a strong correlation between resistance of the probe and density of wood material [7,8,9,10,11,12,13]. Wave detection methods based on stress wave or radar wave all can be used for NDT of tree trunk’s internal defects. There are two detection methods related to the stress wave, which are the stress wave transmission velocity method and stress wave tomography. The difference between them is that the former is a single channel while the latter is a multi-channel. The stress wave transmission velocity method can judge the status of the trunk according to the radial wave velocity, which is obtained by measuring the trunk with a stress wave timer. It is a simple and fast NDT method, which is widely used in the rapid screening of internal defects of a standing tree’s trunks. Stress wave tomography is a visual defect image compounded from the stress wave transmission velocity method of multiple paths using stress wave tools within a section of the trunk, and multiple plane images of different heights can even form a three-dimensional image of defects [14]. Time-of-flight ultrasonic wave inspection is also used to detect the internal defects of tree trunks due to the high correlation between the ultrasonic propagation speed and the density as well as elastic modulus of the propagation medium, but it is still mainly in the stage of a laboratory demonstration [15]. Ground-penetrating radar (GPR) based on radar waves can be used to detect defects within the trunk and root distribution, and the detection of root distribution has the most interest to researchers. However, intensive research is required to carry out to obtain convincing results using this method [16]. There are a few methods for detecting the stability of trees. The pulling test is one of the few effective methods to detect the tree anchorage [17,18,19], and the destructive pulling test shows that there is a high correlation between tree anchorage and diameter at breast height (DBH) as well as tree height (H) [20]. In addition, some researchers conducted non-destructive pulling test studies to predict the tree anchorage. Some predictive results have been obtained as well [21,22,23].
Besides China, there have been many successful cases on NDT of historic trees in some other countries. In 2005, American researchers conducted an NDT study on stability for a total of 153 urban trees in the city park around the Capitol in Madison, Wisconsin, USA. Wang et al. used a combined inspection method including visual inspection, a stress wave transmission velocity method, and Resistograph for these trees. The distribution range of stress wave velocity of these trees was determined, and the trees with defects in the trunk were found [24]. On this basis, further stress wave tomography was conducted on these defective trees, so as to provide an intuitive three-dimensional image representation of the defects. By 2008, researchers conducted another nondestructive inspection study for red pine at the U.S. Forest Service’s Camp Nesbit in Upper Michigan, and a combined approach of visual inspection, the stress wave transmission velocity method, and the stress wave tomography was adopted. The study found stress wave velocity thresholds for rapid screening of red pine defects and one tree with severe internal defects was identified among 12 testing objects [25].
The detection of ancient timber structures includes two aspects: the preservation state detection of the wood structure and the wood members’ residual performance detection. Similar to the visual inspection method of historic trees, the visual inspection method of ancient timber structures has a mature evaluation system as well [26,27]. The methods for testing the performance of components of ancient timber structures involve the probe detection method and wave detection method, and testing contents include internal defects and residual mechanical properties of the wooden components. The principle of Resistograph of ancient wood structures is the same as that of historic trees. The presence of defects could be determined by a plunge in Resistograph profiles [28,29,30]. Besides visual inspection, it is the most widely used nondestructive inspection method. The Pilodyn method and the pullout resistance method are used to determine the residual mechanical properties of wood members. It has been shown that there is a high correlation between the outer layer density of wood members tested and the penetration depth of Pilodyn [31,32] as well as pullout resistance of a Screw Withdrawal Resistance Meter [33,34,35]. The sounding method is a relatively traditional detection method for screening an internal defect of the wood members. In the early stage, researchers carefully distinguished the sound after knocking for preliminary screening through experience. While, in recent years, spectrum and power spectrum have been used to analyze the sounding signal for screening for wood decay and defects [35,36,37,38,39]. The wave transmission velocity method can be used for rapid screening of internal defects of wood components, and to evaluate the residual mechanical properties of wood components in conjunction with a Resistograph.
Besides China, there have been many successful cases on NDT of ancient timber structures in some other countries. Researchers conducted a visual inspection of the Esterhazy Castle in Sopron, Hungary, as early as 2000, which showed that the traditional tenon and mortise structures was in a good condition and there were visible signs of leakage and decay due to water in several areas where the wood was directly in contact with the masonry [40]. In 2001, American scholars conducted a detailed inspection of a nearly 40-year-old wooden bridge on the Peshtigo River in Wisconsin, which included visual inspection, a stress wave transmission velocity method, and moisture content testing. The inspection evaluated damage to the piers caused by floating ice, rotting, and termites quantitatively, and identified wood members that must be replaced [41]. In 2009, Spanish scholars used the NDT method to detect an ancient building in Segovia, Spain. The purpose of this test was to determine the structural stability of the entire ancient building. Combining the results of visual inspection, Pilodyn, pullout resistance, and a stress wave transmission velocity method, the density and strength grading of each wooden member was determined. Then, the entire ancient building was preserved and maintained, and the wooden components with insufficient strength were replaced as well [41]. In 2013, Wang et al. conducted an NDT of a century-old wood-frame building at a paper manufacturing facility in Wisconsin, USA [42]. Field investigations included monitoring microclimatic environmental changes caused by paper machine operations, identification of wood species, measurement of wood moisture content, and internal rot detection with a Resistograph and a stress wave transmission velocity method. The results showed that many elements were in poor conditions, which appeared as extensive internal and external aging. In addition, some damaged wooden elements due to fire were identified as well as some completely defective parts [42]. In 2015, Ross et al. conducted a nondestructive evaluation of a scenic tower (also known as Eagle Tower) located in Peninsula State Park, Wisconsin, USA [43]. This evaluation adopted a combination method of visual inspection, a stress wave transmission velocity method, and Resistograph, which revealed that the tower’s key support components were seriously damaged and that many of the elements severely deteriorated [43]. In 2018, a wooden tower in Pottawatomie State Park, Wisconsin, which has a similar structure and history with the Eagle Tower, required urgent quality evaluation due to visible cracks. To solve the problem, Ross et al. took similar testing methods and applied them to the Eagle Tower. The results of the study showed that there were great deficiencies on all pillars and different degrees of decay were found on the surfaces of other wooden members [44].
Research studies on NDT methods for historic trees and ancient timber structures started late in China and only in the last two decades have they gradually gained attention. With the joint efforts of Chinese scholars, NDT methods for historic trees and ancient timber structures have not only been popularized in China, but also contributed to their development. Visual inspection, sounding, Resistograph, stress wave transmission velocity method, stress wave tomography, resistance tomography, and GPR have been intensively studied and used [1]. By focusing on recent implementation cases of NDT methods for historic trees and ancient timber structures, this paper provides a brief overview of the utilization, development, and challenges of NDT methods for historic trees and ancient timber structures in China.

2. NDT Case Studies on Inspection of Historic Trees

As early as 2000, there were regulations in China, which provided guidelines for the definition and protection of old and famous urban trees. Multi-level management regulations make NDT of old and valuable trees of particular importance. Traditionally, visual inspection and sounding are only accepted to evaluate the health situation of the historic trees. However, these two methods cannot achieve accurate detection of tree defects, which leads to the needs of using advanced NDT technologies gradually. In this section, the application and development of NDT technologies on historic trees in recent years in China will be illustrated with NDT cases of historic trees in Yongling, Huangdi Mausoleum and Slender West Lake.

2.1. Historic Trees in Yongling

Yongling, which is the eighth tomb of the Ming Tombs with a history of 484 years, is located in the Changping district, Beijing, China. According to the preliminary statistics and classification, there are about 1200 trees in Yongling including 87 Chinese red pines, 1088 Chinese arborvitaes, and 27 lacebark pines with 688 historic trees over 100 years old. A study on the impact of trees on the preservation of ancient buildings was initiated in 2019 by a research team at Beijing Forestry University with the financial support of the Beijing Municipal Government and authorization from the National Cultural Heritage Administration [45].
A total of 29 trees were selected and fully inspected with a combined method of visual inspection, sounding, stress wave transmission velocity method, Resitograph, stress wave tomograph, and the pulling test as well. First, scholars used a visual inspection to evaluate overall conditions of the trees including tree height, DBH, tree shape, crown area and centroid height, trunk surface defects, and a branch growth trend. The heights were measured using a Brulées altimeter. The crown area, crown shape, and contour center height were measured using AutoCAD software to outline and scale photos of trees taken by a smartphone. Then, researchers conducted an NDT study of a tree trunk’s internal defects (Figure 1) with a combination of a stress wave transmission velocity method, Resistograph, and stress wave tomography. After a rapid screening of the trunk’s internal defects using the stress wave transmission velocity method, further defect detection was performed using Resistograph and stress wave tomography. By this detection of trunk defects, researchers verified the effectiveness of these three NDT methods mentioned above and, thus, developed an accurate and efficient NDT procedure for detecting defects inside the trunk. In addition, tree anchorages of eight trees were determined by the pulling test (Figure 2).
The conclusion of this case study is as follows: the tree shape detection method adopted is found to work well. The Resistograph is able to reflect defects in the inspection path effectively. The stress wave tomography presents images of defects on the inspected cross section successfully. However, the distinction between the type of defects as decay or cavity is relatively vague. Notably, under some extreme standing conditions, the pulling test is unavailable because of the absence of suitable anchor points.

2.2. Ancient Arborvitaes in Huangdi Mausoleum

The Mausoleum of Huangdi with a history of over 5000 years is located in Yan’an City, Shaanxi Province, China. There are more than 81,600 Chinese arborvitaes. Among them, as many as 30,000 cypresses are over 1000 years old. In 2013, the conservation and rehabilitation of ancient Chinese arborvitaes in the Huangdi Mausoleum was carried out under the organization of the National Forestry Administration. A research team at the Northwest Agriculture and Forestry University conducted a detailed condition survey of ancient Chinese arborvitaes in the Huangdi Mausoleum [46,47,48,49].
Nineteen ancient Chinese arborvitaes were studied of which one is more than 5000 years old (Figure 3). Researchers eventually adopted conservative visual inspection and GPR detection to achieve complete non-destructiveness for the special protection of these trees. The visual inspection was used to evaluate tree growth conditions with indicators of leaves, trunk, and other elements. For the internal defects of tree trunks and the spatial distribution of tree roots, researchers adopted GPR in their detection. Eventually, all the trees were graded and some useful management solutions were proposed based on the actual problems of trees.
The detection of tree roots has always been a difficult issue for NDT of trees. GPR is considered to be a potential solution to this problem. In this project, trunk’s internal defects and root distribution are detected successfully using GPR. However, for complete non-destructiveness, no other NDT techniques are used for cross-validation, and there may be large biases in the results actually.

2.3. Historic Trees in Slender West Lake Park

Slender West Lake Park is located in the northern suburbs of Yangzhou City, Jiangsu Province, China. Slender West Lake Park can date back to as early as the Sui Dynasty (7th century AD) and has been in existence for more than 1400 years. With funding from the National Natural Science Foundation of China and Jiangsu Provincial Government, a research team from Jiangnan University initiated an NDT research of ancient trees in Slender West Lake Park in 2016 [50].
These researchers conducted a detailed investigation with a combination of visual inspection, Resistograph, stress wave tomography, and GPR, and explored the accuracy of stress wave tomography and GPR for detecting internal defects in tree trunks. A total of 157 ancient trees including 33 species were surveyed in the project. The tree ages ranged from 90 to 300 years. A combination of visual inspection, stress wave tomography, GPR, and Resistograph was used to examine 147 trees. The remaining 10 trees were only visually inspected due to their unique location and inaccessibility. Researchers obtained the size of defects and the percentage of the defect area in the trunk section by segmenting the stress wave tomography image and GPR image accurately with grayscale images. In addition, results of the inspection were verified by a Resistograph.
In this project, the stress wave tomography inspection has a good positive detection rate for trunk defects. However, there is a large discrepancy between the results obtained by the two methods, which suggests that GPR may have a high rate of false detection of defects within the trunk.

3. NDT Case Studies on Inspection of Ancient Timber Structures

The Chinese government has enacted laws for the protection of cultural relics, and both national and local governments have also promulgated a number of regulations concerning the management and protection works of cultural relics and monuments. In practice, professional interpretation of the relevant regulations is also required, and the corresponding industry rules should be taken into account as well. Based on the current requirements, there is a demand for using more advanced NDT techniques. In China, a number of ancient timber structures have been inspected with NDT methods, of which representative ones are wooden structures in Yuling, supporting the wood frame of the Bell Tower and Song Dynasty Shipwreck.

3.1. Wooden Structures in Yuling, Ming Tomb (1464, Ming Dynasty)

Yuling, which is the fourth mausoleum in the Ming Tombs, was built in the eighth year of the era Tianshun in the Ming dynasty (1464). In order to assist building engineers in formulating a restoration plan, the research team at the Beijing Forestry University conducted a detailed condition survey of existing wooden structures with a combination of visual inspection, sounding, a stress wave transmission velocity method, and a Resistograph [51].
The wooden components of the Soul Tower were detached from the ancient structures and placed on the ground for visual inspection and NDT assessment. The survey and inspection focused on the 57 wooden structural components, including columns, brackets, purlins, and tie beams. A visual inspection of the wood member was conducted to evaluate surface defects such as cracks, splits, and decay as well as component bending and structural damage. Then, researchers investigated internal defects and residual mechanical properties of all wood components utilizing a combination of sounding, the stress wave transmission velocity method, and a Resistograph. In addition, tree species of wood structures were identified in the laboratory as well. All wood members were given a final assessment and graded based on these inspections.
This is an early study of NDT of ancient buildings within China. Detailed inspection of defects on timber component surfaces and interiors was successfully performed in this study with a stress wave transmission velocity method, a Resistograph, and other methods. However, from an academic perspective, these test results are still slightly crude. On the one hand, these instruments are only able to qualitatively analyze whether defects exist or not, but not quantitatively evaluate the changes in mechanical properties. On the other hand, researchers have missed an in-depth study of the formation, development, and evolution of wood defects.

3.2. Supporting Wood Frame of the Bell Tower (1420, Ming Dynasty)

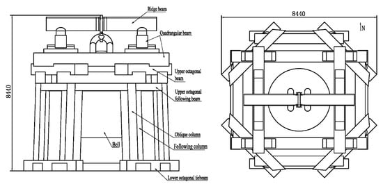
The Bell Tower (Figure 4), located on Di’anmen Outer Street in Dongcheng District, Beijing, China, was built in the 18th year of the Yongle period of the Ming Dynasty (1420) and rebuilt in the 10th year of the Qianlong period of the Qing Dynasty (1745). The bell, which weighs 63 tons, is supported and suspended by an octagonal wooden frame, as shown in Figure 5. Based on the need for protection and maintenance of the Bell Tower, a research team from the Beijing Forestry University conducted an on-site research inspection for wooden elements of the Supporting Wood-Frame, such as columns, beams, and tie-beams [52].
The NDT methods including those methods in Section 3.1 and stress wave tomography were used in this project. In addition to the routine condition census, researchers conducted a special individual physical examination of the ridge beam because the ridge beam is the direct load-bearing member and the most important key component of the entire framework. Researchers performed Resistograph detection at six points and stress wave transmission velocity measurements at four paths using a stress wave microsecond timer on the ridge beam (Figure 6). Subsequently, a 3D model of the ridge beam was reconstructed based on the detected defects and finite element analysis was performed in the laboratory.
It is found that the conventional NDT methods such as the Resistograph and stress wave transmission velocity method are more suitable for determining the presence of defects than for detecting the residual mechanical properties. The stress wave tomography performed worse in the detection of members with cracks, the internal defect positions, and sizes detected by stress wave tomography differs greatly from the actual one.

3.3. Historic Wooden Shipwreck (Song Dynasty)

The Song Dynasty shipwreck (Figure 7), built over 900 years ago, is the oldest, largest, and relatively well-preserved ancient shipwreck that has been excavated in China so far. Based on the unique preservation status of Song dynasty ships in Quanzhou Bay, urgent research is required for the preservation of the materials and structure of ancient ships. Recently, the research team at the Beijing Forestry University conducted NDT research on this shipwreck and some progress has been obtained [53]. In this project, researchers adopted an NDT method of AE technology combined with digital image technology to build a monitoring system for the Song Dynasty Shipwreck.
Researchers conducted a visual inspection and an AE detection on the second bulkhead at the stern as well as a digital image monitoring on the bottom of the stern, and closely monitored the temperature and humidity in the room. After a year of continuous monitoring, researchers found that both AE monitoring and digital image monitoring were of a practical value for monitoring the preservation status of wooden ships. By monitoring the relative humidity of the environment and AE counts, researchers found that the AE parameter—ring counting were positively and significantly correlated with the daily variation of relative humidity in the indoor environment. In addition, researchers have observed the deformation of wooden structures over time through digital images.
From the current research, AE and digital image techniques are more suitable for long-term monitoring of the object under the test rather than for the detection of wood preservation status. With AE and deformation as a spontaneous behavior of wood, AE techniques and digital image techniques will not impose an additional burden on the measured object. Through long-term monitoring of AE phenomena and deformation, it is possible to intervene to reduce damage by alerting the damage that is occurring at any time.

4. Summary and Prospect

As can be seen from cases of inspection of historic trees and ancient timber structures above, application of NDT techniques has made considerable development and progress in preserving historic trees and ancient timber structures in China. Details of the NDT techniques used in these cases are summarized in Table 1. As we know, both trees and timber structures are composed of wood materials, and they have difference moisture content. The moisture content of wood in trees is around 100% and the moisture content of wood in timber structures is 9–15%. As a result, some NDT techniques are available for the inspection of both trees and timber structures. It can be seen from Table 1 that NDT techniques including visual inspection, sounding, Resistorgaph, stress wave transmission velocity, and stress wave tomography have been used for both historic trees and ancient timber structures in China. Visual inspection is the most elementary and original NDT method. There is an excellent effect of detection in the inspection of historic trees and ancient timber structures using visual inspection. The sounding method is a traditional testing means to screen for internal decay and cavity of historic tree trunks and ancient wood members. This method is simple to operate, but the detection effect is poor. It depends too much on the experience of operators, so it is easy to misidentify. Resistograph, as a new method for detecting internal defects of wood, has been effectively used for detecting internal defects of historic tree trunks and wood members of ancient building. At the same time, the residual properties of ancient timber structures can be determined using the Resistograph. Stress wave transmission velocity is an effective method for screening potential internal defects of historic tree trunks. However, due to the presence of internal crack in wood members and the limitation of operating space, there is a fair effect in screening for the internal defects of wood members of an ancient building. This method can be used for determining the residual properties of wood members of ancient timber structures as well. The stress wave tomography displays a promising effect detecting historic tree trunk’s internal defects and is able to obtain color images of the defect within the trunk cross-section. However, it is less successful in the detection of internal defects in the wooden structures, which is due to the presence of many cracks inside the wooden elements that prevents regular propagation of stress waves from causing a large error between the images and the actual defects.
In addition, some NDT techniques may only be used for the inspection of historic trees, while others may only be used for the inspection of wooden structures of ancient buildings. For example, the pulling test and GPR are only appropriate for historic trees, while AE and the digital image are only applied on wood structures. The pulling test is used for tree anchorage nondestructive detection, and shows unsatisfactory results. GPR is applied in two cases for internal defects of the tree trunk and root distribution. There are differences in detection performance with one mediocre and the other worse. AE and digital images have been applied in the case of ancient wooden shipwreck monitoring. AE performs moderately, but needs further improvement in signal acquisition and environmental noise reduction, while the digital image obtains good monitoring effects.
As seen in the previous section, nine NDT techniques and methods have been applied in practice. However, these NDT technologies still have many problems as well as considerable progress space. Stress wave transmission velocity and stress wave tomography should be very effective methods for screening for and detecting internal defects of ancient timber members, respectively. However, both face the same challenges of crack interference. GPR is widely accepted by managers because it is completely nondestructive, but its resolution and accuracy are the bottlenecks that limit its development. The stability or anchorage of some historic trees cannot be quantitatively evaluated as they are too large to be tested when using the pulling test.
In China, the number of historic trees or ancient timber structures that have been inspected with NDT technology is only a small fraction of the total. In addition to theoretical research on NDT, the promotion of NDT technology is also an essential part of the work for researchers in the future.

Author Contributions

C.G., H.Z., R.J.R., and P.X. developed the ideas. H.Z., P.X., G.L., and D.Z. contributed to the case study data. P.X. and C.G. wrote the manuscript. C.G. and H.Z. supervised the project. C.G., H.Z., R.J.R., and Y.S. edited and proofread the manuscript. All authors have read and agreed to the published version of the manuscript.

Funding

This project was supported by the China Postdoctoral Science Foundation (NO. 2018M641225), the Science and Technology Project of the Beijing Municipal Education Commission (KM201910005019), and the National Natural Science Foundation of China (No. 31328005).

Institutional Review Board Statement

Not applicable.

Informed Consent Statement

Not applicable.

Acknowledgments

We are grateful to Suyang Liu and Haoyu Zhou from the Beijing Forestry University as well as Xiping Wang from USDA Forest Products Laboratory for their help during manuscript writing.

Conflicts of Interest

The authors declare no conflict of interest.

References

  1. Zhang, H.J.; Guan, C.; Wen, J. Applications and research development of nondestructive testing of wood based materials. J. For. Eng. 2016, 1, 1–9. [Google Scholar] [CrossRef]
  2. Wu, F.S. Preliminary Study on Non-Destructive Method and Safety Assessment of Tree. Ph.D. Thesis, Anhui Agricultural University, Hefei, China, 2011. [Google Scholar]
  3. Yang, Y.; Shen, S.J. History, Present State and Future of Non-destructive Testing for Wood. Sci. Technol. Rev. 2010, 28, 113–117. [Google Scholar]
  4. Galligan, W.L. A Status Report—Nondestructive Testing of Wood. For. Prod. J. 1964, 14, 221–227. [Google Scholar]
  5. DB11/T 1113-2014. Technical Regulations of Rapid Health Diagnosis for Ancient and Famous Tree; Beijing Bureau of Quality and Technical Supervision: Beijing, China, 2014. [Google Scholar]
  6. DB11/T 1692-2019. Technical Regulations for Health Diagnosis of Urban Trees; Beijing Bureau of Quality and Technical Supervision: Beijing, China, 2019. [Google Scholar]
  7. Görlacher, R.; Hättrich, R. Die Bohrwiderstandsmessung. Bauen. Mit. Holz. 1990, 6, 455–459. [Google Scholar]
  8. Rinn, F.; Schweingruber, F.H.; Schär, E. Resistograph and X-ray density charts of wood. Comparative evaluation of drill-resistance profiles and X-ray density charts of different wood species. Holzforschung 1996, 50, 303–311. [Google Scholar] [CrossRef]
  9. Isik, F.; Li, B. Rapid assessment of wood density of live trees using the Resistograph for selection in tree improvement programs. Can. J. For. Res. 2003, 33, 2426–2435. [Google Scholar] [CrossRef]
  10. Bouffier, L.; Charlot, C.; Raffin, A.; Rozenberg, P.; Kremer, A. Can wood density be efficiently selected at early stage in maritime pine (Pinus pinaster Ait.)? Ann. For. Sci. 2008, 65, 106. [Google Scholar] [CrossRef]
  11. Rinn, F. Basics of typical resistance-drilling profiles. West. Arborist 2012, 17, 30–36. [Google Scholar]
  12. Sharapov, E.S.; Wang, X.P.; Smirnova, E. Drill bit friction and its effect on resistance drilling measurements in logs. In Proceedings of the 20th International Nondestructive Testing and Evaluation of Wood Symposium, Madison, WI, USA, 12–15 September 2017. [Google Scholar]
  13. Gao, S.; Wang, X.; Wiemann, M.C.; Brashaw, B.K.; Ross, R.J.; Wang, L. A critical analysis of methods for rapid and nondestructive determination of wood density in standing trees. Ann. For. Sci. 2017, 74, 27. [Google Scholar] [CrossRef]
  14. Zhang, H.J.; Wang, X.P.; Ross, R.J. Stress wave propagation on standing trees—Part 1. Time-of-flight measurement and 2D stress wave contour maps. In Proceedings of the 16th Nondestructive Evaluation of Wood Symposium, Beijing, China, 12–14 October 2009; Beijing Forestry University: Beijing, China. [Google Scholar]
  15. Wenyong, Y.; Lihai, W.; Huimin, Y.; Xidong, Z. The Study of Wood Defects Detection Based on Ultrasonic Techniques. For. Eng. 2006, 22, 7–9. [Google Scholar] [CrossRef]
  16. Lv, J.X. Research on the Wood Internal Defects Detection Method Based on the Radar Wave. Master’s Thesis, Beijing Forestry University, Beijing, China, 2015. [Google Scholar]
  17. Giambastiani, Y.; Preti, F.; Errico, A.; Sani, L. On the tree stability: Pulling tests and modelling to assess the root anchorage. Procedia. Environ. Sci. Eng. Manag. 2017, 4, 207–218. [Google Scholar]
  18. Horácek, P. Introduction to tree statics & static assessment. In Proceedings of the Tree Statics and Dynamics Seminar, Interpreting the Significance of Factors Affecting Tree Structure & Health, Westonbirt, UK, 21–22 July 2003. [Google Scholar]
  19. Moore, J.; Gardiner, B.; Sellier, D. Tree Mechanics and Wind Loading. In Plant Biomechanics; Geitmann, A., Gril, J., Eds.; Springer International Publishing: Cham, Switzerland, 2018; pp. 79–106. [Google Scholar] [CrossRef]
  20. Peltola, H.; Kellomäki, S.; Hassinen, A.; Granander, M. Mechanical stability of Scots pine; Norway spruce and birch: An analysis of tree-pulling experiments in Finland. For. Ecol. Manag. 2000, 135, 143–153. [Google Scholar] [CrossRef]
  21. Sani, L.; Lisci, R.; Moschi, M.; Sarri, D.; Rimediotti, M.; Vieri, M.; Tofanelli, S. Preliminary experiments and verification of controlled pulling tests for tree stability assessments in Mediterranean urban areas. Biosyst. Eng. 2012, 112, 218–226. [Google Scholar] [CrossRef]
  22. Marchi, L.; Mologni, O.; Trutalli, D.; Scotta, R.; Cavalli, R.; Montecchio, L.; Grigolato, S. Safety assessment of trees used as anchors in cable-supported tree harvesting based on experimental observations. Biosyst. Eng. 2019, 186, 71–82. [Google Scholar] [CrossRef]
  23. Rahardjo, H.; Harnas, F.R.; Indrawan, I.G.B.; Leong, E.C.; Tan, P.Y.; Fong, Y.K.; Ow, L.F. Understanding the stability of Samanea saman trees through tree pulling; analytical calculations and numerical models. Urban For. Urban Green. 2014, 13, 355–364. [Google Scholar] [CrossRef]
  24. Wang, X.P.; Allison, R.B. Decay detection in red oak trees using a combination of visual inspection, acoustic testing, and resistance microdrilling. Arboric. Urban For. 2008, 34, 1–4. [Google Scholar]
  25. Allison, R.B.; Wang, X.P.; Ross, R.J. Visual and nondestructive evaluation of red pines supporting a ropes course in the USFS Nesbit Lake Camp, Sidnaw, Michigan. In Proceedings of the 15th International Symposium on Nondestructive Testing of Wood, Madison, WI, USA, 10–12 September 2007. [Google Scholar]
  26. GB/T 50165-2020. Technical Code for Maintenance and Strengthening of Ancient Wooden Structures; The Standardization Administration of the People’s Republic of China: Beijing, China, 2020. [Google Scholar]
  27. GB/T 13942.2-2009. Durability of Wood—Part 2: Method for Field Test of Natural Durability; The Standardization Administration of the People’s Republic of China: Beijing, China, 2009. [Google Scholar]
  28. Ceraldi, C.; Mormone, V.; Ermolli, E.R. Resistographic inspection of ancient timber structures for the evaluation of mechanical characteristics. Mater. Struct. 2001, 34, 59–64. [Google Scholar] [CrossRef]
  29. Park, C.Y.; Kim, S.J.; Lee, J.J. Evaluation of Specific Gravity in Post Member by Drilling Resistance Test. J. Korean Wood Sci. Technol. 2006, 34, 1–9. [Google Scholar]
  30. Zhang, H.J.; Guo, Z.R.; Su, J. Application of a drill resistance technique for rapid determining wood density. Progress of Machining Technology. Key Eng. Mater. 2009, 407, 494–499. [Google Scholar] [CrossRef]
  31. Huang, F.R.; Wu, Y.M.; Li, H.; Liu, X. Quantitative Analysis of Decaying Detected by Pilodyn in Wood of Ancient Architecture. Sci. Silva Sin. 2010, 46, 116–120. [Google Scholar]
  32. Cown, D.J. Comparison of the Pilodyn and torsiometer methods for the rapid assessment of wood density in living trees. N. Z. J. For. Sci. 1978, 8, 384–391. [Google Scholar]
  33. Nicholls, J.W.P. A new method for determining wood density in the standing tree. Aust. Ann. For. Res. 1985, 15, 195–206. [Google Scholar]
  34. Íñiguez-González, G.; Arriaga, F.; Esteban, M.; Llana, D.F. Reference conditions and modification factors for the standardization of nondestructive variables used in the evaluation of existing timber structures. Constr. Build. Mater. 2015, 101, 1166–1171. [Google Scholar] [CrossRef]
  35. Aytekin, A. Determination of screw and nail withdrawal resistance of some important wood species. Int. J. Mol. Sci. 2008, 9, 626–637. [Google Scholar] [CrossRef] [PubMed]
  36. Guo, K.L. Investigation on Screening Internal Defects of Historic Wood Structural Members Based on the Tap Force Characteristics. Master’s Thesis, Beijing Forestry University, Beijing, China, 2019. [Google Scholar]
  37. Guo, K.L.; Zhang, H.J.; Guan, C.; Zhang, D.; Liu, F.; Yu, Y. Time domain analysis and research on local coin-tap signals of wood members. For. Mach. Woodwork. Equip. 2019, 47, 42–46. [Google Scholar] [CrossRef]
  38. Guo, K.L.; Zhang, H.J.; Wu, W. Research Progress and Application of Tap Testing Methods. For. Mach. Woodwork. Equip. 2018, 46, 4–8. [Google Scholar] [CrossRef]
  39. Xin, Z.; Zhang, H.; Guan, C.; Zhang, D.; Liu, F.; Yu, Y.; Guo, K. Screening for internal defects of timber members based on impact evaluation method. Constr. Build. Mater. 2020, 263, 120–145. [Google Scholar] [CrossRef]
  40. White, R.H.; Ross, R.J. Wood and Timber Condition Assessment Manual, 2nd ed.; USDA Forest Service, Forest Products Laboratory: Madison, WI, USA, 2014.
  41. Esteban, M.; Bobadilla, I.; Arriaga, F. NDT applied to estimate the mechanical properties of the timber of an ancient structure in Valsaín; Segovia (Spain). In Proceedings of the 16th Nondestructive Evaluation of Wood Symposium, Beijing, China, 12–14 October 2009; Beijing Forestry University: Beijing, China. [Google Scholar]
  42. Wang, X.P.; Teder, M.; Wacker, J. Condition assessment of the timber structures of a century-old industrial building using a nondestructive inspection procedure. Adv. Mat. Res. 2013, 778, 840–848. [Google Scholar] [CrossRef]
  43. Ross, R.J.; Wang, X.P.; Senalik, C.A.; Allison, R.B.; Zhou, L. Nondestructive Assessment of Wood Members from a Historic Viewing Tower; Res. Note. FPL-RN-0349; U.S. Department of Agriculture, Forest Service, Forest Products Laboratory: Madison, WI, USA, 2017; pp. 1–10.
  44. Ross, R.J.; Wang, X.P.; Senalik, C.A. Nondestructive Assessment of Wood Members in a Viewing Tower in Potawatomi State Park, Door County, Wisconsin, USA; Res. Note FPL-RN-0366; U.S. Department of Agriculture, Forest Service, Forest Products Laboratory: Madison, WI, USA, 2018; pp. 1–14.
  45. Zhang, H.J.; Xu, P.F.; Guo, W. Investigation and inspection of trees growth conditions in the Yongling. In Proceedings of the Concluding Meeting of Study on the Impact of Trees on the Preservation Status of Heritage Buildings, Beijing, China, 26 December 2019. [Google Scholar]
  46. Yang, L.; Kang, Y.X.; Li, X.J. Research of ancient Platycladus orientalis protection and restoration technology in the Mausoleum of Yellow Emperor. Pract. For. Technol. 2014, 3, 64–67. [Google Scholar]
  47. Yang, L.; Kang, Y.; Li, X.; Wang, F.; Wang, D.; Guo, L. Health of ancient Platycladus orientalis in the mausoleum of the Yellow Emperor. J. Zhejiang Agric. For. Univ. 2014, 31, 779–784. [Google Scholar]
  48. Liu, X.D.; Kang, Y.X.; Gan, M.X. A study on trunk decay of ancient Platycladus orientalis in tomb of Yellow Emperor. J. Northwest For. Univ. 2017, 32, 180–187. [Google Scholar]
  49. Gan, M.X.; Sun, T.; Kang, Y.X. Examination of the trunk cavity and thick root distribution of ancient Platycladus orientalis in the tomb of Yellow Emperor by ground penetrating radar technology. J. Northwest For. Univ. 2016, 31, 182–187. [Google Scholar]
  50. Wu, X.; Li, G.H.; Jiao, Z.; Wang, X. Reliability of acoustic tomography and ground-penetrating radar for tree decay detection. Appl. Plant Sci. 2018, 6, e01187. [Google Scholar] [CrossRef] [PubMed]
  51. Liao, C.H.; Zhang, H.J.; Wang, X.P.; Li, D. Condition assessment of wood structural members at Yu Tomb of the Ming Dynasty, Beijing. J. B. For. Univ. 2015, 38, 3259–3267. [Google Scholar] [CrossRef]
  52. Zhang, H.J.; Wu, J.; Guo, K.L. Report on the inspection and analysis of wooden structures in Bell Tower. In Proceedings of the Concluding Meeting of Beijing Bell Tower and Drum Tower Safety Inspection Project, Beijing, China, 16 June 2019. [Google Scholar]
  53. Zhao, Q.; Zhao, D.; Zhao, J.; Fei, L. The Song Dynasty Shipwreck Monitoring and Analysis Using Acoustic Emission Technique. Forests 2019, 10, 767. [Google Scholar] [CrossRef]
Figure 1. Field inspection of tree trunk’s internal defects: (a) stress wave transmission velocity method, (b) Resistograph measurement, and (c) a stress wave tomography measurement [45].
Figure 1. Field inspection of tree trunk’s internal defects: (a) stress wave transmission velocity method, (b) Resistograph measurement, and (c) a stress wave tomography measurement [45].
Forests 12 00318 g001
Figure 2. Field inspection of anchorage using the pulling test [45].
Figure 2. Field inspection of anchorage using the pulling test [45].
Forests 12 00318 g002
Figure 3. Huangdi “Hand-planting Arborvitaes”, which are more than 5000 years old.
Figure 3. Huangdi “Hand-planting Arborvitaes”, which are more than 5000 years old.
Forests 12 00318 g003
Figure 4. Bronze bell on the second floor of the Bell Tower [52].
Figure 4. Bronze bell on the second floor of the Bell Tower [52].
Forests 12 00318 g004
Figure 5. Projection of the octagonal wooden frame [52].
Figure 5. Projection of the octagonal wooden frame [52].
Forests 12 00318 g005
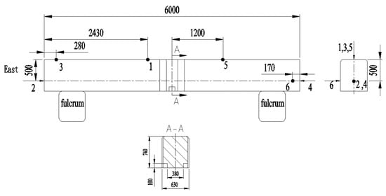
Figure 6. Diagram of the ridge beam marked with testing points 1–6.
Figure 6. Diagram of the ridge beam marked with testing points 1–6.
Forests 12 00318 g006
Figure 7. The Song Dynasty shipwreck in Quanzhou Bay [53].
Figure 7. The Song Dynasty shipwreck in Quanzhou Bay [53].
Forests 12 00318 g007
Table 1. Nondestructive testing (NDT) application list and effects.
Table 1. Nondestructive testing (NDT) application list and effects.
ObjectCases and Detecting ContentsVisual InspectionSoundingResistographStress Wave Transmission VelocityStress Wave TomographyPulling TestGround-Penetrating RadarAcoustic EmissionDigital Image
Historic treesSection 2.1 YonglingACAAAB\\\
Section 2.2 Huangdi MausoleumA\\\\\B\\
Section 2.3 Slender West Lake ParkA\A\A\C\\
Main detecting contentsTree height, DBH, crown shape and area, trunk surface defectsInternal defectsInternal defectsInternal defectsInternal defectsAnchorageTrunk internal defects and root distribution\\
Ancient timber structuresSection 3.1 YulingACAB\\\\\
Section 3.2 Bell TowerACABC\\\\
Section 3.3 Song Dynasty ShipwreckA\\\\\\BA
Main detecting contentsDeformation and surface defectsInternal defectsInternal defects, residual mechanical propertiesInternal defects, residual mechanical propertiesInternal defects\\Monitoring and warningMonitoring and warning
A—Good detecting effect. B—Fair detecting effect. C—Poor detecting effect.
Publisher’s Note: MDPI stays neutral with regard to jurisdictional claims in published maps and institutional affiliations.

Share and Cite

MDPI and ACS Style

Xu, P.; Guan, C.; Zhang, H.; Li, G.; Zhao, D.; Ross, R.J.; Shen, Y. Application of Nondestructive Testing Technologies in Preserving Historic Trees and Ancient Timber Structures in China. Forests 2021, 12, 318. https://doi.org/10.3390/f12030318

AMA Style

Xu P, Guan C, Zhang H, Li G, Zhao D, Ross RJ, Shen Y. Application of Nondestructive Testing Technologies in Preserving Historic Trees and Ancient Timber Structures in China. Forests. 2021; 12(3):318. https://doi.org/10.3390/f12030318

Chicago/Turabian Style

Xu, Pengfei, Cheng Guan, Houjiang Zhang, Guanghui Li, Dong Zhao, Robert J. Ross, and Yinlan Shen. 2021. "Application of Nondestructive Testing Technologies in Preserving Historic Trees and Ancient Timber Structures in China" Forests 12, no. 3: 318. https://doi.org/10.3390/f12030318

APA Style

Xu, P., Guan, C., Zhang, H., Li, G., Zhao, D., Ross, R. J., & Shen, Y. (2021). Application of Nondestructive Testing Technologies in Preserving Historic Trees and Ancient Timber Structures in China. Forests, 12(3), 318. https://doi.org/10.3390/f12030318

Note that from the first issue of 2016, this journal uses article numbers instead of page numbers. See further details here.

Article Metrics

Back to TopTop