Next Article in Journal
Integrating Artificial Intelligence, Internet of Things, and Sensor-Based Technologies: A Systematic Review of Methodologies in Autism Spectrum Disorder Detection
Next Article in Special Issue
DLMinTC+: A Deep Learning Based Algorithm for Minimum Timeline Cover on Temporal Graphs
Previous Article in Journal
Multi-Component Temporal-Correlation Seismic Data Compression Algorithm Based on the PCA and DWT
 
 
Font Type:
Arial Georgia Verdana
Font Size:
Aa Aa Aa
Line Spacing:
Column Width:
Background:
Article

Enhancing Hydraulic Efficiency of Pelton Turbines Through Computational Fluid Dynamics and Metaheuristic Optimization

by
Guillermo Barragan
1,2,3,
Sebastian Atarihuana
1,
Edgar Cando
1,4 and
Victor Hidalgo
1,3,4,*
1
Laboratorio de Mecánica Informática, Escuela Politécnica Nacional (EPN), Quito 170517, Ecuador
2
Aeronáutica y del Espacio, Universidad Politécnica de Madrid (UPM), 28040 Madrid, Spain
3
Carrera de Pedagogía Técnica de la Mecatrónica, Facultad de Filosofía, Letras y Ciencias de la Educacipon, Universidad Central del Ecuador, Quito 170129, Ecuador
4
Departamento de Ingeniería Mecánica, Escuela Politécnica Nacional (EPN), Quito 170517, Ecuador
*
Author to whom correspondence should be addressed.
Algorithms 2025, 18(1), 35; https://doi.org/10.3390/a18010035
Submission received: 12 November 2024 / Revised: 1 January 2025 / Accepted: 2 January 2025 / Published: 9 January 2025

Abstract

In this work, the NSGA-II multi objective genetic algorithm, numerical methods, and parametric design techniques found in the Autodesk Inventor professional 2023 CAD software were combined to perform the geometrical optimization of the Pelton bucket geometry. The validation of the proposed method was carried out with numerical simulations using the OpenFOAM CFD program and taking into account the case study turbine’s operating conditions, as well as the k-SST turbulence model. The CFD simulation results and operational data from the case study turbine from the “Illuchi N°2” hydrocenter have been compared in order to validate the proposed methodology. The implementation of the NSGA-II in the design process resulted in optimized bucket geometrical parameters: bucket length, width, inlet angle, and outlet angle. These parameters not only resulted in a 2.56% increase in hydraulic efficiency, but also led to a 0.1 [kPa] reduction in the maximum pressure at the bottom of the bucket. Further research will involve testing these parameters using 3D printing methods to validate their effectiveness.

1. Introduction

Assuring that everyone has access to affordable, dependable, sustainable, and contemporary energy is one of the Sustainability Development Goals (SDG) included in the 2030 Agenda accepted by United Nations (UN) members [1]. Due to its inherent technological, economic, and environmental advantages over other renewable energy technologies like solar, wind, and geothermal power, hydropower is regarded as an alternative to meet the UN’s objective [2]. As the greatest renewable energy source, hydropower generates roughly 16% of the world’s total energy [3]. Utilizing a turbine–generator mechanism, hydropower plants use the kinetic energy present in moving water to produce electricity. Hydropower technology adoption, upgrading, and repowering have been prioritized in wealthy nations like China, Canada, and Norway. In 2021, countries in South America like Brazil, Argentina, and Ecuador were considered among the top 30 countries with the most combined hydropower capacity in the world [4].
Since 2007, the Ecuadorian government has invested approximately 6 billion US dollars in the construction and repowering of large, medium-size, and small-scale hydrocenters to satisfy the increasing energy demands of the population [5]. Currently in Ecuador, 62.45% of the total effective power is generated by 31 large hydropower plants in operation (capacity above 10 MW) and 41 small, mini, and micro centers (capacity below 10 MW), which are mostly equipped with Pelton and Francis turbines [6]. Despite having a 296 [MW] small hydropower potential capacity, Ecuador has a total small hydropower installed capacity of 98.2 MW [7]. In this context, harvesting small hydro potential can be economically viable, and the correct usage of the remaining 66% can be used to achieve the above-mentioned SDG.
The Pelton turbine was invented by Lester Allan Pelton in the early 1880s, and is considered one of the most efficient among hydraulic turbines. This turbine is suitable for high heads (60 to 1500 m) and relatively low flow rates [8]. Pelton turbines are widely used in small hydro approaches due to their high efficiencies at different loads (between 60% and 80%), which can be translated as an adequate use of energy in unfavorable conditions, such as dry and rainy seasons [9]. Despite the age of the technology, there are still unsolved questions about the physics of Pelton turbines that continue to incentivize the research interest in the field. Most of the advancements made in the study of Pelton turbines by commercial energy companies are not readily accessible due to confidentiality policies. However, there is a significant amount of research being conducted around the world focused on the reduction of the design cycle and the design cost of Pelton turbines using numerical simulation tools and optimization methods [10,11].
The study of the Pelton’s wheel bucket has been of particular interest in research, due to the unsteady behavior of the free-surface flow during the interaction between the high-speed jet and the bucket itself. Thus, both hydraulic efficiency and structural strength analyses should be taken into account during the design process of the Pelton bucket [12]. Numerical methods such as computational fluid dynamics (CFD) have been widely used in the investigation, design, and optimization of hydraulic machinery. In the early stages, the application of CFD in Pelton turbine research was focused on the flow analysis inside the bucket. In 2000, Hana used both commercial software FLOW-3D and CFX-4 to simulate the behavior of the flow through rotating buckets, obtaining promising results between the theoretical and numerical results [13]. In 2006, Perrig et al. accurately recreated the free-surface flow in a Pelton turbine bucket using unsteady numerical simulations, and validated those results with experimental data [14]. Zoppé et al. performed experimental and numerical studies of the flow inside a Pelton turbine under fixed configurations, obtaining a low relative difference between calculated and simulated results [15].
The advancements in CFD have significantly contributed to enhancing the understanding of flow processes in Pelton runners. Today, CFD tools are no longer used just for theoretical analysis; they have become reliable optimization tools for hydraulic machinery. In their work, Solemsile and Dahlhaug [10] proposed a Pelton runner design methodology based on the application of non-uniform rational B-splines during the bucket modeling process, coupled with the usage of the CFD commercial software CFX. The methodology resulted in a maximum hydraulic efficiency of 84% for the Pelton runner design. Židonis developed an optimization methodology taking into account 12 Pelton runner design parameters, and numerical simulation results showed an efficiency increase of 2.5% after reducing the number of buckets and the exit angle to the lowest possible [16,17]. Vessaz et al. presented an optimization strategy to enhance Pelton turbine efficiency based on a 21-parameter parametric model of the bucket geometry and FVPM numerical simulations. Due to the complexity of managing 21 parameters, a dimension reduction was performed showing that the exit angle, tilt angle, length-to-width ratio, depth-to-width ratio, and pitch diameter are the design parameters with a higher impact on the turbine performance [11].
Due to efficiency in terms of both time and money, cut-out edge optimization techniques are widely used in all the design processes. The design and optimization of hydraulic machinery have seen extensive use of evolutionary algorithms, which are the most representative of global optimization techniques. A Francis turbine runner was optimized by Kontoleonltos et al. using the EASY optimization program and a hierarchical approach in conjunction with CFD, leading to a 0.15% gain in hydraulic efficiency [18]. When designing the Pelton bucket, Židonis, and Panagiotopoulos used the EASY software and CFD simulations to boost efficiency by 6.8% [19]. In a similar vein, Bhattahari et al. developed a method to improve the hydraulic efficiency of the runner by 13.21%, by optimizing the design of a Pelton bucket using a genetic algorithm linked with the Smoothed Particle Hydrodynamics (SPH) method [20].
This study aims to provide a novel methodology for the Pelton bucket’s design and optimization, using metaheuristic optimization techniques such as evolutionary algorithms coupled with CFD numerical simulations. As described above, almost all the numerical simulations available in the literature were performed using commercial software. This research is focused on the use of open-source software, such as OpenFOAM 9 and the multi-objective, elitist Non-Dominated Sorting Genetic Algorithm (NSGA-II) available in the Python optimization library “pyMOO”. To demonstrate the validity of the methodology, an operating Pelton turbine has been selected as a case study.

Case Study: “Illuchi N° 2” Hydropower Center

The “Illuchi N°2” is a small-scale hydrocenter. It is property of the public company ELEPCO S.A and is located in the Ecuadorian North Andean region, specifically in Latacunga city. This plant is powered by two Theodore Bell and Cia Pelton-type generation units described in Table 1, and has an installed capacity of 5.523 [kW] and 6.5 [MVA]. It is worth mentioning that the “Illuchi N°2” power plant works with turbinated water from the “Illuchi N°1” center and frees the water to the Illuchi River.
Generation unit number two has been chosen as the subject of study. This turbine operates with a head of 327 m, a nominal water flow of 0.95 [m3/s], an output power of 2675 [kW], and a rotational speed of 720 [RPM]; these conditions are the ones used for the design of the Pelton bucket and the numerical analysis.

2. Materials and Methods

The methodology proposed for the optimization of the Pelton wheel bucket design is detailed in Figure 1 and consists of three main steps: the design and characterization of the runner, geometry optimization, and numerical simulation. The design and characterization stage involves the literature-based design method of Pelton buckets and 3D parametric modeling using CAD. The geometry optimization phase includes implementing bucket design parameters in the NSGA-II algorithm and selecting target functions. Finally, the last phase, numerical simulation, encompasses the development of a 3D computational domain, mesh development, grid independence analysis, definition of boundary conditions, and simulation parameters. The last phase aims to assess the validity of the proposed optimization method for the design of Pelton turbines.

2.1. Design and Characterization of the Runner

There is no general or standardized method publicly available for the design of Pelton turbines [21]. A guidebook for the technical design, standardization, and construction of small-scale hydropower plant equipment, issued in 1988 by the Latin American Energy Organization (OLADE), offers a visual method for the geometrical characterization of Pelton wheels [22]. The aforementioned design process serves as the foundation for the current investigation.
The Pelton wheels dimensioning process takes into account the location of the power plant and hydrological characteristics to define the turbine height H and water flow Q . These parameters enable the determination of the Pelton diameter D P , with the following expression:
D P = 84.54 × K u × H 1 3 N .
where K u is the rotational speed coefficient (take values of 0.44), and N is the rotational speed of the runner in [RPM]. The high-speed water jet d can be calculated using the following formula:
d = 0.545 Q H 1 2 .
The number of buckets of the Pelton wheel Z is determined by the relation between the Pelton diameter and jet diameter D p d , as shown in Table 2.
The orientation of the bucket’s edge in the Pelton wheel is geometrically defined by the tangent line of a circle with the diameter of D o , while the orientation of the bucket’s splitter is determined by the tangent line of a circle with a dimeter of D 0 , as shown in Figure 2. Both parameters are calculated using the following expressions:
D P D o = 7.87 D P d 26 Z
D 0 D P = 5.3 0.12 D P d Z
The Pelton bucket geometry is composed of two ellipsoids joined by an edge called a splitter, which divides the water jet into two parts. The graphic design method (see Figure 3) proposed by OLADE considers that the bucket geometry dimensions are proportional to the high-speed water jet diameter d . Table 3 comprises the design ranges of the bucket design parameters, and these values have been obtained by experimental studies.

2.2. Pelton Bucket Geometry Optimization

To obtain the bucket’s optimal geometry for improving hydraulic efficiency η h and reducing energy losses P w i , metaheuristic optimization methods have been considered. These methods search for an approximate optimal solution to a problem without considering its convergence in only one value (or set of values), providing accurate results with fewer computational costs [23].
Genetic algorithms are metaheuristic-based evolutionary algorithms capable of generating high-quality solutions for optimization problems. These algorithms are an analogy of the natural behavior of living things and evolutionary theory, and start with an initial population of unique random candidate solutions with their own properties or genome. Every solution’s suitability is evaluated as an objective function of the optimization problem being solved. As in natural system evolution, over generations, the new offspring are obtained by the crossover and mutation of the previous population’s individual characteristics, to make the new candidates more suitable to solve the problem.
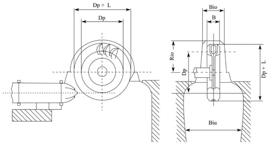
In this study, the hydraulic efficiency, friction, and windage losses expressions provided by [24] have been taken into account for the optimization of the Pelton bucket geometry. While Zhang’s hydraulic efficiency formula considers geometrical features of the bucket such as the exit angle β 1 , inlet angle β 2 , and peripherial speed coefficient K u , the EIC60041 standard [25] friction and windage losses formula considers the length L , width B , and the casing dimensions B i o , B i u , R i o , better described in Figure 4.
η h = 2 k u 1 k u 1 c o s β 2 2 + 2 k u 1 k u c o s β 2 2 c o s β 1
P w i = 15 w 3 ( D P + L ) 5 B D P + L 1 4 B i o D P + L 3 4 B i u D P + L 5 4 R i o D P + L 7 4

2.3. Optimization Algorithm

The NSGA-II optimization algorithm has been selected for the bucket’s geometry optimization, where the hydraulic efficiency [24] and the EIC60041 standard friction and windage losses are the objective functions. Besides other optimization algorithms, the NSGA-II is characterized by fast non-dominated sorting, a parameter-free crowding distance, and its use of a candidate elitism selection scheme. A Pareto front is used to show the optimal candidates of each iteration of the optimization process, where the horizontal and vertical axes correspond to the hydraulic efficiency and friction and windage losses, respectively.
The fast non-dominated sorting approach considers two entities: the number of solutions dominating each candidate ( n p ) and the number of solutions dominated by each candidate ( s p ) for each one of the objective functions. The solutions where n p = 0 conform to the first front, while the subsequent fronts are filled up iteratively by decrementing the domination counts of solutions s p . To maintain population diversity, the implemented parameter-free crowding distance metric estimates the density of solutions surrounding a particular candidate in the population, calculating the average distance of two solutions along each of the objective functions. Finally, the candidate elitism selection scheme controls the most suitable candidates of each generation being the only ones available for crossover and mutation.
The bucket’s geometrical parameters considered part of the candidate solution genome are as follows: β 1 , β 2 , L , and B , and their corresponding values were selected between the ranges described in Table 3. The casing dimensions B i o , B i u , R i o , and D P are also considered.
The implemented NSGA-II starts with an initial population, referred to as parents. Each parent is evaluated with both defined objective functions and sorted regarding the non-dominance approach, seeking the best solution candidates. These candidates are considered the “elite” and are used for the generation of new solutions through genetic operators such as crossover and mutation, always keeping the diversity. This process continues iteratively for a defined number of generations.
The initial population number is 100 and consists of different combinations of the above-mentioned design parameters. The stopping criterion considered for the algorithm is the maximum number of generations; this number must be considered adequate when the solutions converge into a specific value (considered the optimal solution). The initial parameters of the algorithm are described in Table 4.

2.4. Geometry

The 3D model for the Pelton bucket CDF numerical simulations was created using Autodesk Inventor parametric design tools. By changing the value of a parameter, shortening the modeling process, and automating the design, these software tools can modify the design dimensions. To create an appropriate parametric 3D model, the geometric relationships and restrictions between each parameter must be properly defined (Figure 5). Due to its symmetrical characteristics, only one half of the Pelton bucket has been modeled. B-splines were used to create the bucket’s internal surface in consideration of research conducted by [10,17,19,26], which was carried out on the surface of buckets (Figure 6).
To obtain a solid model to perform numerical simulations, different Boolean operations available in Autodesk Inventor 2023 such as “thicken” and “extrusion” have been applied. The resultant 3D solid model of the Pelton bucket can be observed in Figure 7.
The Pelton bucket geometry of the case study “Illuchi N°2” operating turbine was obtained in previous studies [27] applying 3D scan reverse engineering techniques, as shown in Figure 8. The main geometric parameters of the bucket are detailed in Table 5.

2.5. Numerical Simulation

For the sake of this study, numerical simulations have been performed as a verification of the proposed methodology. CFD simulations have been realized for recreating the operation of the case study Pelton turbine and predicting the efficiency of the optimized model.
CFD simulations have been carried out using the open-source CFD software OpenFOAM, which has been reported by [27,28] to provide high-accuracy numerical results in Pelton turbine research. As shown in Figure 9, the computational domain is composed of two regions: rotating and stationary. To reduce the computational cost of the simulation, just a section comprised of only three half buckets has been taken into account according to the methodology proposed by [29].
Two interconnected hexa-dominant meshes with refinements between the buckets and the jet walls were produced because of the discretization of both stationary and rotatory computational domains using the built-in OpenFOAM meshing program “snappyHexMesh” (Figure 10). The relative motion characteristic in the operation of the Pelton turbine has been replicated using the Arbitrary Coupled Motion Interface (ACMI) boundary condition provided in OpenFOAM version 8, taking into account the operational parameters of the “Illuchi N°2” hydro powerplant listed in Table 1.
Using the OpenFOAM interFoam solver for incompressible, isothermal, and immiscible fluids, a two-phase approach in a transient state study was carried out to replicate the flow behavior across the bucket surface precisely. Based on earlier research [28]. the k-SST turbulence model was selected. Because the courant number plays a crucial role in numerical simulation, a time-adaptive system with an initial timestep of 1 × 10 6 [s] and a maximum courant value of 1 has been established.
The CFD simulation boundary conditions are based on the operating conditions of the “Illuchi N2” turbine detailed in Table 1. Because the domain has been split in half, “symmetry” boundary conditions have been set on the “SymRot” and “SymStat” patches. The “JET_WALL” and “BUCKETS” patches were set under the condition of non-slip wall boundary. The “JET_INLET” patch represents the region where water is introduced to the domain and has a “flowRateInletVelocity” boundary condition, while all other regions are considered open to the environment with a “zeroGradient” boundary condition. The interface between the rotating and stationary domains is achieved by using the “cyclicACMI” boundary condition. Detailed information about the boundary conditions of the simulation can be found in Table A1 and Table A2.

3. Results and Discussion

This section analyzes the various outputs of the suggested methodology as it was put into practice in the “Illuchi N°2” operational Pelton generation unit. The original bucket geometry was first validated by a CFD numerical simulation using the “Illuchi N°2” operating turbine data. The results of design and optimization were then displayed. To find optimized bucket geometries, the numerical and real data were analyzed.

3.1. Validation of the Numerical Simulation

The grid independence analysis was carried out taking into account three different meshes (coarse, mid, and fine) described in Table 6. This procedure assures the accuracy of the numerical results, considering its computational cost. As shown in Figure 11, the simulated torque results in the bucket located in the middle using the “course”, “mid”, and “fine” meshes converge during the transient analysis. The simulations performed using the denominated “mid” mesh lasted approximately eight hours and displayed a relative error between the real torque (16,695.92 [Nm]) and simulated torque (16,095 [Nm]) of 3.59%. Thus, CFD analyses were performed using the “mid” mesh parameters. Is it worth mentioning that the y+ on the simulation for the three grids tested was lower than 300, which is common in this kind of application [28].
In Figure 12, which depicts the behavior of the three buckets over time, a periodic pattern indicative of the operation of a Pelton turbine can be seen. According to [28], only the middle bucket was examined, because it was the only one affected by the prior and following buckets in the flow during turbine operation. At t = 0.033 [s], the maximum simulated torque value was 16,095 [Nm], with a calculated hydraulic efficiency of 79.64%.
The pressure distribution on the bucket surface is depicted in Figure 13 at various pressure levels, with a maximum pressure of 1.7 × 10 6 [kPa] at t = 0.033 [s], or the moment the water jet fully strikes the bucket. The maximum pressure region is as expected at the bottom of the bucket, and as the bucket advances, its area grows. A major contributor to cavitation, according to [24], is the Pelton bucket cutout, which has a minimum pressure of 1.5 × 10 6 [kPa] at t = 0.033 [s].

3.2. Design and Optimization Results

The NSGA-II algorithm implemented in the design process provided four optimized geometry solutions, which are detailed in Table 7 and plotted in the Pareto front shown in Figure 14. These optimal solutions show convergence into the same values of B, L, β 1 , and β 2 , while there is not a remarkable difference between the hydraulic efficiency calculations and the fiction and windage losses shown in the inferior left front of the Pareto graph. Thus, only a geometry of B = 24 [cm], L = 24 [cm], β 1 = 4 ° , and β 2 = 170 ° was chosen for the following analyses.
The three-bucket simulation revealed a periodic pattern (Figure 15), and the optimized bucket design exhibited a maximum torque in the middle bucket of 16,611 [Nm] at t = 0.032 [s] and a hydraulic efficiency of 82.21%. According to Figure 16, the greatest pressure zone is situated at the bottom of the bucket, and has a value of 1.6 × 10 6 [kPa] at t = 0.032 [s], while the minimum pressure zone is situated close to the bucket cutout, and has a value of 2.7 × 10 6 [kPa] at t = 0.032 [s].

3.3. Validation of the Optimization Method

By comparing the simulated torques of the center bucket for the original (B = 26 [cm], L = 23 [cm]) and optimized (B = 24 [cm], L = 24 [cm]) geometries, the optimization method’s validity was tested. The optimized geometry torque (16,611 [Nm]) is 2.57% more than the original one (16,095 [Nm]) and is struck by the high-speed water jet earlier in Figure 17, where both the original and optimized torque measurements are displayed. The link between the calculations for torque and efficiency means that as the percentage of the maximum simulated torque increases, efficiency rises as well.
The efficiency was calculated by the expression:
η T r u b = T m a x × N ρ g H Q .
where T m a x is the maximum torque, N is the rotational speed of the runner, ρ is the density of the water, H the height, and Q the water flow. The efficiency of both the original and optimized buckets was calculated using the maximum simulated torque and is summarized in Table 8.
As mentioned above, the optimized geometry displayed a maximum pressure 5% lower than the one obtained with the original geometry distributed in a greater area, which is explained by the smoothness of the bucket surface and the decreasing of the angles β 1 and β 2 . The present study showed that with B L = 1 and reducing the inlet and exit angles to their lowest possible value, an efficiency increase is achieved, which agrees with the studies carried out by [16,19].

4. Conclusions

Using metaheuristic methods and computational numerical modeling, the current work proposed a methodology for the design and optimization of Pelton turbines. The subsequent conclusions can be taken from the results:
By using the suggested methods, it was possible to obtain an improvement in turbine efficiency of the “Illuchi N°2” power plant of about 2.56%. As a result, the ELEPCO SA company will better utilize its energy resources and generate more revenue.
The set of optimal solutions resulting from the implementation of the NSGA-II genetic algorithm tends to converge towards the values of B L = 1 , β 1 = 4°, and β 2 = 170°. This is in line with the studies conducted by Židonis regarding the optimization of Pelton turbines.
Using a mesh made up of 1,294,299 elements, a maximum simulation error of 3.59% was obtained in comparison to the operational data. To ascertain the results’ independence from the element count, this mesh was previously examined. Furthermore, residual values that were less than 1 × 10 6 were noted. This leads to the conclusion that the phenomenon is satisfactorily reproduced by the computational numerical simulation.
Further work must be performed involving experimental work and considering other determinant parameters of Pelton turbines, such as the nozzle, spear, and penstock, which play a significant role in overall efficiency. Also, 3D-printed runners must be manufactured as a cost-effective way to test the optimized bucket’s geometry.
The proposed optimization methodology shows an efficiency improvement across numerical simulation results, which may be reflected on real operating turbines.

Author Contributions

Conceptualization, G.B. and V.H.; methodology, G.B. and E.C.; software, G.B. and S.A.; validation, G.B., V.H. and S.A.; formal analysis, G.B., V.H. and E.C.; investigation, G.B.; resources, V.H. and E.C.; data curation, G.B. and E.C.; writing—original draft preparation, G.B.; writing—review and editing, V.H. and E.C.; visualization, G.B. and S.A.; supervision, V.H. and E.C.; project administration, V.H.; funding acquisition, V.H. All authors have read and agreed to the published version of the manuscript.

Funding

This research was funded by the Escuela Politécnica Nacional through the research project PIS-22-17: “Study of non-planar additive manufacturing through 3D printing with a modified low-cost printer” and project PIIF-23-04: “Thermographic Study of the Influence of Temperature Variations in 3D Printing with Bowden Technology Applied to Automotive Components Printing”.

Data Availability Statement

The original contributions presented in the study are included in the article, further inquiries can be directed to the corresponding author.

Conflicts of Interest

The authors declare that they have no conflicts of interest.

Appendix A

Table A1. Boundary conditions of the simulation, where “*” denotes all the buckets available in the domain.
Table A1. Boundary conditions of the simulation, where “*” denotes all the buckets available in the domain.
Id. PatchUP_rghAlpha.WaterK
SymRotsymmetrysymmetrysymmetrysymmetry
JET_INLETflowRateInletVelocityzeroGradientfixedValueturbulentIntensityKineticEnergyInlet
JET_WALLnoSlipfixedFLuxPressurezeroGradientkqRWallFunction
STAT_EXTpressureInletOutletVelocitytotalPressureinletOutletzeroGradient
STAT_INFERIORpressureInletOutletVelocitytotalPressureinletOutletzeroGradient
STAT_LATpressureInletOutletVelocitytotalPressureinletOutletzeroGradient
STAT_SUPpressureInletOutletVelocitytotalPressureinletOutletzeroGradient
BUCKET_*movingWallVelocityfixedFLuxPressurezeroGradientkqRWallFunction
ROT_INFpressureInletOutletVelocitytotalPressureinletOutletzeroGradient
ROT_INTpressureInletOutletVelocitytotalPressureinletOutletzeroGradient
ROT_LATpressureInletOutletVelocitytotalPressureinletOutletzeroGradient
ROT_SUPpressureInletOutletVelocitytotalPressureinletOutletzeroGradient
ACMI_blockagepressureInletOutletVelocitytotalPressureinletOutletzeroGradient
ACMI_couplecyclicACMIcyclicACMIcyclicACMIcyclicACMI
Table A2. Boundary conditions of the simulation, where “*” denotes all the buckets available in the domain.
Table A2. Boundary conditions of the simulation, where “*” denotes all the buckets available in the domain.
Id. PatchEpsilon OmegaNut
SymRotsymmetrysymmetrysymmetry
JET_INLETturbulentMixingLengthDissipationRateInletturbulentMixingLengthDissipationRateInletcalculated
JET_WALLepsilonWallFunctionomegaWallFunctionnutkWallFunction
STAT_EXTzeroGradientinletOutletcalculated
STAT_INFERIORzeroGradientinletOutletcalculated
STAT_LATzeroGradientinletOutletcalculated
STAT_SUPzeroGradientinletOutletcalculated
BUCKET_*epsilonWallFunctionomegaWallFunctionnutkWallFunction
ROT_INFzeroGradientinletOutletcalculated
ROT_INTzeroGradientinletOutletcalculated
ROT_LATzeroGradientinletOutletcalculated
ROT_SUPzeroGradientinletOutletcalculated
ACMI_blockagezeroGradientinletOutletcalculated
ACMI_couplecyclicACMIcyclicACMIcyclicACMI

References

  1. United Nations. The 2030 Agenda and the Sustainable Development Goals an Opportunity for Latin America and the Caribbean Goals, Targets and Global Indicators. 2019. Available online: www.cepal.org/en/suscripciones (accessed on 16 April 2023).
  2. Paris, F.; Hydropower, C.; Ottawa, A.; Canada, O. Hydropower and the World’s Energy Future; International Hydropower Association: Compton, CA, USA; International Commission on Large Dams: West Sussex, UK, 2000. [Google Scholar]
  3. Installed Global Hydropower Capacity Could Reach 1200 GW in 2022, Report Says. Available online: https://www.hydroreview.com/hydro-industry-news/installed-global-hydropower-capacity-could-reach-1200-gw-in-2022-report-says/#gref (accessed on 26 February 2023).
  4. International Hydropower Association. 2022 Hydropower Status Report. 2022. Available online: https://assets-global.website-files.com/5f749e4b9399c80b5e421384/63a1d6be6c0c9d38e6ab0594_IHA202212-status-report-02.pdf (accessed on 27 February 2023).
  5. Carvajal, P. The Long-Term Role of Hydropower in Ecuador’s Power System: Assessing Climate Change and Cost Uncertainties. Ph.D. Thesis, University College London, London, UK, 2019. Available online: https://discovery.ucl.ac.uk/id/eprint/10072694/1/CARVAJAL_PhD_2019_FINAL.pdf (accessed on 19 April 2023).
  6. Minaya, V.G.; Haro, P.L.; Guerra, M.J. Ecuador: Small Hydropower and Framework Conditions. Available online: https://www.hyposo.eu/pdf/7_Maldonado_V.pdf (accessed on 1 May 2023).
  7. Liud, D.; Liu, H.; Wang, X.; Kremere, E. World Small Hydropower Development Report 2019. 2019. Available online: www.smallhydroworld.org (accessed on 1 May 2023).
  8. Díez, P.F. Departamento de Ingenieria Electrica y Energetica Universidad de Cantabria Turbinas Hidráulicas. Available online: https://www.academia.edu/11445288/DEPARTAMENTO_DE_INGENIERIA_ELECTRICA_Y_ENERGETICA_TURBINAS_HIDR%C3%81ULICAS (accessed on 8 March 2023).
  9. Carlos, J.; Cortés, E.; Palma, R.; Williams, B.; Muñoz, C.; De Chile, S. DISEÑO DE RODETE DE TURBINA HIDRÁULICA TIPO PELTON PARA MICROGENERACIÓN MEMORIA PARA OPTAR AL TÍTULO DE INGENIERA CIVIL MECÁNICA LORENA ANDREA FERRADA SEPÚLVEDA PROFESOR GUÍA. Undergraduate Thesis, Universidad de Chile, Santiago, Chile, 2012. Available online: https://repositorio.uchile.cl/bitstream/handle/2250/112366/cf-ferrada_ls.pdf (accessed on 1 January 2025).
  10. Solemslie, B.W.; Dahlhaug, O. A reference pelton turbine-design and efficiency measurements. IOP Conf. Ser. Earth Environ. Sci. 2014, 22, 012004. [Google Scholar] [CrossRef]
  11. Vessaz, C.; Andolfatto, L.; Avellan, F.; Tournier, C. Toward design optimization of a Pelton turbine runner. Struct. Multidiscip. Optim. 2017, 55, 37–51. [Google Scholar] [CrossRef][Green Version]
  12. Kumashiro, T.; Fukuhara, H.; Tani, K. Unsteady CFD simulation for bucket design optimization of Pelton turbine runner. IOP Conf. Ser. Earth Environ. Sci. 2016, 49, 022003. [Google Scholar] [CrossRef]
  13. Hana, M. Numerical analysis of non-stationary in a Pelton bucket he surface flow. Ph.D. Thesis, Norwegian University of Science and Technology, Trondheim, Norway, 2000. Available online: https://www.osti.gov/etdeweb/servlets/purl/20104253 (accessed on 1 January 2025).
  14. Perrig, A.; Avellan, F.; Kueny, J.L.; Farhat, M.; Parkinson, E. Flow in a pelton turbine bucket: Numerical and experimental investigations. J. Fluids Eng. Trans. ASME 2006, 128, 350–358. [Google Scholar] [CrossRef]
  15. Zoppé, B.; Pellone, C.; Maitre, T.; Leroy, P. Flow Analysis Inside a Pelton Turbine Bucket. J. Turbomach. 2006, 128, 500–511. [Google Scholar] [CrossRef]
  16. Zidonis, A. Optimisation and efficiency improvement of pelton hydro turbine using computational fluid dynamics and experimental testing. Doctoral Thesis, Lancaster University, Lancaster, UK, 2015; 197p. Available online: https://www.research.lancs.ac.uk/portal/en/publications/optimisation-and-efficiency-improvement-of-pelton-hydro-turbine-using-computational-fluid-dynamics-and-experimental-testing(6a524e4e-035d-4a0f-a1e6-e639a5a6c245)/export.html (accessed on 1 January 2025).
  17. Židonis, A.; Aggidis, G.A. State of the art in numerical modelling of Pelton turbines. Renew. Sustain. Energy Rev. 2015, 45, 135–144. [Google Scholar] [CrossRef]
  18. Kontoleontos, E.; Zormpa, M.; Nichtawitz, S.; MacK-Sahl, D.; Weissenberger, S. Multilevel design optimization of hydraulic turbines based on hierarchical metamodel-assisted evolutionary algorithms. IOP Conf. Ser. Earth Environ. Sci. 2019, 240, 022035. [Google Scholar] [CrossRef]
  19. Židonis, A.; Panagiotopoulos, A.; Aggidis, G.A.; Anagnostopoulos, J.S.; Papantonis, D.E. Parametric optimisation of two Pelton turbine runner designs using CFD. J. Hydrodyn. 2015, 27, 403–412. [Google Scholar] [CrossRef]
  20. Bhattarai, S.; Dahal, K.; Vichare, P.; Mishra, B. CFD Based Stochastic Optimization of Pelton Turbine Bucket in Stationery Condition. In Proceedings of the 2018 9th International Conference on Mechanical and Aerospace Engineering, ICMAE 2018, Budapest, Hungary, 10–13 July 2018; pp. 53–57. [Google Scholar] [CrossRef]
  21. Lee, Y.-H. “5 kW and 100 kW Pelton Turbine Design and Performance Analysis for Air Injected Operation”. 2008. Available online: http://repository.kmou.ac.kr/handle/2014.oak/11659 (accessed on 1 January 2025).
  22. Carlos, H.; Enrique, I. APUNTES PARA UN MANUAL TECNICO DE DISEÑO, ESTANDARIZACION Y FABRICACION DE EQUIPOS PARA PEQUEÑAS CENTRALES HIDROELECTRICAS; Organización Latinoamericana de Energía: Quito, Ecuador, 1988. [Google Scholar]
  23. Bandaru, S.; Deb, K. Metaheuristic Techniques. Available online: https://projects.coin-or.org/metslib (accessed on 30 March 2023).
  24. Zhang, Z. Pelton Turbines; Springer: Zurich, Switzerland, 2016. [Google Scholar]
  25. IEC Standard 60041; Field Acceptance Tests to Determine the Hydraulic Performance of Hydraulic Turbines, Storage Pumps and Pump-Turbines. International Electrotechnical Commission: Geneva, Switzerland, 1998.
  26. Hidalgo, V.; Barragán, G.; Parra, C.; Cando, E.; Simbaña, S.; Velasco, M.; Erazo, J.; Mena, S.; Gonzáles-Palua, I.; Pérez-Sánchez, M.; et al. Optimization of a Pelton impeller geometry for particulate flow using numerical simulation. Mater. Today Proc. 2022, 49, 161–166. [Google Scholar] [CrossRef]
  27. Hidalgo, V.; Díaz, C.; Erazo, J.; Simbaña, S.; Márquez, D.; Puga, D.; Velasco, R.; Mafla, C.; Barragán, G.; Parra, C.; et al. Simplified simulation of a small Pelton turbine using OpenFOAM. IOP Conf. Ser. Earth Environ. Sci. 2021, 774, 012075. [Google Scholar] [CrossRef]
  28. Hidalgo, V.; Simbaña, S.; López-Jiménez, P.A.; Pérez-Sánchez, M. Numerical study of flow behaviour in the buckets of turbine Pelton using OpenFOAM. In Proceedings of the 39th IAHR World Congress From Snow to Sea, Granada, Spain, 19–24 June 2022; pp. 3928–3934. [Google Scholar] [CrossRef]
  29. Solemslie, B.W. Experimental Methods and Design of a Pelton Bucket. 2016. Available online: https://ntnuopen.ntnu.no/ntnu-xmlui/handle/11250/2399557 (accessed on 10 May 2023).
Figure 1. Methodological flowchart.
Figure 1. Methodological flowchart.
Algorithms 18 00035 g001
Figure 2. Disposition of the buckets in the Pelton wheel.
Figure 2. Disposition of the buckets in the Pelton wheel.
Algorithms 18 00035 g002
Figure 3. Pelton buckets’ graphic design method.
Figure 3. Pelton buckets’ graphic design method.
Algorithms 18 00035 g003
Figure 4. EIC60041 standard geometric parameters for the friction and windage losses calculation.
Figure 4. EIC60041 standard geometric parameters for the friction and windage losses calculation.
Algorithms 18 00035 g004
Figure 5. Parametric design of the bucket contour (a) XY plane and (b) YZ plane.
Figure 5. Parametric design of the bucket contour (a) XY plane and (b) YZ plane.
Algorithms 18 00035 g005
Figure 6. (a) Inner surface B-splines, (b) inner surface of the bucket.
Figure 6. (a) Inner surface B-splines, (b) inner surface of the bucket.
Algorithms 18 00035 g006
Figure 7. Resultant Pelton bucket 3D model.
Figure 7. Resultant Pelton bucket 3D model.
Algorithms 18 00035 g007
Figure 8. The 3D scan and resultant surface of the operating Pelton turbine.
Figure 8. The 3D scan and resultant surface of the operating Pelton turbine.
Algorithms 18 00035 g008
Figure 9. Computational domains of the CFD simulation. (A) Rotatory domain and (B) stationary domain.
Figure 9. Computational domains of the CFD simulation. (A) Rotatory domain and (B) stationary domain.
Algorithms 18 00035 g009
Figure 10. Resulting mesh for the CFD simulation.
Figure 10. Resulting mesh for the CFD simulation.
Algorithms 18 00035 g010
Figure 11. Mesh independence study performed using three different meshes: coarse, mid and fine. (a) Full-scale torque curves for the mesh independence. (b) Magnified torque curves.
Figure 11. Mesh independence study performed using three different meshes: coarse, mid and fine. (a) Full-scale torque curves for the mesh independence. (b) Magnified torque curves.
Algorithms 18 00035 g011
Figure 12. Simulated torque vs. time of the original bucket geometry.
Figure 12. Simulated torque vs. time of the original bucket geometry.
Algorithms 18 00035 g012
Figure 13. Pressure distribution on the original bucket surface at different time instants.
Figure 13. Pressure distribution on the original bucket surface at different time instants.
Algorithms 18 00035 g013
Figure 14. Pareto front of the optimized geometries in the 99th generation.
Figure 14. Pareto front of the optimized geometries in the 99th generation.
Algorithms 18 00035 g014
Figure 15. Simulated torque vs. time of the optimized bucket geometry.
Figure 15. Simulated torque vs. time of the optimized bucket geometry.
Algorithms 18 00035 g015
Figure 16. Pressure distribution on the optimized bucket surface at different time instants.
Figure 16. Pressure distribution on the optimized bucket surface at different time instants.
Algorithms 18 00035 g016
Figure 17. Simulated torque vs. time of the optimized and original geometries.
Figure 17. Simulated torque vs. time of the optimized and original geometries.
Algorithms 18 00035 g017
Table 1. Specifications of the generation units installed in the “Illuchi N°2” power plant.
Table 1. Specifications of the generation units installed in the “Illuchi N°2” power plant.
SpecificationsGeneration Unit 1Generation Unit 2
ManufacturerTheodor Bell and Company.Theodor Bell and Company.
Year of manufacture19791979
Head of the turbine [m]348327
Flow [m3/s]0.950.95
Power output [kW]28482675
Rotational speed [min−1]720720
Number of buckets2021
Number of jets22
Table 2. Determination of number of bucket range.
Table 2. Determination of number of bucket range.
D P d K u Generation Unit 2
Z   m i n Z   m a x
150.4712127
140.4692126
130.4662025
120.4632024
110.4601924
100.4561823
90.4511822
80.4551722
7.50.4411721
Table 3. Design ranges of the Pelton bucket.
Table 3. Design ranges of the Pelton bucket.
BLDfME β 1 β 2 L β 3 β 4
2.5 d 2.5 d 0.85 d 0.8 d d 0.3 d 10 ° 4 ° 1.6 d 2 ° 0 °
aaaaaaaaAaa
4 d 3.5 d 1.3 d 1.1 d 1.2 d 0.6 d 30 ° 20 ° 1.7 d 5 ° 20 °
Table 4. Initial parameters of the NSGA-II algorithm.
Table 4. Initial parameters of the NSGA-II algorithm.
Parameters Value
n_varNumber of variables8
n_objNumber of objective functions2
n_ieq_constNumber of constraints0
pop_sizeInitial population100
n_genNumber of generations100
Table 5. Geometric parameters of the 3D-scanned bucket.
Table 5. Geometric parameters of the 3D-scanned bucket.
ParameterValue
B26 [cm]
L23 [cm]
D7.5 [cm]
F7 [cm]
M9.5 [cm]
E3.9 [cm]
β 1 165.66°
β 2 17.42°
Table 6. Characteristics of the meshes obtained for the mesh independence study.
Table 6. Characteristics of the meshes obtained for the mesh independence study.
IdElement Max. SpacingElementsLayersLayer Expansion Ratio
Coarse0.01 [m]668,342101.1
Mid0.009 [m]970,199
Fine0.008 [m]1,225,341
Table 7. Optimal solutions of the NSGA-II algorithm in the last generation.
Table 7. Optimal solutions of the NSGA-II algorithm in the last generation.
β 2  [°] β 1  [°] L  [cm] B  [cm]
169.993642424.00013
169.95874.0000012424.0084
169.9984.0002212424.00008
169.99374.0336182424.00001
17042424.15218
Table 8. Efficiency of the original and optimized geometries.
Table 8. Efficiency of the original and optimized geometries.
GeometryEfficiency %
Original Geom.79.65
Optimized Geom.82.21
Disclaimer/Publisher’s Note: The statements, opinions and data contained in all publications are solely those of the individual author(s) and contributor(s) and not of MDPI and/or the editor(s). MDPI and/or the editor(s) disclaim responsibility for any injury to people or property resulting from any ideas, methods, instructions or products referred to in the content.

Share and Cite

MDPI and ACS Style

Barragan, G.; Atarihuana, S.; Cando, E.; Hidalgo, V. Enhancing Hydraulic Efficiency of Pelton Turbines Through Computational Fluid Dynamics and Metaheuristic Optimization. Algorithms 2025, 18, 35. https://doi.org/10.3390/a18010035

AMA Style

Barragan G, Atarihuana S, Cando E, Hidalgo V. Enhancing Hydraulic Efficiency of Pelton Turbines Through Computational Fluid Dynamics and Metaheuristic Optimization. Algorithms. 2025; 18(1):35. https://doi.org/10.3390/a18010035

Chicago/Turabian Style

Barragan, Guillermo, Sebastian Atarihuana, Edgar Cando, and Victor Hidalgo. 2025. "Enhancing Hydraulic Efficiency of Pelton Turbines Through Computational Fluid Dynamics and Metaheuristic Optimization" Algorithms 18, no. 1: 35. https://doi.org/10.3390/a18010035

APA Style

Barragan, G., Atarihuana, S., Cando, E., & Hidalgo, V. (2025). Enhancing Hydraulic Efficiency of Pelton Turbines Through Computational Fluid Dynamics and Metaheuristic Optimization. Algorithms, 18(1), 35. https://doi.org/10.3390/a18010035

Note that from the first issue of 2016, this journal uses article numbers instead of page numbers. See further details here.

Article Metrics

Back to TopTop