Influence Factors Analysis on the Modal Characteristics of Irregularly-Shaped Bridges Based on a Free-Interface Mode Synthesis Algorithm
Abstract
:1. Introduction
2. Theoretical Background
2.1. Mode Synthesis Method
2.2. Double Coordinate Free-Interface Mode Synthesis Method
3. Substructure Model of Irregularly-Shaped Bridges
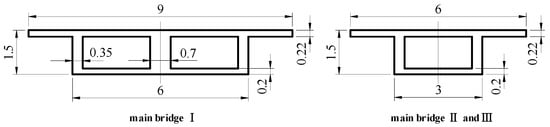
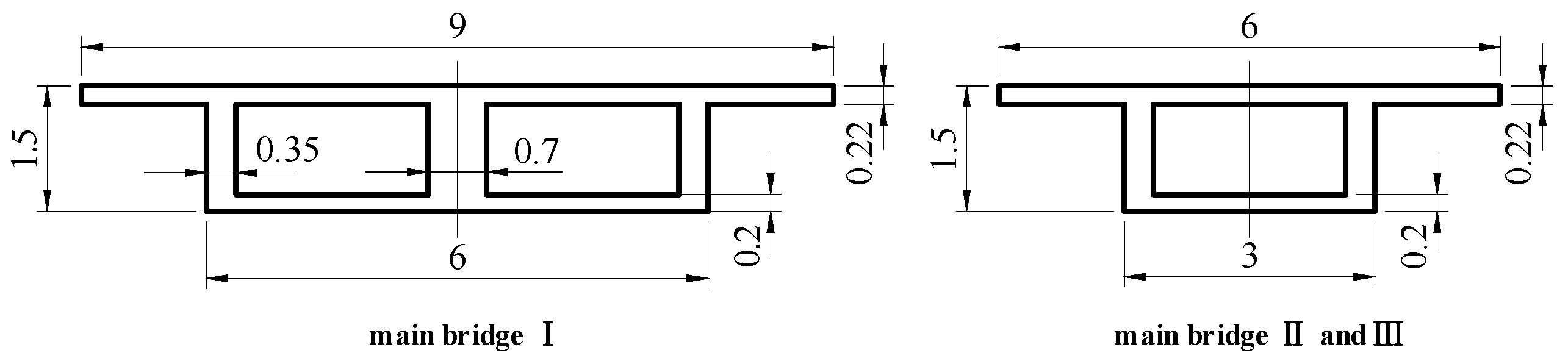
3.1. Irregularly-Shaped Bridge Model
3.2. Substructure Establishment
4. Accuracy Evaluation of the Double Coordinate Free-Interface Mode Synthesis Method
5. Influence Factors Analysis on the Modal Characteristics of the Irregularly-Shaped Bridge
5.1. Ramp Curve Radius
5.2. Crotch Diaphragm Stiffness
5.3. Cross-Section Features
5.3.1. Overall Cross-Section Stiffness
5.3.2. Cross-Section Stiffness of Substructure
5.4. Bearing Conditions
6. Conclusions
Acknowledgments
Author Contributions
Conflicts of Interest
References
- Lu, P.Z.; Xie, X.; Shao, C.Y. Experimental study and numerical analysis of a composite bridge structure. Constr. Build. Mater. 2012, 30, 695–705. [Google Scholar] [CrossRef]
- Sennah, K.M.; Kennedy, J.B. State-of-the-art in design of curved box-girder bridges. J. Bridg. Eng. 2001, 6, 159–167. [Google Scholar] [CrossRef]
- Liu, H.; He, X.; Wang, X.; Jiao, Y.; Song, G. An Optimization Algorithm for the Design of an Irregularly-Shaped Bridge Based on the Orthogonal Test and Analytic Hierarchy Process. Algorithms 2016, 9, 74. [Google Scholar] [CrossRef]
- Lu, P.Z.; Zhang, J.P.; Zhao, R.D. Analysis and study on model experiment of typical Y-shape bridge. Eng. Mech. 2008, 25, 139–144. [Google Scholar]
- Mitra, M.; Gopalakrishnan, S.; Bhat, M.S. A new super convergent thin walled composite beam element for analysis of box beam structures. Int. J. Solids Struct. 2004, 41, 1491–1518. [Google Scholar] [CrossRef]
- Ambrosini, R.D.; Riera, J.D.; Danesi, R.F. A modified Vlasov theory for dynamic analysis of thin-walled and variable open section beams. Eng. Struct. 2000, 22, 890–900. [Google Scholar] [CrossRef]
- Li, J.; Jin, X.D. Response of flexure–torsion coupled composite thin-walled beams with closed cross-sections to random loads. Mech. Res. Commun. 2005, 32, 25–41. [Google Scholar]
- Tabba, M.M.; Turkstra, C.J. Free vibrations of curved box girders. J. Sound Vib. 1977, 54, 501–514. [Google Scholar] [CrossRef]
- Kim, N.I.; Kim, M.Y. Exact dynamic stiffness matrix of non-symmetric thin-walled curved beams subjected to initial axial force. J. Sound Vib. 2005, 284, 851–878. [Google Scholar]
- Yoon, K.Y.; Park, N.H.; Choi, Y.J.; Kang, Y.J. Natural frequencies of thin-walled curved beams. Finite Elem. Anal. Des. 2006, 42, 1176–1186. [Google Scholar] [CrossRef]
- Sapountzakis, E.J.; Mokos, V.G. Dynamic analysis of 3-D beam elements including warping and shear deformation effects. Int. J. Solids Struct. 2006, 43, 6707–6726. [Google Scholar] [CrossRef]
- Kong, X.; Wu, D.J.; Cai, C.S.; Liu, Y.Q. New strategy of substructure method to model long-span hybrid cable-stayed bridges under vehicle-induced vibration. Eng. Struct. 2012, 34, 421–435. [Google Scholar] [CrossRef]
- Meirovitch, L.; Hale, A.L. On the substructure synthesis method. Am. Inst. Aeronaut. Astronaut. 1981, 9, 940–947. [Google Scholar] [CrossRef]
- Biondi, B.; Muscolino, G.; Sofi, A. A substructure approach for the dynamic analysis of train-track-bridge system. Comput. Struct. 2005, 83, 2271–2281. [Google Scholar] [CrossRef]
- Li, J.; Law, S.S. Damage identification of a target substructure with moving load excitation. Mech. Syst. Signal Process. 2012, 30, 78–90. [Google Scholar] [CrossRef]
- Meirovitch, L.; Hale, A.L. A general dynamic synthesis for structures with discrete substructures. J. Sound Vib. 1982, 85, 445–457. [Google Scholar] [CrossRef]
- Richards, T.H.; Leung, A.Y.T. An accurate method in structural vibration analysis. J. Sound Vib. 1977, 55, 363–376. [Google Scholar] [CrossRef]
- Leung, A.Y.T. A simple dynamic substructure method. Earthq. Eng. Struct. Dyn. 1988, 16, 827–837. [Google Scholar] [CrossRef]
- Hou, S.N. Review of Modal Synthesis Techniques and a New Approach. Shock Vib. Bull. 1969, 4, 25–30. [Google Scholar]
- Rubin, S. Improved component-mode representation for substructure dynamic analysis. AIAA J. 1975, 13, 1007–1016. [Google Scholar] [CrossRef]
- Craig, R.R.; Bampton, M.C.C. Free-interface methods of substructure coupling for dynamic analysis. AIAA J. 1976, 14, 1633–1635. [Google Scholar] [CrossRef]
- Benfield, W.A.; Hrude, R.F. Vibration Analysis of Substructure by Component Mode Substitution. AIAA J. 1971, 9, 1255–1261. [Google Scholar] [CrossRef]
- Pinho, R.; Monteiro, R.; Casarotti, C.; Delgado, R. Assessment of continuous span bridges through nonlinear static procedures. Earthq. Spectr. 2009, 25, 143–159. [Google Scholar] [CrossRef]
- Monteiro, R.; Delgado, R.; Pinho, R. Probabilistic seismic assessment of RC bridges: Part II—Nonlinear demand prediction. Structures 2016, 5, 274–283. [Google Scholar] [CrossRef]
- Monteiro, R. Sampling based numerical seismic assessment of continuous span RC bridges. Eng. Struct. 2016, 118, 407–420. [Google Scholar] [CrossRef]
- Clough, R.W.; Penzien, Q.J. Dynamics of Structures; Computers and Structures: Walnut Creek, CA, USA, 2003. [Google Scholar]












| Bearing Positions | Bearing Conditions | Bearing Positions | Bearing Conditions |
|---|---|---|---|
| C1 | Double fixed bearing | C4 | Double fixed bearing |
| C2 | Double fixed bearing | C5 | Single vertical bearing |
| C3 | Single vertical bearing | C6 | Double fixed bearing |
| Mode Order | Traditional Finite Element Method | Free-Interface Mode Synthesis Method | Relative Errors (%) |
|---|---|---|---|
| 1 | 4.609 | 4.609 | 2.389 × 10−7 |
| 2 | 5.931 | 5.931 | 8.425 × 10−7 |
| 3 | 6.043 | 6.043 | −1.542 × 10−8 |
| 4 | 7.837 | 7.837 | 4.734 × 10−6 |
| 5 | 8.017 | 8.017 | 5.827 × 10−6 |
| 6 | 11.288 | 11.289 | 1.757 × 10−5 |
| 7 | 11.749 | 11.749 | −4.183 × 10−9 |
| 8 | 17.057 | 17.057 | −2.392 × 10−10 |
| 9 | 17.783 | 17.783 | 8.464 × 10−5 |
| 10 | 19.524 | 19.524 | −4.200 × 10−11 |
| Mode | Ramp Radius (m) | ||||
|---|---|---|---|---|---|
| 30 | 40 | 50 | 60 | 70 | |
| 6 | 11.101 | 11.228 | 11.289 | 10.616 | 9.860 |
| Vertical bending | Vertical bending | Vertical bending | Ramp lateral bending | Ramp lateral bending | |
| 7 | 16.600 | 13.545 | 11.749 | 11.322 | 11.343 |
| Ramp lateral bending | Ramp lateral bending | Ramp lateral bending | Vertical bending | Vertical bending | |
| Bearing Condition | Bearing Number | |||||
|---|---|---|---|---|---|---|
| C1 | C2 | C3 | C4 | C5 | C6 | |
| I | Double fixed bearing | Double fixed bearing | Single vertical bearing | Double fixed bearing | Single vertical bearing | Double fixed bearing |
| II | Double sliding bearing | Double fixed bearing | Single vertical bearing | Double sliding bearing | Single vertical bearing | Double sliding bearing |
| III | Double fixed bearing | Double sliding bearing | Single vertical bearing | Double fixed bearing | Single vertical bearing | Double fixed bearing |
| Mode Order | Bearing Condition | ||
|---|---|---|---|
| I | II | III | |
| 1 | 4.609 (vertical bending) | 1.433 (Lateral bending) | 4.609 (vertical bending) |
| 2 | 5.931 (vertical bending) | 1.760 (Axial stretching) | 5.538 (Lateral bending) |
| 3 | 6.043 (Lateral bending) | 4.609 (vertical bending) | 5.931 (vertical bending) |
© 2017 by the authors. Licensee MDPI, Basel, Switzerland. This article is an open access article distributed under the terms and conditions of the Creative Commons Attribution (CC BY) license (http://creativecommons.org/licenses/by/4.0/).
Share and Cite
Liu, H.; Zhang, M.; Wang, X.; Tian, S.; Jiao, Y. Influence Factors Analysis on the Modal Characteristics of Irregularly-Shaped Bridges Based on a Free-Interface Mode Synthesis Algorithm. Algorithms 2017, 10, 62. https://doi.org/10.3390/a10020062
Liu H, Zhang M, Wang X, Tian S, Jiao Y. Influence Factors Analysis on the Modal Characteristics of Irregularly-Shaped Bridges Based on a Free-Interface Mode Synthesis Algorithm. Algorithms. 2017; 10(2):62. https://doi.org/10.3390/a10020062
Chicago/Turabian StyleLiu, Hanbing, Mengsu Zhang, Xianqiang Wang, Shuai Tian, and Yubo Jiao. 2017. "Influence Factors Analysis on the Modal Characteristics of Irregularly-Shaped Bridges Based on a Free-Interface Mode Synthesis Algorithm" Algorithms 10, no. 2: 62. https://doi.org/10.3390/a10020062
APA StyleLiu, H., Zhang, M., Wang, X., Tian, S., & Jiao, Y. (2017). Influence Factors Analysis on the Modal Characteristics of Irregularly-Shaped Bridges Based on a Free-Interface Mode Synthesis Algorithm. Algorithms, 10(2), 62. https://doi.org/10.3390/a10020062
