Recent Progress in Surface Modification of Polyvinyl Chloride
Abstract
:1. Introduction
2. Strategies for PVC Surface Treatment
3. Research Highlights of PVC Surface Treatment
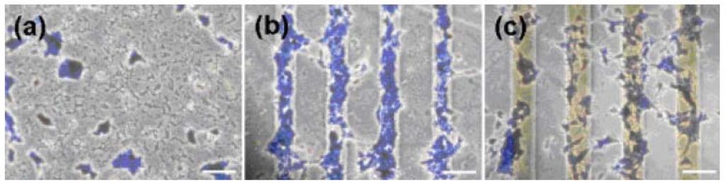
3.1. Surface Chemistry


| Plasma type | C1s Component (%) | O1s Component (%) | Atomic ratio | ||||
|---|---|---|---|---|---|---|---|
| C–H | O–C C–Cl | C=O O–C=O | O=C | O–C | O/C | Cl/C | |
| Untreated | 83 | 15 | 2 | – | ~100 | 0.06 | 0.14 |
| Direct treatment | 67 | 19 | 14 | 40 | 60 | 0.15 | 0.03 |
| Remote treatment | 73 | 18 | 9 | 53 | 47 | 0.018 | 0.01 |


| Ion beam intensity (ions/cm2) | 0 | 1 × 1014 | 1 × 1015 | 1 × 1016 |
|---|---|---|---|---|
| C 1s component (%) | 64.79 | 65.23 | 76.44 | 82.80 |
| C–C/C–H | 49.70 | 50.04 | 57.34 | 68.79 |
| C–Cl/C–O | 12.18 | 12.16 | 11.16 | 10.20 |
| C=O | – | – | 3.77 | – |
| C=O–O | 2.91 | 3.03 | 4.17 | 3.81 |
| O 1s component (%) | 9.03 | 10.71 | 20.16 | 16.22 |
| Cl 2p component (%) | 26.18 | 24.05 | 3.40 | 0.98 |
| [O]/[C] ratio | 0.13 | 0.16 | 0.26 | 0.20 |
| [Cl]/[C] ratio | 0.40 | 0.37 | 0.04 | 0.01 |





3.2. Surface Physics
| Plasma duration (s) | γd (dispersive part) (mN/m) | γp (polar part) (mN/m) |
|---|---|---|
| 0 | 48.02 | 0.59 |
| 2 | 21.99 | 42.71 |
| 4 | 25.81 | 36.03 |
| 7 | 25.90 | 43.23 |
| 10 | 26.89 | 42.85 |





3.3. Applications of PVC Surface Treatment



4. Concluding Remarks
Acknowledgments
References
- Clark, D.T.; Feast, W.J. Polymer Surfaces; John Wiley: New York, NY, USA, 1978. [Google Scholar]
- Garbassi, F.; Morra, M.; Occhiello, E. Polymer Surfaces: From Physics to Technology; John Wiley: New York, NY, USA, 2002. [Google Scholar]
- Stamm, M. Polymer Surfaces and Interfaces; Springer: Berlin, Germany, 2008. [Google Scholar]
- Morent, R.; de Geyter, N.; Desmet, T.; Dubruel, P.; Leys, C. Plasma surface modification of biodegradable polymers: A review. Plasma Process. Polym. 2011, 8, 171–190. [Google Scholar] [CrossRef]
- Vasita, R.; Shanmugam, K.; Katti, D.S. Improved biomaterials for tissue engineering applications: Surface modification of polymers. Curr. Top. Med. Chem. 2008, 8, 341–353. [Google Scholar] [CrossRef] [PubMed]
- Wilkes, C.; Summers, J.; Daniels, C. PVC Handbook; Hanser: Munich, Germany, 2005. [Google Scholar]
- Murphy, J. Additives for Plastics Handbook; Elsevier: Oxford, UK, 2001. [Google Scholar]
- Wypych, G. Handbook of Plasticizers; William Andrew Publishing: New York, NY, USA, 2004. [Google Scholar]
- Williams, D.F. Biocompatibility in Clinical Practice; CRC Press: Boca Raton, FL, USA, 1982. [Google Scholar]
- Goddard, J.M.; Hotchkiss, J.H. Polymer surface modification for the attachment of bioactive compounds. Prog. Polym. Sci. 2007, 32, 698–725. [Google Scholar] [CrossRef]
- Denes, F.S.; Manlache, S. Macromolecular plasma-chemistry: An emerging field of polymer science. Prog. Polym. Sci. 2004, 29, 815–85. [Google Scholar] [CrossRef]
- Chu, P.K.; Chen, J.Y.; Wang, N.; Huang, N. Plasma-surface modification of biomaterials. Mater. Sci. Eng. 2002, R36, 143–206. [Google Scholar] [CrossRef]
- Uyama, Y.; Kato, K.; Ikada, Y. Surface modification of polymers by grafting. Adv. Polym. Sci. 1998, 137, 1–39. [Google Scholar]
- Bhattacharyaa, A.; Misra, B.N. Grafting: A versatile means to modify polymers Techniques, factors and applications. Prog. Polym. Sci. 2004, 29, 767–814. [Google Scholar] [CrossRef]
- Desmet, T.; Morent, R.; Geyter, N.D.; Leys, C.; Schacht, E.; Dubruel, P. Nonthermal plasma technology as a versatile strategy for polymeric biomaterials surface modification: A review. Biomacromolecules 2009, 10, 2351–2378. [Google Scholar] [CrossRef] [PubMed]
- Zhao, B.; Brittain, W.J. Polymer brushes: Surface-immobilized macromolecules. Prog. Polym. Sci. 2000, 25, 677–710. [Google Scholar] [CrossRef]
- Raynor, J.E.; Capadon, J.R.; Collard, D.M.; Petrie, T.A.; Garcia, A.J. Polymer brushes and self-assembled monolayers: Versatile platforms to control cell adhesion to biomaterials. Biointerphases 2009, 4, FA3–FA16. [Google Scholar]
- Olivier, A.; Meyer, F.; Raquez, J.M.; Damman, P.; Dubois, P. Surface-initiated controlled polymerization as a convenient method for designing functional polymer brushes: From self-assembled monolayers to patterned surfaces. Prog. Polym. Sci. 2012, 37, 157–181. [Google Scholar] [CrossRef]
- Gooding, J.J.; Ciampi, S. The molecular level modification of surfaces: From self-assembled monolayers to complex molecular assemblies. Chem. Soc. Rev. 2011, 40, 2704–2718. [Google Scholar] [CrossRef] [PubMed]
- Cox, J.K.; Eisenberg, A.; Lennox, R.B. Patterned surfaces via self-assembly. Curr. Opin. Colloid Interface Sci. 1999, 4, 52–59. [Google Scholar] [CrossRef]
- Strobel, M.; Lyons, C.S.; Mittal, K.L. Plasma Surface Modification of Polymers: Relevance to Adhesion; VSP: Zeist, the Netherlands, 1994. [Google Scholar]
- D'Agostino, R.; Favia, P.; Fracasi, F. Plasma Processing of Polymers; Kluwer: Dordrecht, the Netherlands, 1997. [Google Scholar]
- Inagaki, N. Plasma Surface Modification and Plasma Polymerization; CRC Press: Boca Raton, FL, USA, 1996. [Google Scholar]
- D'Agostino, R.; Favia, P.; Kawai, Y.; Ikegami, H.; Sato, N.; Arefi-khonsari, F. Advanced Plasma Technology; Wiley-VCH: Berlin, Germany, 2007. [Google Scholar]
- Kondyurin, A.V.; Bilek, M. Ion Beam Treatment of Polymers: Application Aspects from Medicine to Space; Elsevier: Amsterdam, the Netherlands, 2008. [Google Scholar]
- Totten, G.E.; Liang, H. Surface Modification and Mechanisms: Friction, Stress, and Reaction Engineering; CRC Press: Boca Raton, FL, USA, 2004. [Google Scholar]
- Pauleau, Y. Materials Surface Processing by Directed Energy Techniques; Elsevier: Amsterdam, the Netherlands, 2006. [Google Scholar]
- Deng, J.; Wang, L.; Liu, L.; Yang, W. Developments and new applications of UV-induced surface graft polymerizations. Prog. Polym. Sci. 2009, 34, 156–193. [Google Scholar] [CrossRef]
- Mittal, K.L.; Lee, K.W. Polymer Surfaces and Interfaces: Characterization, Modification, and Application; VSP: Zeist, the Netherlands, 1997. [Google Scholar]
- Pocius, A.V. Adhesion and Adhesives Technology: An Introduction; Hanser: Munich, Germany, 2002. [Google Scholar]
- Kuang, P.; Lee, J.H.; Kim, C.H.; Ho, K.M.; Constant, K. Improved surface wettability of polyurethane films by ultraviolet ozone treatment. J. Appl. Polym. Sci. 2010, 118, 3024–3033. [Google Scholar] [CrossRef]
- Michael, M.N.; El-zaher, N.A.; Ibrahim, S.F. Investigation into surface modification of some polymeric fabrics by UV/ozone treatment. Polym. Plast. Technol. Eng. 2004, 43, 1041–1052. [Google Scholar] [CrossRef]
- Allcock, H.R. Introduction to Materials Chemistry; John Wiley: New York, NY, USA, 2008. [Google Scholar]
- Advincula, R.C.; Brittain, W.J.; Kenneth, C.C. Polymer Brushes: Synthesis, Characterization, Applications; Wiley-VCH: Berlin, Germany, 2004. [Google Scholar]
- Zdyrko, B.; Luzinov, I. Polymer brushes by the grafting-to method. Macromol. Rapid Commun. 2011, 32, 859–869. [Google Scholar] [CrossRef] [PubMed]
- Minko, S. Responsive polymer brushes. Polym. Rev. 2006, 46, 397–420. [Google Scholar]
- Mittal, V. Surface Modification of Nanotube Fillers; Wiley-VCH: Berlin, Germany, 2011. [Google Scholar]
- Fristrup, C.J.; Jankova, K.; Hvilsted, S. Surface-initiated atom transfer radical polymerization—A technique to develop biofunctional coatings. Soft Matter 2009, 5, 4623–4634. [Google Scholar] [CrossRef]
- Xu, F.J.; Neoh, K.G.; Kang, E.T. Bioactive surfaces and biomaterials via atom transfer radical polymerization. Prog. Polym. Sci. 2009, 34, 719–761. [Google Scholar] [CrossRef]
- Gérard, E.; Bessy, E.; Salvagnini, C.; Rerat, V.; Momtaz, M.; Hénard, G.; Marmey, P.; Verpoort, T.; Marchand-Brynaert, J. Surface modifications of polypropylene membranes used for blood filtration. Polymer 2011, 52, 1223–1233. [Google Scholar] [CrossRef]
- Shtilman, M.I. Immobilization on Polymers; VSP: Zeist, the Netherlands, 1993. [Google Scholar]
- Adamson, A.W. Physical chemistry of Surfaces; John Wiley: New York, NY, USA, 1967. [Google Scholar]
- Wen, X.Q.; Liu, X.H.; Liu, G.S. Improvement in the hydrophilic property of inner surface of polyvinyl chloride tube by DC glow discharge plasma. Vacuum 2010, 85, 406–410. [Google Scholar] [CrossRef]
- Wen, X.Q.; Liu, X.H.; Liu, G.S. Prevention of plasticizer leaching from the inner surface of narrow polyvinyl chloride tube by DC glow discharge plasma. IEEE. Trans. Plasma Sci. 2010, 38, 3152–3155. [Google Scholar] [CrossRef]
- Xiao-jing, L.; Guan-jun, Q.; Jie-rong, C. The effect of surface modification by nitrogen plasma on photocatalytic degradation of polyvinyl chloride films. Appl. Surf. Sci. 2008, 254, 6568–6574. [Google Scholar] [CrossRef]
- Kucherenko, O.B.; Kohlert, C.; Sosnov, E.A.; Malygin, A.A. Synthesis and properties of polyvinyl chloride films with modified surface. Russ. J. Appl. Chem. 2006, 79, 1316–1320. [Google Scholar] [CrossRef]
- Kucherenko, O.B.; Kohlert, C.; Sosnov, E.A.; Malygin, A.A. Influence of the physicochemical treatment procedure on the morphology and properties of the polyvinyl chloride film surface. Russ. J. Appl. Chem. 2006, 79, 1857–1861. [Google Scholar] [CrossRef]
- Asadinezhad, A.; Novak, I.; Lehocky, M.; Sedlarik, V.; Vesel, A.; Junkar, I.; Saha, P.; Chodak, I. A physicochemical approach to render antibacterial surfaces on plasma-treated medical-grade PVC: Irgasan coating. Plasma Process. Polym. 2010, 7, 504–514. [Google Scholar] [CrossRef]
- Asadinezhad, A.; Novak, I.; Lehocky, M.; Sedlarik, V.; Vesel, A.; Junkar, I.; Saha, P.; Chodak, I. An in vitro bacterial adhesion assessment of surface-modified medical-grade PVC. Colloid Surf. B 2010, 77, 246–256. [Google Scholar] [CrossRef]
- Asadinezhad, A.; Novak, I.; Lehocky, M.; Bilek, F.; Vesel, A.; Junkar, I.; Saha, P.; Popelka, A. Polysaccharides coatings on medical-grade PVC: A probe into surface characteristics and the extent of bacterial adhesion. Molecules 2010, 15, 1007–1027. [Google Scholar] [CrossRef] [PubMed]
- Li, R.; Chen, J. Studies of wettability of medical PVC by remote nitrogen plasma. Plasma Sci. Technol. 2006, 8, 325–328. [Google Scholar] [CrossRef]
- Li, R.; Chen, J. Surface modification of poly (vinyl chloride) by long-distance and direct argon RF plasma. Chin. Sci. Bull. 2006, 51, 615–619. [Google Scholar] [CrossRef]
- Zhang, W.; Chu, P.K.; Ji, J.; Zhang, Y.; Liu, X.; Fu, R.K.Y.; Ha, P.C.T.; Yan, Q. Plasma surface modification of poly vinyl chloride for improvement of antibacterial properties. Biomaterials 2006, 27, 44–51. [Google Scholar] [CrossRef] [PubMed]
- Sowe, M.; Novák, I.; Vesel, A.; Junkar, I.; Lehocký, M.; Sáha, P.; Chodak, I. Analysis and characterization of printed plasma-treated polyvinyl chloride. Int. J. Polym. Anal. Charact. 2009, 14, 641–651. [Google Scholar] [CrossRef]
- Sowe, M.; Polaskova, M.; Kuritka, I.; Sedlacek, T.; Merchan, M. Analysis of antibacterial action of polyvinyl chloride surface modified with gentian violet. Int. J. Polym. Anal. Charact. 2009, 14, 678–685. [Google Scholar] [CrossRef]
- Bento, W.C.A.; Honda, R.Y.; Kayama, M.E.; Schreiner, W.H.; Cruz, N.C.; Rangel, E.C. Hydrophilization of PVC surfaces by argon plasma immersion ion implantation. Plasmas Polym. 2003, 8, 1–11. [Google Scholar] [CrossRef]
- Rangel, E.C.; de Souza, ES.; De Moraes, F.S.; Marins, N.M.S.; Schreiner, W.H.; Cruz, N.C. Development of amorphous carbon protective coatings on poly(vinyl chloride). Thin Solid Films 2010, 518, 2750–2756. [Google Scholar] [CrossRef]
- Rangel, E.C.; Dos Santos, N.M.; Bortoleto, J.R.R.; Durrant, S.F.; Schreiner, W.H.; Honda, R.Y.; Rangel, R.C.C.; Cruz, N.C. Treatment of PVC using an alternative low energy ion bombardment procedure. Appl. Surf. Sci. 2011, 258, 1854–1861. [Google Scholar] [CrossRef]
- Zhang, W.; Chu, P.K.; Ji, J.; Zhang, Y.; Jiang, Z. Effects of O2 and H2O plasma immersion ion implantation on surface chemical composition and surface energy of poly vinyl chloride. J. Appl. Polym. Sci. 2006, 252, 7884–7889. [Google Scholar]
- Khorasani, M.T.; Mirzadeh, H. Effect of oxygen plasma treatment on surface charge and wettability of PVC blood bag—In vitro assay. Radiat. Phys. Chem. 2007, 76, 1011–1016. [Google Scholar] [CrossRef]
- Jierong, C.; Jing-Lian, Y.; Yun-Ze, Z. Surface modification of medical PVC by remote oxygen plasma. Compo. Interface 2004, 11, 123–130. [Google Scholar] [CrossRef]
- Ru, L.; Jie-Rong, C. Studies on wettability of medical poly(vinyl chloride) by remote argon plasma. Appl. Surf. Sci. 2006, 252, 5076–5082. [Google Scholar] [CrossRef]
- Hu, J.; Zhang, C.; Cong, J.; Toyoda, H.; Nagatsu, M.; Meng, Y. Plasma-grafted alkaline anion-exchange membranes based on polyvinyl chloride for potential application in direct alcohol fuel cell. J. Power Sources 2011, 196, 4483–4490. [Google Scholar] [CrossRef]
- Liu, P.; Chen, Y. Surface sulfonation of Polyvinyl Chloride by plasma for antithrombogenicity. Plasma Sci. Technol. 2004, 6, 2328–2332. [Google Scholar] [CrossRef]
- Balazs, D.J.; Triandafillu, K.; Wood, P.; Chevolot, Y.; van Delden, C.; Harms, H.; Hollenstein, C.; Mathieu, H.J. Inhibition of bacterial adhesion on PVC endotracheal tubes by RF-oxygen glow discharge, sodium hydroxide and silver nitrate treatments. Biomaterials 2004, 25, 2139–2151. [Google Scholar] [CrossRef] [PubMed]
- Anuradha, P.; Anu Kaliani, A. Surface characterization of polyvinyl chloride membranes modified by plasma treatment. Optoelectron. Adv. Mater. 2009, 3, 1094–1098. [Google Scholar]
- Jung, C.H.; Hwang, I.T.; Kwon, H.J.; Nho, Y.C.; Choi, J.H. Patterning of cells on a PVC film surface functionalized by ion irradiation. Polym. Adv. Technol. 2010, 21, 135–138. [Google Scholar]
- Cota, L.; Avalos-Borja, M.; Adem, E.; Burillo, G. Comparison of irradiation effects of electrons and gamma rays on PVC samples. Radiat. Phys. Chem. 1994, 44, 579–582. [Google Scholar] [CrossRef]
- Cota, L.; Adem, E.; Yacamán, M.J. Interaction of an electron beam with a polymer surface: Study of polyvinyl chloride (PVC) using auger electron spectroscopy. Appl. Surf. Sci. 1986, 27, 106–113. [Google Scholar] [CrossRef]
- Manfredini, M.; Marchetti, A.; Atzei, D.; Eisener, B.; Malagoli, M.; Galavotti, F.; Rossi, A. Radiation-induced migration of additives in PVC-based biomedical disposable devices. Part 1. Surface morphology by AFM and SEM/XEDS. Surf. Interface Anal. 2003, 35, 395–402. [Google Scholar] [CrossRef]
- Sinha, D.; Swu, T.; Tripathy, S.P.; Mishra, R.; Dwivedi, K.K.; Fink, D. Gamma-photon induced modification of polyvinyl chloride (PVC) film. Radiat. Eff. Defect. Solid. 2003, 158, 593–598. [Google Scholar] [CrossRef]
- de Queiroz, A.A.A.; Barrak, E.R.; Gil, H.A.C.; Higa, O.Z. Surface studies of albumin immobilized onto PE and PVC films. J. Biomater. Sci. Polym. Ed. 1997, 7, 667–681. [Google Scholar] [CrossRef]
- Rios, P.; Bertorello, H. Surface modification of polyvinyl chloride with biodegradable monomers. J. Appl. Polym. Sci. 1997, 64, 1195–1201. [Google Scholar] [CrossRef]
- Kurose, K.; Okuda, T.; Nakai, S.; Tsai, T.Y.; Nishijima, W.; Okada, M. Hydrophilization of polyvinyl chloride surface by ozonation. Surf. Rev. Lett. 2008, 15, 711–715. [Google Scholar] [CrossRef]
- Okuda, T.; Kurose, K.; Nishijima, W.; Okada, M. Separation of polyvinyl chloride from plastic mixture by froth flotation after surface modification with ozone. Ozone Sci. Eng. 2007, 29, 373–377. [Google Scholar] [CrossRef]
- Kurian, G.; Sharma, C.P. Surface modification of polyvinyl chloride towards blood compatibility. Bull. Mater. Sci. 1984, 6, 1087–1091. [Google Scholar] [CrossRef]
- Reyes-Labarta, J.; Herrero, M.; Tiemblo, P.; Mijangos, C.; Reinecke, H. Wetchemical surface modification of plasticized PVC. Characterization by FTIR-ATR and Raman microscopy. Polymer 2003, 44, 2263–2269. [Google Scholar] [CrossRef]
- McGinty, K.M.; Brittain, W.J. Hydrophilic surface modification of poly(vinyl chloride) film and tubing using physisorbed free radical grafting technique. Polymer 2008, 49, 4350–4357. [Google Scholar] [CrossRef]
- Sacristán, J.; Reinecke, H.; Mijangos, C. Surface modification of PVC films in solvent-non solvent mixtures. Polymer 2000, 41, 5577–5582. [Google Scholar] [CrossRef]
- Sacristán, J.; Mijangos, C.; Reinecke, H.; Spells, S.; Yarwood, J. Selective surface modification of PVC films as revealed by confocal Raman microspectroscopy. Macromolecules 2000, 33, 6134–6139. [Google Scholar] [CrossRef]
- Sacristán, J.; Mijangos, C.; Reinecke, H.; Spells, S.; Yarwood, J. Depth profiling of modified PVC surfaces using confocal Raman microspectroscopy. Macromol. Rapid Commun. 2000, 21, 894–896. [Google Scholar] [CrossRef]
- Lakshmi, S.; Jayakrishnan, A. Synthesis, surface properties and performance of thiosulphate-substituted plasticized polyvinyl chloride. Biomaterials 2002, 23, 4855–4862. [Google Scholar] [CrossRef] [PubMed]
- James, N.R.; Jayakrishnan, A. Surface thiocyanation of plasticized polyvinyl chloride and its effect on bacterial adhesion. Biomaterials 2003, 24, 2205–2212. [Google Scholar] [CrossRef] [PubMed]
- Yoshizaki, T.; Tabuchi, N.; van Oeveren, W.; Shibamiya, A.; Koyama, T.; Sunamori, M. PMEA polymer-coated PVC tubing maintains anti-thrombogenic properties during in vitro whole blood circulation. Int. J. Artif. Organs 2005, 28, 834–840. [Google Scholar] [PubMed]
- Zou, Y.; Kizhakkedathu, J.N.; Brooks, D.E. Surface modification of polyvinyl chloride sheets via growth of hydrophilic polymer brushes. Macromolecules 2009, 42, 3258–3268. [Google Scholar] [CrossRef]
- Zou, Y.; Lai, B.F.; Kizhakkedathu, J.N.; Brooks, D.E. Inhibitory effect of hydrophilic polymer brushes on surface-induced platelet activation and adhesion. Macromol. Biosci. 2010, 10, 1432–1443. [Google Scholar] [CrossRef] [PubMed]
- Zha, Z.; Ma, Y.; Yue, X.; Liu, M.; Dai, Z. Self-assembled hemocompatible coating on poly (vinyl chloride) surface. Appl. Surf. Sci. 2009, 256, 805–814. [Google Scholar] [CrossRef]
- D’yakova, A.K.; Trifonov, S.A.; Sosnov, E.A.; Malygin, A.A. Effect of chemical modification on structural and energy characteristics of the surface of polyethylene and polyvinyl chloride films. Russ. J. Appl. Chem. 2009, 82, 622–629. [Google Scholar] [CrossRef]
- Xie, Y.; Yang, Q. Surface modification of poly(vinyl chloride) for antithrombogenicity study. J. Appl. Polym. Sci. 2002, 85, 1013–1018. [Google Scholar] [CrossRef]
- Zimmermann, H.; Holländer, A.; Behnisch, J. Chemical surface modification of PVC by thiol-substituted hydroxybenzophenone. Polym. Degrad. Stabil. 1992, 36, 149–153. [Google Scholar] [CrossRef]
- Triandafillu, K.; Balazs, D.J.; Aronsson, B.O.; Descouts, P.; Quoc, P.T.; van Delden, C.; Mathieu, H.J.; Harms, H. Adhesion of Pseudomonas aeruginosa strains to untreated and oxygen-plasma treated poly(vinyl chloride) (PVC) from endotracheal intubation devices. Biomaterials 2003, 24, 1507–1518. [Google Scholar] [CrossRef] [PubMed]
- Kaczmarek, H.; Kowalonek, J.; Szalla, A.; Sionkowska, A. Surface modification of thin polymeric films by air-plasma or UV-irradiation. Surf. Sci. 2002, 507–510, 883–888. [Google Scholar] [CrossRef]
- Lamba, N.M.K.; Courtney, J.M.; Gaylor, J.D.S.; Lowe, G.D.O. In vitro investigation of the blood response to medical grade PVC and the effect of heparin on the blood response. Biomaterials 2000, 21, 89–96. [Google Scholar] [CrossRef] [PubMed]
- Rad, A.Y.; Ayhan, H.; Kisa, U.; Piskin, E. Adhesion of different bacterial strains to low-temperature plasma treated biomedical PVC catheter surfaces. J. Biomater. Sci. Polym. Ed. 1998, 9, 915–929. [Google Scholar] [CrossRef] [PubMed]
© 2012 by the authors; licensee MDPI, Basel, Switzerland. This article is an open access article distributed under the terms and conditions of the Creative Commons Attribution license (http://creativecommons.org/licenses/by/3.0/).
Share and Cite
Asadinezhad, A.; Lehocký, M.; Sáha, P.; Mozetič, M. Recent Progress in Surface Modification of Polyvinyl Chloride. Materials 2012, 5, 2937-2959. https://doi.org/10.3390/ma5122937
Asadinezhad A, Lehocký M, Sáha P, Mozetič M. Recent Progress in Surface Modification of Polyvinyl Chloride. Materials. 2012; 5(12):2937-2959. https://doi.org/10.3390/ma5122937
Chicago/Turabian StyleAsadinezhad, Ahmad, Marián Lehocký, Petr Sáha, and Miran Mozetič. 2012. "Recent Progress in Surface Modification of Polyvinyl Chloride" Materials 5, no. 12: 2937-2959. https://doi.org/10.3390/ma5122937
APA StyleAsadinezhad, A., Lehocký, M., Sáha, P., & Mozetič, M. (2012). Recent Progress in Surface Modification of Polyvinyl Chloride. Materials, 5(12), 2937-2959. https://doi.org/10.3390/ma5122937

