A Review on the Progressive Collapse of Reinforced Concrete Flat Slab–Column Structures
Abstract
1. Introduction
2. Experimental Study on Progressive Collapse of Flat Slab–Column Structure
2.1. Types of Experimental Methods
2.1.1. Quasi-Static Testing
2.1.2. Dynamic Testing
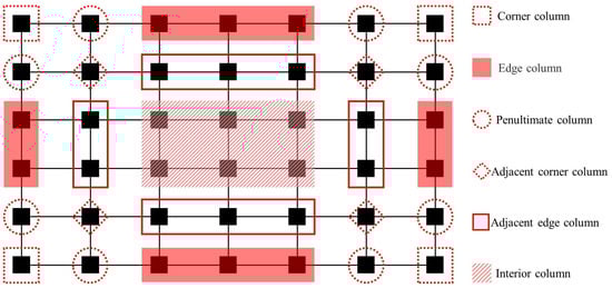
2.2. Types of Column Failure Scenarios
2.2.1. Load Redistribution Capability
2.2.2. Resistance Curve and Failure Mode
2.3. Types of Resistance Mechanisms
3. Theoretical Analysis of Progressive Collapse in Flat Slab–Column Structures
3.1. Membrane Action
3.2. Punching Shear Mechanism
3.3. Post-Punching Shear Mechanism
4. Numerical Simulation of Progressive Collapse in Flat Slab–Column Structures
4.1. Types of Simulation Methods
4.2. Local Joint Model
4.3. Global Structural Model
5. Summary and Outlook
- (1)
- Dynamic collapse mechanism and design methods: current research primarily relies on static experiments, which are inadequate in reflecting the impact of dynamic amplification effects (such as inertial forces and strain rate sensitivity) on structural performance during the collapse process. Dynamic loading experiments are required to reveal the load transfer paths and energy dissipation patterns, develop resistance assessment methods that consider dynamic responses, and enhance the calculation system for DAFs in engineering codes.
- (2)
- Collaborative mechanism of multi-story structures: research findings from single-layer substructures cannot directly inform the design of multi-story systems. It is crucial to investigate the correlation mechanisms between interlayer shear redistribution, joint stiffness degradation, and longitudinal/transverse collapse modes. A multiscale analysis model, considering the void effect and redundancy evolution, must be developed to clarify the critical collapse transition conditions.
- (3)
- Multi-hazard coupling effects: current research is limited to single-disaster scenarios. Systematic quantification of damage accumulation patterns under the coupling effects of multiple hazards, such as earthquakes, fires, and explosions, is necessary. Key challenges include material performance degradation due to high-temperature-shock coupling, post-disaster residual load-bearing capacity assessment, and the development of active protection technologies based on smart materials.
- (4)
- Development of refined numerical models: current finite element models are inadequate in representing nonlinear behaviors such as large deformations and material fracture. There is a need to develop constitutive models that integrate physical information with neural networks to simulate concrete softening, reinforcement slip, and fracture efficiently. Additionally, a digital twin platform considering 3D-printed joint construction must be established to promote the intelligent integration of design, construction, and operation maintenance throughout the entire lifecycle.
Author Contributions
Funding
Data Availability Statement
Conflicts of Interest
References
- American Society of Civil Engineers. Minimum Design Loads and Associated Criteria for Buildings and Other Structures: ASCE/SEI 7-16; American Society of Civil Engineers: Reston, VA, USA, 2021. [Google Scholar]
- King, S.; Delatte, N.J. Collapse of 2000 Commonwealth Avenue: Punching Shear Case Study. J. Perform. Construct. Facil. 2004, 18, 54–61. [Google Scholar] [CrossRef]
- Wood, J.G.M. Pipers Row Car Park, Wolverhampton: Quantitative Study of the Causes of the Partial Collapse on 20th March 1997; Technical Report; Structural Studies & Design Ltd.: Chiddingfold, UK, 1997; pp. 1–40. Available online: https://doczz.net/doc/8610586/pipers-row-car-park--wolverhampton--quantitative-study-of (accessed on 15 March 2025).
- BS 8110:1997; Structural Use of Concrete. Part 1: Code of Practice for Design and Construction. British Standards Institution: London, UK, 1997.
- Carino, N.J.; Leyendecker, E.V.; Fattal, S.G. Review of the Skyline Plaza Collapse. Concr. Int. 1983, 5, 35–42. [Google Scholar]
- Vecchio, F.J.; Collins, M.P. Investigating the Collapse of a Warehouse. ACI Concr. Int. 1990, 12, 72–78. [Google Scholar]
- Mirzaei, Y. Post-Punching Behavior of Reinforced Concrete Slabs. Ph.D. Thesis, École Polytechnique Fédérale de Lausanne, Lausanne, Switzerland, 2010. [Google Scholar]
- Lu, X.; Guan, H.; Sun, H.; Li, Y.; Zheng, Z.; Fei, Y.; Yang, Z.; Zuo, L. A Preliminary Analysis and Discussion of the Condominium Building Collapse in Surfside, Florida, US, June 24, 2021. Front. Struct. Civ. Eng. 2021, 15, 1097–1110. [Google Scholar] [CrossRef]
- Hawkins, N.M.; Mitchell, D. Progressive Collapse of Flat Plate Structures. ACI J. Proc. 1979, 76, 775–808. [Google Scholar]
- Mitchell, D.; Cook, W.D. Preventing Progressive Collapse of Slab Structures. J. Struct. Eng. 1984, 110, 1513–1532. [Google Scholar] [CrossRef]
- Fernández Ruiz, M.; Mirzaei, Y.; Muttoni, A. Post-Punching Behavior of Flat Slabs. ACI Struct. J. 2013, 110, 801–812. [Google Scholar]
- Jiang, J.; Zhang, Q.J.; Li, L.L.; Chen, W.; Ye, J.H.; Li, G.Q. Review on Quantitative Measures of Robustness for Building Structures Against Disproportionate Collapse. Int. J. High-Rise Build. 2020, 9, 159–186. [Google Scholar]
- Byfield, M.; Mudalige, W.; Morison, C.; Stoddart, E. A Review of Progressive Collapse Research and Regulations. Proc. Inst. Civil Eng. Struct. Build. 2014, 167, 447–456. [Google Scholar] [CrossRef]
- General Services Administration. Progressive Collapse Analysis and Design Guidelines for New Federal Office Buildings and Major Modernization Projects: GSA 2003; General Services Administration: Washington, DC, USA, 2003.
- Department of Defense. Design of Buildings to Resist Progressive Collapse. Unified Facility Criteria: UFC 4-023-03; Department of Defense: Washington, DC, USA, 2010.
- EN 1993-1-8; European Committee for Standardization. Eurocode 3: Design of Steel Structures. Part 1–8; Design of Joints. CEN: Brussels, Belgium, 2005.
- Qian, K.; Li, B. Resilience of Flat Slab Structures in Different Phases of Progressive Collapse. ACI Struct. J. 2016, 113, 537–548. [Google Scholar] [CrossRef]
- Sasani, M.; Bazan, M.; Sagiroglu, S. Experimental and Analytical Progressive Collapse Evaluation of Actual Reinforced Concrete Structure. ACI Struct. J. 2007, 104, 731. [Google Scholar]
- Sasani, M.; Sagiroglu, S. Gravity Load Redistribution and Progressive Collapse Resistance of 20-Story Reinforced Concrete Structure Following Loss of Interior Column. ACI Struct. J. 2010, 107, 636. [Google Scholar]
- Sasani, M.; Sagiroglu, S. Progressive Collapse Resistance of Hotel San Diego. J. Struct. Eng. 2008, 134, 478–488. [Google Scholar] [CrossRef]
- Russell, J.M.; Sagaseta, J.; Cormie, D.; Jones, A.E.K. Historical Review of Prescriptive Design Rules for Robustness After the Collapse of Ronan Point. Structures 2019, 20, C1–C15. [Google Scholar] [CrossRef]
- Tagel-Din, H.; Rahman, N.A. Simulation of the Alfred P. Murrah Federal Building Collapse Due to Blast Loads. In Proceedings of the Architectural Engineering Conference, Omaha, NE, USA, 29 March–1 April 2006. [Google Scholar]
- Federal Emergency Management Agency. FEMA 403: World Trade Centre Building Performance Study: Data Collection, Preliminary Observation and Recommendations; Federal Emergency Management Agency: Washington, DC, USA, 2002; Chapter 8; pp. 1–10.
- Qian, K.; Li, B. Dynamic and Residual Behavior of Reinforced Concrete Floors Following Instantaneous Removal of a Column. Eng. Struct. 2017, 148, 175–184. [Google Scholar] [CrossRef]
- Zhou, Y.; Hu, X.; Pei, Y.L.; Hwang, H.J.; Chen, T.P.; Yi, W.J.; Deng, L. Dynamic Load Test on Progressive Collapse Resistance of Fully Assembled Precast Concrete Frame Structures. Eng. Struct. 2020, 214, 110675. [Google Scholar] [CrossRef]
- Qian, K.; Weng, Y.H.; Li, B. Impact of Two Columns Missing on Dynamic Response of RC Flat Slab Structures. Eng. Struct. 2018, 177, 598–615. [Google Scholar] [CrossRef]
- Qian, K.; Li, B. Dynamic Disproportionate Collapse in Flat-Slab Structures. J. Perform. Construct. Facil. 2015, 29, 04015027. [Google Scholar] [CrossRef]
- Qian, K.; Weng, Y.H.; Yu, E.E.; Li, B. Dynamic Behavior of Multi-Bay Flat Slab Subjected to the Missing of an Interior Column Scenario. In Proceedings of the Structures Conference, Fort Worth, TX, USA, 19–21 April 2018. [Google Scholar]
- Peng, Z.H.; Orton, S.L.; Liu, J.R.; Tian, Y. Experimental Study of Dynamic Progressive Collapse in Flat-Plate Buildings Subjected to Exterior Column Removal. J. Struct. Eng. 2017, 143, 04017125. [Google Scholar] [CrossRef]
- Peng, Z.H.; Orton, S.L.; Liu, J.R.; Tian, Y. Experimental Study of Dynamic Progressive Collapse in Flat-Plate Buildings Subjected to an Interior Column Removal. J. Struct. Eng. 2018, 144, 04018094. [Google Scholar] [CrossRef]
- Adam, J.M.; Buitrago, M.; Bertolesi, E.; Sagaseta, J.; Moragues, J.J. Dynamic Performance of a Real-Scale Reinforced Concrete Building Test Under a Corner-Column Failure Scenario. Eng. Struct. 2020, 210, 110414. [Google Scholar] [CrossRef]
- Russell, J.M.; Owen, J.S.; Hajirasouliha, I. Experimental Investigation on the Dynamic Response of RC Flat Slabs After a Sudden Column Loss. Eng. Struct. 2015, 99, 28–41. [Google Scholar] [CrossRef]
- Kokot, S.; Anthoine, A.; Negro, P.; Solomos, G. Static and Dynamic Analysis of a Reinforced Concrete Flat Slab Frame Building for Progressive Collapse. Eng. Struct. 2012, 40, 205–217. [Google Scholar] [CrossRef]
- Cuong, T.Q.; Linh, N.N.; Hung, H.M.; Hieu, N.T.; Dat, P.X. Experiments on the Collapse Response of Flat Slab Structures Subjected to Column Loss. Mag. Concr. Res. 2018, 71, 228–243. [Google Scholar] [CrossRef]
- Xue, H.Z.; Gilbert, B.P.; Guan, H.; Lu, X.Z.; Li, Y.; Ma, F.H.; Tian, Y. Load Transfer and Collapse Resistance of RC Flat Plates Under Interior Column Removal Scenario. J. Struct. Eng. 2018, 144, 04018087. [Google Scholar] [CrossRef]
- Huang, W.J.; Li, Y.; Lu, X.Z.; Sun, L.H.; Yan, W.M. Experimental Study on a Flat Plate Substructure against Progressive Collapse. J. Build. Struct. 2018, 39, 55–61. (In Chinese) [Google Scholar]
- Yang, T.; Liu, Z.K.; Lian, J.M. Progressive Collapse of RC Flat Slab Substructures with Unbonded Posttensioning Strands After the Loss of an Exterior Column. Eng. Struct. 2021, 234, 111989. [Google Scholar] [CrossRef]
- Yi, W.J.; Zhang, F.Z.; Kunnath, S.K. Progressive Collapse Performance of RC Flat Plate Frame Structures. J. Struct. Eng. 2014, 140, 04014048. [Google Scholar] [CrossRef]
- Ma, F.H.; Gilbert, B.P.; Guan, H.; Lu, X.Z.; Li, Y. Experimental Study on the Progressive Collapse Behaviour of RC Flat Plate Substructures Subjected to Edge-Column and Edge-Interior-Column Removal Scenarios. Eng. Struct. 2020, 209, 110299. [Google Scholar] [CrossRef]
- Collings, D.; Sagaseta, J. A Review of Arching and Compressive Membrane Action in Concrete Bridges. Bridge Eng. 2015, 169, 271–284. [Google Scholar] [CrossRef]
- Zhang, F.Z.; Yi, W.J. Experimental Study and Analysis on the Collapse Resistance of Flat-Slab Structures Without Beams. J. Hunan Univ. Nat. Sci. Ed. 2010, 4, 1–5. (In Chinese) [Google Scholar]
- Keyvani, L.; Sasani, M.; Mirzaei, Y. Compressive Membrane Action in Progressive Collapse Resistance of RC Flat Plates. Eng. Struct. 2014, 59, 554–564. [Google Scholar] [CrossRef]
- Park, R. Tensile Membrane Behaviour of Uniformly Loaded Rectangular Reinforced Concrete Slabs with Fully Restrained Edges. Mag. Concr. Res. 1964, 16, 39–44. [Google Scholar] [CrossRef]
- Regan, P.E. Catenary Action in Damaged Concrete Structures. In Proceedings of the Symposium on Industrialization in Concrete Building Construction, Port Chester, NY, USA, 7–8 November 1974; American Concrete Institute (ACI) Special Publication SP-48: Detroit, MI, USA, 1975; pp. 191–224. [Google Scholar]
- Park, R.; Gamble, W.L. Reinforced Concrete Slabs, 2nd ed.; John Wiley & Sons: New York, NY, USA, 1999. [Google Scholar]
- Yi, W.J.; Zhang, F.Z. Experimental Study on the Collapse Resistance of Reinforced Concrete Plate-Column Structures. J. Build. Struct. 2012, 6, 35–41. (In Chinese) [Google Scholar]
- Yi, W.J.; Shui, M. Reliability Analysis of Progressive Collapse in Plate-Column Structures Based on Joint Punching Shear Failure. Eng. Mech. 2015, 7, 149–155+175. (In Chinese) [Google Scholar]
- Yang, T.; Lan, W.W.; Qian, K. Progressive Collapse Performance of Plate-Column Structures with Different Slab Reinforcement Details. J. South China Univ. Technol. Nat. Sci. Ed. 2014, 10, 110–116. (In Chinese) [Google Scholar]
- Melo, G.S.; Regan, P.E. Post-Punching Resistance of Connections Between Flat Slabs and Interior Columns. Mag. Concr. Res. 1998, 50, 319–327. [Google Scholar] [CrossRef]
- Habibi, F. Post-Punching Shear Response of Two-Way Slabs. McGill University: Montreal, QC, Canada, 2012. [Google Scholar]
- Peng, Z. Experimental and Analytical Evaluation of Disproportionate Collapse in Flat Plate Buildings. Ph.D. Thesis, University of Missouri, Columbia, MO, USA, 2015. [Google Scholar]
- Huang, M.; Huang, H.; Xue, C.L.; Guo, M.X. Quantitative Analysis of Extra Load-Carrying Mechanisms to Prevent Progressive Collapse of Reinforced Concrete Buildings. Struct. Infrastruct. Eng. 2022, 19, 1711–1727. [Google Scholar] [CrossRef]
- Park, R. The Ultimate Strength and Long-Term Behaviour of Uniformly Loaded, Two-Way Concrete Slabs with Partial Lateral Restraint at All Edges. Mag. Concr. Res. 1964, 16, 139–152. [Google Scholar] [CrossRef]
- Keenan, W.A. Strength and Behavior of Restrained Reinforced Concrete Slabs Under Static and Dynamic Loadings; Naval Civil Engineering Lab: Port Hueneme, CA, USA, 1969. [Google Scholar]
- Park, R. The Ultimate Strength of Uniformly Loaded Laterally Restrained Rectangular Two-Way Concrete Slabs. Ph.D. Thesis, University of Bristol, Bristol, UK, 1964. [Google Scholar]
- Pham, A.T.; Tank, H. Analytical Model for Tensile Membrane Action in RC Beam-Slab Structures Under Internal Column Removal. J. Struct. Eng. 2019, 145, 04019040. [Google Scholar] [CrossRef]
- Bailey, C.G. Membrane Action of Unrestrained Lightly Reinforced Concrete Slabs at Large Displacements. Eng. Struct. 2001, 23, 470–483. [Google Scholar] [CrossRef]
- Qian, K.; Li, B.; Ma, J.X. Load-Carrying Mechanism to Resist Progressive Collapse of RC Buildings. J. Struct. Eng. 2015, 141, 04014107. [Google Scholar] [CrossRef]
- Einpaul, J. Punching Strength of Continuous Flat Slabs; Ecole Polytechnique Fédérale de Lausanne: Lausanne, Switzerland, 2016. [Google Scholar]
- Talbot, A.N. Tests of Reinforced Concrete Beams; Series of 1906, Bulletin 14; University of Illinois: Urbana, IL, USA, 1907; 35p. [Google Scholar]
- Braestrup, M.W. Punching Shear in Concrete Slabs. In Proceedings of the IABSE Colloquium on Plasticity in Reinforced Concrete, Copenhagen, Denmark, 21–23 May 1979; International Association for Bridge and Structural Engineering: Zurich, Switzerland, 1979; pp. 115–136. [Google Scholar]
- Li, Y.F.; Lin, C.T.; Sung, Y.Y. A Constitutive Model for Concrete Confined with Carbon Fiber Reinforced Plastics. Mech. Mater. 2003, 35, 603–619. [Google Scholar] [CrossRef]
- Jiang, D.H.; Shen, J.H. Strength of Concrete Slabs in Punching Shear. J. Struct. Eng. 1986, 112, 2578–2585. [Google Scholar] [CrossRef]
- Bortolotti, I.L. Punching Shear Strength in Concrete Slabs. ACI Struct. J. 1990, 87, 208–212. [Google Scholar]
- Muttoni, A. Punching Shear Strength of Reinforced Concrete Slabs Without Transverse Reinforcement. ACI Struct. J. 2008, 105, 440–445. [Google Scholar]
- Reineck, K.-H.; Beutel, R.; Duda, H.; Goossens, D.; Hallgren, M.; Kuchma, D.; McCabe, S.; Menétrey, P.; Niwa, J.; Ozbolt, J.; et al. Fib Bulletin 12. Punching of Structural Concrete Slabs; fib Bulletins; The International Federation for Structural Concrete: Lausanne, Switzerland, 2001; ISBN 978-2-88394-052-9. [Google Scholar]
- Menetrey, P. Numerical Analysis of Punching Failure in Reinforced Concrete Structures. Ph.D. Thesis, École Polytechnique Fédérale de Lausanne, Lausanne, Switzerland, 1994; pp. 103–110. [Google Scholar]
- Kotsovos, G.M.; Kotsovos, M.D. Flat Slab Without Shear Reinforcement: Criteria for Punching Shear. Struct. Eng. 2009, 87, 31–33. [Google Scholar]
- Vidosa, F.G.; Kotsovos, M.D.; Pavlovic, M.N. Symmetrical Punching of Reinforced Concrete Slabs: An Analytical Investigation Based on Nonlinear Finite Element Modeling. Struct. J. 1988, 85, 241–245. [Google Scholar]
- Park, H.G.; Choi, K.K.; Chung, L. Strain-Based Strength Model for Direct Punching Shear of Interior Slab–Column Connections. Eng. Struct. 2011, 33, 1062–1068. [Google Scholar] [CrossRef]
- Regan, P.E. Behaviour of Reinforced Concrete Flat Slabs; Report No. 89; Construction Industry Research and Information Association (CIRIA): London, UK, 1981; Available online: https://books.google.co.uk/books?id=cNWUPQAACAAJ (accessed on 15 March 2025).
- Rasmussen, B.H. Strength of Transversely Loaded Bolts and Dowels Cast into Concrete; Laboratoriet for Bugningastatik, Denmark Technical University: Meddelelse, Denmark, 1962; p. 34. [Google Scholar]
- Georgopoulos, T. Durchstanzlast und Durchstanzwinkel über Innenstützen Punktförmig Gestützter Stahlbetonplatten und Deren Sicherung Gegen Progressiven Kollaps; Technical University of Munich: Munich, Germany, 1986. [Google Scholar]
- ACI 349-78; Code Requirements for Nuclear Safety Related Concrete Structures. ACI: Chicago, IL, USA, 1978.
- Habibi, F.; Cook, W.D.; Mitchell, D. Predicting Post-Punching Shear Response of Slab-Column Connections. ACI Struct. J. 2014, 111, 123–134. [Google Scholar]
- Liu, J.; Ying, T.; Orton, S.L.; Said, A.M. Resistance of Flat-Plate Buildings Against Progressive Collapse. I: Modeling of Slab-Column Connections. J. Struct. Eng. 2015, 141, 04015053. [Google Scholar] [CrossRef]
- Liu, J.; Tian, Y.; Orton, S.L. Resistance of Flat-Plate Buildings against Progressive Collapse. II: System Response. J. Struct. Eng. 2015, 141, 04015054. [Google Scholar] [CrossRef]
- Sheu, M.S.; Hawkins, N.M. Grid Model for Predicting the Monotonic and Hysteretic Behavior of Slab-Column Connections Transferring Moments. ACI Spec. Publ. 1980, 63, 79–111. [Google Scholar]
- Coronelli, D. Grid Model for Flat-Slab Structures. ACI Struct. J. 2010, 107, 645–653. [Google Scholar]
- Tian, Y.; Chen, J.W.; Said, A.M.; Zhao, J. Nonlinear Modeling of Flat-Plate Structures Using Grid Beam Elements. Comput. Concr. 2012, 10, 489–505. [Google Scholar] [CrossRef]
- Morrison, D.G.; Hirasawa, I.; Sozen, M.A. Lateral-Load Tests of R/C Slab-Column Connections. J. Struct. Eng. 1983, 109, 2698–2714. [Google Scholar] [CrossRef]
- Akiyama, H.; Hawkins, N.M. Response of Flat Plate Concrete Structures to Seismic and Wind Forces; Structures and Mechanics Report SM84-1; University of Washington: Seattle, WA, USA, 1984. [Google Scholar]
- Luo, Y.H.; Durrani, A.J.; Conte, J.P. Equivalent Frame Analysis of Flat Plate Buildings for Seismic Loading. J. Struct. Eng. 1995, 120, 2137–2155. [Google Scholar] [CrossRef]
- Robertson, I.N. Analysis of Flat Slab Structures Subjected to Combined Lateral and Gravity Loads. ACI Struct. J. 1997, 94, 723–729. [Google Scholar]
- Tian, Y.; Jirsa, J.O.; Bayrak, O. Nonlinear Modeling of Slab-Column Connections Under Cyclic Loading. ACI Struct. J. 2009, 106, 30–38. [Google Scholar]
- Kang, T.H.-K.; Wallace, J.W.; Elwood, K.J. Nonlinear Modeling of Flat-Plate Systems. J. Struct. Eng. 2009, 135, 147–158. [Google Scholar] [CrossRef]
- Bao, Y.; Kunnath, S.K.; El-Tawil, S.; Lew, H.S. Macromodel-Based Simulation of Progressive Collapse: RC Frame Structures. J. Struct. Eng. 2008, 134, 1079–1091. [Google Scholar] [CrossRef]
- Khandelwal, K.; El-Tawil, S.; Kunnath, S.K.; Lew, H.S. Macromodel-Based Simulation of Progressive Collapse: Steel Frame Structures. J. Struct. Eng. 2008, 134, 1070–1078. [Google Scholar] [CrossRef]
- Peng, Z.H.; Orton, S.L.; Liu, J.R.; Tian, Y. Effects of In-Plane Restraint on Progression of Collapse in Flat-Plate Structures. J. Perform. Construct. Facil. 2017, 31, 04016112. [Google Scholar] [CrossRef]
- Mousapoor, E.; Ghiasi, V.; Madandoust, R. Macro Modeling of Slab-Column Connections in Progressive Collapse with Post-Punching Effect. Structures 2020, 27, 837–852. [Google Scholar] [CrossRef]
- Belytschko, T.; Liu, W.K.; Moran, B.; Elkhodary, K. Nonlinear Finite Elements for Continua and Structures, 2nd ed.; John Wiley & Sons: Hoboken, NJ, USA, 2013. [Google Scholar]
- Lu, X.Z.; Tian, Y.; Cen, S.; Guan, H.; Xie, L.L.; Wang, L.S. A High-Performance Quadrilateral Flat Shell Element for Seismic Collapse Simulation of Tall Buildings and Its Implementation in OpenSees. J. Earthquake Eng. 2018, 22, 1662–1682. [Google Scholar] [CrossRef]
- Xue, H.Z.; Guan, H.; Benoit, B.P.; Lu, X.Z.; Li, Y. Comparative and Parametric Studies on Behavior of RC-Flat Plates Subjected to Interior-Column Loss. J. Struct. Eng. 2020, 146, 04020069. [Google Scholar] [CrossRef]
- Bu, J.; Hu, Q.G.; Zhang, F.Z.; Su, Z.B. Analysis and Research on The Progressive Performance Collapse of Plate Structure Based on the Failure of Side Column and Corner Column. In Proceedings of the 28th National Structural Engineering Academic Conference, Nanchang, China, 19–20 October 2019; Volume III, pp. 10–16. (In Chinese). [Google Scholar]
- Halvoník, J.; Vidaković, A.; Borzovič, V. Failure Analysis of Collapsed Parking Garage Building Due to Punching. Eng. Fail. Anal. 2021, 129, 105712. [Google Scholar] [CrossRef]
- Comité Euro-International du Béton (CEB). CEB-FIP Model Code 1990—Final Draft; CEB Bulletins N◦203; CEB: Lausanne, Switzerland, 1991; Volume 1. [Google Scholar]
- Ulaeto, N.W.; Sagaseta, J.; Chryssanthopoulos, M. Horizontal Collapse Propagation of Concrete Flat Slabs Supported on Columns. J. Struct. Eng. 2022, 148, 04021266. [Google Scholar] [CrossRef]
- Kazemi-Moghaddam, A.; Sasani, M. Progressive Collapse Evaluation of Murrah Federal Building Following Sudden Loss of Column G20. Eng. Struct. 2015, 89, 162–171. [Google Scholar] [CrossRef]
- Weng, Y.H.; Qian, K.; Fu, F.; Fang, Q. Numerical Investigation on Load Redistribution Capacity of Flat Slab Substructures to Resist Progressive Collapse. J. Build. Eng. 2020, 29, 101109. [Google Scholar] [CrossRef]
- Cheng, D.H.; Song, C.; Yang, Y.H. Study on Mode of Unbonded Prestressed Slab-Column Structures against Progressive Collapse. J. Shenyang Jianzhu Univ. Nat. Sci. Ed. 2019, 35, 805–815. (In Chinese) [Google Scholar]
- Cosgun, T.; Sayin, B. Damage Assessment of RC Flat Slabs Partially Collapsed Due to Punching Shear. Int. J. Civil Eng. 2018, 16, 725–737. [Google Scholar] [CrossRef]
- Garg, S.; Agrawal, V.; Nagar, R. Progressive Collapse Behaviour of Reinforced Concrete Flat Slab Buildings Subject to Column Failures in Different Storeys. Mater. Today Proc. 2020, 43, 2263–2268. [Google Scholar] [CrossRef]




























Disclaimer/Publisher’s Note: The statements, opinions and data contained in all publications are solely those of the individual author(s) and contributor(s) and not of MDPI and/or the editor(s). MDPI and/or the editor(s) disclaim responsibility for any injury to people or property resulting from any ideas, methods, instructions or products referred to in the content. |
© 2025 by the authors. Licensee MDPI, Basel, Switzerland. This article is an open access article distributed under the terms and conditions of the Creative Commons Attribution (CC BY) license (https://creativecommons.org/licenses/by/4.0/).
Share and Cite
Li, X.; Dong, T.; Wang, C.; Zhang, W.; Liu, R.; Wang, J. A Review on the Progressive Collapse of Reinforced Concrete Flat Slab–Column Structures. Materials 2025, 18, 2056. https://doi.org/10.3390/ma18092056
Li X, Dong T, Wang C, Zhang W, Liu R, Wang J. A Review on the Progressive Collapse of Reinforced Concrete Flat Slab–Column Structures. Materials. 2025; 18(9):2056. https://doi.org/10.3390/ma18092056
Chicago/Turabian StyleLi, Xiao, Tengfang Dong, Chengquan Wang, Weiwei Zhang, Rongyang Liu, and Jingjing Wang. 2025. "A Review on the Progressive Collapse of Reinforced Concrete Flat Slab–Column Structures" Materials 18, no. 9: 2056. https://doi.org/10.3390/ma18092056
APA StyleLi, X., Dong, T., Wang, C., Zhang, W., Liu, R., & Wang, J. (2025). A Review on the Progressive Collapse of Reinforced Concrete Flat Slab–Column Structures. Materials, 18(9), 2056. https://doi.org/10.3390/ma18092056

