Study of Low-Temperature (Al)GaN on N-Polar GaN Films Grown by MOCVD on Vicinal SiC Substrates
Abstract
1. Introduction
2. Materials and Methods
3. Results and Discussion
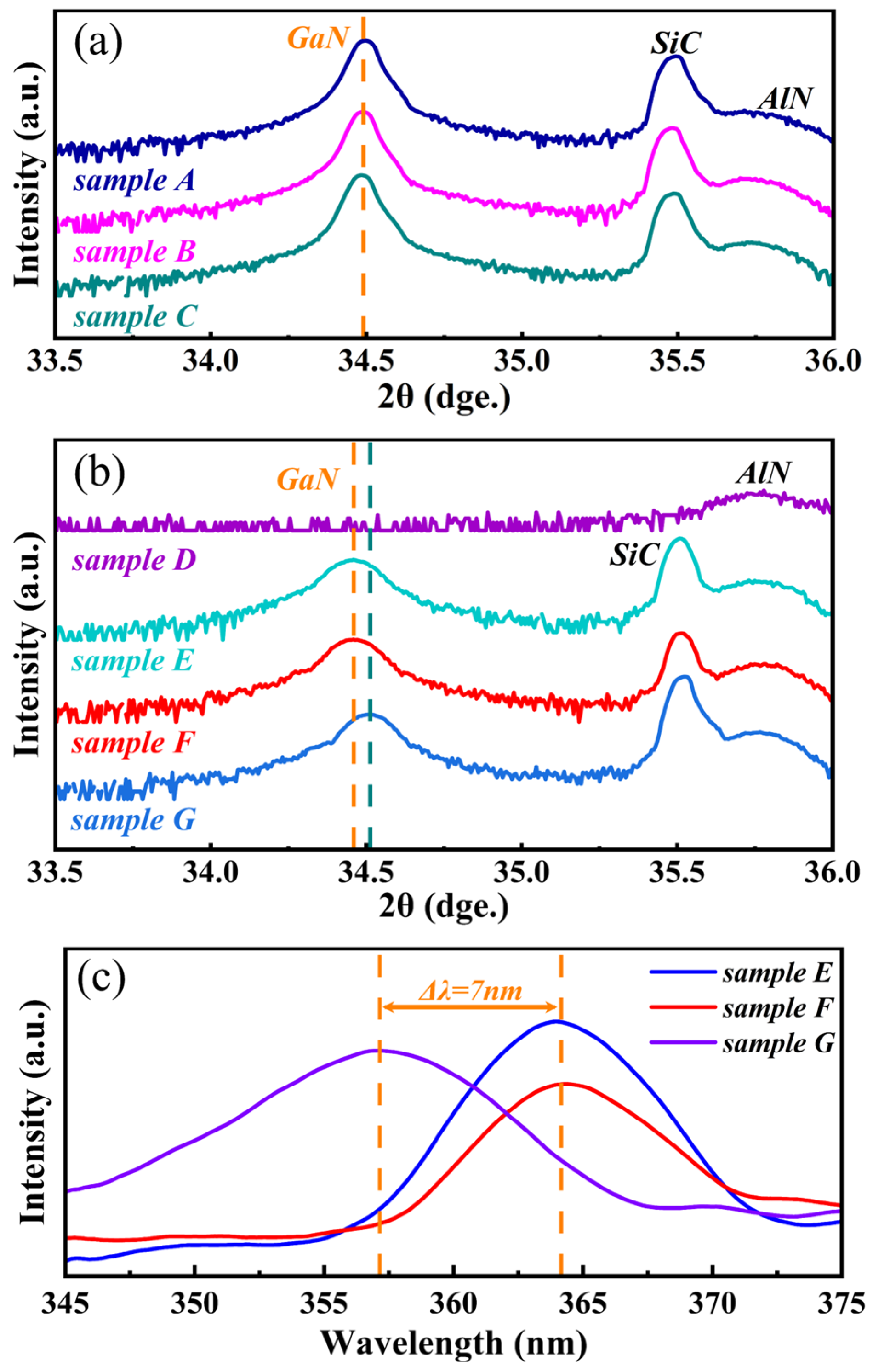
3.1. Al-Content Characterization of LT-AlGaN
3.2. Polarity Examination
3.3. Surface Morphology
3.4. Crystalline Quality
3.5. Construction of N-Polar GaN HEMT Epitaxy Structure
4. Conclusions
Author Contributions
Funding
Institutional Review Board Statement
Informed Consent Statement
Data Availability Statement
Conflicts of Interest
References
- Busari, S.A.; Mumtaz, S.; Al-Rubaye, S.; Rodriguez, J. 5G Millimeter-Wave Mobile Broadband: Performance and Challenges. IEEE Commun. Mag. 2018, 56, 137–143. [Google Scholar] [CrossRef]
- Shafi, M.; Molisch, A.F.; Smith, P.J.; Haustein, T.; Zhu, P.; De Silva, P.; Tufvesson, F.; Benjebbour, A.; Wunder, G. 5G: A Tutorial Overview of Standards, Trials, Challenges, Deployment, and Practice. IEEE J. Sel. Areas Commun. 2017, 35, 1201–1221. [Google Scholar] [CrossRef]
- Lu, H.; Zhang, M.; Yang, L.; Hou, B.; Martinez, R.P.; Mi, M.; Du, J.; Deng, L.; Wu, M.; Chowdhury, S.; et al. A review of GaN RF devices and power amplifiers for 5G communication applications. Fundam. Res. 2023, 5, 315–331. [Google Scholar] [CrossRef]
- Courtney, P.G.; Zeng, J.; Tran, T.; Trinh, H.; Behan, S. 120 W Ka band power amplifier utilizing GaN MMICs and coaxial waveguide spatial power combining. In Proceedings of the 2015 IEEE Compound Semiconductor Integrated Circuit Symposium (CSICS), New Orleans, LA, USA, 11–14 October 2015; pp. 1–4. [Google Scholar] [CrossRef]
- Inoue, A. Millimeter-Wave GaN Devices for 5G: Massive MIMO Antenna Arrays for Sub-6-Ghz and mm-Wave Bandwidth. IEEE Microw. Mag. 2021, 22, 100–110. [Google Scholar] [CrossRef]
- Tsao, J.Y.; Chowdhury, S.; Hollis, M.A.; Jena, D.; Johnson, N.M.; Jones, K.A.; Kaplar, R.J.; Rajan, S.; Van de Walle, C.G.; Bellotti, E.; et al. Ultrawide-Bandgap Semiconductors: Research Opportunities and Challenges. Adv. Electron. Mater. 2017, 4, 1600501. [Google Scholar] [CrossRef]
- Sun, H.; Lee, K.B.; Yuan, L.; Wang, W.; Selvaraj, S.L.; Lo, G.-Q. Theoretical study of short channel effect in highly scaled GaN HEMTs. In Proceedings of the 2012 IEEE International Symposium on Radio-Frequency Integration Technology (RFIT), Singapore, 21–23 November 2012; pp. 204–206. [Google Scholar] [CrossRef]
- Zhu, P.; Ni, X.; Fan, Q.; Gu, X. Surface Dispersion Suppression in High-Frequency GaN Devices. Crystals 2022, 12, 1461. [Google Scholar] [CrossRef]
- Wong, M.H.; Keller, S.; Dasgupta, N.S.; Denninghoff, D.J.; Kolluri, S.; Brown, D.F.; Lu, J.; Fichtenbaum, N.A.; Ahmadi, E.; Singisetti, U.; et al. N-polar GaN epitaxy and high electron mobility transistors. Semicond. Sci. Technol. 2013, 28, 074009. [Google Scholar] [CrossRef]
- Park, P.S.; Nath, D.N.; Rajan, S. Quantum Capacitance in N-Polar GaN/AlGaN/GaN Heterostructures. IEEE Electron Device Lett. 2012, 33, 991–993. [Google Scholar] [CrossRef]
- Dasgupta, S.; Nidhi; Brown, D.F.; Wu, F.; Keller, S.; Speck, J.S.; Mishra, U.K. Ultralow nonalloyed Ohmic contact resistance to self aligned N-polar GaN high electron mobility transistors by In(Ga)N regrowth. Appl. Phys. Lett. 2010, 96, 143504. [Google Scholar] [CrossRef]
- Wienecke, S.; Romanczyk, B.; Guidry, M.; Li, H.; Ahmadi, E.; Hestroffer, K.; Zheng, X.; Keller, S.; Mishra, U.K. N-polar GaN cap MISHEMT with record power density exceeding 6.5 W/mm at 94 GHz. IEEE Electron Device Lett. 2017, 38, 359–362. [Google Scholar] [CrossRef]
- Keller, S.; Li, H.; Laurent, M.; Hu, Y.; Pfaff, N.; Lu, J.; Brown, D.F.; Fichtenbaum, N.A.; Speck, J.S.; DenBaars, S.P.; et al. Recent progress in metal-organic chemical vapor deposition of (000) N-polar group-III nitrides. Semicond. Sci. Technol. 2014, 29, 113001. [Google Scholar] [CrossRef]
- Weyher, J.; Brown, P.; Zauner, A.; Müller, S.; Boothroyd, C.; Foord, D.; Hageman, P.; Humphreys, C.; Larsen, P.; Grzegory, I. Morphological and structural characteristics of homoepitaxial GaN grown by metalorganic chemical vapour deposition (MOCVD). J. Cryst. Growth 1999, 204, 419–428. [Google Scholar] [CrossRef]
- Won, D.; Redwing, J.M. Effect of AlN buffer layers on the surface morphology and structural properties of N-polar GaN films grown on vicinal C-face SiC substrates. J. Cryst. Growth 2013, 377, 51–58. [Google Scholar] [CrossRef]
- Keller, S.; Fichtenbaum, N.A.; Wu, F.; Brown, D.; Rosales, A.; DenBaars, S.P.; Speck, J.S.; Mishra, U.K. Influence of the substrate misorientation on the properties of N-polar GaN films grown by metal organic chemical vapor deposition. J. Appl. Phys. 2007, 102, 083546. [Google Scholar] [CrossRef]
- Brown, D.F.; Keller, S.; Wu, F.; Speck, J.S.; DenBaars, S.P.; Mishra, U.K. Growth and characterization of N-polar GaN films on SiC by metal organic chemical vapor deposition. J. Appl. Phys. 2008, 104, 024301. [Google Scholar] [CrossRef]
- Zhang, H.; Persson, I.; Chen, J.T.; Papamichail, A.; Tran, D.Q.; Persson, P.O.Å.; Paskov, P.P.; Darakchieva, V. Polarity Control by Inversion Domain Suppression in N-Polar III-Nitride Heterostructures. Cryst. Growth Des. 2023, 23, 1049–1056. [Google Scholar] [CrossRef]
- Keller, S.; Suh, C.S.; Chen, Z.; Chu, R.; Rajan, S.; Fichtenbaum, N.A.; Furukawa, M.; DenBaars, S.P.; Speck, J.S.; Mishra, U.K. Properties of N-polar AlGaN/GaN heterostructures and field effect transistors grown by metalorganic chemical vapor deposition. J. Appl. Phys. 2008, 103, 033708. [Google Scholar] [CrossRef]
- Umana-Membreno, G.A.; Fehlberg, T.B.; Kolluri, S.; Brown, D.F.; Keller, S.; Mishra, U.K.; Nener, B.D.; Faraone, L.; Parish, G. Two-dimensional electron gas transport anisotropy in N-polar GaN/AlGaN heterostructures. Appl. Phys. Lett. 2011, 98, 222103. [Google Scholar] [CrossRef]
- Li, C.; Zhang, K.; Zeng, Q.; Wang, Q.; Li, Z.; Zhao, W.; Chen, Z. Effect of V/III ratio on the surface morphologies of N-polar GaN films grown on offcut sapphire substrates. J. Cryst. Growth 2020, 536, 125599. [Google Scholar] [CrossRef]
- Won, D.; Weng, X.; Al Balushi, Z.Y.; Redwing, J.M. Influence of growth stress on the surface morphology of N-polar GaN films grown on vicinal C-face SiC substrates. Appl. Phys. Lett. 2013, 103, 241908. [Google Scholar] [CrossRef]
- Zhang, H.; Chen, T.; Papamichail, A.; Persson, I.; Paskov, P.P.; Darakchieva, V. High-quality N-polar GaN optimization by multi-step temperature growth process. J. Cryst. Growth 2023, 603, 127002. [Google Scholar] [CrossRef]
- Sfuncia, G.; Nicotra, G.; Giannazzo, F.; Pécz, B.; Gueorguiev, G.K.; Kakanakova-Georgieva, A. 2D graphitic-like gallium nitride and other structural selectivity in confinement at the graphene/SiC interface. CrystEngComm 2023, 25, 5810–5817. [Google Scholar] [CrossRef]
- Kakanakova-Georgieva, A.; Ivanov, I.G.; Suwannaharn, N.; Hsu, C.-W.; Cora, I.; Pécz, B.; Giannazzo, F.; Sangiovanni, D.G.; Gueorguiev, G.K. MOCVD of AlN on epitaxial graphene at extreme temperatures. CrystEngComm 2021, 23, 385–390. [Google Scholar] [CrossRef]
- Kuo, Y.-K.; Lin, W.-W. Band-Gap Bowing Parameter of the AlxGa1-xN Derived from Theoretical Simulation. Jpn. J. Appl. Phys. 2002, 41, 73–74. [Google Scholar] [CrossRef]
- Su, Z.; Li, Y.; Yin, H.; Hai, Y.; Hu, X.; Song, Y.; Kong, R.; Deng, Z.; Ma, Z.; Du, C.; et al. Role of low temperature Al(Ga)N interlayers on the polarity and quality control of GaN epitaxy. J. Cryst. Growth 2022, 598, 126867. [Google Scholar] [CrossRef]
- Guo, W.; Xie, J.; Akouala, C.; Mita, S.; Rice, A.; Tweedie, J.; Bryan, I.; Collazo, R.; Sitar, Z. Comparative study of etching high crystalline quality AlN and GaN. J. Cryst. Growth 2013, 366, 20–25. [Google Scholar] [CrossRef]
- Wang, Y.; Yao, J.; Yang, Y.; Fan, Q.; Ni, X.; Gu, X. Polycrystalline Diamond Film Growth on Gallium Nitride with Low Boundary Thermal Resistance. Coatings 2024, 14, 1457. [Google Scholar] [CrossRef]
- Aida, H.; Kim, S.-W.; Suzuki, T.; Koyama, K.; Aota, N.; Doi, T.; Yamazaki, T. Surface Planarization of GaN-on-Sapphire Template by Chemical Mechanical Polishing for Subsequent GaN Homoepitaxy. ECS J. Solid State Sci. Technol. 2014, 3, P163–P168. [Google Scholar] [CrossRef]
- Asghar, K.; Qasim, M.; Das, D. Effect of Polishing Parameters on Chemical Mechanical Planarization of C-Plane (0001) Gallium Nitride Surface Using SiO2 and Al2O3 Abrasives. ECS J. Solid State Sci. Technol. 2014, 3, P277–P284. [Google Scholar] [CrossRef]
- Li, C.; Li, Z.; Peng, D.; Yang, Q.; Zhang, D.; Luo, W.; Pan, C. Growth of thin AlN nucleation layer and its impact on GaN-on-SiC heteroepitaxy. J. Alloys Compd. 2020, 838, 155557. [Google Scholar] [CrossRef]
- Matsuoka, T.; Mitate, T.; Mizuno, S.; Takahata, H.; Tanikawa, T. N-Polar growth of nitride semiconductors with MOVPE and its applications. J. Cryst. Growth 2023, 606, 127056. [Google Scholar] [CrossRef]
- Xie, M.H.; Seutter, S.M.; Zheng, L.X.; Cheung, S.H.; Ng, Y.F.; Wu, H.; Tong, S.Y. Surface Morphology of GaN: Flat versus Vicinal Surfaces. MRS Internet J. Nitride Semicond. Res. 2014, 5, 174–180. [Google Scholar] [CrossRef]
- Xie, M.; Seutter, S.; Zhu, W.; Zheng, L.; Wu, H.; Tong, S. Anisotropic step-flow growth and island growth of GaN (0001) by molecular beam epitaxy. Phys. Rev. Lett. 1999, 82, 2749. [Google Scholar] [CrossRef]
- Zhang, H.; Chen, J.T.; Papamichail, A.; Persson, I.; Tran, D.Q.; Paskov, P.P.; Darakchieva, V. Effect of substrate misorientation angle on the structural properties of N-polar GaN grown by hot-wall MOCVD on 4H-SiC (000). J. Cryst. Growth 2025, 651, 127871. [Google Scholar] [CrossRef]
- Mysliveček, J.; Schelling, C.; Schäffler, F.; Springholz, G.; Šmilauer, P.; Krug, J.; Voigtländer, B. On the microscopic origin of the kinetic step bunching instability on vicinal Si (001). Surf. Sci. 2002, 520, 193–206. [Google Scholar] [CrossRef]
- Bryan, I.; Bryan, Z.; Mita, S.; Rice, A.; Tweedie, J.; Collazo, R.; Sitar, Z. Surface kinetics in AlN growth: A universal model for the control of surface morphology in III-nitrides. J. Cryst. Growth 2016, 438, 81–89. [Google Scholar] [CrossRef]
- Mita, S.; Collazo, R.; Rice, A.; Dalmau, R.F.; Sitar, Z. Influence of gallium supersaturation on the properties of GaN grown by metalorganic chemical vapor deposition. J. Appl. Phys. 2008, 104, 013521. [Google Scholar] [CrossRef]
- Kandalam, A.K.; Pandey, R.; Blanco, M.; Costales, A.; Recio, J.; Newsam, J.M. First principles study of polyatomic clusters of AlN, GaN, and InN. 1. Structure, stability, vibrations, and ionization. J. Phys. Chem. B 2000, 104, 4361–4367. [Google Scholar] [CrossRef]
- Deng, G.; Zhang, Y.; Yu, Y.; Yan, L.; Li, P.; Han, X.; Chen, L.; Zhao, D.; Du, G. Significantly improved surface morphology of N-polar GaN film grown on SiC substrate by the optimization of V/III ratio. Appl. Phys. Lett. 2018, 112, 151607. [Google Scholar] [CrossRef]
- Kim, S.; Oh, J.; Kang, J.; Kim, D.; Won, J.; Kim, J.W.; Cho, H.-K. Two-step growth of high quality GaN using V/III ratio variation in the initial growth stage. J. Cryst. Growth 2004, 262, 7–13. [Google Scholar] [CrossRef]
- Lang, T.; Odnoblyudov, M.; Bougrov, V.; Sopanen, M. MOCVD growth of GaN islands by multistep nucleation layer technique. J. Cryst. Growth 2005, 277, 64–71. [Google Scholar] [CrossRef]
- Sun, Q.; Cho, Y.S.; Lee, I.H.; Han, J.; Kong, B.H.; Cho, H.K. Nitrogen-polar GaN growth evolution on c-plane sapphire. Appl. Phys. Lett. 2008, 93, 131912. [Google Scholar] [CrossRef]
- Hoshino, K.; Yanagita, N.; Araki, M.; Tadatomo, K. Effect of low-temperature GaN buffer layer on the crystalline quality of subsequent GaN layers grown by MOVPE. J. Cryst. Growth 2007, 298, 232–234. [Google Scholar] [CrossRef]
- Follstaedt, D.M.; Lee, S.R.; Allerman, A.A.; Floro, J.A. Strain relaxation in AlGaN multilayer structures by inclined dislocations. J. Appl. Phys. 2009, 105, 083507. [Google Scholar] [CrossRef]
- Zhang, J.; Yang, X.; Feng, Y.; Li, Y.; Wang, M.; Shen, J.; Wei, L.; Liu, D.; Wu, S.; Cai, Z. Vacancy-engineering-induced dislocation inclination in III-nitrides on Si substrates. Phys. Rev. Mater. 2020, 4, 073402. [Google Scholar] [CrossRef]
- Wang, Y.; Niu, Y.; Yu, J.; Zhang, L.; Ma, H.; Wang, Y.; Lu, C.; Deng, G.; Zhang, B.; Zhang, Y. Growth of high-quality nitrogen-polar GaN film by two-step high-temperature method. Thin Solid Film. 2022, 752, 139246. [Google Scholar] [CrossRef]
- Fichtenbaum, N.A.; Mates, T.E.; Keller, S.; DenBaars, S.P.; Mishra, U.K. Impurity incorporation in heteroepitaxial N-face and Ga-face GaN films grown by metalorganic chemical vapor deposition. J. Cryst. Growth 2008, 310, 1124–1131. [Google Scholar] [CrossRef]
- Tanikawa, T.; Kuboya, S.; Matsuoka, T. Control of impurity concentration in N-polar (000) GaN grown by metalorganic vapor phase epitaxy. Phys. Status Solidi B 2017, 254, 1600751. [Google Scholar] [CrossRef]








Disclaimer/Publisher’s Note: The statements, opinions and data contained in all publications are solely those of the individual author(s) and contributor(s) and not of MDPI and/or the editor(s). MDPI and/or the editor(s) disclaim responsibility for any injury to people or property resulting from any ideas, methods, instructions or products referred to in the content. |
© 2025 by the authors. Licensee MDPI, Basel, Switzerland. This article is an open access article distributed under the terms and conditions of the Creative Commons Attribution (CC BY) license (https://creativecommons.org/licenses/by/4.0/).
Share and Cite
Yang, Y.; Ni, X.; Fan, Q.; Gu, X. Study of Low-Temperature (Al)GaN on N-Polar GaN Films Grown by MOCVD on Vicinal SiC Substrates. Materials 2025, 18, 638. https://doi.org/10.3390/ma18030638
Yang Y, Ni X, Fan Q, Gu X. Study of Low-Temperature (Al)GaN on N-Polar GaN Films Grown by MOCVD on Vicinal SiC Substrates. Materials. 2025; 18(3):638. https://doi.org/10.3390/ma18030638
Chicago/Turabian StyleYang, Yong, Xianfeng Ni, Qian Fan, and Xing Gu. 2025. "Study of Low-Temperature (Al)GaN on N-Polar GaN Films Grown by MOCVD on Vicinal SiC Substrates" Materials 18, no. 3: 638. https://doi.org/10.3390/ma18030638
APA StyleYang, Y., Ni, X., Fan, Q., & Gu, X. (2025). Study of Low-Temperature (Al)GaN on N-Polar GaN Films Grown by MOCVD on Vicinal SiC Substrates. Materials, 18(3), 638. https://doi.org/10.3390/ma18030638
