Physicochemical and Adsorption Characterization of Char Derived from Resorcinol–Formaldehyde Resin Modified with Metal Oxide/Silica Nanocomposites
Abstract
1. Introduction
2. Materials and Methods
2.1. Chemicals
2.2. Preparation of Nanocomposites
2.3. Characterization Methods
2.4. Adsorption from Solutions
3. Results and Discussion
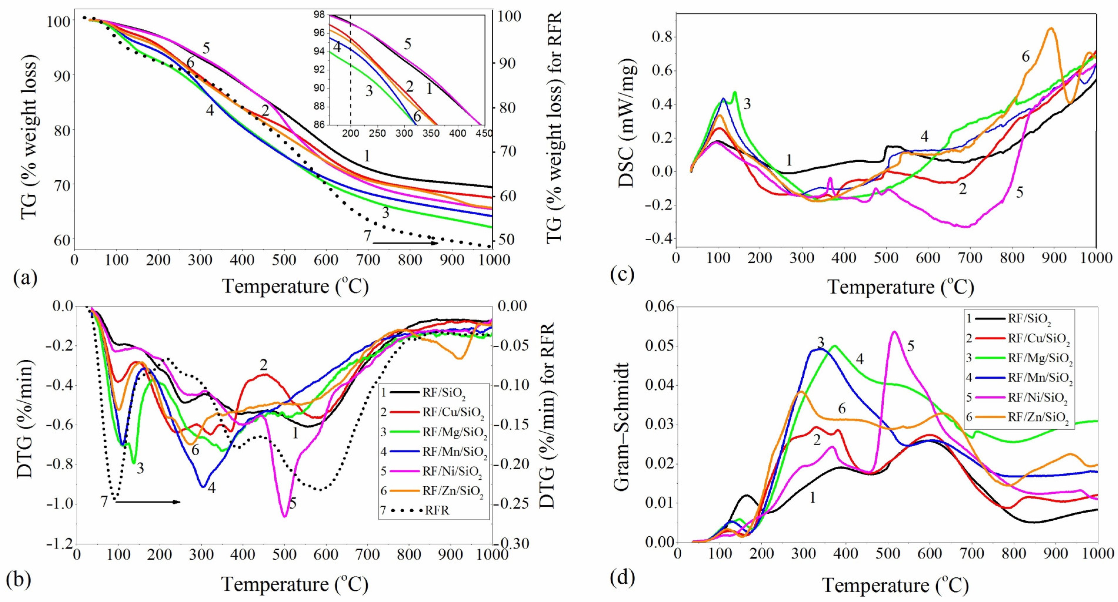
3.1. Thermal Decomposition of Resorcinol–Formaldehyde Polymer in the Presence of Oxide Composites in N2 Atmosphere
3.2. Porosity of Composites
3.3. Structural and Morphological Analysis
3.4. Degradation of Composites in Oxidizing Atmosphere
3.5. Adsorption Properties
4. Conclusions
Supplementary Materials
Author Contributions
Funding
Institutional Review Board Statement
Informed Consent Statement
Data Availability Statement
Conflicts of Interest
References
- Li, H.; Chen, L.; Li, X.; Sun, D.; Zhang, H. Recent Progress on Asymmetric Carbon- and Silica-Based Nanomaterials: From Synthetic Strategies to Their Applications. Nano-Micro Lett. 2022, 14, 45. [Google Scholar] [CrossRef] [PubMed]
- Bhattacharya, K.; Mukherjee, S.P.; Gallud, A.; Burkert, S.C.; Bistarelli, S.; Bellucci, S.; Bottini, M.; Star, A.; Fadeel, B. Biological Interactions of Carbon-Based Nanomaterials: From Coronation to Degradation. Nanomedicine 2016, 12, 333–351. [Google Scholar] [CrossRef] [PubMed]
- Janjua, T.I.; Cao, Y.; Kleitz, F.; Linden, M.; Yu, C.; Popat, A. Silica Nanoparticles: A Review of Their Safety and Current Strategies to Overcome Biological Barriers. Adv. Drug Deliv. Rev. 2023, 203, 115115. [Google Scholar] [CrossRef] [PubMed]
- Björk, E.M.; Militello, M.P.; Tamborini, L.H.; Coneo Rodriguez, R.; Planes, G.A.; Acevedo, D.F.; Moreno, M.S.; Odén, M.; Barbero, C.A. Mesoporous Silica and Carbon Based Catalysts for Esterification and Biodiesel Fabrication—The Effect of Matrix Surface Composition and Porosity. Appl. Catal. A Gen. 2017, 533, 49–58. [Google Scholar] [CrossRef]
- Medykowska, M.; Wiśniewska, M.; Galaburda, M.; Szewczuk-Karpisz, K. Novel Carbon-Based Composites Enriched with Fe and Mn as Effective and Eco-Friendly Adsorbents of Heavy Metals in Multicomponent Solutions. Chemosphere 2023, 340, 139958. [Google Scholar] [CrossRef] [PubMed]
- Wadi, B.; Golmakani, A.; Borhani, T.N.; Manovic, V.; Nabavi, S.A. Molecular Simulation Techniques as Applied to Silica and Carbon-Based Adsorbents for Carbon Capture. Energies 2023, 16, 5013. [Google Scholar] [CrossRef]
- Vovchenko, L.L.; Matzui, L.Y.; Yakovenko, O.S.; Lozitsky, O.V.; Len, T.A.; Oliynyk, V.V.; Galaburda, M.V.; Borovoy, M.O.; Syvolozhskyi, O.A. Electrical and shielding properties of epoxy composites with Ni–C and Co–C core-shell nanoparticles. Physica E Low Dimens. Syst. Nanostruct. 2022, 144, 115463. [Google Scholar] [CrossRef]
- Wang, H.; Zhang, C.; Zhou, B.; Zhang, Z.; Shen, J.; Du, A. Ultra-Black Carbon@silica Core-Shell Aerogels with Controllable Electrical Conductivities. Adv. Compos. Hybrid Mater. 2019, 2, 743–752. [Google Scholar] [CrossRef]
- Li, J.; Guo, P.; Hu, C.; Pang, S.; Ma, J.; Zhao, R.; Tang, S.; Cheng, H.-M. Fabrication of Large Aerogel-Like Carbon/Carbon Composites with Excellent Load-Bearing Capacity and Thermal-Insulating Performance at 1800 °C. ACS Nano 2022, 16, 6565–6577. [Google Scholar] [CrossRef]
- Jankowska, H.; Swiatkowski, A.; Choma, J. Activated Carbon; Ellis Horwood: Chichester, UK, 1991. [Google Scholar]
- Lee, J.; Kim, J.; Hyeon, T. Recent progress in the synthesis of porous carbon materials. Adv. Mater. 2006, 18, 2073–2094. [Google Scholar] [CrossRef]
- Ryoo, R.; Joo, S.H.; Jun, S. Synthesis of highly ordered carbon molecular sieves via template-mediated structural transformation. J. Phys. Chem. B 1999, 103, 7743–7746. [Google Scholar] [CrossRef]
- Danish, M.; Ahmad, T. A review on utilization of wood biomass as a sustainable precursor for activated carbon production and application. Renew. Sustain. Energy Rev. 2018, 87, 1–21. [Google Scholar] [CrossRef]
- Ryoo, R.; Joo, S.H.; Kruk, M.; Jaroniec, M. Ordered mesoporous carbons. Adv. Mater. 2001, 13, 677–681. [Google Scholar] [CrossRef]
- Yang, M.; Wang, G. Synthesis of hierarchical porous carbon particles by hollow polymer microsphere template. Colloids Surf. A-Physicochem. Eng. Asp. 2009, 345, 121–126. [Google Scholar] [CrossRef]
- Galaburda, M.; Szewczuk-Karpisz, K.; Goncharuk, O.; Siryk, O.; Charmas, B.; Deryło-Marczewska, A. The Influence of Sodium Alginate on the Structural and Adsorption Properties of Resorcinol-formaldehyde Resins and Their Porous Carbon Derivatives. ChemPhysChem 2024, 25, e202300796. [Google Scholar] [CrossRef]
- Galaburda, M.V.; Bogatyrov, V.M.; Skubiszewska-ZiĿba, J.; Oranska, O.I.; Sternik, D.; Gunko, V.M. Synthesis and Structural Features of Resorcinol-formaldehyde Resin Chars Containing Nickel Nanoparticles. Appl. Surf. Sci. 2016, 360, 722–730. [Google Scholar] [CrossRef]
- Li, T.; Cao, M.; Liang, J.; Xie, X.; Du, G. Mechanism of Base-Catalyzed Resorcinol-Formaldehyde and Phenol-Resorcinol-Formaldehyde Condensation Reactions: A Theoretical Study. Polymers 2017, 9, 426. [Google Scholar] [CrossRef]
- Kinnertová, E.; Slovák, V. Influence of Catalyst Amount on Properties of Resorcinol-Formaldehyde Xerogels. Thermochim. Acta 2018, 660, 37–43. [Google Scholar] [CrossRef]
- Kinnertová, E.; Slovák, V. Kinetics of Resorcinol–Formaldehyde Polycondensation by DSC. J. Therm. Anal. Calorim. 2018, 134, 1215–1222. [Google Scholar] [CrossRef]
- Skowroński, J.M.; Osińska, M. The Influence of Thermal Treatment on the Electrochemical Properties of Carbon–Ni–Pd Composites. J. Sol-Gel Sci. Technol. 2014, 71, 109–117. [Google Scholar] [CrossRef]
- Gun’ko, V.M.; Bogatyrov, V.M.; Oranska, O.I.; Urubkov, I.V.; Leboda, R.; Charmas, B.; Skubiszewska-Zięba, J. Synthesis and Characterization of Resorcinol–Formaldehyde Resin Chars Doped by Zinc Oxide. Appl. Surf. Sci. 2014, 303, 263–271. [Google Scholar] [CrossRef]
- Galaburda, M.V.; Bogatyrov, V.M.; Tomaszewski, W.; Oranska, O.I.; Borysenko, M.V.; Skubiszewska-Zięba, J.; Gun’ko, V.M. Adsorption/Desorption of Explosives on Ni-, Co-, and NiCo-Carbon Composites: Application in Solid Phase Extraction. Colloids Surf. A-Physicochem. Eng. Asp. 2017, 529, 950–958. [Google Scholar] [CrossRef]
- Galaburda, M.; Zienkiewicz-Strzalka, M.; Blachnio, M.; Bogatyrov, V.; Kutkowska, J.; Choma, A.; Derylo-Marczewska, A. Ag-Containing Carbon Nanocomposites: Physico-Chemical Properties and Antimicrobial Activity. Sustainability 2023, 15, 16817. [Google Scholar] [CrossRef]
- Bogatyrev, V.M.; Oranska, O.I.; Gun’ko, V.M.; Leboda, R.; Skubiszewska-Zieba, J. Influence of Metal Content on Structural Characteristics of Inorganic Nanocomposities MxOy/SiO2 and C/MxOy/SiO2. Chem. Phys. Surf. Technol. 2011, 2, 135–146. [Google Scholar]
- Liang, Z.; Hong, Z.; Xie, M.; Gu, D. Recent Progress of Mesoporous Carbons Applied in Electrochemical Catalysis. New Carbon Mater. 2022, 37, 152–179. [Google Scholar] [CrossRef]
- Zhang, Z.; Lees, E.W.; Habibzadeh, F.; Salvatore, D.A.; Ren, S.; Simpson, G.L.; Wheeler, D.G.; Liu, A.; Berlinguette, C.P. Porous Metal Electrodes Enable Efficient Electrolysis of Carbon Capture Solutions. Energy Environ. Sci. 2022, 15, 705–713. [Google Scholar] [CrossRef]
- Yu, H.; Wu, L.; Ni, B.; Chen, T. Research Progress on Porous Carbon-Based Non-Precious Metal Electrocatalysts. Materials 2023, 16, 3283. [Google Scholar] [CrossRef]
- Gun’ko, V.M.; Bogatyrov, V.M.; Oranska, O.I.; Galaburda, M.V.; Polshin, E.V.; Urubkov, I.V.; Leboda, R.; Skubiszewska-Zięba, J.; Charmas, B. Effect of Nanosilica on Characteristics of Carbonizates of Phenol-Formaldehyde Resin–Fe(Acac)3. Appl. Surf. Sci. 2013, 264, 707–712. [Google Scholar] [CrossRef]
- Tomaszewski, W.; Gun’ko, V.M.; Skubiszewska-Zięba, J.; Charmas, B.; Leboda, R. Influence of Carbon Deposits and Subsequent Silylation of Silica Gel on Sorption Efficiency of Explosive Nitramines. Colloid Surf. A-Physicochem. Eng. Asp. 2015, 468, 76–86. [Google Scholar] [CrossRef]
- Jenkins, R.; Snyder, R.L. Introduction to X-ray Powder Diffractometry; Wiley: New York, NY, USA, 1996; ISBN 9780471513391. [Google Scholar]
- Gun’ko, V.M. Composite Materials: Textural Characteristics. Appl. Surf. Sci. 2014, 307, 444–454. [Google Scholar] [CrossRef]
- Gun’ko, V.M.; Mikhalovsky, S.V. Evaluation of Slitlike Porosity of Carbon Adsorbents. Carbon 2004, 42, 843–849. [Google Scholar] [CrossRef]
- Derylo-Marczewska, A.; Swiatkowski, A.; Grajek, H.; Biniak, S.; Witkiewicz, Z. Changes in the Surface Chemistry and Adsorptive Properties of Active Carbon Previously Oxidized and Heat-Treated at Various Temperatures III. Studies of Organic Solutes Adsorption from Aqueous Solutions. Ads. Sci. Technol. 2005, 23, 867–879. [Google Scholar] [CrossRef]
- Lin, C.; Ritter, J.A. Effect of Synthesis PH on the Structure of Carbon Xerogels. Carbon 1997, 35, 1271–1278. [Google Scholar] [CrossRef]
- Sternik, D.; Galaburda, M.V.; Bogatyrov, V.M.; Oranska, O.I.; Charmas, B.; Gun’ko, V.M. Novel Porous Carbon/Clay Nanocomposites Derived from Kaolinite/Resorcinol-Formaldehyde Polymer Blends: Synthesis, Structure and Sorption Properties. Appl. Surf. Sci. 2020, 525, 146361. [Google Scholar] [CrossRef]
- Sternik, D.; Galaburda, M.; Bogatyrov, V.; Gun’ko, V. Influence of the Synthesis Method on the Structural Characteristics of Novel Hybrid Adsorbents Based on Bentonite. Colloids Interfaces 2019, 3, 18. [Google Scholar] [CrossRef]
- Bogatyrov, V.M.; Mischanchuk, O.V.; Galaburda, M.V.; Pokrovskiy, V.A.; Gun’ko, V.M. Thermodesorption Mass-Spectrometry of Composites Based on Resorcinol-Formaldehyde Resin. Surface 2018, 10, 217–227. [Google Scholar] [CrossRef]
- Charmas, B.; Kucio, K.; Sydorchuk, V.; Khalameida, S.; Zięzio, M.; Nowicka, A. Characterization of Multimodal Silicas Using TG/DTG/DTA, Q-TG, and DSC Methods. Colloids Interfaces 2018, 3, 6. [Google Scholar] [CrossRef]
- Geler-Kremer, J.; Posadas, A.B.; Demkov, A.A. Preparation of Clean MgO Surface by Oxygen Plasma: Comparison with Standard Substrate Cleaning Procedures. J. Vac. Sci. Technol. B 2020, 38, 062201. [Google Scholar] [CrossRef]
- Schindler, A.; Neumann, G.; Rager, A.; Füglein, E.; Blumm, J.; Denner, T. A Novel Direct Coupling of Simultaneous Thermal Analysis (STA) and Fourier Transform-Infrared (FT-IR) Spectroscopy. J. Therm. Anal. Calorim. 2013, 113, 1091–1102. [Google Scholar] [CrossRef][Green Version]
- Weast, R.C. (Ed.) CRC Handbook of Chemistry and Physics; CRC Press: Boca Raton, FL, USA, 1983. [Google Scholar]
- Bouajila, J.; Raffin, G.; Alamercery, S.; Waton, H.; Sanglar, C.; Grenier-Loustalot, M.F. Phenolic Resins (IV). Thermal Degradation of Crosslinked Resins in Controlled Atmospheres. Polym. Polym. Compos. 2003, 11, 345–357. [Google Scholar] [CrossRef]
- Shulman, G.P.; Lochte, H.W. Thermal degradation of polymers. II. Mass spectrometric thermal analysis of phenol-formaldehyde polycondensates. J. Appl. Polym. Sci. 1966, 10, 619–635. [Google Scholar] [CrossRef]
- Ferrari, A.C.; Robertson, J. Interpretation of Raman Spectra of Disordered and Amorphous Carbon. Phys. Rev. B 2000, 61, 14095–14107. [Google Scholar] [CrossRef]
- Tuinstra, F.; Koenig, J.L. Raman Spectrum of Graphite. J. Chem. Phys. 1970, 53, 1126–1130. [Google Scholar] [CrossRef]
- Havel, M.; Colomban, P. Rayleigh and Raman Images of the Bulk/Surface Nanostructure of SiC Based Fibres. Compos. B Eng. 2004, 35, 139–147. [Google Scholar] [CrossRef]
- Galaburda, M.; Kovalska, E.; Hogan, B.T.; Baldycheva, A.; Nikolenko, A.; Dovbeshko, G.I.; Oranska, O.I.; Bogatyrov, V.M. Mechanochemical Synthesis of Carbon-Stabilized Cu/C, Co/C and Ni/C Nanocomposites with Prolonged Resistance to Oxidation. Sci. Rep. 2019, 9, 17435. [Google Scholar] [CrossRef]
- Marczewski, A.W.; Jaroniec, M. A new isotherm equation for single-solute adsorption from dilute solutions on energetically heterogeneous solids—Short communication. Monatshefte Chem. Chem. Mon. 1983, 114, 711–715. [Google Scholar] [CrossRef]
- Jaroniec, M.; Marczewski, A.W. Physical adsorption of gases on energetically heterogeneous solids I. Generalized Langmuir equation and its energy distribution. Monatshefte Chem. Chem. Mon. 1984, 115, 997–1012. [Google Scholar] [CrossRef]










| Sample | Temperature Range, I Stage, °C | TmaxI °C | ΔmI, % | Low- Temperature Range, °C | Tmax °C | Δm, % | High- Temperature Range, °C | ΔmI, % | TmaxII °C | Δmtotal, % |
|---|---|---|---|---|---|---|---|---|---|---|
| RF | 35–217 | 89 | 10.3 | 215–445 | 385 | 13.5 | 446–800 | 38 | 580 | 51 |
| RF/SiO2 | 35–210 | 102.7 | 4.1 | 141–411 | 258.5 395.9 | 10.8 | 412–800 | 17.3 | 556 | 30 |
| RF/Cu/SiO2 | 35–150 | 98.7 | 2.8 | 144–455 | 237.6 321.1 371.4 | 16.5 | 456–800 | 12.8 | 582 | 32.1 |
| RF/Mg/SiO2 | 35–184 | 137.6 | 5.3 | 184–472 | 351.4 | 18.1 | 472–800 | 11.6 | 510 | 38.1 |
| RF/Mn/SiO2 | 35–168 | 110.3 | 4.7 | 168–467 | 304 | 17.6 | 467–800 | 11.3 | - | 36.1 |
| RF/Ni/SiO2 | 35–203 | 93.2 | 3.2 | 203–445 | 267.4 399.2 | 11.2 | 445–800 | 18.8 | 500.2 | 34.6 |
| RF/Zn/SiO2 | 35–160 | 100.8 | 3.5 | 156–485 | 221.3 274.8 | 17.1 | 486–800 | 11.2 | 520.9 921 | 34.4 |
| Sample | SBET (m2/g) | Smicro (m2/g) | Smeso (m2/g) | Smacro (m2/g) | Vp (cm3/g) | Vmicro (cm3/g) | Vmeso (cm3/g) | Vmacro (cm3/g) |
|---|---|---|---|---|---|---|---|---|
| C/SiO2 | 368 | 181 | 185 | 1.2 | 0.741 | 0.075 | 0.633 | 0.033 |
| C/Cu/SiO2 | 377 | 202 | 172 | 3.2 | 0.786 | 0.078 | 0.649 | 0.059 |
| C/Mg/SiO2 | 311 | 119 | 192 | 0.2 | 0.443 | 0.050 | 0.385 | 0.008 |
| C/Mn/SiO2 | 323 | 153 | 169 | 0.7 | 0.532 | 0.060 | 0.455 | 0.017 |
| C/Ni/SiO2 | 443 | 215 | 226 | 2.1 | 0.795 | 0.086 | 0.666 | 0.043 |
| C/Zn/SiO2 | 333 | 118 | 214 | 0.7 | 0.638 | 0.046 | 0.597 | 0.013 |
| Sample | Filler, MxOy/SiO2 | Carbonized Nanocomposites, C/M/SiO2 | |||||||
|---|---|---|---|---|---|---|---|---|---|
| Phase Composition | Size, nm | Phase Composition | Size, nm | D Band, cm−1 | G Band, cm−1 | FWHM | ID/IG | ||
| D | G | ||||||||
| C/SiO2 | SiO2 amorph | – | SiO2 amorph | – | 1356 | 1596 | 142.9 | 79.1 | 0.89 |
| C/Cu/SiO2 | CuO SiO2 | 22 – | Cu, Cu2O SiO2 amorph | – | 1352 | 1600 | 148.8 | 71.3 | 1.0 |
| C/Mg/SiO2 | SiO2 amorph | – | SiO2 amorph | – | 1343 | 1594 | 157.0 | 68.0 | 0.97 |
| C/Mn/SiO2 | amorph. | – | MnO, SiO2 amorph | – | 1345 | 1598 | 160.0 | 69.0 | 0.98 |
| C/Ni/SiO2 | NiO SiO2 amorph | 17 – | Ni, SiO2 amorph, | – | 1350 | 1582 | 110.8 | 77.1 | 0.75 |
| C/Zn/SiO2 | amorph | – | SiO2 amorph, Zn silicate β-Zn2SiO4 | – | 1351 | 1598 | 140.6 | 63.1 | 0.78 |
| Sample | C/SiO2 | C/Ni/SiO2 | C/Zn/SiO2 | C/Mn/SiO2 | C/Cu/SiO2 | C/Mg/SiO2 |
|---|---|---|---|---|---|---|
| C content, wt% | 45.95 | 47.66 | 44.91 | 44.80 | 43.39 | 36.33 |
| Adsorption System | Isotherm Type | am | m | n | log K | R2 | SD(a) |
|---|---|---|---|---|---|---|---|
| C/SiO2 | T | 0.19 | 1 | 0.8 | 1.11 | 0.999 | 0.001 |
| C/Cu/SiO2 | LF | 0.62 | 0.90 | 0.90 | 1.44 | 0.987 | 0.017 |
| C/Mn/SiO2 | GF | 0.36 | 0.65 | 1 | 0.66 | 0.997 | 0.002 |
| C/Ni/SiO2 | T | 0.58 | 1 | 0.57 | 1.91 | 0.976 | 0.022 |
| C/Zn/SiO2 | T | 0.67 | 1 | 0.52 | 2.38 | 0.995 | 0.019 |
| C/Mg/SiO2 | GF | 0.09 | 0.93 | 1 | 0.71 | 0.976 | 0.004 |
| Adsorption System | Isotherm Type | am | m | n | log K | R2 | SD(a) |
|---|---|---|---|---|---|---|---|
| C/SiO2 | L | 0.27 | 1 | 1 | 1.13 | 0.991 | 0.008 |
| C/Cu/SiO2 | GF | 0.66 | 0.88 | 1 | 1.15 | 0.994 | 0.019 |
| C/Mn/SiO2 | GF | 0.25 | 0.58 | 1 | 0.96 | 0.993 | 0.008 |
| C/Ni/SiO2 | GL | 0.65 | 0.63 | 0.88 | 1.35 | 0.998 | 0.015 |
| C/Zn/SiO2 | GL | 0.62 | 0.74 | 0.86 | 1.46 | 0.963 | 0.048 |
| C/Mg/SiO2 | L | 0.07 | 1 | 1 | 1.27 | 0.969 | 0.004 |
Disclaimer/Publisher’s Note: The statements, opinions and data contained in all publications are solely those of the individual author(s) and contributor(s) and not of MDPI and/or the editor(s). MDPI and/or the editor(s) disclaim responsibility for any injury to people or property resulting from any ideas, methods, instructions or products referred to in the content. |
© 2024 by the authors. Licensee MDPI, Basel, Switzerland. This article is an open access article distributed under the terms and conditions of the Creative Commons Attribution (CC BY) license (https://creativecommons.org/licenses/by/4.0/).
Share and Cite
Galaburda, M.; Sternik, D.; Chrzanowska, A.; Oranska, O.; Kovalov, Y.; Derylo-Marczewska, A. Physicochemical and Adsorption Characterization of Char Derived from Resorcinol–Formaldehyde Resin Modified with Metal Oxide/Silica Nanocomposites. Materials 2024, 17, 1981. https://doi.org/10.3390/ma17091981
Galaburda M, Sternik D, Chrzanowska A, Oranska O, Kovalov Y, Derylo-Marczewska A. Physicochemical and Adsorption Characterization of Char Derived from Resorcinol–Formaldehyde Resin Modified with Metal Oxide/Silica Nanocomposites. Materials. 2024; 17(9):1981. https://doi.org/10.3390/ma17091981
Chicago/Turabian StyleGalaburda, Mariia, Dariusz Sternik, Agnieszka Chrzanowska, Olena Oranska, Yurii Kovalov, and Anna Derylo-Marczewska. 2024. "Physicochemical and Adsorption Characterization of Char Derived from Resorcinol–Formaldehyde Resin Modified with Metal Oxide/Silica Nanocomposites" Materials 17, no. 9: 1981. https://doi.org/10.3390/ma17091981
APA StyleGalaburda, M., Sternik, D., Chrzanowska, A., Oranska, O., Kovalov, Y., & Derylo-Marczewska, A. (2024). Physicochemical and Adsorption Characterization of Char Derived from Resorcinol–Formaldehyde Resin Modified with Metal Oxide/Silica Nanocomposites. Materials, 17(9), 1981. https://doi.org/10.3390/ma17091981

