Study on Phase Change Materials’ Heat Transfer Characteristics of Medium Temperature Solar Energy Collection System
Abstract
1. Introduction
2. Material and Experimental Setup
2.1. Selection and Encapsulation of PCM
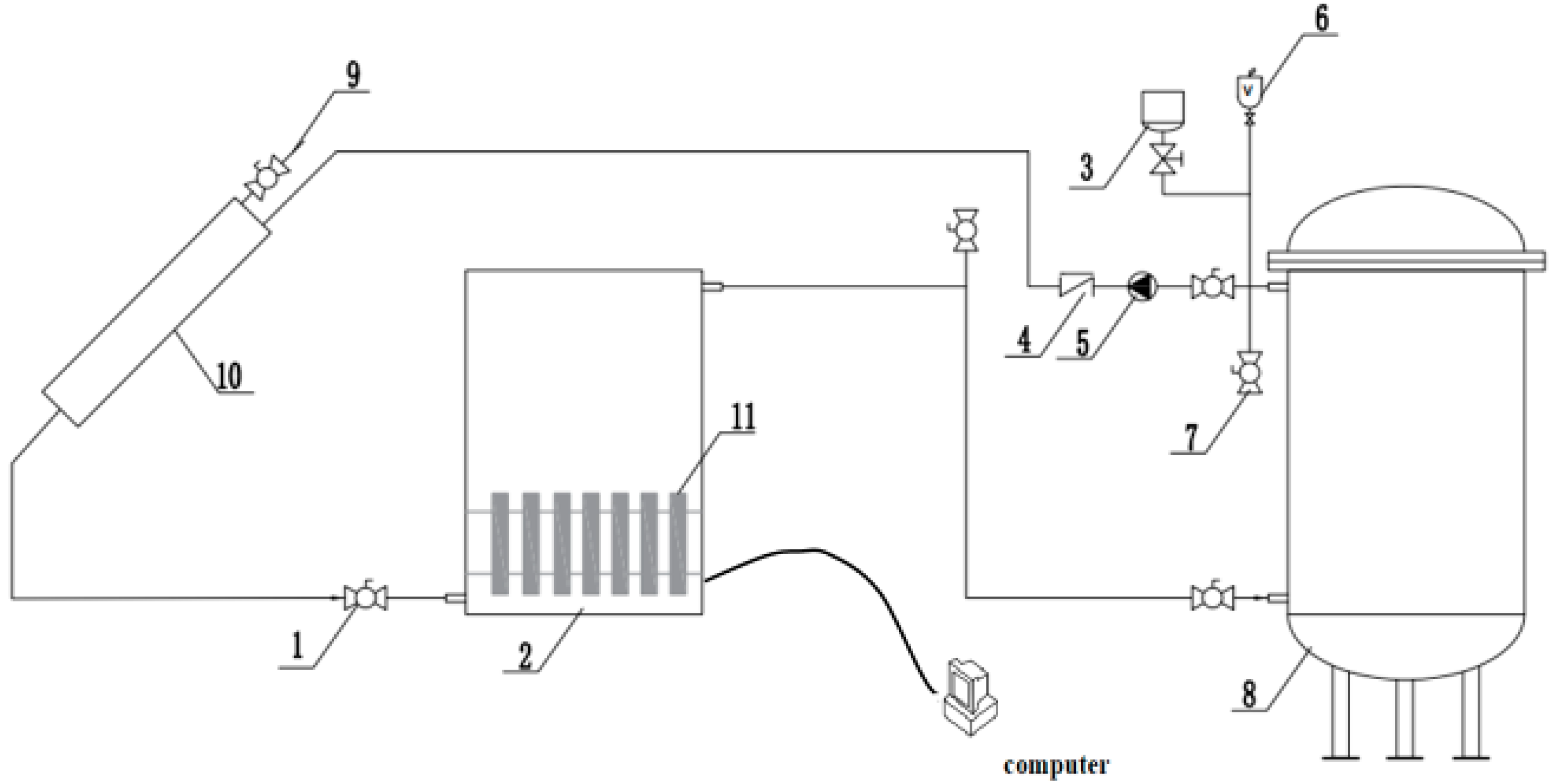
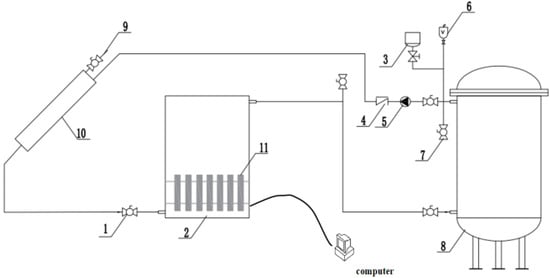
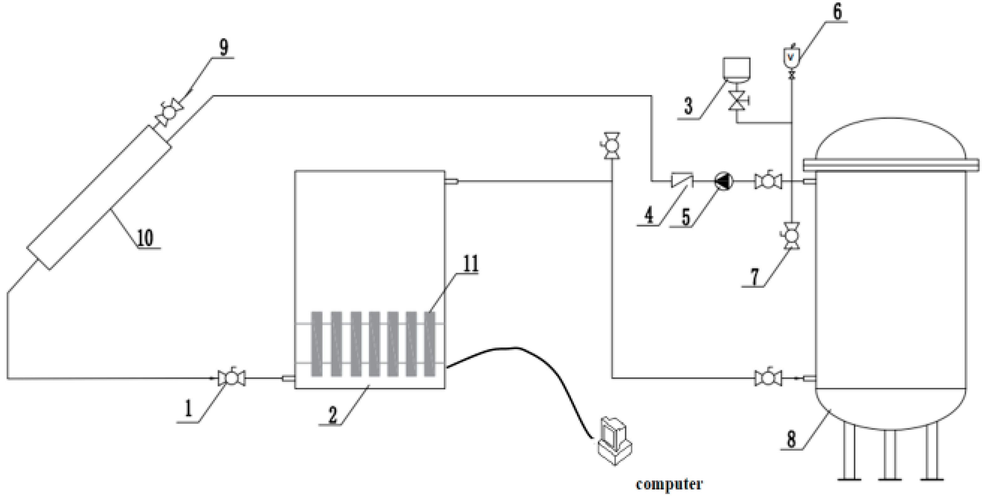
2.2. Experimental Setup
3. Methods of Analysis
3.1. Energy Analysis
3.2. Exergy Analysis
4. Results
4.1. Study of Energy Storage Properties of Paraffin
4.2. Study of Energy Storage Properties of BHOH
4.3. Characterization of Combined Energy Storage of Paraffin and BHOH
4.4. Result of the Energy and Exergy Analysis
5. Discussion
Implication
6. Conclusions
- Single-phase change material (BHOH) and dual-phase change material systems (paraffin and BHOH) demonstrated extended temperature stability. After the phase transition, the addition of paraffin reduced the temperature drop by 2–3 °C.
- The dual phase change material (PCM) system exhibited notable temperature recovery for approximately 2000 s around the paraffin phase transition temperature, indicating effective thermal energy release. The combination of PCMs achieved the highest cumulative charge fraction (CCF) and energy storage efficiency, as well as the lowest energy loss.
- Using both PCMs together increased exergy efficiency, reaching up to 18%. While BHOH showed a transient boost in exergy efficiency, paraffin maintained a more sustained performance.
- The synergistic effect of the dual PCMs optimizes thermal storage and efficiency across a variety of temperatures, providing tailored energy storage solutions.
- Future research should explore the use of various PCMs to identify combinations that are both efficient and cost-effective. Additionally, the design of LHS tanks and the performance of thermal storage systems can be assessed from. both technical and economic perspectives across different climatic and seasonal contexts.
Author Contributions
Funding
Institutional Review Board Statement
Informed Consent Statement
Data Availability Statement
Conflicts of Interest
References
- International Energy Agency (IEA). Renewables 2022, Analysis and Forecast to 2027. Available online: https://iea.blob.core.windows.net/assets/ada7af90-e280-46c4-a577-df2e4fb44254/Renewables2022.pdf (accessed on 17 February 2024).
- Tao, P.; Ni, G.; Song, C.; Shang, W.; Wu, J.; Zhu, J.; Chen, G.; Deng, T. Solar-Driven Interfacial Evaporation. Nat. Energy 2018, 3, 1031–1041. [Google Scholar] [CrossRef]
- Sun, W.; Tian, C.; Jin, Y. Cost and Reliability Analysis of a Hybrid Renewable Energy Systems—A Case Study on an Administration Building. MIST Int. J. Sci. Technol. 2022, 10, 29–35. [Google Scholar] [CrossRef]
- Simonsen, G.; Ravotti, R.; O’Neill, P.; Stamatiou, A. Biobased Phase Change Materials in Energy Storage and Thermal Management Technologies. Renew. Sustain. Energy Rev. 2023, 184, 113546. [Google Scholar] [CrossRef]
- Usman, A.; Xiong, F.; Aftab, W.; Qin, M.; Zou, R. Emerging Solid-to-Solid Phase-Change Materials for Thermal-Energy Harvesting, Storage, and Utilization. Adv. Mater. 2022, 34, 2202457. [Google Scholar] [CrossRef]
- Aftab, W.; Usman, A.; Shi, J.; Yuan, K.; Qin, M.; Zou, R. Phase Change Material-Integrated Latent Heat Storage Systems for Sustainable Energy Solutions. Energy Environ. Sci. 2021, 14, 4268–4291. [Google Scholar] [CrossRef]
- Eanest Jebasingh, B.; Valan Arasu, A. A Comprehensive Review on Latent Heat and Thermal Conductivity of Nanoparticle Dispersed Phase Change Material for Low-Temperature Applications. Energy Storage Mater. 2020, 24, 52–74. [Google Scholar] [CrossRef]
- Lawag, R.A.; Ali, H.M. Phase Change Materials for Thermal Management and Energy Storage: A Review. J. Energy Storage 2022, 55, 105602. [Google Scholar] [CrossRef]
- Zhang, S.; Feng, D.; Shi, L.; Wang, L.; Jin, Y.; Tian, L.; Li, Z.; Wang, G.; Zhao, L.; Yan, Y. A Review of Phase Change Heat Transfer in Shape-Stabilized Phase Change Materials (Ss-PCMs) Based on Porous Supports for Thermal Energy Storage. Renew. Sustain. Energy Rev. 2021, 135, 110127. [Google Scholar] [CrossRef]
- Zhang, S.; Yao, Y.; Jin, Y.; Shang, Z.; Yan, Y. Heat Transfer Characteristics of Ceramic Foam/Molten Salt Composite Phase Change Material (CPCM) for Medium-Temperature Thermal Energy Storage. Int. J. Heat Mass Transf. 2022, 196, 123262. [Google Scholar] [CrossRef]
- Dixit, P.; Reddy, V.J.; Parvate, S.; Balwani, A.; Singh, J.; Maiti, T.K.; Dasari, A.; Chattopadhyay, S. Salt Hydrate Phase Change Materials: Current State of Art and the Road Ahead. J. Energy Storage 2022, 51, 104360. [Google Scholar] [CrossRef]
- Yang, K.; Zhu, N.; Chang, C.; Wang, D.; Yang, S.; Ma, S. A Methodological Concept for Phase Change Material Selection Based on Multi-Criteria Decision Making (MCDM): A Case Study. Energy 2018, 165, 1085–1096. [Google Scholar] [CrossRef]
- Nadeem, A.; Rakhman, K.; Hossain, M.A. Phase Change Materials Ranking by Using the Analytic Hierarchy Process. Proc. Int. Struct. Eng. Constr. 2020, 7, CPM-09-1–CPM-09-6. [Google Scholar] [CrossRef]
- REN21. Renewables 2020 Global Status Report; REN21 Secretariat: Paris, France, 2020; ISBN 978-3-948393-00-7. Available online: https://www.ren21.net/wp-content/uploads/2019/05/gsr_2020_full_report_en.pdf (accessed on 25 December 2023).
- Xu, B. Application of Phase Change Materials for Thermal Energy Storage in Concentrated Solar Thermal Power Plants: A Review to Recent Developments. Appl. Energy 2015, 160, 286–307. [Google Scholar] [CrossRef]
- Naveenkumar, R.; Ravichandran, M.; Mohanavel, V.; Karthick, A.; Aswin, L.S.R.L.; Priyanka, S.S.H.; Kumar, S.K.; Kumar, S.P. Review on Phase Change Materials for Solar Energy Storage Applications. Environ. Sci. Pollut. Res. 2022, 29, 9491–9532. [Google Scholar] [CrossRef] [PubMed]
- Zou, L.; Luo, Y.; Zhang, J.; Sheng, X.; Chen, Y.; Lin, P. Phase Change Material Gel Particles with Suitable Size and Superior Thermophysical Properties towards Highly Efficient Thermal Management of Miniature Electronic Components. J. Energy Storage 2023, 60, 106590. [Google Scholar] [CrossRef]
- Sathiyaraj, R.; Rakesh, R.; Mithran, N.; Venkatesan, M. Enhancement of Heat Transfer in Phase Change Material Using Graphite-Paraffin Composites. MATEC Web Conf. 2018, 172, 02001. [Google Scholar] [CrossRef][Green Version]
- Ling, Z.; Li, S.; Cai, C.; Lin, S.; Fang, X.; Zhang, Z. Battery Thermal Management Based on Multiscale Encapsulated Inorganic Phase Change Material of High Stability. Appl. Therm. Eng. 2021, 193, 117002. [Google Scholar] [CrossRef]
- Zhang, Y.; Sang, G.; Li, P.; Du, M.; Guo, T.; Cui, X.; Zhang, L.; Han, W. Study on the Influence of Thermo-Physical Parameters of Phase Change Material Panel on the Indoor Thermal Environment of Passive Solar Buildings in Tibet. J. Energy Storage 2022, 52, 105019. [Google Scholar] [CrossRef]
- Merlin, K.; Soto, J.; Delaunay, D.; Traonvouez, L. Industrial Waste Heat Recovery Using an Enhanced Conductivity Latent Heat Thermal Energy Storage. Appl. Energy 2016, 183, 491–503. [Google Scholar] [CrossRef]
- Xie, L.; Tian, L.; Yang, L.; Lv, Y.; Li, Q. Review on Application of Phase Change Material in Water Tanks. Adv. Mech. Eng. 2017, 9, 168781401770359. [Google Scholar] [CrossRef]
- Reza Vakhshouri, A. Paraffin as Phase Change Material. In Paraffin—An Overview; Samir Soliman, F., Ed.; IntechOpen: London, UK, 2020; ISBN 978-1-83880-594-4. [Google Scholar]
- He, B.; Setterwall, F. Technical Grade Paraffin Waxes as Phase Change Materials for Cool Thermal Storage and Cool Storage Systems Capital Cost Estimation. Energy Convers. Manag. 2002, 43, 1709–1723. [Google Scholar] [CrossRef]
- Mehling, H.; Cabeza, L.F. Heat and Cold Storage with PCM: An Up to Date Introduction into Basics and Applications; Heat and Mass Transfer; Springer: Berlin/Heidelberg, Germany, 2008; ISBN 978-3-540-68556-2. [Google Scholar]
- Kenisarin, M.; Mahkamov, K. Salt Hydrates as Latent Heat Storage Materials: Thermophysical Properties and Costs. Sol. Energy Mater. Sol. Cells 2016, 145, 255–286. [Google Scholar] [CrossRef]
- Johansen, J.B.; Dannemand, M.; Kong, W.; Fan, J.; Dragsted, J.; Furbo, S. Thermal Conductivity Enhancement of Sodium Acetate Trihydrate by Adding Graphite Powder and the Effect on Stability of Supercooling. Energy Procedia 2015, 70, 249–256. [Google Scholar] [CrossRef]
- Shamberger, P.J.; Reid, T. Thermophysical Properties of Lithium Nitrate Trihydrate from (253 to 353) K. J. Chem. Eng. Data 2012, 57, 1404–1411. [Google Scholar] [CrossRef]
- Zhang, L.; Dong, J. Experimental Study on the Thermal Stability of a Paraffin Mixture with up to 10,000 Thermal Cycles. Therm. Sci. Eng. Prog. 2017, 1, 78–87. [Google Scholar] [CrossRef]
- Rahim, N.C.; Remeli, M.F.; Singh, B.; Moria, H. Designing a Solar Heat Storage System Using Heat Pipe and Phase-Change Material (PCM). J. Adv. Res. Fluid Mech. Therm. Sci. 2022, 91, 102–114. [Google Scholar] [CrossRef]
- Xiao, Q.; Yuan, W.; Li, L.; Xu, T. Fabrication and Characteristics of Composite Phase Change Material Based on Ba(OH)2·8H2O for Thermal Energy Storage. Sol. Energy Mater. Sol. Cells 2018, 179, 339–345. [Google Scholar] [CrossRef]
- Zhang, S.; Li, Z.; Wang, H.; Tian, L.; Jin, Y.; Alston, M.; Yan, Y. Component-Dependent Thermal Properties of Molten Salt Eutectics for Solar Thermal Energy Storage: Experiments, Molecular Simulation and Applications. Appl. Therm. Eng. 2022, 209, 118333. [Google Scholar] [CrossRef]
- Palacio, M.; Rincón, A.; Carmona, M. Experimental Comparative Analysis of a Flat Plate Solar Collector with and without PCM. Sol. Energy 2020, 206, 708–721. [Google Scholar] [CrossRef]
- Varol, Y.; Koca, A.; Oztop, H.F.; Avci, E. Forecasting of Thermal Energy Storage Performance of Phase Change Material in a Solar Collector Using Soft Computing Techniques. Expert Syst. Appl. 2010, 37, 2724–2732. [Google Scholar] [CrossRef]
- Pawar, V.R.; Sobhansarbandi, S. Heat Transfer Enhancement of a PCM-Porous Metal Based Heat Pipe Evacuated Tube Solar Collector: An Experimental Study. Sol. Energy 2023, 251, 106–118. [Google Scholar] [CrossRef]
- Zhou, F.; Ji, J.; Yuan, W.; Modjinou, M.; Zhao, X.; Huang, S. Experimental Study and Performance Prediction of the PCM-Antifreeze Solar Thermal System under Cold Weather Conditions. Appl. Therm. Eng. 2019, 146, 526–539. [Google Scholar] [CrossRef]
- Assareh, E.; Riaz, A.; Ahmadinejad, M.; Hoseinzadeh, S.; Abdehvand, M.Z.; Keykhah, S.; Jafarinejad, T.; Moltames, R.; Lee, M. Enhancing Solar Thermal Collector Systems for Hot Water Production through Machine Learning-Driven Multi-Objective Optimization with Phase Change Material (PCM). J. Energy Storage 2023, 73, 108990. [Google Scholar] [CrossRef]
- Nekoonam, S.; Ghasempour, R. Modeling and Optimization of a Thermal Energy Storage Unit with Cascaded PCM Capsules in Connection to a Solar Collector. Sustain. Energy Technol. Assess. 2022, 52, 102197. [Google Scholar] [CrossRef]
- Yeh, C.-Y.; Boonk, K.J.F.; Sadeghi, G.; Mehrali, M.; Shahi, M.; Brem, G.; Mahmoudi, A. Experimental and Numerical Analysis of Thermal Performance of Shape Stabilized PCM in a Solar Thermal Collector. Case Stud. Therm. Eng. 2022, 30, 101706. [Google Scholar] [CrossRef]
- Luo, Q.; Li, B.; Wang, Z.; Su, S.; Xiao, H.; Zhu, C. Thermal Modeling of Air-Type Double-Pass Solar Collector with PCM-Rod Embedded in Vacuum Tube. Energy Convers. Manag. 2021, 235, 113952. [Google Scholar] [CrossRef]
- Narayanan, S.S.; Kardam, A.; Kumar, V.; Bhardwaj, N.; Madhwal, D.; Shukla, P.; Kumar, A.; Verma, A.; Jain, V.K. Development of Sunlight-Driven Eutectic Phase Change Material Nanocomposite for Applications in Solar Water Heating. Resour.-Effic. Technol. 2017, 3, 272–279. [Google Scholar] [CrossRef]
- Chaabane, M.; Mhiri, H.; Bournot, P. Effect of the Water Storage Tank Coverage with an Outer Glass Tube on the Thermal Performance of an Integrated Collector Storage Solar Water Heater. J. Sol. Energy Eng. 2015, 137, 011009. [Google Scholar] [CrossRef]
- Bazri, S.; Badruddin, I.A.; Naghavi, M.S.; Seng, O.K.; Wongwises, S. An Analytical and Comparative Study of the Charging and Discharging Processes in a Latent Heat Thermal Storage Tank for Solar Water Heater System. Sol. Energy 2019, 185, 424–438. [Google Scholar] [CrossRef]
- Fadl, M.; Eames, P. Thermal Performance Analysis of the Charging/Discharging Process of a Shell and Horizontally Oriented Multi-Tube Latent Heat Storage System. Energies 2020, 13, 6193. [Google Scholar] [CrossRef]
- Afshan, M.E.; Selvakumar, A.S.; Velraj, R.; Rajaraman, R. Effect of Aspect Ratio and Dispersed PCM Balls on the Charging Performance of a Latent Heat Thermal Storage Unit for Solar Thermal Applications. Renew. Energy 2020, 148, 876–888. [Google Scholar] [CrossRef]
- Al-Hinti, I.; Al-Ghandoor, A.; Maaly, A.; Abu Naqeera, I.; Al-Khateeb, Z.; Al-Sheikh, O. Experimental Investigation on the Use of Water-Phase Change Material Storage in Conventional Solar Water Heating Systems. Energy Convers. Manag. 2010, 51, 1735–1740. [Google Scholar] [CrossRef]
- De Gracia, A.; Oró, E.; Farid, M.M.; Cabeza, L.F. Thermal Analysis of Including Phase Change Material in a Domestic Hot Water Cylinder. Appl. Therm. Eng. 2011, 31, 3938–3945. [Google Scholar] [CrossRef]
- Mazman, M.; Cabeza, L.F.; Mehling, H.; Nogues, M.; Evliya, H.; Paksoy, H.Ö. Utilization of Phase Change Materials in Solar Domestic Hot Water Systems. Renew. Energy 2009, 34, 1639–1643. [Google Scholar] [CrossRef]
- Wang, Q.; Wang, J.; Chen, Y.; Zhao, C.Y. Experimental Investigation of Barium Hydroxide Octahydrate as Latent Heat Storage Materials. Sol. Energy 2019, 177, 99–107. [Google Scholar] [CrossRef]
- Kumar, G.S. Role of PCM Addition on Stratification Behaviour in a Thermal Storage Tank—An Experimental Study. Energy 2016, 115, 1168–1178. [Google Scholar] [CrossRef]
- Wang, W.; Shuai, Y.; Qiu, J.; He, X.; Hou, Y. Effect of Steady-State and Unstable-State Inlet Boundary on the Thermal Performance of Packed-Bed Latent Heat Storage System Integrated with Concentrating Solar Collectors. Renew. Energy 2022, 183, 251–266. [Google Scholar] [CrossRef]
- Asbik, M.; Ansari, O.; Bah, A.; Zari, N.; Mimet, A.; El-Ghetany, H. Exergy Analysis of Solar Desalination Still Combined with Heat Storage System Using Phase Change Material (PCM). Desalination 2016, 381, 26–37. [Google Scholar] [CrossRef]
- Castell, A.; Solé, C.; Medrano, M.; Roca, J.; Cabeza, L.F.; García, D. Natural Convection Heat Transfer Coefficients in Phase Change Material (PCM) Modules with External Vertical Fins. Appl. Therm. Eng. 2008, 28, 1676–1686. [Google Scholar] [CrossRef]












| Material | Melting Point (°C) | Latent Heat (J/g) | Specific Heat (Solid/Liquid) (kJ/(kg·°C)) | Thermal Conductivity (Solid/Liquid) (W/(m·°C)) | Density (Solid/Liquid) (g/cm3) |
|---|---|---|---|---|---|
| LiNO3·3H2O | 30 | 296 | 1.73/2.76 | 0.82/0.584 | 1.575/1.425 |
| LiClO3·3H2O | 8 | 155 | NA/NA | NA/NA | 1.72/1.53 |
| Na2SO4·10H2O | 32 | 254 | NA/NA | NA/NA | NA/NA |
| Na2S2O3·5H2O | 48–55 | 187, 209 | 1.46/2.38 | NA/NA | 1.75/1.67 |
| Na2HPO4·12H2O | 35–44 | 280 | 1.70/1.95 | 0.514/0.476 | 1.522/1.442 |
| CaCl2·6H2O | 29.3 | 171 | 1.42/2.10 | 1.088/0.54 | 1.71/1.562 |
| CH3COONa·3H2O | 58 | 226 | 1.87/3.35 | NA/NA | 1.45/1.28 |
| Ba(OH)2·8H2O | 78 | 267, 301 | 2.18/NA | 1.17/NA | 1.2/NA |
| Mg(NO3)2·6H2O | 89, 90 | 149, 163 | 1.81/2.48 | 0.669/0.49 | 1.636/1.550 |
| MgCl2·6H2O | 117 | 165, 169 | 2.25/2.61 | 0.707/0.570 | 1.569/1.45 |
| Author | Findings | Knowledge Gaps |
|---|---|---|
| Palacio et al. [33] | The addition of PCM (paraffin) improves the performance of solar collectors. Two consecutive days of measurements were considered for case to study the PCM behavior during nocturnal periods and to observe if the results of first day may affect the next one. The presence of PCM has a significant effect on the performance of solar collectors during daytime and nighttime hours. | No in-depth discussion of the type, amount, and shape of PCMs and other performance metrics of solar collectors. |
| Varol et al. [34] | The experiments were performed in Elazig, Turkey, where latitude, 38.41° N, longitude, 39.14° E, and altitude 1067 m above sea level. Solar collectors using sodium carbonate decahydrate (Na2CO3·10H2O) are more efficient than conventional systems in collecting hot water in winter. Na2CO3·10H2O has a melting point of 306 K and a latent heat of 267 kJ/kg. Vector machine technique. performs best in predicting the performance of solar collectors. | No consideration was given to collector main component temperatures, heat transfer rates, PCM main component temperatures, heat transfer rates, internal behaviors, night-time operation, or the number of consecutive days. |
| Pawar and Sobhansarbandi [35] | Heat pipe evacuated tube solar collectors (HPETCs) system with integrated tritriacontane (C33H68) + Cu porous metal improves peak temperature by nearly 21 °C and achieves energy efficiency of up to 85.64%, reducing hot water production costs. | There is no discussion of the challenges and limitations that HPETC systems integrating PCM + Cu porous metals may face in practical applications. |
| Zhou et al. [36] | PCM-antifreeze solar thermal systems have better performance in cold weather conditions and can effectively prevent system freezing. Operating in conditions of total solar energy of 13.74 MJ/m2, ambient temperature −5 °C. | Latent heat devices for solar collectors are still in the research phase, evaluating the performance of PCMs as frost protection systems rather than energy characteristics. |
| Assareh et al. [37] | Increasing the inner diameter of the tubes in the collector system increases the energy discharge time of the PCM. As a result, the thermal accessibility at night will be extended. Increasing the tube diameter while keeping the system conditions constant allows for a higher energy storage capacity in the PCM. | There is no clear indication of the limitations and challenges of the method in practical application, nor is a comparison with other optimization methods provided. |
| Nekoonam and Ghasempour [38] | 50% increase (decrease) of the HTF (heat transfer fluid) flow rate results in 12% increase (25% decrease) in the charging required time. PCM density and thermal melting temperature have a significant effect on energy storage capacity. Thermal capacity has a significant effect on the level of storage in the energy storage unit during charging. | Lack of comparative analyses of different types of solar storage systems and examples of practical applications. |
| Yeh et al. [39] | Effectiveness of salt hydrate based composite PCM, SAT (CH3COONa·3H2O)-SPM (NaH2PO4·H2O)-EG (expanded graphite), for thermal charging and discharging. Effective thermal performance of PCM improves energy storage efficiency of solar thermal collectors. | The experiment only tested a single shape of PCM and did not consider the use of multiple shapes of PCM in combination. |
| Luo et al. [40] | Experiments were conducted in Suqian City, Jiangsu Province, China, to test a novel air-based dual-channel solar collector embedded with phase change materials (based on aluminum ammonium sulfate dodecahydrate mixed with other inorganic salt phase change materials). The phase change material was able to mitigate the change in outlet temperature during fluctuations in radiation intensity, with the outlet temperature decreasing by only 7.5 K even when the radiation intensity decreased by 39% in 30 min. In addition, the PCM was able to continuously release heat during the night, extending the operating time of the collector by 8 h. The PCM was also able to reduce the heat loss during the night, which resulted in a decrease in the outlet temperature of the solar collector. Solar collectors embedded with phase change materials show good potential in terms of thermal efficiency and stability. | Experimental tests are conducted under specific environmental conditions and may not be fully representative of actual performance under different climatic and environmental conditions. This limits the general applicability of the results. |
| Narayanan et al. [41] | Paraffin, oleic acid, and 0.5wt% nano-graphite were used as phase change materials for testing on solar collector systems. The findings of the system demonstrate that the use of PCM nanocomposites increases the charging rate of PCM while decreasing the rate of heat discharge by PCM to water, thus increasing the maximum use of solar energy and thus the efficiency of the system. | The effect of different mass fractions of nano-graphite on the performance of novel eutectic phase change material and on solar water heaters was not explored. |
Disclaimer/Publisher’s Note: The statements, opinions and data contained in all publications are solely those of the individual author(s) and contributor(s) and not of MDPI and/or the editor(s). MDPI and/or the editor(s) disclaim responsibility for any injury to people or property resulting from any ideas, methods, instructions or products referred to in the content. |
© 2024 by the authors. Licensee MDPI, Basel, Switzerland. This article is an open access article distributed under the terms and conditions of the Creative Commons Attribution (CC BY) license (https://creativecommons.org/licenses/by/4.0/).
Share and Cite
Wang, T.; Jin, Y.; Alam, F. Study on Phase Change Materials’ Heat Transfer Characteristics of Medium Temperature Solar Energy Collection System. Materials 2024, 17, 5159. https://doi.org/10.3390/ma17215159
Wang T, Jin Y, Alam F. Study on Phase Change Materials’ Heat Transfer Characteristics of Medium Temperature Solar Energy Collection System. Materials. 2024; 17(21):5159. https://doi.org/10.3390/ma17215159
Chicago/Turabian StyleWang, Tianqi, Yingai Jin, and Firoz Alam. 2024. "Study on Phase Change Materials’ Heat Transfer Characteristics of Medium Temperature Solar Energy Collection System" Materials 17, no. 21: 5159. https://doi.org/10.3390/ma17215159
APA StyleWang, T., Jin, Y., & Alam, F. (2024). Study on Phase Change Materials’ Heat Transfer Characteristics of Medium Temperature Solar Energy Collection System. Materials, 17(21), 5159. https://doi.org/10.3390/ma17215159

