Effect of Cryogenic Treatment on Residual Stress and Microstructure of 6061 Aluminum Alloy and Optimization of Parameters
Abstract
1. Introduction
2. Materials and Methods
2.1. The Scheme of Heat Treatment
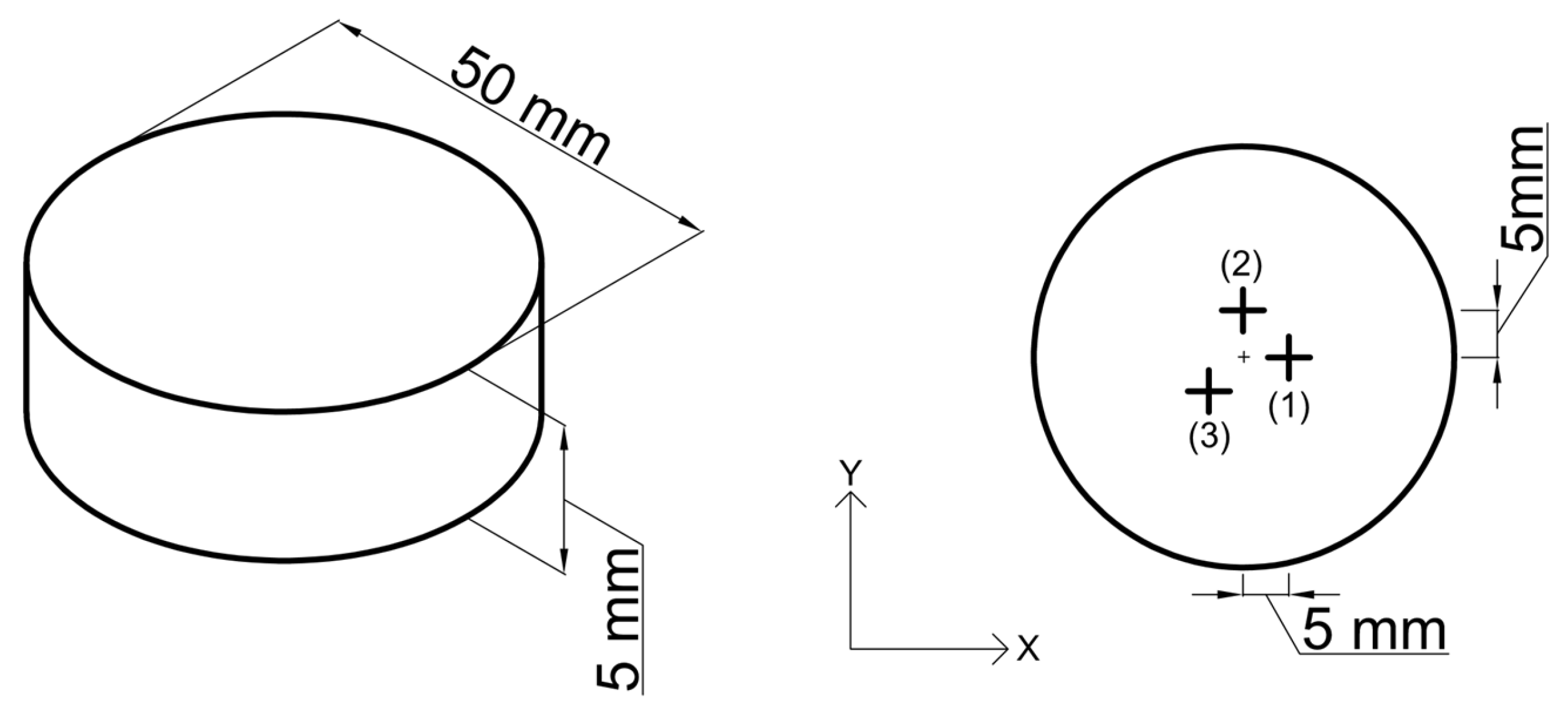
2.2. The Test Method of Residual Stress
2.3. The Test Method of Microstructure
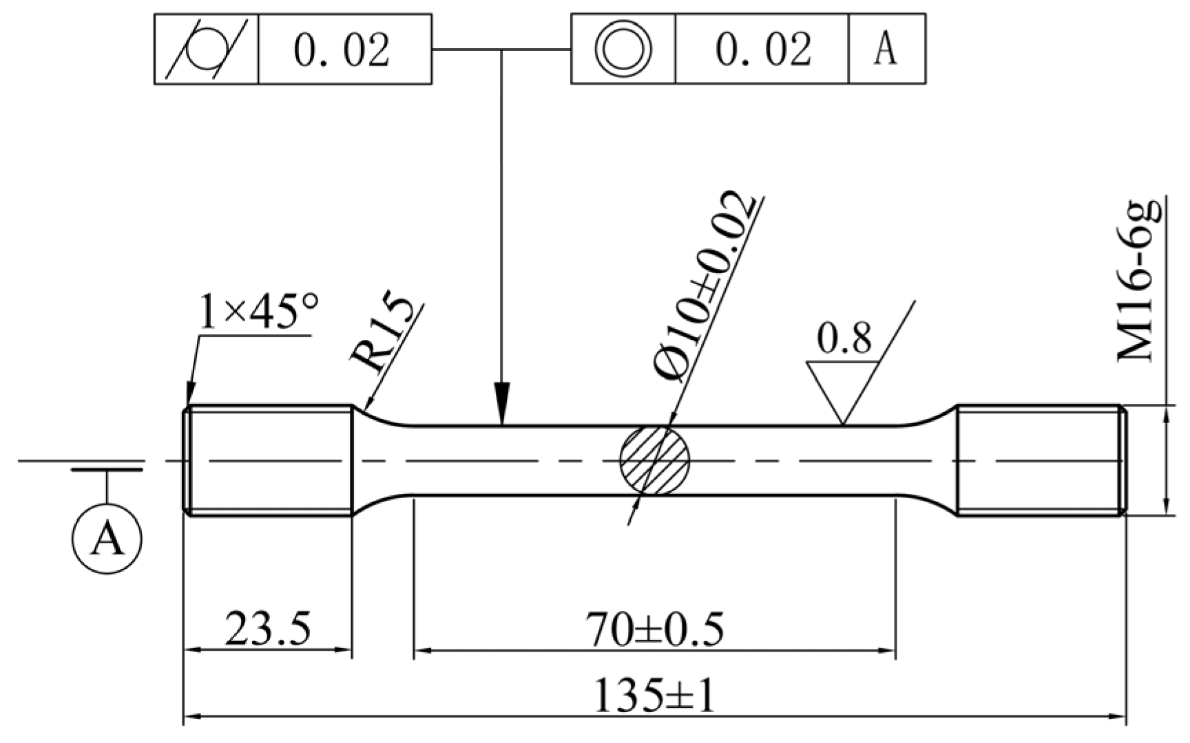
2.4. The Test Method of Mechanical Properties
3. Results and Discussion
3.1. Residual Stress
3.2. Microstructural Evolution
3.3. Mechanical Properties
4. Conclusions
Author Contributions
Funding
Institutional Review Board Statement
Informed Consent Statement
Data Availability Statement
Conflicts of Interest
References
- Yang, Y.F.; Xia, L.; Zhao, G.L.; Meng, L.H.; He, N. Investigation of the coupled distribution of initial and machining-induced residual stress on the surface of thin-walled parts. Int. J. Adv. Manuf. Technol. 2018, 98, 213–222. [Google Scholar] [CrossRef]
- Kuo, C.H.; Lin, Z.Y. Optimizing the High-Performance Milling of Thin Aluminum Alloy Plates Using the Taguchi Method. Metals 2021, 11, 1526. [Google Scholar] [CrossRef]
- Li, S.Y.; Sui, J.B.; Ding, F.; Wu, S.X.; Chen, W.L.; Wang, C.Y. Optimization of Milling Aluminum Alloy 6061-T6 using Modified Johnson-Cook Model. Simul. Model. Pract. Theory 2021, 111, 102330. [Google Scholar] [CrossRef]
- Amini, K.; Akhbarizadeh, A.; Javadpour, S. Investigating the effect of holding duration on the microstructure of 1.2080 tool steel during the deep cryogenic heat treatment. Vacuum 2012, 86, 1534–1540. [Google Scholar] [CrossRef]
- Araghchi, M.; Mansouri, H.; Vafaei, R.; Guo, Y. A novel cryogenic treatment for reduction of residual stresses in 2024 aluminum alloy. Mat. Sci. Eng. A-Struct. 2017, 689, 48–52. [Google Scholar] [CrossRef]
- Gu, K.X.; Wang, K.K.; Chen, L.B.; Guo, J.; Cui, C.; Wang, J.J. Micro-plastic deformation behavior of Al-Zn-Mg-Cu alloy subjected to cryo-cycling treatment. Mat. Sci. Eng. A-Struct. 2019, 742, 672–679. [Google Scholar] [CrossRef]
- Gao, H.; Li, X.; Wu, Q.; Lin, M.; Zhang, Y. Effects of residual stress and equivalent bending stiffness on the dimensional stability of the thin-walled parts. Int. J. Adv. Manuf. Technol. 2022, 119, 4907–4924. [Google Scholar] [CrossRef]
- Song, N.; Qiang, W.; Chen, Z.; Guo, X.; Zhao, C. The effect of micro-arc oxidation on the dimensional accuracy and performance of 6061 aluminum alloy bushings. Mater. Prot. 2021, 54, 107–111+116. [Google Scholar]
- Fu, P.; Jiang, C.H. Residual stress relaxation and micro-structural development of the surface layer of 18CrNiMo7-6 steel after shot peening during isothermal annealing. Mater. Des. 2014, 56, 1034–1038. [Google Scholar] [CrossRef]
- Bruno, G.; Fernández, R.; González-Doncel, G. Relaxation of the residual stress in 6061Al-15 vol.% SiCw composites by isothermal annealing. Mater. Sci. Eng. A 2004, 382, 188–197. [Google Scholar] [CrossRef]
- Vardanjani, M.J.; Ghayour, M.; Homami, R.M. Analysis of the Vibrational Stress Relief for Reducing the Residual Stresses Caused by Machining. Exp. Tech. 2016, 40, 705–713. [Google Scholar] [CrossRef]
- Muhamad, S.S.; Ghani, J.A.; Haron, C.H.C.; Yazid, H. Cryogenic milling and formation of nanostructured machined surface of AISI 4340. Nanotechnol. Rev. 2020, 9, 1104–1117. [Google Scholar] [CrossRef]
- Yang, J.; Dong, J.; Jiang, H.; Yao, Z. “Ʌ”-shaped trend of stress relaxation stability of Inconel718 superalloy with initial stress increasing. Materialia 2020, 9, 100570. [Google Scholar] [CrossRef]
- Younger, M.S.; Eckelmeyer, K.H. Overcoming Residual Stresses and Machining Distortion in the Production of Aluminum Alloy Satellite Boxes; Sandia National Laboratories (SNL): Albuquerque, NM, USA; Livermore, CA, USA, 2007. [Google Scholar]
- Zheng, J.H.; Pan, R.; Li, C.; Zhang, W.; Lin, J.G.; Davies, C.M. Experimental investigation of multi-step stress-relaxation-ageing of 7050 aluminium alloy for different pre-strained conditions. Mat. Sci. Eng. A-Struct. 2018, 710, 111–120. [Google Scholar] [CrossRef]
- Zhou, C.a.; Sun, Q.; Qian, D.; Liu, J.; Sun, J.; Sun, Z. Effect of deep cryogenic treatment on mechanical properties and residual stress of AlSi10Mg alloy fabricated by laser powder bed fusion. J. Mater. Process. Technol. 2022, 303, 117543. [Google Scholar] [CrossRef]
- Li, J.; Li, F.; Teng, Y.; Zhou, W.; Tang, G. Deep cryogenic treatment in the application of ZL204 aluminum alloy. Metal. Heat. Treat. 2021, 46, 80–83. [Google Scholar] [CrossRef]
- Weng, Z.; Liu, X.; Gu, K.; Guo, J.; Cui, C.; Wang, J. Modification of residual stress and microstructure in aluminium alloy by cryogenic treatment. Mater. Sci. Technol. 2020, 36, 1547–1555. [Google Scholar] [CrossRef]
- Lados, D.A.; Apelian, D.; Wang, L. Minimization of residual stress in heat-treated Al–Si–Mg cast alloys using uphill quenching: Mechanisms and effects on static and dynamic properties. Mater. Sci. Eng. A 2010, 527, 3159–3165. [Google Scholar] [CrossRef]
- Wei, L.; Wang, D.; Li, H.; Xie, D.; Ye, F.; Song, R.; Zheng, G.; Wu, S. Effects of cryogenic treatment on the microstructure and residual stress of 7075 aluminum alloy. Metals 2018, 8, 273. [Google Scholar] [CrossRef]
- Jovičević-Klug, M.; Jovičević-Klug, P.; Podgornik, B. Influence of deep cryogenic treatment on natural and artificial aging of Al-Mg-Si alloy EN AW 6026. J. Alloys Compd. 2022, 899, 163323. [Google Scholar] [CrossRef]
- Jia, Y.; Su, R.; Wang, L.; Li, G.; Qu, Y.; Li, R. Study on microstructure and properties of AA2024-T6I4 with deep cryogenic treatment. Trans. Indian Inst. Met. 2023, 76, 741–748. [Google Scholar] [CrossRef]
- Gogte, C.L.; Likhite, A.; Peshwe, D.; Bhokarikar, A.; Shetty, R. Effect of Cryogenic Processing on Surface Roughness of Age Hardenable AA6061 Alloy. Mater. Manuf. Process. 2014, 29, 710–714. [Google Scholar] [CrossRef]
- Yao, E.; Zhang, H.; Ma, K.; Ai, C.; Gao, Q.; Lin, X. Effect of deep cryogenic treatment on microstructures and performances of aluminum alloys: A review. J. Mater. Res. Technol. 2023, 26, 3661–3675. [Google Scholar] [CrossRef]
- Chen, Z.; Chen, P.; Ma, C. Microstructures and mechanical properties of Al-Cu-Mn alloy with La and Sm addition. Rare Met. 2012, 31, 332–335. [Google Scholar] [CrossRef]
- Ates, H.; Tamer Ozdemir, A.; Uzun, M.; Uygur, I. Effect of deep sub-zero treatment on mechanical properties of AA5XXX aluminum plates adjoined by MIG welding technique. Sci. Iran. 2017, 24, 1950–1957. [Google Scholar] [CrossRef][Green Version]
- Araghchi, M.; Mansouri, H.; Vafaei, R. Influence of cryogenic thermal treatment on mechanical properties of an Al-Cu-Mg alloy. Mater. Sci. Technol. 2018, 34, 468–472. [Google Scholar] [CrossRef]
- Su, R.M.; Ma, S.Y.; Wang, K.N.; Li, G.L.; Qu, Y.D.; Li, R.D. Effect of Cyclic Deep Cryogenic Treatment on Corrosion Resistance of 7075 Alloy. Met. Mater.-Int. 2022, 28, 862–870. [Google Scholar] [CrossRef]
- Zhao, W.J.; Su, S.; Che, P.C.; Ning, Z.L.; Fan, H.B.; Sun, J.F.; Huang, Y.J. Microstructure, corrosion resistance and wear properties of laser directed energy deposited CrCoNi medium-entropy alloy after cyclic deep cryogenic treatment. Virtual Phys. Prototyp. 2024, 19, 14. [Google Scholar] [CrossRef]
- Wang, C.; Ke, Y. Study on Eliminating Residual Stress of 7050Aluminum Alloy by Cryogenic Treatment. J. Zhejiang Univ. (Eng. Ed.) 2003, 6, 120–123. [Google Scholar]
- Niu, X.M.; Huang, Y.; Yan, X.G.; Chen, Z.; Yuan, R.Z.; Zhang, H.D.; Tang, L. Optimization of Cryogenic Treatment Parameters for the Minimum Residual Stress. J. Mater. Eng. Perform. 2021, 30, 9038–9047. [Google Scholar] [CrossRef]
- Wang, B.H.; Lin, R.; Liu, D.C.; Xu, J.; Feng, B.W. Investigation of the effect of humidity at both electrode on the performance of PEMFC using orthogonal test method. Int. J. Hydrogen Energy 2019, 44, 13737–13743. [Google Scholar] [CrossRef]
- GB/T 228.1-2010; Standardization Administration of China: Metallic Materials—Tensile Testing—Part 1: Method of Test at Room Temperature. China Standards Press: Beijing, China, 2010.
- Yang, Q.W.; Dong, Z.G.; Kang, R.K.; Wei, Z.C. Effect of ultrasonic vibration and deep cryogenic treatment on the residual stress, mechanical properties and microstructures of HR-2 austenitic stainless steel. Mat. Sci. Eng. A-Struct. 2024, 900, 146502. [Google Scholar] [CrossRef]
- Kuijpers, N.C.W. Kinetics of the β-AlFeSi to α-Al (FeMn) Si Transformation in Al-Mg-Si Alloys. Ph.D. Thesis, Technische Universiteit Delft, Delft, The Netherlands, 2004. [Google Scholar]
- Ma, W.J.; Chen, Z.G.; Li, H.J. Process and Mechanism of NovelHeat Treatment for Regulating Residual Stresses in Al-Cu-Mg alloys. J. Mater. Res. 2019, 33, 8. [Google Scholar]
- Zhang, Y. Research on the Fatigue and Corrosion Resistance Properties of Extruded 6061 Aluminum Alloy for New Energy Vehicles. Master’s Thesis, South China University of Technology, Guangzhou, China, 2019. [Google Scholar]
- He, T.; Shi, W.; Xiang, S.; Huang, C.; Ballinger, R.G. Influence of Aging on Corrosion Behaviour of the 6061 Cast Aluminium Alloy. Materials 2021, 14, 1821. [Google Scholar] [CrossRef] [PubMed]
- Yang, W.C.; Huang, L.P.; Zhang, R.R.; Wang, M.P.; Li, Z.; Jia, Y.L.; Lei, R.S.; Sheng, X.F. Electron microscopy studies of the age-hardening behaviors in 6005A alloy and microstructural characterizations of precipitates. J. Alloys Compd. 2012, 514, 220–233. [Google Scholar] [CrossRef]
- Zhang, M.; Pan, R.; Liu, B.; Gu, K.; Weng, Z.; Cui, C.; Wang, J. The Influence of Cryogenic Treatment on the Microstructure and Mechanical Characteristics of Aluminum Silicon Carbide Matrix Composites. Materials 2023, 16, 396. [Google Scholar] [CrossRef] [PubMed]
- Huang, Y.; Yan, X.G.; Chen, Z.; Tang, L.; Guo, J.; Wang, J.J.; Niu, X.M. Modification of Residual Stress and Microstructure in Al-Cu-Mg Alloy by Cryogenic Aging Treatment. J. Mater. Eng. Perform. 2023, 11. [Google Scholar] [CrossRef]
- Takayama, Y.; Szpunar, J.A. Stored energy and Taylor factor relation in an Al-Mg-Mn alloy sheet worked by continuous cyclic bending. Mater. Trans. 2004, 45, 2316–2325. [Google Scholar] [CrossRef]
- Gu, B.P.; Hu, X.; Xu, G.H.; Lai, J.T.; Pan, L. Microscopic Mechanism of High-Frequency Vibration Aging Based on Dislocation Density Evolution. J. Rare Met. Mater. Eng. 2018, 8, 2477–2482. [Google Scholar]
- Ma, K.; Wen, H.; Hu, T.; Topping, T.D.; Isheim, D.; Seidman, D.N.; Lavernia, E.J.; Schoenung, J.M.J.A.M. Mechanical behavior and strengthening mechanisms in ultrafine grain precipitation-strengthened aluminum alloy. Acta Mater. 2014, 62, 141–155. [Google Scholar] [CrossRef]











| Element | Si | Fe | Cu | Mg | Cr | Zn | Ti | Mn | Al |
|---|---|---|---|---|---|---|---|---|---|
| Wt-% | 0.7 | 0.52 | 0.19 | 1.11 | 0.13 | 0.24 | 0.12 | 0.15 | Bal. |
| Factors | ||||
|---|---|---|---|---|
| Level | Temperature/K (A) | Holding Time/h (B) | Cryogenic Cycles (C) | Cooling Rate/ K·min−1 (D) |
| 1 | 153 | 2 | 1 | 1 |
| 2 | 113 | 12 | 2 | 3 |
| 3 | 77 | 24 | 3 | 5 |
| Level | Temperature/K (A) | Holding Time/ h (B) | Cryogenic Cycles (C) | Cooling Rate/ K·min−1 (D) |
|---|---|---|---|---|
| 0 | - | - | - | - |
| 1 | 153 | 2 | 1 | 1 |
| 2 | 113 | 12 | 2 | 1 |
| 3 | 77 | 24 | 3 | 1 |
| 4 | 153 | 12 | 3 | 3 |
| 5 | 113 | 24 | 1 | 3 |
| 6 | 77 | 2 | 2 | 3 |
| 7 | 153 | 24 | 2 | 5 |
| 8 | 113 | 2 | 3 | 5 |
| 9 | 77 | 12 | 1 | 5 |
| Cryogenic Treatment | |||||
|---|---|---|---|---|---|
| Level | Temperature/K (A) | Holding Time/ h (B) | Cryogenic Cycles (C) | Cooling Rate/ K·min−1 (D) | Residual Stress |
| 0 | - | - | - | - | 109 |
| 1 | 153 | 2 | 1 | 1 | 79 |
| 2 | 113 | 12 | 2 | 1 | 87 |
| 3 | 77 | 24 | 3 | 1 | 81 |
| 4 | 153 | 12 | 3 | 3 | 75 |
| 5 | 113 | 24 | 1 | 3 | 39 |
| 6 | 77 | 2 | 2 | 3 | 65 |
| 7 | 153 | 24 | 2 | 5 | 52 |
| 8 | 113 | 2 | 3 | 5 | 65 |
| 9 | 77 | 12 | 1 | 5 | 82 |
| Factors | ||||
|---|---|---|---|---|
| Level | Temperature/K (A) | Holding Time/ h (B) | Cryogenic Cycles (C) | Cooling Rate/ K·min−1 (D) |
| k1 | 69 | 80 | 67 | 82 |
| k2 | 64 | 81 | 72 | 60 |
| k3 | 76 | 57 | 69 | 71 |
| R | 12 | 24 | 5 | 22 |
| Influence degree | Holding time > Cooling rate > Temperature > Cryogenic cycles | |||
| Optimal combination | 113-24-1-3 | |||
| Number | 0–5 nm | 5–10 nm | 10–15 nm | 15–20 nm | 20–25 nm |
|---|---|---|---|---|---|
| Sample 0 | 9.3% | 62.8% | 20.9% | 2.3% | 4.7% |
| Sample 2 | 20.0% | 65.0% | 12.5% | 0 | 2.5% |
| Sample 5 | 45% | 47.5% | 7.5% | 0 | 0 |
| Sample 7 | 22.0% | 63.4% | 12.2% | 2.4% | 0 |
Disclaimer/Publisher’s Note: The statements, opinions and data contained in all publications are solely those of the individual author(s) and contributor(s) and not of MDPI and/or the editor(s). MDPI and/or the editor(s) disclaim responsibility for any injury to people or property resulting from any ideas, methods, instructions or products referred to in the content. |
© 2024 by the authors. Licensee MDPI, Basel, Switzerland. This article is an open access article distributed under the terms and conditions of the Creative Commons Attribution (CC BY) license (https://creativecommons.org/licenses/by/4.0/).
Share and Cite
Niu, X.; Chen, Z.; Jing, L.; Huang, Y.; Liu, Y. Effect of Cryogenic Treatment on Residual Stress and Microstructure of 6061 Aluminum Alloy and Optimization of Parameters. Materials 2024, 17, 4873. https://doi.org/10.3390/ma17194873
Niu X, Chen Z, Jing L, Huang Y, Liu Y. Effect of Cryogenic Treatment on Residual Stress and Microstructure of 6061 Aluminum Alloy and Optimization of Parameters. Materials. 2024; 17(19):4873. https://doi.org/10.3390/ma17194873
Chicago/Turabian StyleNiu, Xuemei, Zhi Chen, Linwang Jing, Yao Huang, and Yuhang Liu. 2024. "Effect of Cryogenic Treatment on Residual Stress and Microstructure of 6061 Aluminum Alloy and Optimization of Parameters" Materials 17, no. 19: 4873. https://doi.org/10.3390/ma17194873
APA StyleNiu, X., Chen, Z., Jing, L., Huang, Y., & Liu, Y. (2024). Effect of Cryogenic Treatment on Residual Stress and Microstructure of 6061 Aluminum Alloy and Optimization of Parameters. Materials, 17(19), 4873. https://doi.org/10.3390/ma17194873
