Research on Crack Propagation of Nitrate Ester Plasticized Polyether Propellant: Experiments and Simulation
Abstract
1. Introduction
2. Experiment Section
2.1. Material
2.2. Single-Edge Notched Tension Tests
3. Numerical Simulation Method
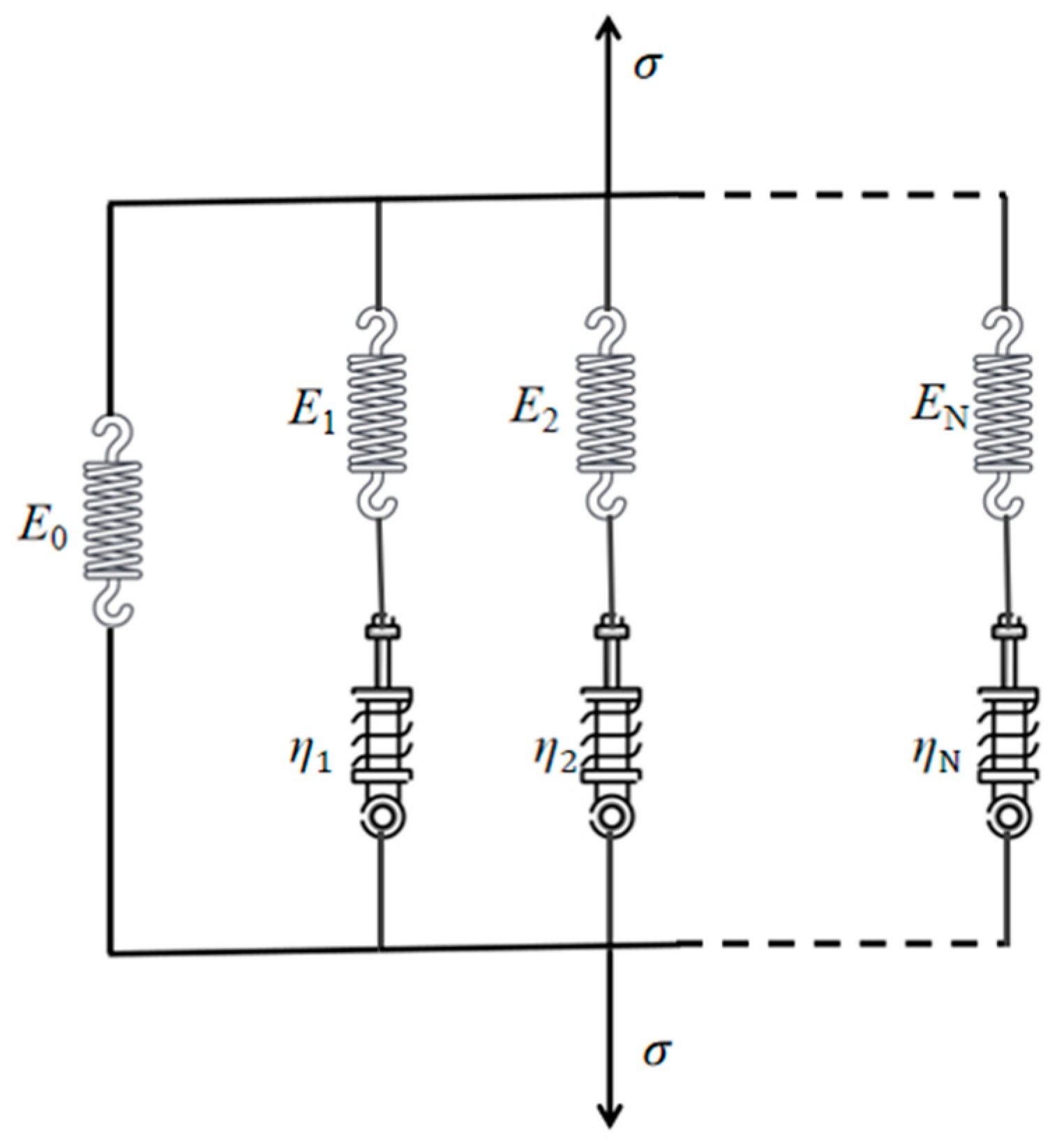
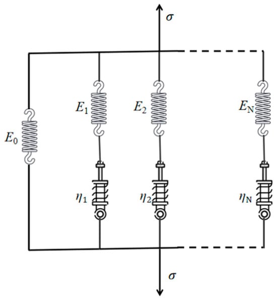
3.1. Liner Viscoelastic Constitutive Mode
3.2. Bond-Based Peridynamic
4. Result and Discussion
4.1. Experimental Results and Analysis
4.1.1. Crack Morphology and Evolution Process
4.1.2. Determination Result and Analysis of Crack Tip Behavior
4.1.3. Fracture Toughness Analysis
4.2. Numerical Calculation of BBPD
5. Conclusions
- The load–displacement curve obtained by the experiment can be divided into three regions. At the beginning, the contact surface between the chuck of the stretching machine and the specimen reaches an ideal state and the crack opens slowly. Then, the propellant undergoes blunting fracture and unstable propagation. During blunting fracture, a large number of bridging ligaments form at the crack tip, and the crack growth rate is minimal. Finally, the crack propagation velocity increases exponentially.
- The crack propagation velocity along the x-direction of the NEPE propellant increased with the increasing loading rate and crack blunting was observed, resulting in fluctuating crack propagation velocity. The entire process of crack propagation in NEPE propellants can be described as a series of blunt–propagate–blunt–propagate cycles.
- Both the energy release rate and the stress intensity factor are affected by the rate-dependent characteristics of the NEPE propellant. The critical stress intensity factor KIc and the energy release rate G both increase with an increasing loading rate. A criterion related to the stress intensity factor is proposed as a means of determining whether SRM can normally ignite.
- Bond-based peridynamics (BBPD) can simulate the fracture process of the NEPE propellant well. It obtains the velocity field, damage field (crack phase field), and load–displacement curve of the NEPE propellant. In future work, the fracture characteristics of NEPE propellants at different temperatures and confining pressures can be considered. It is also necessary to improve the simulation accuracy by using a nonlinear viscoelastic constitutive model with higher precision and develop an associated peridynamic model.
Author Contributions
Funding
Institutional Review Board Statement
Informed Consent Statement
Data Availability Statement
Conflicts of Interest
Nomenclature
| Nomenclature | critical time step | ||
| a | crack length | distance between two adjacent points | |
| B | thick of the specimen | α | length of the failure zone |
| W | wide of the specimen | aα | apparent crack length |
| H | height of the specimen | KIc | critical stress intensity factor for mode I |
| long-term equilibrium modulus | K | stress intensity factor | |
| number of terms of Prony series | |||
| E0 | initial stress relaxation modulus | Abbreviation | |
| R | material region | ||
| x | material point | SRM | solid rocket motors |
| horizon size of material point x | NEPE | nitrate ester plasticized polyether | |
| Hx | family of material point x | AP | ammonium perchlorate |
| density | HMX | octogen | |
| u | displacement | CMDB | composite modified doublebase |
| b | body force density | HTPB | hydroxyl-terminated polybutadiene |
| peridynamic force density | FEM | finite element method | |
| position vector | XFEM | extended finite element method | |
| displacement vector | CZM | cohesive zone model | |
| bond constant | PD | peridynamic | |
| s | bond stretch | PBX | polymeric-bonded explosive |
| Gc | critical energy release rate | BBPD | bond-based peridynamic |
| damage function | SENT | single-edge notched tension | |
| damage parameter | FZ | failure zone | |
References
- Wang, Y.; Rong, H.; Zhang, X.; Chen, Y.; Luo, W.; Liu, Y.; Yao, W.; Tian, Y. Influences of Bu-NENA and BDNPA/F Plasticizers on the Properties of Binder for High-Energy NEPE Propellants. Propellants Explo. Pyrotec. 2021, 46, 950–961. [Google Scholar] [CrossRef]
- Yan, G.; Liu, W.; Wang, Q.; Du, J.; Wang, F.; Yu, S. Investigation Aging Behavior of High Energy Propellant Materials. IOP Conf. Ser. Mater. Sci. Eng. 2019, 484, 012047. [Google Scholar] [CrossRef]
- Yan, X.; Xia, Z.; Huang, L.; Ma, L.; Na, X.; Feng, Y.; Fang, C. Study on the Ignition Process and Characteristics of the Nitrate Ester Plasticized Polyether Propellant. Int. J. Aerosp. Eng. 2020, 2020, 8858057. [Google Scholar] [CrossRef]
- Hu, Q.; Fang, Q.; Sha, B.; Jin, L. Study on the Viscoelastic Damage Properties of NEPE Solid Propellant with Different Cyclic Stress Ratios. Propellants Explo. Pyrotec. 2022, 47, e202100342. [Google Scholar] [CrossRef]
- Xing, R.; Wang, L.; Zhang, F.; Hou, C. Mechanical Behavior and Constitutive Model of NEPE Solid Propellant in Finite Deformation. Mech. Mater. 2022, 172, 104383. [Google Scholar] [CrossRef]
- Jiang, Q.; Lv, X.; Cui, H.; Ma, T. Computational Technique for Crack Propagation Simulation in Viscoelastic Solid Propellant. Int. J. Aerosp. Eng. 2023, 2023, 8827953. [Google Scholar] [CrossRef]
- Han, B.; Ju, Y.; Zhou, C. Simulation of crack propagation in HTPB propellant using cohesive zone model. Eng. Fail. Anal. 2012, 26, 304–317. [Google Scholar] [CrossRef]
- Li, M. Mechanical Behaviors and Constitutive Relations under Wide Strain Rate Range for CMDB Propellant. Polym. Test. 2022, 116, 107806. [Google Scholar] [CrossRef]
- Zhang, H.; Liu, M.; Miao, Y.; Wang, H.; Chen, T.; Fan, X.; Chang, H. Dynamic Mechanical Response and Damage Mechanism of HTPB Propellant under Impact Loading. Materials 2020, 13, 3031. [Google Scholar] [CrossRef]
- Qiang, H.; Wang, J.; Wang, Z.; Wang, X.; Zhu, Z. Research progress on strength, damage and fracture failure of composite solid propellants. Chin. J. Explos. Propellants 2023, 46, 561–588. [Google Scholar]
- Wang, Z.; Qiang, H.; Wang, J.; Duan, L. Experimental Investigation on Fracture Properties of HTPB Propellant with Circumferentially Notched Cylinder Sample. Propellants Explo. Pyrotec. 2022, 47, e202200046. [Google Scholar] [CrossRef]
- Wang, W.; Zheng, J.; Xu, J.; Chen, X.; Zhou, C. Research on fracture mechanism of AP/Al/CMDB propellant. J. Propuls. Technol. 2015, 36, 1728–1733. [Google Scholar]
- Wang, T. Crack Propagation Velocity and Fracture Toughness of Hydroxyl-Terminated Polybutadiene Propellants: Experiments and Simulations. Eng. Fract. Mech. 2021, 257, 108034. [Google Scholar] [CrossRef]
- Ghabezi, P.; Farahani, M. Effects of Nanoparticles on Nanocomposites Mode I and II Fracture: A Critical Review. Rev. Adhes. Adhes. 2017, 5, 414–435. [Google Scholar] [CrossRef]
- Ghabezi, P.; Farahani, M. Characterization of Cohesive Model and Bridging Laws in Mode I and II Fracture in Nano Composite Laminates. JMES 2018, 12, 4329–4355. [Google Scholar] [CrossRef]
- Wubuliaisan, M.; Wu, Y.; Hou, X.; Duan, H.; Huang, F. Viscoelastic Debonding Criterion-Based Interface for Modeling the Mechanical Behavior of Solid Propellants Subjected to Large Deformation. Eur. J. Mech. 2023, 98, 104873. [Google Scholar] [CrossRef]
- Cui, H. Viscoelastic Cohesive Zone Modeling for Mode II Fracture between Propellant and Insulation. Int. J. Adhes. Adhes. 2022, 114, 103118. [Google Scholar] [CrossRef]
- Gao, B.; Li, Z.; Ji, Y. Experimental and XFEM Simulation Research on HTPB Propellant Precracks Based on Microscopic Observation and DIC. Propellants Explo. Pyrotec. 2022, 47, e202200037. [Google Scholar] [CrossRef]
- Cui, H. Numerical Simulation of Crack Propagation in Solid Propellant with Extrinsic Cohesive Zone Model. Meccanica 2022, 57, 1617–1630. [Google Scholar] [CrossRef]
- Mandenci, E.; Oterkus, E. Peridynamic Theory and Its Applications; Springer: New York, NY, USA, 2014. [Google Scholar]
- Silling, S.A. Reformulation of elasticity theory for discontinuities and long-range forces. J. Mech. Phys. Solids 2000, 48, 175–209. [Google Scholar] [CrossRef]
- Silling, S.A.; Askari, E. A meshfree method based on the peridynamic model of solid mechanics. Comput. Struct. 2005, 83, 1526–1535. [Google Scholar] [CrossRef]
- Deng, X.; Zhao, J.; Huang, Y. Peridynamic Modeling of Damage and Non-Shock Ignition Behavior of Confined Polymer Bonded Explosives under Impact Loading. Phys. Scr. 2023, 98, 035228. [Google Scholar] [CrossRef]
- Ghajari, M.; Iannucci, L.; Curtis, P. A Peridynamic Material Model for the Analysis of Dynamic Crack Propagation in Orthotropic Media. Comput. Methods Appl. Mech. Eng. 2014, 276, 431–452. [Google Scholar] [CrossRef]
- Sun, W.K.; Yin, B.B.; Sun, J.; Kodur, V.K.R.; Liew, K.M. Modeling via Peridynamics for Crack Propagation in Laminated Glass under Fire. Compos. Struct. 2024, 338, 118112. [Google Scholar] [CrossRef]
- Kumar, S. Modelling Ductile Damage in Metals and Alloys through Weyl Condition Exploiting Local Gauge Symmetries. Int. J. Solids Struct. 2024, 296, 112820. [Google Scholar] [CrossRef]
- Isiet, M.; Mišković, I.; Mišković, S. Review of Peridynamic Modelling of Material Failure and Damage Due to Impact. Int. J. Impact Eng. 2021, 147, 103740. [Google Scholar] [CrossRef]
- Deng, X.L.; Wang, B. Peridynamic modeling of dynamic damage of polymer bonded explosive. Comput. Mater. Sci. 2020, 173, 109405. [Google Scholar] [CrossRef]
- Bentil, S.A.; Jackson, W.J.; Williams, C.; Miller, T.C. Viscoelastic Properties of Inert Solid Rocket Propellants Exposed to a Shock Wave. Propellants Explo. Pyrotec. 2022, 47, e202100055. [Google Scholar] [CrossRef]
- Luo, R. Development of Prony Series Models Based on Continuous Relaxation Spectrums for Relaxation Moduli Determined Using Creep Tests. Constr. Build. Mater. 2018, 168, 758–770. [Google Scholar] [CrossRef]
- Hu, S. A Visco-Hyperelastic Constitutive Model for NEPE Propellant and Its Application; Nanjing University of Science and Technology: Nanjing, China, 2015. [Google Scholar]
- Safari-Naderi, M.-H.; Shakouri, M.; Ghasemi-Ghalebahman, A. A Bond-Based Peridynamics Model Based on Variable Material Properties for Modeling Elastoplastic Behavior. Mater. Today Commun. 2023, 35, 105890. [Google Scholar] [CrossRef]
- Dimola, N.; Coclite, A.; Fanizza, G.; Politi, T. Bond-Based Peridynamics, a Survey Prospecting Nonlocal Theories of Fluid-Dynamics. Adv. Cont. Discr. Mod. 2022, 2022, 60. [Google Scholar] [CrossRef]
- Sun, M.; Liu, L.; Mei, H.; Lai, X.; Liu, X.; Zhang, J. A Bond-Based Peridynamic Model with Matrix Plasticity for Impact Damage Analysis of Composite Materials. Materials 2023, 16, 2884. [Google Scholar] [CrossRef] [PubMed]
- Ladányi, G.; Gonda, V. Review of Peridynamics: Theory, Applications, and Future Perspectives. SV-JME 2021, 67, 666–681. [Google Scholar] [CrossRef]
- Dipasquale, D.; Sarego, G.; Zaccariotto, M.; Galvanetto, U. Dependence of Crack Paths on the Orientation of Regular 2D Peridynamic Grids. Eng. Fract. Mech. 2016, 160, 248–263. [Google Scholar] [CrossRef]
- Spreiter, Q.; Walter, M. Classical molecular dynamics simulation with the Velocity Verlet algorithm at strong external magnetic fields. J. Comput. Phys. 1999, 152, 102–119. [Google Scholar] [CrossRef]
- Wang, T.; Xu, J.; Li, H.; Chen, X.; Zhang, J. Crack Propagation Velocity and Fracture Toughness of Hydroxyl-Terminated Polybutadiene Propellants with Consideration of a Thermo-Viscoelastic Constitutive Model: Experimental and Numerical Study. Theor. Appl. Fract. Mech. 2023, 124, 103732. [Google Scholar] [CrossRef]
- Zhang, H.; Chang, H.; Li, J.; Li, X.; Wang, H. High-Strain-Rate Mechanical Response of HTPE Propellant under SHPB Impact Loading. AIP Adv. 2021, 11, 035145. [Google Scholar] [CrossRef]
- Zhang, H.; Chang, H.; Li, X.; Wu, X.; He, Q. The Effect of Strain Rate on Compressive Behavior and Failure Mechanism of CMDB Propellant. Def. Technol. 2022, 18, 467–475. [Google Scholar] [CrossRef]
- Chen, J.H.; Wang, Q.; Wang, G.Z.; Li, Z. Fracture Behavior at Crack Tip—A New Framework for Cleavage Mechanism of Steel. Acta Mater. 2003, 51, 1841–1855. [Google Scholar] [CrossRef]
- Doungkaew, N.; Eichhubl, P. Fracture Ellipticity as a Measure of Chemical Reaction-Controlled Fracture Growth. J. Struct. Geol. 2024, 183, 105127. [Google Scholar] [CrossRef]
- Liu, C.T.; Laboratory, P. Crack growth behavior in a solid propellant. Eng. Fract. Mech. 1997, 56, 127–135. [Google Scholar] [CrossRef]
- Schapery, R.A. A theory of crack initiation and growth in viscoelastic media I. Theoretical development. Int. J. Fract. 1975, 11, 141–159. [Google Scholar] [CrossRef]
- Schapery, R.A. A Theory of Viscoelastic Crack Growth: Revisited. Int. J. Fract. 2022, 233, 1–16. [Google Scholar] [CrossRef]
- Hou, X.; Fan, L.; Yu, C.; Zhong, J. Crack Propagation Analysis of Damaged Solid Propellant under Impact Overload. J. Phys. Conf. Ser. 2021, 2125, 012061. [Google Scholar] [CrossRef]
- Martínez, M.; López, R.; Rodríguez, J.; Salazar, A. Evaluation of the Structural Integrity of Solid Rocket Propellant by Means of the Viscoelastic Fracture Mechanics Approach at Low and Medium Strain Rates. Theor. Appl. Fract. Mech. 2022, 118, 103237. [Google Scholar] [CrossRef]
- Gao, D.; Zhang, T. Fracture energy of steel fiber reinforced high strength concrete under three-point bending. Shuili Xuebao 2007, 38, 1115–1120. [Google Scholar]
- Gross, D.; Seelig, T. Linear Fracture Mechanics. Fracture Mechanics; Springer: Cham, Switzerland, 2018; pp. 82–84. [Google Scholar]





























| Binder/% | Plasticiser/% | AP/% | Al/% | HMX/% | Additives/% |
|---|---|---|---|---|---|
| 6–8 | 17–21 | 20–25 | 10–12 | 40–45 | 1–3 |
| n | 1 | 2 | 3 | 4 | 5 | |
|---|---|---|---|---|---|---|
| /s | — | 0.5 | 2 | 32 | 128 | 512 |
| En/MPa | 2.786 | 0.362 | 0.718 | 0.336 | 0.548 | 0.530 |
| 10 mm/min | 100 mm/min | 500 mm/min | |
|---|---|---|---|
| G (J/m2) | 1279.3080 | 2412.1082 | 3851.1036 |
Disclaimer/Publisher’s Note: The statements, opinions and data contained in all publications are solely those of the individual author(s) and contributor(s) and not of MDPI and/or the editor(s). MDPI and/or the editor(s) disclaim responsibility for any injury to people or property resulting from any ideas, methods, instructions or products referred to in the content. |
© 2024 by the authors. Licensee MDPI, Basel, Switzerland. This article is an open access article distributed under the terms and conditions of the Creative Commons Attribution (CC BY) license (https://creativecommons.org/licenses/by/4.0/).
Share and Cite
Liu, H.; Wang, J.; Fu, X. Research on Crack Propagation of Nitrate Ester Plasticized Polyether Propellant: Experiments and Simulation. Materials 2024, 17, 2180. https://doi.org/10.3390/ma17102180
Liu H, Wang J, Fu X. Research on Crack Propagation of Nitrate Ester Plasticized Polyether Propellant: Experiments and Simulation. Materials. 2024; 17(10):2180. https://doi.org/10.3390/ma17102180
Chicago/Turabian StyleLiu, Hanwen, Jiangning Wang, and Xiaolong Fu. 2024. "Research on Crack Propagation of Nitrate Ester Plasticized Polyether Propellant: Experiments and Simulation" Materials 17, no. 10: 2180. https://doi.org/10.3390/ma17102180
APA StyleLiu, H., Wang, J., & Fu, X. (2024). Research on Crack Propagation of Nitrate Ester Plasticized Polyether Propellant: Experiments and Simulation. Materials, 17(10), 2180. https://doi.org/10.3390/ma17102180

