π-Shape ESD Protection Design for Multi-Gbps High-Speed Circuits in CMOS Technology
Abstract
1. Introduction
2. Design of π-Shape ESD Protection Circuit
2.1. π-Shape Circuit
2.2. Traditional π-Diode and π-MOS
2.3. Proposed π-SDSCR and π-RTSCR
3. Implementation and Measurement Results
3.1. Test Device Implementation
3.2. High-Frequency Performance
3.3. Human Body Model (HBM) ESD Test
3.4. Human-Metal-Model (HMM) ESD Test
3.5. Transmission-Line-Pulsing (TLP) Measurement
3.6. Figure of Merit (FOM)
4. Application of π-Shape ESD Protection Circuits
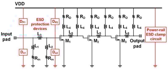
4.1. Trans-Impedance Amplifier (TIA)
4.2. High-Frequency Performance
4.3. Transmission-Line-Pulsing (TLP) Measurement
4.4. Human Body Model (HBM) Measurement
4.5. High-Frequency Performance after HBM Test
4.6. Figure of Merit (FOM)
5. Conclusions
Author Contributions
Funding
Institutional Review Board Statement
Informed Consent Statement
Data Availability Statement
Acknowledgments
Conflicts of Interest
References
- Amerasekera, A.; Duvvury, C. ESD in Silicon Integrated Circuits; John Wiley & Sons: Hoboken, NJ, USA, 2002. [Google Scholar]
- Semenov, O.; Sarbishaei, H.; Sachdev, M. ESD Protection Device and Circuit Design for Advanced CMOS Technologies; Springer: Amsterdam, The Netherlands, 2008. [Google Scholar]
- Li, J.; Chatty, K.; Gauthier, R.; Mishra, R.; Russ, C. Technology scaling of advanced bulk CMOS on-chip ESD protection down to the 32 nm node. In Proceedings of the 2009 31st EOS/ESD Symposium, Anaheim, CA, USA, 30 August–4 September 2009; pp. 69–75. [Google Scholar]
- ANSI/ESDA/JEDEC JS-001-2017; Human Body Model (HBM)—Component Level. ESD Association: New York, NY, USA; JEDEC Solid State Technology Association: Arlington County, VA, USA, 2017.
- IEC 6100-4-2 Standard; EMC—Part 4-2: Testing and Measurement Techniques—Electrostatic Discharge Immunity Test. IEC: London, UK, 2008.
- Wong, R.; Fung, R.; Wen, S.-J. Networking industry trends in ESD protection for high speed IOs. In Proceedings of the 2013 IEEE 10th International Conference on ASIC, Shenzhen, China, 28–31 October 2013; pp. 1–4. [Google Scholar]
- Salmeh, R. Impacts of the pads, ESD diodes and package parasitic on the noise figure and gain of a common source low noise amplifier. In Proceedings of the 2010 53rd IEEE International Midwest Symposium on Circuits and Systems, Seattle, WA, USA, 1–4 August 2010; pp. 946–952. [Google Scholar]
- Cao, S.; Chun, J.-H.; Beebe, S.G.; Dutton, R.W. ESD Design Strategies for High-Speed Digital and RF Circuits in Deeply Scaled Silicon Technologies. IEEE Trans. Circuits Syst. I Regul. Pap. 2010, 57, 2301–2311. [Google Scholar]
- Cui, Q.; Salcedo, J.; Parthasarathy, S.; Zhou, Y.; Liou, J.; Hajjar, J. High-robustness and low-capacitance silicon-controlled rectifier for high-speed I/O ESD protection. IEEE Electron Device Lett. 2013, 34, 178–180. [Google Scholar]
- Chen, R.; Wei, H.; Liu, H.; Liu, Z.; Chen, Y. Ultra-Low-Voltage-Triggered Silicon Controlled Rectifier ESD Protection Device for 2.5 V Nano Integrated Circuit. Nanomaterials 2022, 12, 4250. [Google Scholar] [CrossRef] [PubMed]
- Hou, F.; Du, F.; Yang, K.; Liu, J.; Liu, Z. Area-Efficient Embedded Resistor-Triggered SCR with High ESD Robustness. Electronics 2019, 8, 445. [Google Scholar] [CrossRef]
- Chen, J.; Lin, C.; Chang, R.; Ker, M.; Tzeng, T.; Lin, T. ESD protection design for high-speed applications in CMOS tech-nology. In Proceedings of the 2016 IEEE 59th International Midwest Symposium on Circuits and Systems (MWSCAS), Abu Dhabi, United Arab Emirates, 16–19 October 2016. [Google Scholar]
- Lin, C.-Y.; Chen, C.-Y. Low-C ESD protection design with dual resistor-triggered SCRs in CMOS technology. IEEE Trans. Device Mater. Reliab. 2018, 18, 197–204. [Google Scholar] [CrossRef]
- Lin, C.-Y.; Lai, Y.-H. π-SCR device for broadband ESD protection in low-voltage CMOS technology. IEEE Trans. Electron Devices 2019, 66, 4107–4110. [Google Scholar] [CrossRef]
- Choi, H.-W.; Kim, C.-Y.; Choi, S. 6.7–15.3 GHz, high-performance broadband low-noise amplifier with large transistor and two-stage broadband noise matching. IEEE Microw. Wirel. Compon. Lett. 2021, 31, 949–952. [Google Scholar] [CrossRef]
- Ker, M.D.; Kuo, B.J.; Hsiao, Y.W. Optimization of broadband RF performance and ESD robustness by π-model distributed ESD protection scheme. J. Electrost. 2006, 64, 80–87. [Google Scholar] [CrossRef]
- Ito, C.; Banerjee, K.; Dutton, R. Analysis and design of distributed ESD protection circuits for high-speed mixed-signal and RF ICs. IEEE Trans. Electron Devices 2002, 49, 1444–1454. [Google Scholar] [CrossRef]
- Yeh, C.-T.; Ker, M.-D.; Liang, Y.-C. Optimization on Layout Style of ESD Protection Diode for Radio-Frequency Front-End and High-Speed I/O Interface Circuits. IEEE Trans. Device Mater. Reliab. 2010, 10, 238–246. [Google Scholar] [CrossRef]
- Ker, M.-D.; Lin, K.-H. Overview on electrostatic discharge protection designs for mixed-voltage I/O interfaces: Design concept and circuit implementations. IEEE Trans. Circuits Syst. I Regul. Pap. 2006, 53, 235–246. [Google Scholar] [CrossRef]
- Lin, C.-Y.; Chen, C.-Y. Resistor-Triggered SCR Device for ESD Protection in High-Speed I/O Interface Circuits. IEEE Electron Device Lett. 2017, 38, 712–715. [Google Scholar] [CrossRef]
- ANSI/ESD SP5.6-2009; ESD Association Standard Practice for Electrostatic Discharge Sensitivity Testing—Human Metal Model (HMM)—Component Level. ESD Association: Rome, NY, USA, 2010.
- Linten, D.; Thijs, S.; Okushima, M.; Scholz, M.; Borremans, J.; Dehan, M.; Groeseneken, G. A 4.5 kV HBM, 300 V CDM, 1.2 kV HMM ESD protected DC-to-16.1 GHz wideband LNA in 90 nm CMOS. In Proceedings of the 2009 31st EOS/ESD Symposium, Anaheim, CA, USA, 30 August–4 September 2009. [Google Scholar]
- Jin, J.-D.; Hsu, S.S.H. A 40-Gb/s Transimpedance Amplifier in 0.18-um CMOS Technology. IEEE J. Solid-State Circuits 2008, 43, 1449–1457. [Google Scholar] [CrossRef]

















| Test Device | Parasitic Capacitance of ESD Device (fF) | ESD Device Width (μm) | Inductor (nH) |
|---|---|---|---|
| Traditional π-Diode | ~120 | 30 | 0.31 |
| Traditional π-MOS | ~120 | 44 | 0.31 |
| Proposed π-SDSCR | ~120 | 60 | 0.31 |
| Proposed π-RTSCR | ~120 | 60 | 0.31 |
| Test Device | HBM (kV) | |||
|---|---|---|---|---|
| PS Mode | PD Mode | NS Mode | ND Mode | |
| Traditional π-Diode | 5 | 5 | 4 | >8 |
| Traditional π-MOS | <1 | 6 | 3 | 2 |
| Proposed π-SDSCR | >8 | >8 | >8 | >8 |
| Proposed π-RTSCR | >8 | >8 | >8 | >8 |
| Test Device | HMM (kV) | |||
|---|---|---|---|---|
| PS Mode | PD Mode | NS Mode | ND Mode | |
| Traditional π-Diode | 2.6 | 2.3 | 1.6 | 3.6 |
| Traditional π-MOS | 0.3 | 1.2 | 1.2 | 1 |
| Proposed π-SDSCR | 3 | 2.9 | 3.3 | 3.4 |
| Proposed π-RTSCR | 2.7 | 2.8 | 3.7 | 3.1 |
| Test Device | It2 (A) | Loss (dB) | Input Capacitance (fF/μm) | FOM |
|---|---|---|---|---|
| Traditional π-Diode | 2.68 | −1.43 | 4 | 0.43 |
| Traditional π-MOS | 1.29 | −3.79 | 2.72 | 0.11 |
| Proposed π-SDSCR | 5.78 | −1.68 | 2 | 1.22 |
| Proposed π-RTSCR | 5.02 | −1.66 | 2 | 0.91 |
| Test Circuit | It2 (A) | |||
|---|---|---|---|---|
| PS Mode | PD Mode | NS Mode | ND Mode | |
| TIA w/o protection | 0.40 | 0.17 | 0.23 | 0.16 |
| TIA with traditional π-diode | 3.44 | 3.55 | 3.50 | 6.36 |
| TIA with proposed π-SDSCR | 3.45 | 5.15 | 5.48 | 6.08 |
| TIA with proposed π-RTSCR | 3.14 | 5.52 | 4.86 | 5.71 |
| Test Circuit | HBM (kV) | |||
|---|---|---|---|---|
| PS Mode | PD Mode | NS Mode | ND Mode | |
| TIA w/o protection | 0.8 | 0.6 | 1 | 0.4 |
| TIA with traditional π-diode | 6.1 | 6 | 6 | >8 |
| TIA with proposed π-SDSCR | >8 | 7 | >8 | >8 |
| TIA with proposed π-RTSCR | >8 | 7.5 | >8 | >8 |
| Test Circuit | HBM (kV) | Gain (dB)@17 GHz | Input Capacitance (fF/μm) | FOMTIA |
|---|---|---|---|---|
| TIA without protection | <1 | 6.38 | N/A | 6.38 |
| TIA with traditional π-diode | 5 | 4.20 | 2.72 | 7.72 |
| TIA with proposed π-SDSCR | 6 | 4.98 | 2 | 14.94 |
| TIA with proposed π-RTSCR | 5 | 5.09 | 2 | 12.73 |
Disclaimer/Publisher’s Note: The statements, opinions and data contained in all publications are solely those of the individual author(s) and contributor(s) and not of MDPI and/or the editor(s). MDPI and/or the editor(s) disclaim responsibility for any injury to people or property resulting from any ideas, methods, instructions or products referred to in the content. |
© 2023 by the authors. Licensee MDPI, Basel, Switzerland. This article is an open access article distributed under the terms and conditions of the Creative Commons Attribution (CC BY) license (https://creativecommons.org/licenses/by/4.0/).
Share and Cite
Chang, C.-R.; Dai, Z.-J.; Lin, C.-Y. π-Shape ESD Protection Design for Multi-Gbps High-Speed Circuits in CMOS Technology. Materials 2023, 16, 2562. https://doi.org/10.3390/ma16072562
Chang C-R, Dai Z-J, Lin C-Y. π-Shape ESD Protection Design for Multi-Gbps High-Speed Circuits in CMOS Technology. Materials. 2023; 16(7):2562. https://doi.org/10.3390/ma16072562
Chicago/Turabian StyleChang, Chun-Rong, Zih-Jyun Dai, and Chun-Yu Lin. 2023. "π-Shape ESD Protection Design for Multi-Gbps High-Speed Circuits in CMOS Technology" Materials 16, no. 7: 2562. https://doi.org/10.3390/ma16072562
APA StyleChang, C.-R., Dai, Z.-J., & Lin, C.-Y. (2023). π-Shape ESD Protection Design for Multi-Gbps High-Speed Circuits in CMOS Technology. Materials, 16(7), 2562. https://doi.org/10.3390/ma16072562

