An Innovative Compact Split-Ring-Resonator-Based Power Tiller Wheel-Shaped Metamaterial for Quad-Band Wireless Communication
Abstract
1. Introduction
2. Design Parameters of the Metamaterial and Simulation Setup
2.1. Extraction Process of Medium Parameters
2.2. Parametric Studies
2.2.1. Design Hierarchy
2.2.2. Effect of Substrate Materials
2.2.3. Unit Cell Dimension Optimization
2.2.4. The Effect of Field Propagation Direction
2.3. Analysis of Electromagnetic Field and Surface Current
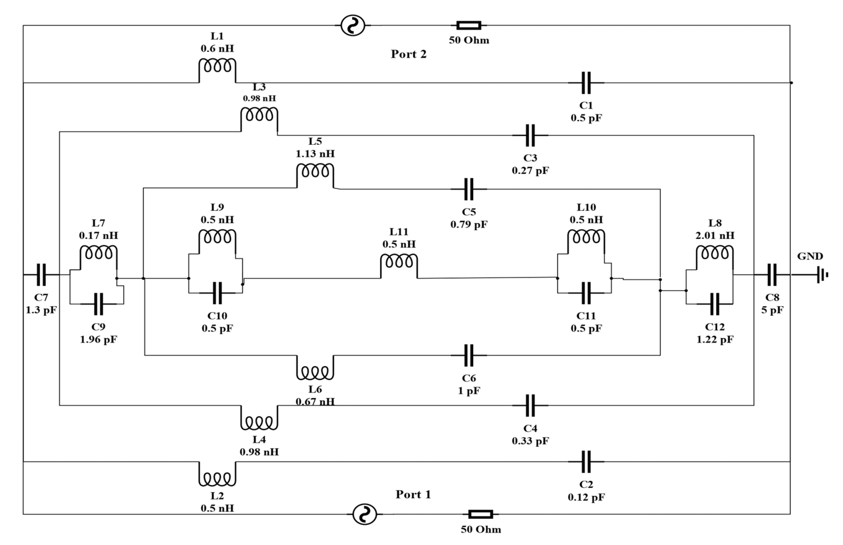
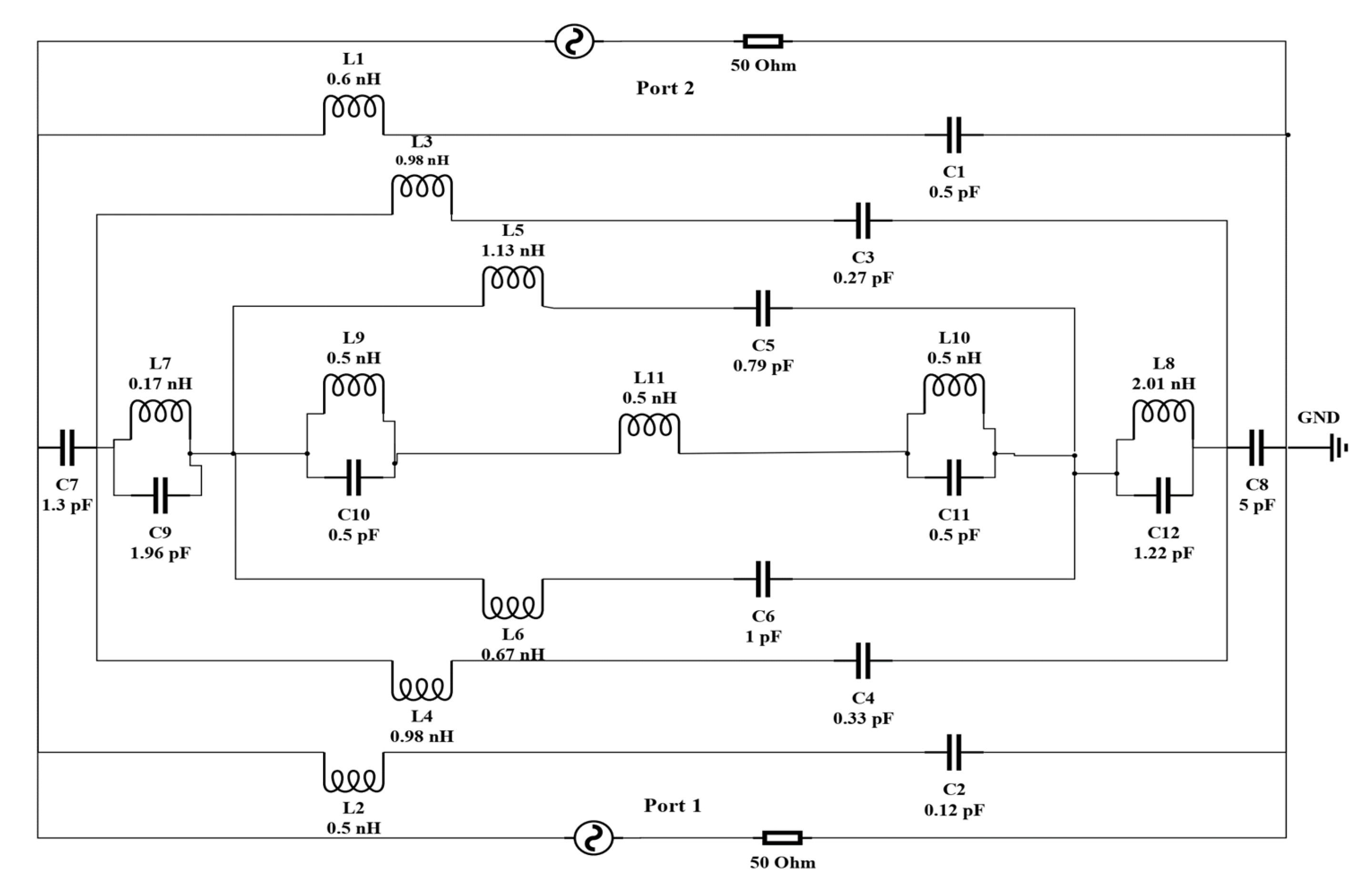
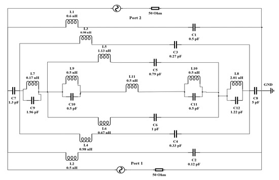
2.4. Equivalent LC Circuit of the Unit Cell
3. Results and Discussion
3.1. Array Metamaterial Results
3.2. Validation Using HFSS
4. Conclusions
Author Contributions
Funding
Data Availability Statement
Acknowledgments
Conflicts of Interest
References
- Alitalo, P.; Culhaoglu, A.E.; Osipov, A.V.; Thurner, S.; Kemptner, E.; Tretyakov, S.A. Bistatic scattering characterization of a three-dimensional broadband cloaking structure. J. Appl. Phys. 2012, 111, 034901. [Google Scholar] [CrossRef]
- Afsar, M.S.U.; Faruque, M.R.; Hossain, M.J.; Khandaker, M.U.; Osman, H.; Alamri, S. Modified hexagonal split ring resonator based on an epsilon-negative metamaterial for triple-band Satellite Communication. Micromachines 2021, 12, 878. [Google Scholar] [CrossRef] [PubMed]
- Veselago, V.G. The electrodynamics of substances with simultaneously negative values of ℇ and μ. Sov. Phys. Uspekhi 1968, 10, 509–514. [Google Scholar] [CrossRef]
- Martín, M.; Vélez, P.; Karami-Horestani, A.; Medina, F.; Fumeaux, C.; Martín, F.; Zhu, L.; Hong, J.F.; Medina, F. Balanced Microwave Filters; John Wiley & Sons Inc.: Hoboken, NJ, USA, 2018; pp. 353–371. [Google Scholar] [CrossRef]
- Alam, M.J.; Ahamed, E.; Faruque, M.R.I.; Islam, M.T.; Tamim, A.M.; Maktoomi, M. Lefthanded metamaterial bandpass filter for GPS, Earth Exploration-Satellite and WiMAX frequency sensing applications. PLoS ONE 2019, 14, e0224478. [Google Scholar] [CrossRef] [PubMed]
- Thummaluru, S.; Chaudhary, R. Mu-negative metamaterial filter-based isolation technique for MIMO antennas. Electron. Lett. 2017, 53, 644–646. [Google Scholar] [CrossRef]
- Fu, W.; Han, Y.; Li, J.; Wang, H.; Li, H.; Han, K.; Shen, X.; Cui, T. Polarization insensitive wide-angle triple-band metamaterial band pass filter. J. Phys. D Appl. Phys. 2016, 49, 285110. [Google Scholar] [CrossRef]
- Islam, S.S.; Faruque, M.R.I.; Islam, M.T. A near zero refractive index metamaterial for electromagnetic invisibility cloaking operation. Materials 2015, 8, 4790–4804. [Google Scholar] [CrossRef]
- Wang, M.; Yang, Z.; Wu, J.; Bao, J.; Liu, J.; Cai, L.; Dang, T.; Zheng, H.; Li, E. Investigation of SAR reduction using flexible antenna with metamaterial structure in wireless body area network. IEEE Trans. Antennas Propag. 2018, 66, 3076–3086. [Google Scholar] [CrossRef]
- Sreekanth, K.V.; ElKabbash, M.; Alapan, Y.; Rashed, A.R.; Gurkan, U.A.; Strangi, G. A multiband perfect absorber based on hyperbolic metamaterials. Sci. Rep. 2016, 6, 26272. [Google Scholar] [CrossRef]
- Nasimuddin, N.; Chen, Z.N.; Qing, X. Bandwidth Enhancement of a Single-Feed Circularly Polarized Antenna Using a Metasurface: Metamaterial-based wideband CP rectangular microstrip antenna. IEEE Antennas Propag. Mag. 2016, 58, 39–46. [Google Scholar] [CrossRef]
- Ziolkowski, R.W. Metamaterial-based antennas: Research and developments. IEICE Trans. Electron. 2006, 89, 1267–1275. [Google Scholar] [CrossRef]
- Sabah, C.; Nesimoglu, T. Design and characterization of a resonator-based metamaterial and its sensor application using microstrip technology. Opt. Eng. 2016, 55, 027107. [Google Scholar] [CrossRef]
- Faruque, M.R.I.; Ahamed, E.; Rahman, M.A.; Islam, M.T. Flexible nickel aluminate (NiAl2O4) based dual-band double negative metamaterial for microwave applications. Results Phys. 2019, 14, 102524. [Google Scholar] [CrossRef]
- Dalgaç, S.; Karadağ, F.; Ünal, E.; Özkaner, V.; Bakır, M.; Akgöl, O.; Sevim, U.K.; Delihacıoğlu, K.; Öztürk, M.; Karaaslan, M.; et al. Metamaterial sensor application concrete material reinforced with carbon steel fiber. Mod. Phys. Lett. B 2020, 34, 2050097. [Google Scholar] [CrossRef]
- Islam, M.S.; Islam, M.T.; Sahar, N.M.; Rmili, H.; Amin, N.; Chowdhury, M.E.H. A mutual coupled concentric crossed-Line split ring resonator (CCSRR) based epsilon negative (ENG) metamaterial for Tri-band microwave applications. Results Phys. 2020, 18, 103292. [Google Scholar] [CrossRef]
- Smith, K.L.; Adams, R.S. Spherical spiral metamaterial unit cell for negative permeability and negative permittivity. IEEE Trans. Antennas Propag. 2018, 66, 6425–6428. [Google Scholar] [CrossRef]
- Ramachandran, T.; Faruque, M.R.I.; Islam, M.T.; Khandaker, M.U. Radar cross-section reduction using polarisation-dependent passive metamaterial for satellite communication. Chin. J. Phys. 2022, 76, 251–268. [Google Scholar] [CrossRef]
- Zarghooni, B.; Abdolmehdi, D.; Tayeb, A.D. Greek-key pattern as a miniaturized multiband metamaterial unit-cell. IEEE Antennas Wirel. Propag. Lett. 2015, 14, 1254–1257. [Google Scholar] [CrossRef]
- Marathe, D.; Kulat, K. A compact triple-band negative permittivity metamaterial for C, X-band applications. Int. J. Antennas Propag. 2017, 2017, 7515264. [Google Scholar] [CrossRef]
- Liu, S.H.; Guo, L.X.; Li, J.C. Left-handed metamaterials based on only modified circular electric resonators. J. Mod. Opt. 2016, 63, 2220–2225. [Google Scholar] [CrossRef]
- Islam, M.R.; Samsuzzaman, M.; Misran, N.; Beng, G.K.; Islam, M.T. A tri-band left-handed meta-atom enabled designed with high effective medium ratio for microwave based applications. Results Phys. 2020, 17, 103032. [Google Scholar] [CrossRef]
- Ali, W.; Hamad, E.; Bassiuny, M.; Hamdallah, M. Complementary split ring resonator based triple band microstrip antenna for WLAN/WiMAX Applications. Radio Eng. 2017, 26, 78–84. [Google Scholar] [CrossRef]
- Almutairi, A.F.; Islam, M.S.; Samsuzzaman, M.; Islam, M.T.; Misran, N.; Islam, M.T. A complementary split ring resonator based metamaterial with effective medium ratio for C-band microwave applications. Results Phys. 2019, 15, 102675. [Google Scholar] [CrossRef]
- Azeez, A.R.; Elwi, T.A.; Al-Hussain, Z.A.A. Design and analysis of a novel concentric rings based crossed lines single negative metamaterial structure. Eng. Sci. Technol. Int. J. 2017, 20, 1140–1146. [Google Scholar] [CrossRef]
- Yao, G.; Ling, F.; Yue, J.; Luo, C.; Ji, J.; Yao, J. Dual-band tunable perfect metamaterial absorber in the THz range. Opt. Express 2016, 24, 1518–1527. [Google Scholar] [CrossRef]
- Liu, B.; Sha, K.; Zhou, M.F.; Song, K.X.; Huang, Y.H.; Hu, C.C. Novel low-ℇr MGa2O4 (M = Ca, Sr) microwave dielectric ceramics for 5G antenna applications at the sub-6 GHz band. J. Eur. Ceram. Soc. 2021, 41, 5170–5175. [Google Scholar] [CrossRef]
- Liu, B.; Sha, K.; Jia, Y.Q.; Huang, Y.H.; Hu, C.C.; Li, L.; Wang, D.W.; Zhou, D.; Song, K.X. High quality factor cold sintered LiF ceramics for microstrip patch antenna applications. J. Eur. Ceram. Soc. 2021, 41, 4835–4840. [Google Scholar] [CrossRef]
- Guo, Y.; Zhou, J. Total broadband transmission of microwaves through a subwavelength aperture by localized E-field coupling of split-ring resonators. Opt. Express 2014, 22, 27136. [Google Scholar] [CrossRef]
- Khiew, P.S.; Huang, N.M.; Radiman, S.; Ahmad, M.S. Synthesis and characterization of conducting polyaniline-coated cadmium sulphide nanocomposites in reverse microemulsion. Mater. Lett. 2004, 58, 516–521. [Google Scholar] [CrossRef]
- Amali, R.K.; Lim, H.N.; Ibrahim, I.; Zainal, Z.; Ahmad, S.A. A copper-based metal–organic framework decorated with electrodeposited Fe2O3 nanoparticles for electrochemical nitrite sensing. Microchim. Acta 2022, 189, 356. [Google Scholar] [CrossRef]
- Hossain, S.; Iquebal Hossain Patwary, M.; Sunbeam Islam, S.; Mahmud, S.; Binti Misran, N.F.; Almutairi, A.; Tariqul Islam, M. Double-e-triple-h-shaped Nri-metamaterial for dual-band Microwave Sensing Applications. Comput. Mater. Contin. 2022, 71, 5817–5836. [Google Scholar] [CrossRef]
- Chen, X.; Grzegorczyk, T.M.; Wu, B.I.; Pacheco, J., Jr.; Kong, J.A. Robust method to retrieve the constitutive effective parameters of metamaterials. Phys. Rev. 2004, 70, 016608. [Google Scholar] [CrossRef] [PubMed]
- Hasan, M.M.; Faruque, M.R.I. Left-handed metamaterial using Z-shaped SRR for multiband application by azimuthal angular rotations. Mater. Res. Express 2017, 4, 045801. [Google Scholar] [CrossRef]
- Pendry, J.B.; Holden, A.J.; Robbins, D.J.; Stewart, W. Magnetism from conductors and enhanced nonlinear phenomena. IEEE Trans. Microw. Theory Tech. 1999, 47, 2075–2084. [Google Scholar] [CrossRef]
- Gerson, R. A useful text for calculus-based physics. Phys. Teach. 1981, 19, 504. [Google Scholar] [CrossRef]
- Hasan, M.M.; Faruque, M.R.I.; Islam, M.T. Beam steering of eye shape metamaterial design on dispersive media by FDTD method. Int. J. Numer. Model. 2018, 31, e2319. [Google Scholar] [CrossRef]
- Afsar, M.S.U.; Faruque, M.R.I.; Khandaker, M.U.; Alqahtani, A.; Bradley, D.A. A new compact split ring resonator based double inverse epsilon shaped metamaterial for triple band satellite and Radar Communication. Crystals 2022, 12, 520. [Google Scholar] [CrossRef]
- Guo, Y.; Zhou, J. Dual-band-enhanced transmission through a subwavelength aperture by coupled metamaterial resonators. Sci. Rep. 2015, 5, 8144. [Google Scholar] [CrossRef]
- Islam, S.S.; Faruque, M.R.I.; Islam, M.T. An ENG metamaterial based wideband electromagnetic cloak. Microw. Opt. Technol. Lett. 2016, 58, 2522–2525. [Google Scholar] [CrossRef]
- Aebischer, H.A. Inductance formula for rectangular planar spiral inductors with rectangular conductor cross section. Adv. Electromagn. 2020, 9, 1–18. [Google Scholar] [CrossRef]
- Kim, I.K.; Varadan, V.V. Electric and magnetic resonances in symmetric pairs of split ring resonators. J. Appl. Phys. 2009, 106, 074504. [Google Scholar] [CrossRef]
- Dawar, P.; De, A. Bandwidth enhancement of RMPA using ENG metamaterials at THz. In Proceedings of the IEEE 4th International Conference on Computer and Communication Technology (ICCCT), Allahabad, India, 20–22 September 2013; pp. 11–16. [Google Scholar]
- Enoch, S.; Tayeb, G.; Sabouroux, P.; Guérin, N.; Vincent, P. A metamaterial for directive emission. Phys. Rev. Lett. 2002, 89, 213902. [Google Scholar] [CrossRef] [PubMed]
- Abdel-Rahman, A.B.; Ibrahim, A.A. Gain enhancement of aperture coupled patch antenna using metamaterial and conical metal frame. The 2nd Middle East Conference on Antennas and Propagation, Cairo, Egypt, 29–31 December 2012. [Google Scholar]
- Islam, S.; Faruque, M.; Islam, M. The design and analysis of a novel split-H-shaped metamaterial for multi-band Microwave Applications. Materials 2014, 7, 4994–5011. [Google Scholar] [CrossRef] [PubMed]
- Zhou, H.; Wang, C.; Peng, H. A novel double-incidence and multi-band left-handed metamaterials composed of double Z-shaped structure. J. Mater. Sci. Mater. Electron. 2015, 27, 2534–2544. [Google Scholar] [CrossRef]
- Islam, M.; Islam, M.; Samsuzzaman, M.; Faruque, M.; Misran, N.; Mansor, M. A miniaturized antenna with negative index metamaterial based on modified SRR and CLS unit cell for UWB microwave imaging applications. Materials 2015, 8, 392–407. [Google Scholar] [CrossRef]
- Hossain, M.B.; Faruque, M.R.; Islam, S.S.; Islam, M.T. Modified double dumbbell-shaped split-ring resonator-based negative permittivity metamaterial for satellite communications with high effective medium ratio. Sci. Rep. 2021, 11, 19331. [Google Scholar] [CrossRef]
Parameter Symbol | Size (mm) | Parameter Symbol | Size (mm) |
---|---|---|---|
L | 11 | g | 0.40 |
B | 11 | R1 | 4.30 |
c | 10.40 | R2 | 3.80 |
d | 10.40 | r1 | 3.3 |
G | 0.50 | r2 | 2.8 |
e | 0.75 | r3 | 1.5 |
t | 0.50 | r4 | 0.75 |
Design | Resonance Frequency (GHz) | Structural Composition | Magnitude (dB) | Band |
---|---|---|---|---|
Design-1 | 2.44, 8.67, 10.84 | SRR with single octagon | −40.41, −44.48, −31.43 | S-, X- |
Design-2 | 2.51, 8.55, 9.50, 11.02 | SRR with double octagons | −38.91, −39.09, −37.82, −19.29 | S-, X- |
Design-3 | 2.50, 8.57, 9.49, 11.03 | SRR with three octagons | −39.83, −39.84, −37.88, −19.16 | S-, X- |
Design-4 | 2.51, 8.58, 11.05 | SRR with three attached octagons | −42.69, −37.28, −15.73 | S-, X- |
Final Design | 2.35, 7.72, 9.23, 10.68 | SRR with three attached OSRRs | −43.23, −31.05, −44.58, −31.71 | S-, C-, X- |
Author Name & Ref. | Shape of MM | Size (mm2) | Substrate Material | Metamaterial Type | EMR (λ/L) |
---|---|---|---|---|---|
Islam et al. [46] | H | 30 × 30 | FR-4 | LHM | 3.65 |
Zhou et al. [47] | Double Z | 8.5 × 8.5 | FR-4 | LHM | 4.83 |
Islam M et al. [48] | SRR | 16 × 12 | FR-4 | NRI | 5.35 |
Hossain et al. [49] | Double dumbbell | 9 × 9 | FR-4 | ENG | 11.5 |
Proposed MM | Power tiller wheel | 11 × 11 | RT6002 | ENG | 11.61 |
Resonance Peak (GHz) | Unit Cell | 1 × 2 Array | 2 × 2 Array | Max. Shift of Frequency |
---|---|---|---|---|
First | 2.35 | 2.57 | 2.57 | 0.22 |
Second | 7.72 | 7.60 | 7.60 | 0.12 |
Third | 9.23 | 9.47 | 9.48 | 0.25 |
Fourth | 10.68 | 10.36 | 10.36 | 0.32 |
Disclaimer/Publisher’s Note: The statements, opinions and data contained in all publications are solely those of the individual author(s) and contributor(s) and not of MDPI and/or the editor(s). MDPI and/or the editor(s) disclaim responsibility for any injury to people or property resulting from any ideas, methods, instructions or products referred to in the content. |
© 2023 by the authors. Licensee MDPI, Basel, Switzerland. This article is an open access article distributed under the terms and conditions of the Creative Commons Attribution (CC BY) license (https://creativecommons.org/licenses/by/4.0/).
Share and Cite
Afsar, M.S.U.; Faruque, M.R.I.; Abdullah, S.; Islam, M.T.; Khandaker, M.U.; Al-Mugren, K.S. An Innovative Compact Split-Ring-Resonator-Based Power Tiller Wheel-Shaped Metamaterial for Quad-Band Wireless Communication. Materials 2023, 16, 1137. https://doi.org/10.3390/ma16031137
Afsar MSU, Faruque MRI, Abdullah S, Islam MT, Khandaker MU, Al-Mugren KS. An Innovative Compact Split-Ring-Resonator-Based Power Tiller Wheel-Shaped Metamaterial for Quad-Band Wireless Communication. Materials. 2023; 16(3):1137. https://doi.org/10.3390/ma16031137
Chicago/Turabian StyleAfsar, Md. Salah Uddin, Mohammad Rashed Iqbal Faruque, Sabirin Abdullah, Mohammad Tariqul Islam, Mayeen Uddin Khandaker, and K. S. Al-Mugren. 2023. "An Innovative Compact Split-Ring-Resonator-Based Power Tiller Wheel-Shaped Metamaterial for Quad-Band Wireless Communication" Materials 16, no. 3: 1137. https://doi.org/10.3390/ma16031137
APA StyleAfsar, M. S. U., Faruque, M. R. I., Abdullah, S., Islam, M. T., Khandaker, M. U., & Al-Mugren, K. S. (2023). An Innovative Compact Split-Ring-Resonator-Based Power Tiller Wheel-Shaped Metamaterial for Quad-Band Wireless Communication. Materials, 16(3), 1137. https://doi.org/10.3390/ma16031137