Prediction of True Stress at Hot Deformation of High Manganese Steel by Artificial Neural Network Modeling
Abstract
1. Introduction
2. Materials and Methods
3. Results
3.1. Training of the ANN-Based Model
3.2. Microstructure of the Investigated Steel
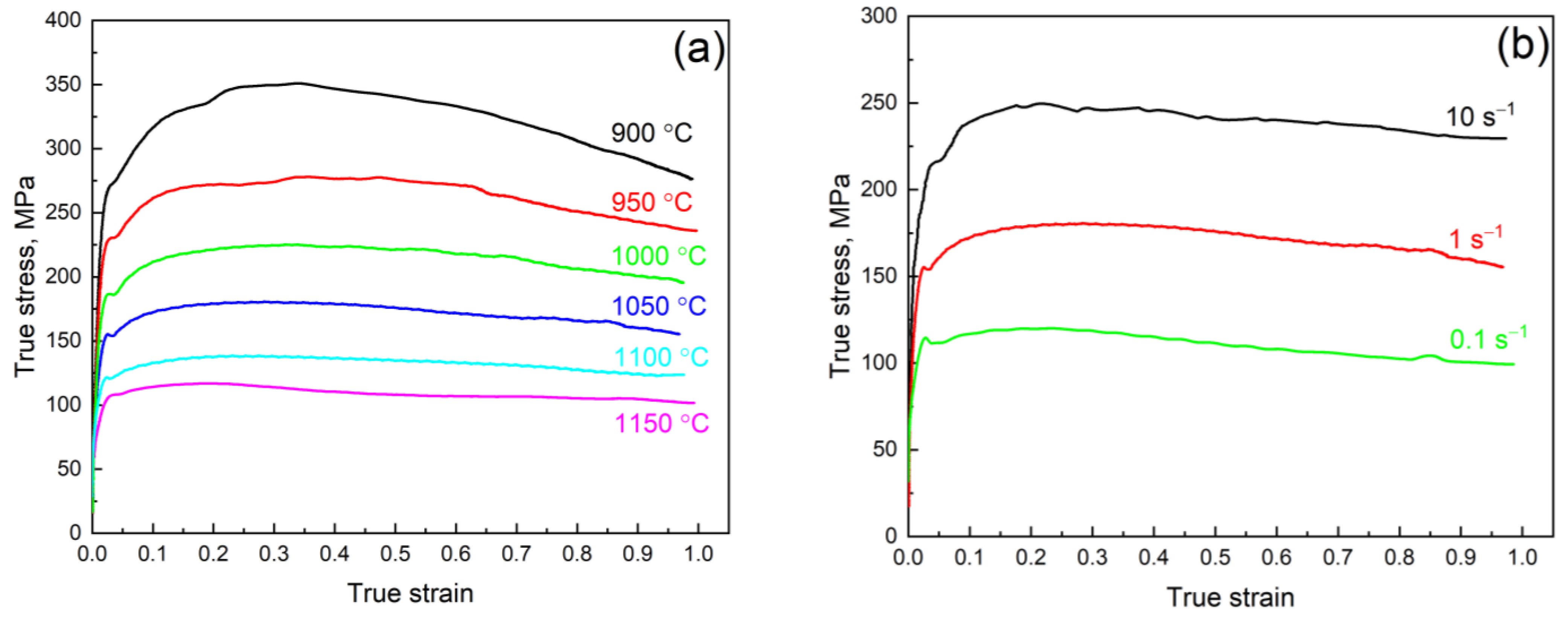
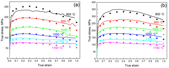
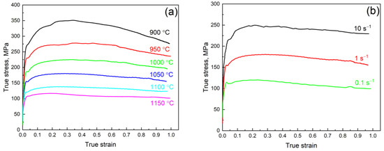
3.3. High-Temperature Deformation Behavior
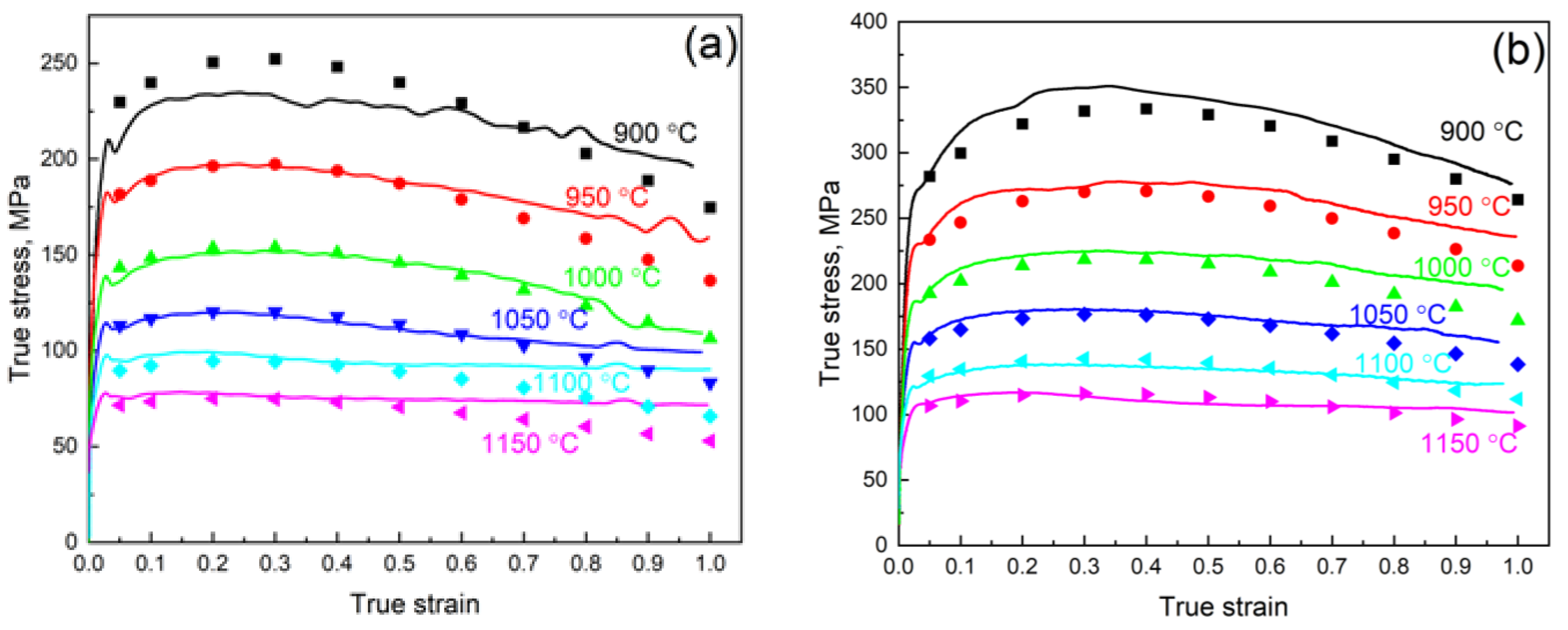
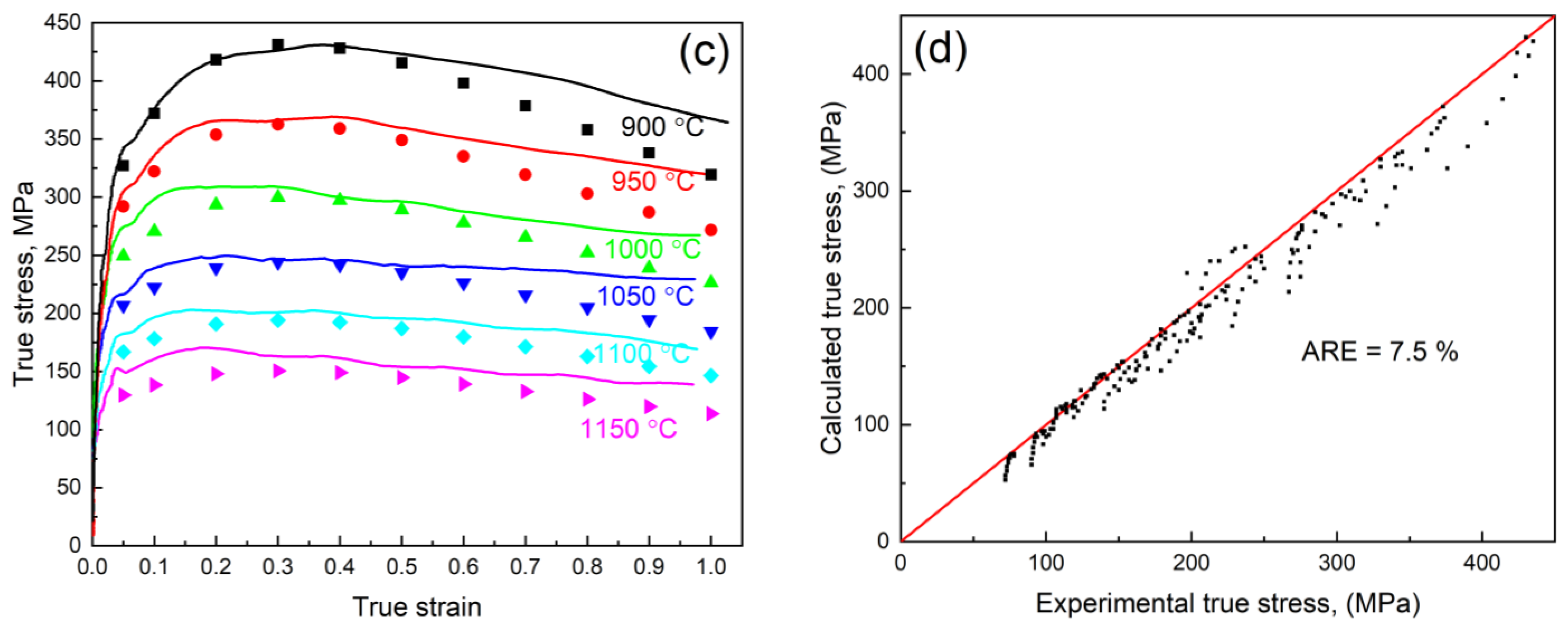
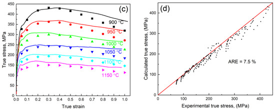
3.4. Approvement of the Constructed ANN-Based Model
4. Discussion
5. Conclusions
- An ANN model for the prediction of the hot deformation behavior of the lightweight high-Mn steel was built. The model possesses high accuracy for the training, cross-validation, and testing datasets. An error of prediction in the range of 5.4–6.3% shows the high accuracy of the built model.
- The additional compression tests of the Fe–28Mn–8Al–1C steel were made for verification of the constructed ANN model. The matching of the calculated and experimental values shows a high model predictability at a true strain of up to 0.7.
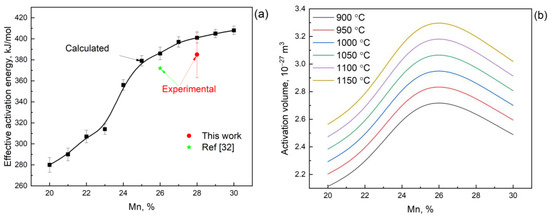
- The effective activation energies for calculated and experimental true stress data for a strain of 0.7 were determined using the dependence between stress and the Zener–Hollomon factor. The effective activation energy values for predicted (401 ± 5 kJ·mol–1) and experimental data (385 ± 22 kJ·mol−1) are in satisfactory accordance, which allows applying the model for the high-temperature compression behavior analysis of the high-Mn steels with different concentrations of the main alloying elements.
- The usage of the constructed model shows that the increases in Mn in the Fe–xMn–8Al–1C steel from 20 to 30% lead to increases in the true strain at a deformation rate of 0.1 s−1 and true strain of 0.7. Similar dependence for the Fe–28Mn–(5-10)Al–1C has a maximum at the Al content of 8% due to a change in the phase composition from the austenite to the austenite–ferrite region.
- The dependence of the activation volume on the manganese content has a maximum near the 26% of Mn that may be related to the SFE dependence change and is required following investigation.
Author Contributions
Funding
Institutional Review Board Statement
Informed Consent Statement
Data Availability Statement
Conflicts of Interest
Appendix A

References
- Chen, S.; Rana, R.; Haldar, A.; Ray, R.K. Current State of Fe-Mn-Al-C Low Density Steels. Prog. Mater. Sci. 2017, 89, 345–391. [Google Scholar] [CrossRef]
- Mishra, B.; Sarkar, R.; Singh, V.; Kumar, D.; Mukhopadhyay, A.; Madhu, V.; Prasad, M.J.N.V. Effect of Cold Rolling and Subsequent Heat Treatment on Microstructural Evolution and Mechanical Properties of Fe-Mn-Al-C-(Ni) Based Austenitic Low-Density Steels. Mater. Sci. Eng. A 2022, 861, 144324. [Google Scholar] [CrossRef]
- Jeong, S.; Park, G.; Kim, B.; Moon, J.; Park, S.J.; Lee, C. Precipitation Behavior and Its Effect on Mechanical Properties in Weld Heat-Affected Zone in Age Hardened FeMnAlC Lightweight Steels. Mater. Sci. Eng. A 2019, 742, 61–68. [Google Scholar] [CrossRef]
- Ren, P.; Chen, X.P.; Yang, M.J.; Liu, S.M.; Cao, W.Q. Effect of Early Stage of κ-Carbides Precipitation on Tensile Properties and Deformation Mechanism in High Mn–Al–C Austenitic Low-Density Steel. Mater. Sci. Eng. A 2022, 857, 144132. [Google Scholar] [CrossRef]
- Jabłońska, M.B.; Kowalczyk, K. Microstructural Aspects of Energy Absorption of High Manganese Steels. Procedia Manuf. 2019, 27, 91–97. [Google Scholar] [CrossRef]
- Rauch, L.; Madej, L.; Spytkowski, P.; Golab, R. Development of the Cellular Automata Framework Dedicated for Metallic Materials Microstructure Evolution Models. Arch. Civ. Mech. Eng. 2015, 15, 48–61. [Google Scholar] [CrossRef]
- Mozumder, Y.H.; Babu, K.A.; Saha, R.; Mandal, S. Flow Characteristics and Hot Workability Studies of a Ni-Containing Fe-Mn-Al-C Lightweight Duplex Steel. Mater. Charact. 2018, 146, 1–14. [Google Scholar] [CrossRef]
- Yang, Q.M.; Lin, Y.C.; Guo, J.Z.; Wang, C.; Chen, Z.J.; Chen, K.G.; Zhu, J.C. Spheroidization and Dynamic Recrystallization Mechanisms of a Novel HIPed P/M Superalloy during Hot Deformation. J. Alloys Compd. 2022, 910, 164909. [Google Scholar] [CrossRef]
- Teker, E.; Danish, M.; Gupta, M.K.; Kuntoğlu, M.; Korkmaz, M.E. Hot Deformation Behavior and Strain Rate Sensitivity of 33MnCrB5 Boron Steel Using Material Constitutive Equations. Trans. Indian Inst. Met. 2022, 75, 717–726. [Google Scholar] [CrossRef]
- Churyumov, A.Y.; Pozdniakov, A.V.; Mondoloni, B.; Prosviryakov, A.S. Effect of Boron Concentration on Hot Deformation Behavior of Stainless Steel. Results Phys. 2019, 13, 102340. [Google Scholar] [CrossRef]
- Churyumov, A.Y.; Medvedeva, S.V.; Mamzurina, O.I.; Kazakova, A.A.; Churyumova, T.A. United Approach to Modelling of the Hot Deformation Behavior, Fracture, and Microstructure Evolution of Austenitic Stainless AISI 316Ti Steel. Appl. Sci. 2021, 11, 3204. [Google Scholar] [CrossRef]
- Shaikh, A.; Churyumov, A.; Pozdniakov, A.; Churyumova, T. Simulation of the Hot Deformation and Fracture Behavior of Reduced Activation Ferritic/Martensitic 13CrMoNbV Steel. Appl. Sci. 2020, 10, 530. [Google Scholar] [CrossRef]
- You, K.H.; Kim, H.K. A Study on the Effect of Process and Material Variables on the Hot Stamping Formability of Automotive Body Parts. Metals 2021, 11, 1029. [Google Scholar] [CrossRef]
- Liu, X.; Li, D.; Song, H.; Lu, Z.; Cui, H.; Jiang, N.; Xu, J. Study on Ductility Failure of Advanced High Strength Dual Phase Steel DP590 during Warm Forming Based on Extended GTN Model. Metals 2022, 12, 1125. [Google Scholar] [CrossRef]
- Churyumov, A.Y.; Pozdnyakov, A.V.; Churyumova, T.A.; Cheverikin, V.V. Hot Plastic Deformation of Heat-Resistant Austenitic Aisi 310s Steel. Part 1. Simulation of Flow Stress and Dynamic Recrystallization. Chernye Met. 2020, 2020, 48–55. [Google Scholar]
- Prosviryakov, A.; Mondoloni, B.; Churyumov, A.; Pozdniakov, A. Microstructure and Hot Deformation Behaviour of a Novel Zr-Alloyed High-Boron Steel. Metals 2019, 9, 218. [Google Scholar] [CrossRef]
- Lin, Y.C.; Nong, F.Q.; Chen, X.M.; Chen, D.D.; Chen, M.S. Microstructural Evolution and Constitutive Models to Predict Hot Deformation Behaviors of a Nickel-Based Superalloy. Vacuum 2017, 137, 104–114. [Google Scholar] [CrossRef]
- Lin, Y.C.; Chen, X.M. A Critical Review of Experimental Results and Constitutive Descriptions for Metals and Alloys in Hot Working. Mater. Des. 2011, 32, 1733–1759. [Google Scholar] [CrossRef]
- Yang, F.Q.; Song, R.B.; Zhang, L.F.; Zhao, C. Hot Deformation Behavior of Fe-Mn-Al Light-Weight Steel. Procedia Eng. 2014, 81, 456–461. [Google Scholar] [CrossRef]
- Wan, P.; Yu, H.; Li, F.; Gao, P.; Zhang, L.; Zhao, Z. Hot Deformation Behaviors and Process Parameters Optimization of Low-Density High-Strength Fe–Mn–Al–C Alloy Steel. Met. Mater. Int. 2022, 28, 2498–2512. [Google Scholar] [CrossRef]
- Shen, Y.; Liu, J.; Xu, H.; Liu, H. High-Temperature Tensile Properties and Deformation Behavior of Three As-Cast High-Manganese Steels. Steel Res. Int. 2021, 92, 2000313. [Google Scholar] [CrossRef]
- Ahmadi, H.; Ashtiani, H.R.R.; Heidari, M. A Comparative Study of Phenomenological, Physically-Based and Artificial Neural Network Models to Predict the Hot Flow Behavior of API 5CT-L80 Steel. Mater. Today Commun. 2020, 25, 101528. [Google Scholar] [CrossRef]
- Kumar, S.; Karmakar, A.; Nath, S.K. Construction of Hot Deformation Processing Maps for 9Cr-1Mo Steel through Conventional and ANN Approach. Mater. Today Commun. 2021, 26, 101903. [Google Scholar] [CrossRef]
- Churyumov, A.; Kazakova, A.; Churyumova, T. Modelling of the Steel High-Temperature Deformation Behaviour Using Artificial Neural Network. Metals 2022, 12, 447. [Google Scholar] [CrossRef]
- Huang, W.; Lei, L.; Fang, G. Comparison Between Four Flow Stress Models Characterizing the Constitutive Behavior of Hot Deformation of 40Mn Steel. J. Mater. Eng. Perform. 2021, 30, 9149–9164. [Google Scholar] [CrossRef]
- Babu, K.A.; Prithiv, T.S.; Gupta, A.; Mandal, S. Modeling and Simulation of Dynamic Recrystallization in Super Austenitic Stainless Steel Employing Combined Cellular Automaton, Artificial Neural Network and Finite Element Method. Comput. Mater. Sci. 2021, 195, 110482. [Google Scholar] [CrossRef]
- Liu, X.; Peng, Q.; Pan, S.; Du, J.; Yang, S.; Han, J.; Lu, Y.; Yu, J.; Wang, C. Machine Learning Assisted Prediction of Microstructures and Young’s Modulus of Biomedical Multi-Component β-Ti Alloys. Metals 2022, 12, 796. [Google Scholar] [CrossRef]
- Mi, H.; Guo, W.; Liang, L.; Ma, H.; Zhang, Z.; Gao, Y.; Li, L. Prediction of the Sound Absorption Coefficient of Three-Layer Aluminum Foam by Hybrid Neural Network Optimization Algorithm. Materials 2022, 15, 8608. [Google Scholar] [CrossRef]
- Yu, G.; Bao, X.; Xu, X.; Wang, X.; Jin, J.; Gong, P.; Wang, X. Constitutive Modeling of Ta-Rich Particle Reinforced Zr-Based Bulk Metallic Composites in the Supercooled Liquid Region by Using Evolutionary Artificial Neural Network. J. Alloys Compd. 2023, 938, 168488. [Google Scholar] [CrossRef]
- Subedi, U.; Coutinho, Y.A.; Malla, P.B.; Gyanwali, K.; Kunwar, A. Automatic Featurization Aided Data-Driven Method for Estimating the Presence of Intermetallic Phase in Multi-Principal Element Alloys. Metals 2022, 12, 964. [Google Scholar] [CrossRef]
- Geng, X.; Wang, S.; Ullah, A.; Wu, G.; Wang, H. Prediction of Hardenability Curves for Non-Boron Steels via a Combined Machine Learning Model. Materials 2022, 15, 3127. [Google Scholar] [CrossRef] [PubMed]
- Choi, W.; Won, S.; Kim, G.S.; Kang, N. Artificial Neural Network Modelling of the Effect of Vanadium Addition on the Tensile Properties and Microstructure of High-Strength Tempcore Rebars. Materials 2022, 15, 3781. [Google Scholar] [CrossRef] [PubMed]
- Opěla, P.; Schindler, I.; Kawulok, P.; Kawulok, R.; Rusz, S.; Sauer, M. Shallow and Deep Learning of an Artificial Neural Network Model Describing a Hot Flow Stress Evolution: A Comparative Study. Mater. Des. 2022, 220, 110880. [Google Scholar] [CrossRef]
- Jeong, J.Y.; Hong, D.G.; Yim, C.H. Deep Learning to Predict Deterioration Region of Hot Ductility in High-Mn Steel by Using the Relationship between RA Behavior and Time-Temperature-Precipitation. Metals 2022, 12, 1689. [Google Scholar] [CrossRef]
- Cheng, P.; Wang, D.; Zhou, J.; Zuo, S.; Zhang, P. Comparison of the Warm Deformation Constitutive Model of GH4169 Alloy Based on Neural Network and the Arrhenius Model. Metals 2022, 12, 1429. [Google Scholar] [CrossRef]
- Liu, H.; Cheng, Z.; Yu, W.; Wang, G.; Zhou, J.; Cai, Q. Deformation Behavior and Constitutive Equation of 42crmo Steel at High Temperature. Metals 2021, 11, 1614. [Google Scholar] [CrossRef]
- Marandi, A.; Zarei-Hanzaki, A.; Haghdadi, N.; Eskandari, M. The Prediction of Hot Deformation Behavior in Fe-21Mn-2.5Si-1.5Al Transformation-Twinning Induced Plasticity Steel. Mater. Sci. Eng. A 2012, 554, 72–78. [Google Scholar] [CrossRef]
- Reyes-Calderón, F.; Mejía, I.; Cabrera, J.M. Hot Deformation Activation Energy (QHW) of Austenitic Fe-22Mn-1.5Al-1.5Si-0.4C TWIP Steels Microalloyed with Nb, V, and Ti. Mater. Sci. Eng. A 2013, 562, 46–52. [Google Scholar] [CrossRef]
- Reyes-Calderón, F.; Mejía, I.; Boulaajaj, A.; Cabrera, J.M. Effect of Microalloying Elements (Nb, V and Ti) on the Hot Flow Behavior of High-Mn Austenitic Twinning Induced Plasticity (TWIP) Steel. Mater. Sci. Eng. A 2013, 560, 552–560. [Google Scholar] [CrossRef]
- Xiong, W.; Wietbrock, B.; Saeed-Akbari, A.; Bambach, M.; Hirt, G. Modeling the Flow Behavior of a High-Manganese Steel Fe-Mn23-C0.6 in Consideration of Dynamic Recrystallization. Steel Res. Int. 2011, 82, 127–136. [Google Scholar] [CrossRef]
- Torganchuk, V.; Rybalchenko, O.; Dobatkin, S.V.; Belyakov, A.; Kaibyshev, R. Hot Deformation and Dynamic Recrystallization of 18%Mn Twinning-Induced Plasticity Steels. Adv. Eng. Mater. 2020, 22, 2000098. [Google Scholar] [CrossRef]
- Sun, X.; Zhang, M.; Wang, Y.; Sun, Y.; Wang, Y. Kinetics and Numerical Simulation of Dynamic Recrystallization Behavior of Medium Mn Steel in Hot Working. Steel Res. Int. 2020, 91, 1900675. [Google Scholar] [CrossRef]
- Li, D.; Wei, Y.; Liu, C.; Hou, L. Hot Deformation Behaviors of Fe-30Mn-3Si-3Al TWIP Steel during Compression at Elevated Temperature and Strain Rate. Steel Res. Int. 2013, 84, 740–750. [Google Scholar] [CrossRef]
- Churyumov, A.Y.; Kazakova, A.A.; Pozdniakov, A.V.; Churyumova, T.A.; Prosviryakov, A.S. Investigation of Hot Deformation Behavior and Microstructure Evolution of Lightweight Fe-35Mn-10Al-1C Steel. Metals 2022, 12, 831. [Google Scholar] [CrossRef]
- Li, D.; Feng, Y.; Yin, Z.; Shangguan, F.; Wang, K.; Liu, Q.; Hu, F. Prediction of Hot Deformation Behaviour of Fe-25Mn-3Si-3Al TWIP Steel. Mater. Sci. Eng. A 2011, 528, 8084–8089. [Google Scholar] [CrossRef]
- Zhang, J.; Di, H.; Wang, X.; Cao, Y.; Zhang, J.; Ma, T. Constitutive Analysis of the Hot Deformation Behavior of Fe-23Mn-2Al-0.2C Twinning Induced Plasticity Steel in Consideration of Strain. Mater. Des. 2013, 44, 354–364. [Google Scholar] [CrossRef]
- Li, D.; Feng, Y.; Yin, Z.; Shangguan, F.; Wang, K.; Liu, Q.; Hu, F. Hot Deformation Behavior of an Austenitic Fe-20Mn-3Si-3Al Transformation Induced Plasticity Steel. Mater. Des. 2012, 34, 713–718. [Google Scholar] [CrossRef]
- Hamada, A.S.; Karjalainen, L.P.; Somani, M.C. The Influence of Aluminum on Hot Deformation Behavior and Tensile Properties of High-Mn TWIP Steels. Mater. Sci. Eng. A 2007, 467, 114–124. [Google Scholar] [CrossRef]
- Wu, Z.; Tang, Y.; Chen, W.; Lu, L.; Li, E.; Li, Z.; Ding, H. Exploring the Influence of Al Content on the Hot Deformation Behavior of Fe-Mn-Al-C Steels through 3D Processing Map. Vacuum 2019, 159, 447–455. [Google Scholar] [CrossRef]
- Hamada, A.; Khosravifard, A.; Porter, D.; Pentti Karjalainen, L. Physically Based Modeling and Characterization of Hot Deformation Behavior of Twinning-Induced Plasticity Steels Bearing Vanadium and Niobium. Mater. Sci. Eng. A 2017, 703, 85–96. [Google Scholar] [CrossRef]
- Li, Y.P.; Song, R.B.; Wen, E.D.; Yang, F.Q. Hot Deformation and Dynamic Recrystallization Behavior of Austenite-Based Low-Density Fe-Mn-Al-C Steel. Acta Metall. Sin. Engl. Lett. 2016, 29, 441–449. [Google Scholar] [CrossRef]
- Kang, J.; Wang, Y.; Wang, Z.; Zhao, Y.; Peng, Y.; Wang, T. Hot Deformation Behavior and Processing Maps of Fe-30Mn-0.11C Steel. Materials 2018, 11, 1940. [Google Scholar] [CrossRef]
- Wan, Z.; Hu, L.; Sun, Y.; Wang, T.; Li, Z. Hot Deformation Behavior and Processing Workability of a Ni-Based Alloy. J. Alloy. Compd. 2018, 769, 367–375. [Google Scholar] [CrossRef]
- Churyumov, A.Y.; Khomutov, M.G.; Tsar’Kov, A.A.; Pozdnyakov, A.V.; Solonin, A.N.; Efimov, V.M.; Mukhanov, E.L. Study of the Structure and Mechanical Properties of Corrosion-Resistant Steel with a High Concentration of Boron at Elevated Temperatures. Phys. Met. Metallogr. 2014, 115, 809–813. [Google Scholar] [CrossRef]
- Churyumov, A.Y.; Khomutov, M.G.; Solonin, A.N.; Pozdniakov, A.V.; Churyumova, T.A.; Minyaylo, B.F. Hot Deformation Behaviour and Fracture of 10CrMoWNb Ferritic-Martensitic Steel. Mater. Des. 2015, 74, 44–54. [Google Scholar] [CrossRef]
- Song, W.; Ingendahl, T.; Bleck, W. Control of Strain Hardening Behavior in High-Mn Austenitic Steels. Acta Metall. Sin. Engl. Lett. 2014, 27, 546–556. [Google Scholar] [CrossRef]
- Park, K.T. Tensile Deformation of Low-Density Fe-Mn-Al-C Austenitic Steels at Ambient Temperature. Scr. Mater. 2013, 68, 375–379. [Google Scholar] [CrossRef]
- Zener, C.; Hollomon, J.H. Effect of Strain Rate upon Plastic Flow of Steel. J. Appl. Phys. 1944, 15, 22–32. [Google Scholar] [CrossRef]
- Kappacher, J.; Leitner, A.; Kiener, D.; Clemens, H.; Maier-Kiener, V. Thermally Activated Deformation Mechanisms and Solid Solution Softening in W-Re Alloys Investigated via High Temperature Nanoindentation. Mater. Des. 2020, 189, 108499. [Google Scholar] [CrossRef]












| C | Si | Al | Mn | Strain | Temperature, °C | Strain Rate, s−1 |
|---|---|---|---|---|---|---|
| 0.03–1.05 | 0–3.1 | 0–11.5 | 7.5–35.1 | 0.05–1 | 700–1200 | 10−4–20 |
Disclaimer/Publisher’s Note: The statements, opinions and data contained in all publications are solely those of the individual author(s) and contributor(s) and not of MDPI and/or the editor(s). MDPI and/or the editor(s) disclaim responsibility for any injury to people or property resulting from any ideas, methods, instructions or products referred to in the content. |
© 2023 by the authors. Licensee MDPI, Basel, Switzerland. This article is an open access article distributed under the terms and conditions of the Creative Commons Attribution (CC BY) license (https://creativecommons.org/licenses/by/4.0/).
Share and Cite
Churyumov, A.Y.; Kazakova, A.A. Prediction of True Stress at Hot Deformation of High Manganese Steel by Artificial Neural Network Modeling. Materials 2023, 16, 1083. https://doi.org/10.3390/ma16031083
Churyumov AY, Kazakova AA. Prediction of True Stress at Hot Deformation of High Manganese Steel by Artificial Neural Network Modeling. Materials. 2023; 16(3):1083. https://doi.org/10.3390/ma16031083
Chicago/Turabian StyleChuryumov, Alexander Yu., and Alena A. Kazakova. 2023. "Prediction of True Stress at Hot Deformation of High Manganese Steel by Artificial Neural Network Modeling" Materials 16, no. 3: 1083. https://doi.org/10.3390/ma16031083
APA StyleChuryumov, A. Y., & Kazakova, A. A. (2023). Prediction of True Stress at Hot Deformation of High Manganese Steel by Artificial Neural Network Modeling. Materials, 16(3), 1083. https://doi.org/10.3390/ma16031083

