Durability Analysis of CFRP Adhesive Joints: A Study Based on Entropy Damage Modeling Using FEM
Abstract
:1. Introduction
2. Numerical Methodology
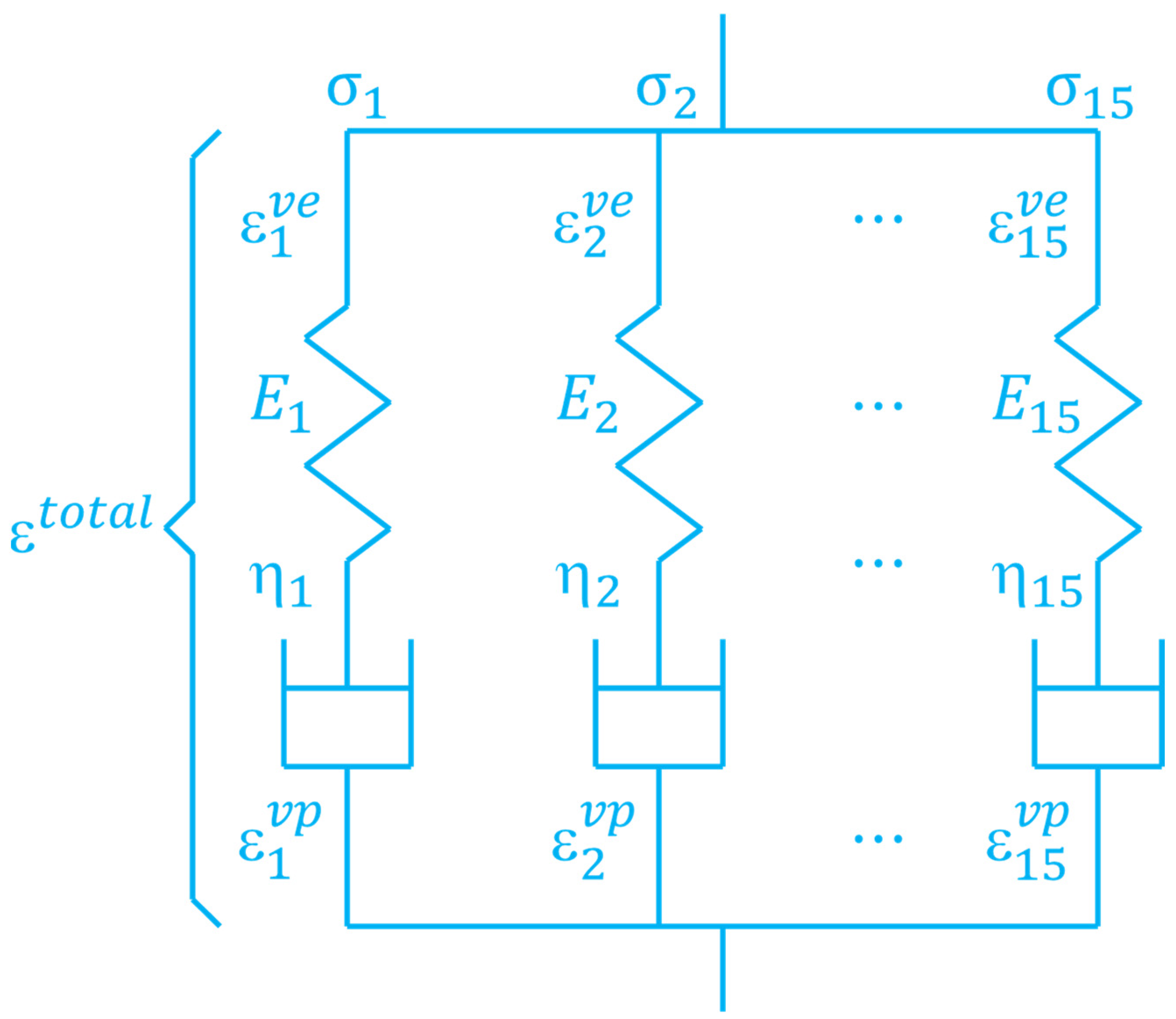
2.1. Entropy-Based Failure Criterion
2.2. Finite Element Modeling
3. Results and Discussions
3.1. Evolution of Stress along the Interface versus Cyclic Loadings
3.2. Effect of Adhesive Thickness on the Evolution of Stress along the Interface
3.3. Relationship between Number of Cycles to Failure (Nf) and Thickness
4. Conclusions
- (1)
- For the first failing regular, hexahedral resin element in the single-lap shear model: during tension, the value of σ22 on the resin element is larger than both τ12 and σ11. The order of magnitude between τ12 and σ11 varies depending on the thickness of the resin. Additionally, as the remaining life approaches half its lifespan, τ12 experiences a larger reduction than σ11.
- (2)
- Stress peaks appear at both ends of the resin across the adhesive interface under tension. The values of left-side stress peaks are related to the resin thickness and remain consistent throughout the tension simulation. In contrast, the right-side stress peaks are positively correlated with the resin thickness only during the first tension; subsequently, their values and positions change with the increase in the number of tensile cycles.
- (3)
- With an increase in the resin thickness, Nf initially increases and then decreases. The model with a resin thickness of 0.3 mm achieves the longest lifespan. Meanwhile, the increase in the damage variable after the first tension exhibits an opposing trend.
Author Contributions
Funding
Institutional Review Board Statement
Informed Consent Statement
Data Availability Statement
Conflicts of Interest
Nomenclatures
| , | Total strain tensor, increment in total strain tensor |
| , | Viscoelasticity strain tensor, viscoplasticity strain tensor |
| , , | Stress tensor, increment in stress tensor, deviatoric stress tensor |
| , | Hydrostatic stress, second-order identity tensor |
| , | Damage variable, critical damage variable |
| , | Entropy generation, final fracture entropy |
| Nonlinear coefficient | |
| , | Time |
| Dissipated energy | |
| Damage parameters | |
| Relaxation tensor | |
| Viscosity matrix | |
| Constant matrix | |
| , , | Stiffness matrix, initial Young’s modulus, Poisson’s ratio |
| Viscoelasticity properties of Maxwell elements | |
| , | Equivalent stress, equivalent viscoplastic strain |
| , , , , | Viscoplasticity coefficients |
| , | Generalized thermodynamic force and internal flow vectors |
| , | Temperature, heat flux vector |
References
- Akhavan-Safar, A.; Ramezani, F.; Delzendehrooy, F.; Ayatollahi, M.R.; da Silva, L.F.M. A review on bi-adhesive joints: Benefits and challenges. Int. J. Adhes. Adhes. 2022, 114, 103098. [Google Scholar] [CrossRef]
- Ramalho, L.D.C.; Sánchez-Arce, I.J.; Gonçalves, D.C.; Belinha, J.; Campilho, R.D.S.G. Numerical analysis of the dynamic behaviour of adhesive joints: A review. Int. J. Adhes. Adhes. 2022, 118, 103219. [Google Scholar] [CrossRef]
- Ebnesajjad, S.; Landrock, A.H. Adhesives Technology Handbook, 3rd ed.; Elsevier Inc.: Oxford, UK, 2014. [Google Scholar] [CrossRef]
- Bhowmik, S.; Bonin, H.W.; Bui, V.T.; Weir, R.D. Durability of adhesive bonding of titanium in radiation and aerospace environments. Int. J. Adhes. Adhes. 2006, 26, 400–405. [Google Scholar] [CrossRef]
- Katsiropoulos, C.V.; Chamos, A.N.; Tserpes, K.I.; Pantelakis, S.G. Fracture toughness and shear behavior of composite bonded joints based on a novel aerospace adhesive. Compos. B Eng. 2012, 43, 240–248. [Google Scholar] [CrossRef]
- Marques, E.A.S.; Da Silva, L.F.M.; Flaviani, M. Testing and simulation of mixed adhesive joints for aerospace applications. Compos. B Eng. 2015, 74, 123–130. [Google Scholar] [CrossRef]
- Quan, D.; Urdániz, J.L.; Rouge, C.; Ivanković, A. The enhancement of adhesively-bonded aerospace-grade composite joints using steel fibres. Compos. Struct. 2018, 198, 11–18. [Google Scholar] [CrossRef]
- Kupski, J.; de Freitas, S.T. Design of adhesively bonded lap joints with laminated CFRP adherends: Review, challenges and new opportunities for aerospace structures. Compos. Struct. 2021, 268, 113923. [Google Scholar] [CrossRef]
- Wang, S.; Kitamura, Y.; Hiraishi, N.; Taira, S.; Tsuge, A.; Kaneko, T.; Kaneko, D. Preparation of mussel-inspired biopolyester adhesive and comparative study of effects of meta- or para-hydroxyphenylpropionic acid segments on their properties. Polymer 2019, 165, 152–162. [Google Scholar] [CrossRef]
- Xu, C.; Siegmund, T.; Ramani, K. Rate-dependent crack growth in adhesives: II. Experiments and Analysis. Int. J. Adhes. Adhes. 2003, 23, 15–22. [Google Scholar] [CrossRef]
- Miao, X.-Y.; Chen, X.; Lu, R.; Eder, M.A. Multi-site crack initiation in local details of composite adhesive joints. Compos. B Eng. 2022, 242, 110055. [Google Scholar] [CrossRef]
- Dumont, V.; Stamoulis, G.; Badulescu, C.; Lefèvre, A.; Thévenet, D. Investigation of the influence of the temperature on the fracture properties of adhesive joints using the Arcan device. Eng. Fract. Mech. 2022, 269, 108524. [Google Scholar] [CrossRef]
- Ishii, K.; Imanaka, M.; Nakayama, H.; Kodama, H. Fatigue failure criterion of adhesively bonded CFRP/metal joints under multiaxial stress conditions. Compos. Part A Appl. Sci. Manuf. 1998, 29, 415–422. [Google Scholar] [CrossRef]
- Ishii, K.; Imanaka, M.; Nakayama, H.; Kodama, H. Evaluation of the fatigue strength of adhesively bonded CFRP/metal single and single-step double-lap joints. Compos. Sci. Technol. 1999, 59, 1675–1683. [Google Scholar] [CrossRef]
- Ferreira, J.A.M.; Reis, P.N.; Costa, J.D.M.; Richardson, M.O.W. Fatigue behaviour of composite adhesive lap joints. Compos. Sci. Technol. 2002, 62, 1373–1379. [Google Scholar] [CrossRef]
- Zhang, Y.; Vassilopoulos, A.P.; Keller, T. Environmental effects on fatigue behavior of adhesively-bonded pultruded structural joints. Compos. Sci. Technol. 2009, 69, 1022–1028. [Google Scholar] [CrossRef]
- Tang, J.H.; Sridhar, I.; Srikanth, N. Static and fatigue failure analysis of adhesively bonded thick composite single lap joints. Compos. Sci. Technol. 2013, 86, 18–25. [Google Scholar] [CrossRef]
- Reis, P.N.B.; Monteiro, J.F.R.; Pereira, A.M.; Ferreira, J.A.M.; Costa, J.D.M. Fatigue behaviour of epoxy-steel single lap joints under variable frequency. Int. J. Adhes. Adhes. 2015, 63, 66–73. [Google Scholar] [CrossRef]
- Schneider, B.; Beber, V.C.; Brede, M. Estimation of the lifetime of bonded joints under cyclic loads at different temperatures. J. Adhes. 2016, 92, 795–817. [Google Scholar] [CrossRef]
- Khoramishad, H.; Crocombe, A.D.; Katnam, K.B.; Ashcroft, I.A. Predicting fatigue damage in adhesively bonded joints using a cohesive zone model. Int. J. Fatigue 2010, 32, 1146–1158. [Google Scholar] [CrossRef]
- Jimenez, S.; Duddu, R. On the parametric sensitivity of cohesive zone models for high-cycle fatigue delamination of composites. Int. J. Solids Struct. 2016, 82, 111–124. [Google Scholar] [CrossRef]
- Fekih, L.B.; Verlinden, O.; Kouroussis, G. Derivation of a fatigue damage law for an adhesive from in-situ bending tests. Eng. Fract. Mech. 2021, 245, 107587. [Google Scholar] [CrossRef]
- Bocciarelli, M. A new cohesive law for the simulation of crack propagation under cyclic loading. Application to steel-and concrete-FRP bonded interface. Theor. Appl. Fract. Mech. 2021, 114, 102992. [Google Scholar] [CrossRef]
- Ghabezi, P.; Farahani, M. Trapezoidal traction–separation laws in mode II fracture in nano-composite and nano-adhesive joints. J. Reinf. Plast. Compos. 2018, 37, 780–794. [Google Scholar] [CrossRef]
- Ghabezi, P.; Farahani, M. Effects of Nanoparticles on Nanocomposites Mode I and II Fracture: A Critical Review. Rev. Adhes. Adhes. 2017, 5, 414–435. [Google Scholar] [CrossRef]
- Schijve, J. Fatigue of Structures and Materials; Springer: Dordrecht, The Netherlands, 2009. [Google Scholar] [CrossRef]
- Naderi, M.; Amiri, M.; Khonsari, M.M. On the thermodynamic entropy of fatigue fracture. Proc. R. Soc. A Math. Phys. Eng. Sci. 2010, 466, 423–438. [Google Scholar] [CrossRef]
- Amiri, M.; Khonsari, M.M. Life prediction of metals undergoing fatigue load based on temperature evolution. Mater. Sci. Eng. A. 2010, 527, 1555–1559. [Google Scholar] [CrossRef]
- Basaran, C.; Nie, S. An irreversible thermodynamics theory for damage mechanics of solids. Int. J. Damage Mech. 2004, 13, 205–223. [Google Scholar] [CrossRef]
- Meneghetti, G. Analysis of the fatigue strength of a stainless steel based on the energy dissipation. Int. J. Fatigue 2007, 29, 81–94. [Google Scholar] [CrossRef]
- Mahmoudi, A.; Khonsari, M.M. Investigation of metal fatigue using a coupled entropy-kinetic model. Int. J. Fatigue 2022, 161, 106907. [Google Scholar] [CrossRef]
- Ribeiro, P.; Petit, J.; Gallimard, L. Experimental determination of entropy and exergy in low cycle fatigue. Int. J. Fatigue 2020, 136, 105333. [Google Scholar] [CrossRef]
- Huang, J.; Li, C.; Liu, W. Investigation of internal friction and fracture fatigue entropy of CFRP laminates with various stacking sequences subjected to fatigue loading. Thin-Walled Struct. 2020, 155, 106978. [Google Scholar] [CrossRef]
- Huang, J.; Yang, H.; Liu, W.; Zhang, K.; Huang, A. Confidence level and reliability analysis of the fatigue life of CFRP laminates predicted based on fracture fatigue entropy. Int. J. Fatigue 2022, 156, 106659. [Google Scholar] [CrossRef]
- Lee, H.W.; Basaran, C.; Egner, H.; Lipski, A.; Piotrowski, M.; Mroziński, S.; Jamal, M.N.B.; Rao, C.L. Modeling ultrasonic vibration fatigue with unified mechanics theory. Int. J. Solids Struct. 2022, 236–237, 111313. [Google Scholar] [CrossRef]
- Koyanagi, J.; Mochizuki, A.; Higuchi, R.; Tan, V.B.C.; Tay, T.E. Finite element model for simulating entropy-based strength-degradation of carbon-fiber-reinforced plastics subjected to cyclic loadings. Int. J. Fatigue 2022, 165, 107204. [Google Scholar] [CrossRef]
- Sato, M.; Hasegawa, K.; Koyanagi, J.; Higuchi, R.; Ishida, Y. Residual strength prediction for unidirectional CFRP using a nonlinear viscoelastic constitutive equation considering entropy damage. Compos. Part A Appl. Sci. Manuf. 2021, 141, 106178. [Google Scholar] [CrossRef]
- Takase, N.; Koyanagi, J.; Mori, K.; Sakai, T. Molecular Dynamics Simulation for Evaluating Fracture Entropy of a Polymer Material under Various Combined Stress States. Materials 2021, 14, 1884. [Google Scholar] [CrossRef] [PubMed]
- Sakai, T.; Takase, N.; Oya, Y.; Koyanagi, J. A Possibility for Quantitative Detection of Mechanically-Induced Invisible Damage by Thermal Property Measurement via Entropy Generation for a Polymer Material. Materials 2022, 15, 737. [Google Scholar] [CrossRef] [PubMed]
- Deng, H.; Toda, K.; Sato, M.; Koyanagi, J. Micro-Scale Numerical Simulation of Fatigue Failure for CFRP Subjected to Multiple-Amplitude Cyclic Loadings Based on Entropy Damage Criterion. Materials 2023, 16, 6120. [Google Scholar] [CrossRef] [PubMed]
- Basaran, C. Introduction to Unified Mechanics Theory with Applications, 2nd ed.; Springer-Nature: Berlin/Heidelberg, Germany, 2023. [Google Scholar]
- Basaran, C.; Nie, S. A thermodynamics-based damage mechanics model for particulate composites. Int. J. Solids Struct. 2007, 44, 1099–1114. [Google Scholar] [CrossRef]
- Kagawa, H.; Umezu, Y.; Sakaue, K.; Koyanagi, J. Numerical simulation for the tensile failure of randomly oriented short fiber reinforced plastics based on a viscoelastic entropy damage criterion. Compos. Part C Open Access 2023, 10, 100342. [Google Scholar] [CrossRef]
- Shimizu, S.; Sato, M.; Koyanagi, J.; Suemasu, H.; Kogo, Y. Numerical Simulation for Compressive Failure of CFRP Laminates with Various Shaped Holes. J. Jpn. Soc. Compos. Mater. 2019, 45, 205–213. [Google Scholar] [CrossRef]













| E1 | E2 | E3 | Nu12 | Nu13 | Nu23 | G12 | G13 | G23 |
|---|---|---|---|---|---|---|---|---|
| 130,000 | 9530 | 9530 | 0.34 | 0.34 | 0.4 | 4730 | 4730 | 3180 |
| n | Elasticity | |||
|---|---|---|---|---|
| 1 | 284 | 4.5 × 102 | 4260 | |
| 2 | 284 | 3.3 × 103 | 0.3 | |
| 3 | 284 | 1.2 × 105 | Nonlinearity | |
| 4 | 284 | 1.9 × 106 | 70 | |
| 5 | 284 | 1.8 × 107 | α | 2 |
| 6 | 284 | 1.4 × 108 | m | 7 |
| 7 | 284 | 8.5 × 108 | Viscoplastic strain | |
| 8 | 284 | 5.0 × 109 | 1.0 × 1023 | |
| 9 | 284 | 3.0 × 1010 | 0 | |
| 10 | 284 | 1.9 × 1011 | 0 | |
| 11 | 284 | 1.4 × 1016 | 0 | |
| 12 | 284 | 1.3 × 1019 | χ | 0 |
| 13 | 284 | 2.1 × 1022 | ||
| 14 | 284 | 1.3 × 1026 | Damage variables | |
| 15 | 284 | 2.5 × 1029 | 4 | |
Disclaimer/Publisher’s Note: The statements, opinions and data contained in all publications are solely those of the individual author(s) and contributor(s) and not of MDPI and/or the editor(s). MDPI and/or the editor(s) disclaim responsibility for any injury to people or property resulting from any ideas, methods, instructions or products referred to in the content. |
© 2023 by the authors. Licensee MDPI, Basel, Switzerland. This article is an open access article distributed under the terms and conditions of the Creative Commons Attribution (CC BY) license (https://creativecommons.org/licenses/by/4.0/).
Share and Cite
Li, Y.; Deng, H.; Takamura, M.; Koyanagi, J. Durability Analysis of CFRP Adhesive Joints: A Study Based on Entropy Damage Modeling Using FEM. Materials 2023, 16, 6821. https://doi.org/10.3390/ma16206821
Li Y, Deng H, Takamura M, Koyanagi J. Durability Analysis of CFRP Adhesive Joints: A Study Based on Entropy Damage Modeling Using FEM. Materials. 2023; 16(20):6821. https://doi.org/10.3390/ma16206821
Chicago/Turabian StyleLi, Yutong, Huachao Deng, Maruri Takamura, and Jun Koyanagi. 2023. "Durability Analysis of CFRP Adhesive Joints: A Study Based on Entropy Damage Modeling Using FEM" Materials 16, no. 20: 6821. https://doi.org/10.3390/ma16206821
APA StyleLi, Y., Deng, H., Takamura, M., & Koyanagi, J. (2023). Durability Analysis of CFRP Adhesive Joints: A Study Based on Entropy Damage Modeling Using FEM. Materials, 16(20), 6821. https://doi.org/10.3390/ma16206821

