Micro-Scale Numerical Simulation of Fatigue Failure for CFRP Subjected to Multiple-Amplitude Cyclic Loadings Based on Entropy Damage Criterion
Abstract
:1. Introduction
2. Numerical Method
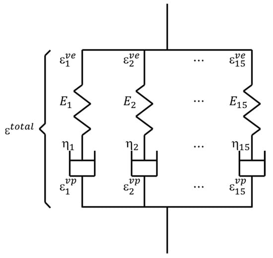
2.1. Visco-Elastic Constitutive Law
2.2. Entropy-Based Failure Criterion
2.3. Implementation of the Proposed Method
3. Numerical Results and Discussions
3.1. Fatigue Lifetime under Multiple-Amplitude Loading
3.2. Further Discussions
3.3. Comparisons with LCD and KCG Methodologies
4. Conclusions
Author Contributions
Funding
Institutional Review Board Statement
Informed Consent Statement
Data Availability Statement
Acknowledgments
Conflicts of Interest
Nomenclature
| , : Total strain tensor, increment of total strain tensor. |
| , : Visco-elasticity strain tensor, visco-plasticity strain tensor. |
| , , : Stress tensor, increment of stress tensor, deviatoric stress tensor. |
| , : Hydrostatic stress, second order identity tensor. |
| , : Damage variable, critical damage variable. |
| , : Entropy generation, final fracture entropy. |
| : Nonlinear coefficient. |
| , , τ: Time. |
| , : Dissipated energy, damage parameters. |
| , , : Relaxation tensor, viscosity matrix, constant matrix. |
| , , v: Stiffness matrix, initial Young’s modulus, Poisson’s ratio. |
| : Visco-elasticity properties of Maxwell elements. |
| , : Equivalent stress, equivalent visco-plastic strain. |
| , , α, β, : Visco-plasticity coefficients. |
| , : Generalized thermodynamic force and internal flow vectors. |
| , : Temperature, heat flux vector. |
References
- Kupski, J.; de Freitas, S. Teixeira. Design of adhesively bonded lap joints with laminated CFRP adherends: Review, challenges and new opportunities for aerospace structures. Compos. Struct. 2021, 268, 113923. [Google Scholar] [CrossRef]
- Katafiasz, T.J.; Greenhalgh, E.S.; Allegri, G.; Pinho, S.T.; Robinson, P. The influence of temperature and moisture on the mode I fracture toughness and associated fracture morphology of a highly toughened aerospace CFRP. Compos. Part A Appl. Sci. Manuf. 2021, 142, 106241. [Google Scholar] [CrossRef]
- Lv, T.; Wang, D.; Du, X. Dual-scale parametric modeling and optimal design method of CFRP automotive roof beam. Compos. Struct. 2023, 308, 116695. [Google Scholar] [CrossRef]
- Sim, K.B.; Lee, T.H.; Han, G.Y.; Kim, H.J. Thermal expansion and mechanical properties of urethane-modified epoxy bonded CFRP/steel joints at low and high temperatures for automotive. Compos. Struct. 2023, 322, 117426. [Google Scholar] [CrossRef]
- Pu, Y.; Ma, Z.; Liu, L.; Bai, Y.; Huang, Y. Improvement on strength and toughness for CFRPs by construction of novel “soft-rigid” interface layer. Compos. Part B Eng. 2022, 236, 109846. [Google Scholar] [CrossRef]
- Li, S.-Q.; Liu, R.-G.; Xie, G.-H.; Wang, S.-Y.; Tao, Z.-A. Hygrothermal effect on interfacial properties of CFRP-steel joint modified by nanosilica. Constr. Build. Mater. 2023, 397, 132318. [Google Scholar] [CrossRef]
- Wang, W.; Chen, X.; Fan, H. Modular technique to construct lightweight CFRP lattice structures. Thin-Walled Struct. 2023, 182, 110259. [Google Scholar] [CrossRef]
- Iqbal, S.; Jamil, T.; Mehdi, S.M. Numerical simulation and validation of MWCNT-CFRP hybrid composite structure in lightweight satellite design. Compos. Struct. 2023, 303, 116323. [Google Scholar] [CrossRef]
- Hazell, P.J.; Stennett, C.; Cooper, G. The effect of specimen thickness on the shock propagation along the in-fibre direction of an aerospace-grade CFRP laminate. Compos. Part A Appl. Sci. Manuf. 2009, 40, 204–209. [Google Scholar] [CrossRef]
- Ning, H.; Li, Y.; Li, J.; Hu, N.; Liu, Y.; Wu, L.; Liu, F. Toughening effect of CB-epoxy interleaf on the interlaminar mechanical properties of CFRP laminates. Compos. Part A Appl. Sci. Manuf. 2015, 68, 226–234. [Google Scholar] [CrossRef]
- Vassilopoulos, A.P. The history of fiber-reinforced polymer composite laminate Fatigue. Int. J. Fatigue 2020, 134, 105512. [Google Scholar] [CrossRef]
- Schapery, R.A. On the characterization of nonlinear viscoelastic materials. Polym. Eng. Sci. 1969, 9, 295–310. [Google Scholar] [CrossRef]
- Yokozeki, T.; Aoki, T.; Ishikawa, T. Fatigue growth of matrix cracks in the transverse direction of CFRP laminates. Compos. Sci. Technol. 2002, 62, 1223–1229. [Google Scholar] [CrossRef]
- Deng, H.; Yan, B.; Zhang, X.; Zhu, Y. A new enrichment scheme for the interfacial crack modeling using the XFEM. Theor. Appl. Fract. Mech. 2022, 122, 103595. [Google Scholar] [CrossRef]
- Deng, H.; Yan, B.; Okabe, T. Fatigue crack propagation simulation method using XFEM with variable-node element. Eng. Fract. Mech. 2022, 269, 108533. [Google Scholar] [CrossRef]
- Deng, H.; Yan, B.; Zhang, X.; Zhu, Y.; Koyanagi, J. New crack front enrichment for XFEM modeling. Int. J. Solids Struct. 2023, 274, 112280. [Google Scholar] [CrossRef]
- Panella, F.W.; Pirinu, A. Fatigue and damage analysis on aeronautical CFRP elements under tension and bending loads: Two cases of study. Int. J. Fatigue 2021, 152, 106403. [Google Scholar] [CrossRef]
- Ferreira, J.A.M.; Reis, P.N.; Costa, J.D.M.; Richardson, M.O.W. Fatigue behaviour of composite adhesive lap joints. Compos. Sci. Technol. 2002, 62, 1373–1379. [Google Scholar] [CrossRef]
- Lin, J.X.; Huang, P.Y.; Guo, Y.C.; Guo, X.Y.; Zeng, J.J.; Zhao, C.; Chen, Z.B. Fatigue behavior of RC beams strengthened with CFRP laminate under hot-wet environments and vehicle random loads coupling. Int. J. Fatigue 2020, 131, 105329. [Google Scholar] [CrossRef]
- Hosoi, A.; Kawada, H.; Yoshino, H. Fatigue characteristics of quasi-isotropic CFRP laminates subjected to variable amplitude cyclic two-stage loading. Int. J. Fatigue 2006, 28, 1284–1289. [Google Scholar] [CrossRef]
- Chen, Z.; Huang, P.; Yao, G.; Guo, X.; Yang, Y.; Li, W.; Wu, B. Experimental study on fatigue performance of RC beams strengthened with CFRP under variable amplitude overload and hot-wet environment. Compos. Struct. 2020, 244, 112308. [Google Scholar] [CrossRef]
- Kapidžić, Z.; Granados, D.L.Á.; Arias, J.A.M.; Aguilera, M.J.Q.; Rodríguez, J.P.C.; Callejas, J.C.G. Bolt fatigue in CFRP joints. Int. J. Fatigue 2022, 164, 107138. [Google Scholar] [CrossRef]
- Xie, G.-H.; Tang, Y.-S.; Wang, C.; Li, S.-Q.; Liu, R.-G. Experimental study on fatigue performance of adhesively bonded anchorage system for CFRP tendons. Compos. Part B Eng. 2018, 150, 47–59. [Google Scholar] [CrossRef]
- D’Amore, A.; Giorgio, M.; Grassia, L. Modeling the residual strength of carbon fiber reinforced composites subjected to cyclic loading. Int. J. Fatigue 2015, 78, 31–37. [Google Scholar] [CrossRef]
- Hosoi, A.; Arao, Y.; Karasawa, H.; Kawada, H. High-cycle fatigue characteristics of quasi-isotropic CFRP laminates. Adv. Compos. Mater. 2007, 16, 151–166. [Google Scholar] [CrossRef]
- Reifsnider, K.L.; Talug, A. Analysis of fatigue damage in composite laminates. Int. J. Fatigue 1980, 2, 3–11. [Google Scholar] [CrossRef]
- Ogihara, S.; Takeda, N.; Kobayashi, S.; Kobayashi, A. Effects of stacking sequence on microscopic fatigue damage development in quasi-isotropic CFRP laminates with interlaminar-toughened layers. Compos. Sci. Technol. 1999, 59, 1387–1398. [Google Scholar] [CrossRef]
- Li, C.; Guo, R.; Xian, G.; Li, H. Effects of elevated temperature, hydraulic pressure and fatigue loading on the property evolution of a carbon/glass fiber hybrid rod. Polym. Test. 2020, 90, 106761. [Google Scholar] [CrossRef]
- Miyano, Y.; Nakada, M.; Mcmurray, M.K.; Muki, R. Prediction of flexural fatigue strength of CRFP composites under arbitrary frequency, stress ratio and temperature. J. Compos. Mater. 1997, 31, 619–638. [Google Scholar] [CrossRef]
- Xiao, X.R. Modeling of load frequency effect on fatigue life of thermoplastic composites. J. Compos. Mater. 1999, 33, 1141–1158. [Google Scholar] [CrossRef]
- Tsai, S.W. Composite Materials: Testing and Design (Fifth Conference); ASTM International: Conshohocken, PA, USA, 1979. [Google Scholar]
- Vitale, P.; Francucci, G.; Rapp, H.; Stocchi, A. Manufacturing and compressive response of ultra-lightweight CFRP cores. Compos. Struct. 2018, 194, 188–198. [Google Scholar] [CrossRef]
- Found, M.S.; Lamb, J.R.; Moore, P.; Jones, M.W. Comparison of damage resistance of CFRP lightweight panels. Compos. Part A Appl. Sci. Manuf. 2005, 36, 197–203. [Google Scholar] [CrossRef]
- Hua, X.; Higuchi, R.; Yokozeki, T. Enhancement of tensile strength of tapered laminates by utilizing thin-ply composites. Compos. Part B Eng. 2023, 248, 110372. [Google Scholar] [CrossRef]
- Chen, Y.; Li, M.; Yang, X.; Luo, W. Damage and failure characteristics of CFRP/aluminum single lap joints designed for lightweight applications. Thin-Walled Struct. 2020, 153, 106802. [Google Scholar] [CrossRef]
- Zhang, J.; An, Q. Topology optimization of fibre reinforced polymer lattice structures for additive manufacturing. Compos. Sci. Technol. 2023, 242, 110144. [Google Scholar] [CrossRef]
- Sun, Q.; Zhou, G.; Meng, Z.; Jain, M.; Su, X. An integrated computational materials engineering framework to analyze the failure behaviors of carbon fiber reinforced polymer composites for lightweight vehicle applications. Compos. Sci. Technol. 2021, 202, 108560. [Google Scholar] [CrossRef] [PubMed]
- Asp, L.E.; Berglund, L.A.; Talreja, R. Prediction of matrix-initiated transverse failure in polymer composites. Compos. Sci. Technol. 1996, 56, 1089–1097. [Google Scholar] [CrossRef]
- Gosse, J.; Christensen, S. Strain Invariant Failure Criteria for Polymer in Composite Materials; AIAA: Reston, VA, USA, 2001; p. 1184. [Google Scholar]
- Tay, T.E.; Tan, S.H.N.; Tan, V.B.C.; Gosse, J.H. Damage progression by the element-failure method (EFM) and strain invariant failure theory (SIFT). Compos. Sci. Technol. 2005, 65, 935–944. [Google Scholar] [CrossRef]
- Canal, L.P.; Segurado, J.; LLorca, J. Failure surface of epoxy-modified fiber-reinforced composites under transverse tension and out-of-plane shear. Int. J. Solids Struct. 2009, 46, 2265–2274. [Google Scholar] [CrossRef]
- McCartney, L.N. Crack propagation, resulting from a monotonic increasing applied stress, in a linear viscoelastic material. Int. J. Fract. 1977, 13, 641–654. [Google Scholar] [CrossRef]
- Cartney, L.N. Crack growth laws for a variety of viscoelastic solids using energy and COD fracture criteria. Int. J. Fract. 1979, 15, 31–40. [Google Scholar] [CrossRef]
- Christensen, R.M. An evaluation of linear cumulative damage (Miner’s law) using kinetic crack growth theory. Mech. Time-Dependent Mater. 2002, 6, 363–377. [Google Scholar] [CrossRef]
- Christensen, R.; Miyano, Y. Stress intensity controlled kinetic crack growth and stress history dependent life prediction with statistical variability. Int. J. Fract. 2006, 137, 77–87. [Google Scholar] [CrossRef]
- Koyanagi, J.; Sato, Y.; Sasayama, T.; Okabe, T.; Yoneyama, S. Numerical simulation of strain-rate dependent transition of transverse tensile failure mode in fiber-reinforced composites. Compos. Part A Appl. Sci. Manuf. 2014, 56, 136–142. [Google Scholar] [CrossRef]
- Haghshenas, A.; Jang, J.Y.; Khonsari, M.M. On the intrinsic dissipation and fracture fatigue entropy of metals. Mech. Mater. 2021, 155, 103734. [Google Scholar] [CrossRef]
- Naderi, M.; Amiri, M.; Khonsari, M.M. On the thermodynamic entropy of fatigue fracture. Proc. R. Soc. A Math. Phys. Eng. Sci. 2010, 466, 423–438. [Google Scholar] [CrossRef]
- Huang, J.; Li, C.; Liu, W. Investigation of internal friction and fracture fatigue entropy of CFRP laminates with various stacking sequences subjected to fatigue loading. Thin-Walled Struct. 2020, 155, 106978. [Google Scholar] [CrossRef]
- Huang, J.; Yang, H.; Liu, W.; Zhang, K.; Huang, A. Confidence level and reliability analysis of the fatigue life of CFRP laminates predicted based on fracture fatigue entropy. Int. J. Fatigue 2022, 156, 106659. [Google Scholar] [CrossRef]
- Koyanagi, J.; Mochizuki, A.; Higuchi, R.; Tan, V.B.C.; Tay, T.E. Finite element model for simulating entropy-based strength-degradation of carbon-fiber-reinforced plastics subjected to cyclic loadings. Int. J. Fatigue 2022, 165, 107204. [Google Scholar] [CrossRef]
- Sato, M.; Hasegawa, K.; Koyanagi, J.; Higuchi, R.; Ishida, Y. Residual strength prediction for unidirectional CFRP using a nonlinear viscoelastic constitutive equation considering entropy damage. Compos. Part A Appl. Sci. Manuf. 2021, 141, 106178. [Google Scholar] [CrossRef]
- Deng, H.; Mochizuki, A.; Fikry, M.; Abe, S.; Ogihara, S.; Koyanagi, J. Numerical and Experimental Studies for Fatigue Damage Accumulation of CFRP Cross-Ply Laminates Based on Entropy Failure Criterion. Materials 2023, 16, 388. [Google Scholar] [CrossRef] [PubMed]
- Basaran, C.; Nie, S. An irreversible thermodynamics theory for damage mechanics of solids. Int. J. Damage Mech. 2004, 13, 205–223. [Google Scholar] [CrossRef]
- González, C.; LLorca, J. Mechanical behavior of unidirectional fiber-reinforced polymers under transverse compression: Microscopic mechanisms and modeling. Compos. Sci. Technol. 2007, 67, 2795–2806. [Google Scholar] [CrossRef]
- Li, S.; Warrior, N.; Zou, Z.; Almaskari, F. A unit cell for FE analysis of materials with the microstructure of a staggered pattern. Compos. Part A Appl. Sci. Manuf. 2011, 42, 801–811. [Google Scholar] [CrossRef]
- Melro, A.; Camanho, P.; Pires, F.A.; Pinho, S. Micromechanical analysis of polymer composites reinforced by unidirectional fibres: Part II-Micromechanical analyses. Int. J. Solids Struct. 2013, 50, 1906–1915. [Google Scholar] [CrossRef]
- Miner, M.A. Cumulative Damage in Fatigue. J. Appl. Mech. 1945, 12, A159–A164. [Google Scholar] [CrossRef]












| Properties | (GPa) | (GPa) | ||
|---|---|---|---|---|
| Value | 294 | 15 | 0.02 | 0.3 |
| n | Elasticity | |||
|---|---|---|---|---|
| 1 | 284 | 4.5 × 102 | 4260 | |
| 2 | 284 | 3.3 × 103 | v | 0.3 |
| 3 | 284 | 1.2 × 105 | Nonlinearity | |
| 4 | 284 | 1.9 × 106 | 70 | |
| 5 | 284 | 1.8 × 107 | 2 | |
| 6 | 284 | 1.4 × 108 | m | 7 |
| 7 | 284 | 8.5 × 108 | Visco-plastic strain | |
| 8 | 284 | 5.0 × 109 | 1.0 × 1023 | |
| 9 | 284 | 3.0 × 1010 | 0 | |
| 10 | 284 | 1.9 × 1011 | 0 | |
| 11 | 284 | 1.4 × 1016 | 0 | |
| 12 | 284 | 1.3 × 1019 | χ | 0 |
| 13 | 284 | 2.1 × 1022 | ||
| 14 | 284 | 1.3 × 1026 | Damage variables | |
| 15 | 284 | 2.5 × 1029 | 4 | |
Disclaimer/Publisher’s Note: The statements, opinions and data contained in all publications are solely those of the individual author(s) and contributor(s) and not of MDPI and/or the editor(s). MDPI and/or the editor(s) disclaim responsibility for any injury to people or property resulting from any ideas, methods, instructions or products referred to in the content. |
© 2023 by the authors. Licensee MDPI, Basel, Switzerland. This article is an open access article distributed under the terms and conditions of the Creative Commons Attribution (CC BY) license (https://creativecommons.org/licenses/by/4.0/).
Share and Cite
Deng, H.; Toda, K.; Sato, M.; Koyanagi, J. Micro-Scale Numerical Simulation of Fatigue Failure for CFRP Subjected to Multiple-Amplitude Cyclic Loadings Based on Entropy Damage Criterion. Materials 2023, 16, 6120. https://doi.org/10.3390/ma16186120
Deng H, Toda K, Sato M, Koyanagi J. Micro-Scale Numerical Simulation of Fatigue Failure for CFRP Subjected to Multiple-Amplitude Cyclic Loadings Based on Entropy Damage Criterion. Materials. 2023; 16(18):6120. https://doi.org/10.3390/ma16186120
Chicago/Turabian StyleDeng, Huachao, Keitaro Toda, Mio Sato, and Jun Koyanagi. 2023. "Micro-Scale Numerical Simulation of Fatigue Failure for CFRP Subjected to Multiple-Amplitude Cyclic Loadings Based on Entropy Damage Criterion" Materials 16, no. 18: 6120. https://doi.org/10.3390/ma16186120
APA StyleDeng, H., Toda, K., Sato, M., & Koyanagi, J. (2023). Micro-Scale Numerical Simulation of Fatigue Failure for CFRP Subjected to Multiple-Amplitude Cyclic Loadings Based on Entropy Damage Criterion. Materials, 16(18), 6120. https://doi.org/10.3390/ma16186120

