Effect of Cold and Hot Compounds Forming on Microstructures and Mechanical Properties in the Deformation Zone of Sharp-Edged High-Strength Steel Sections
Abstract
1. Introduction
2. Materials and Methods
2.1. Materials
2.2. Experimental Setup and Methods
2.3. Tensile and Impact Tests
2.4. Metallographic Organization Observation and Grain Size Determination
2.5. Fracture Morphology Observation and EBSD
3. Results
3.1. Analysis of Tensile and Impact Test Results
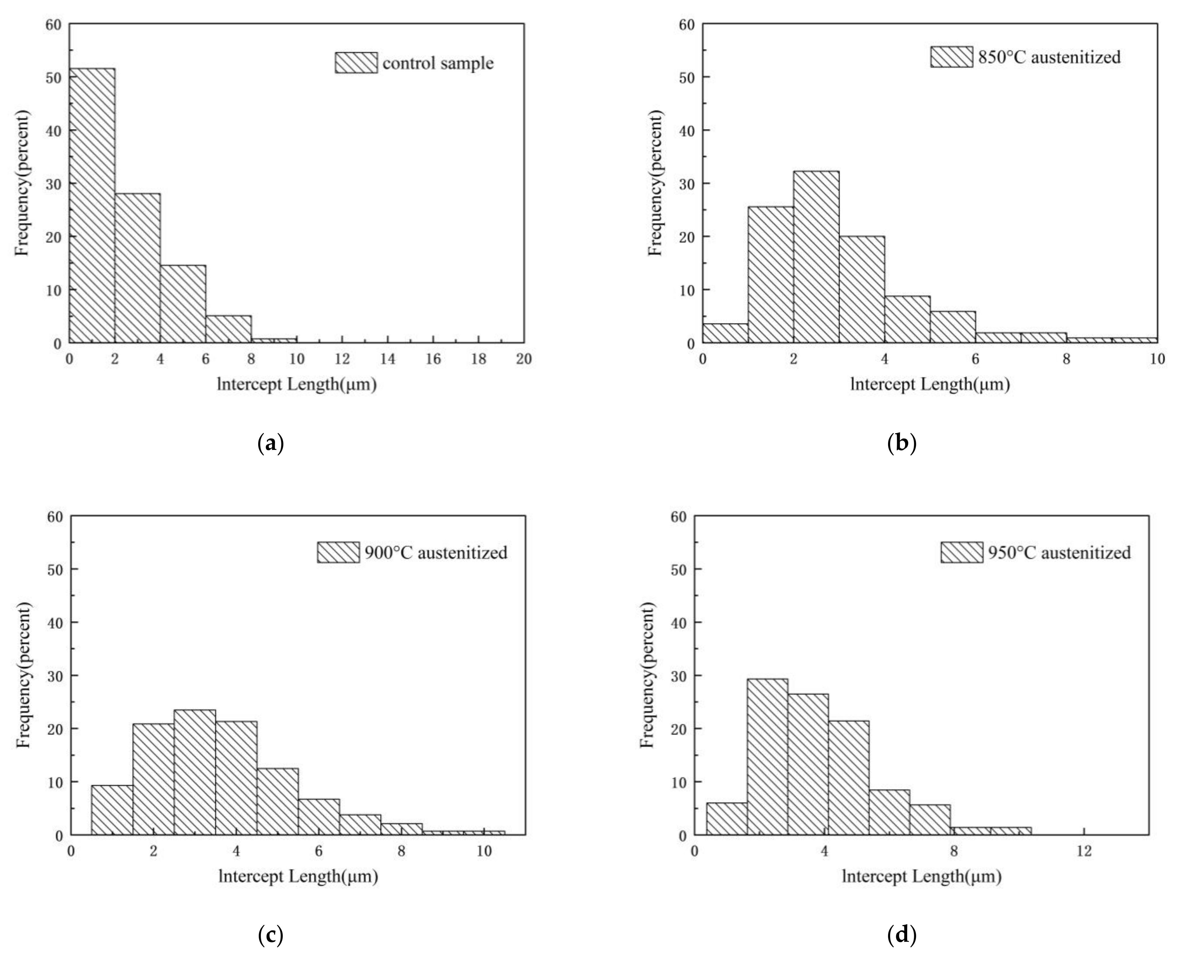
3.2. Metallographic and Grain Size Analyses
3.3. Analysis of Fracture Morphology
3.4. Electron Backscatter Diffractometry (EBSD)
- (1)
- The process parameters of a forming temperature of 850 °C and forming deformation of 70% help prevent material grain coarsening. This ultimately leads to a reduction in the internal dislocation density and improved material properties.
- (2)
- The selection of processing parameters of a forming temperature of 850 °C and a forming deformation of 70% can lead to a favorable {110} <211> weave, the {110} surface weave, mainly due to the increased forming deformation, which promotes the growth of recrystallized weaves of the material while deflecting the grains toward soft orientation, resulting in a larger angle of grain boundaries and improved tensile properties, leading to better overall material properties.
- (3)
- The forming temperature of 850 °C and a forming deformation of 70% can effectively guide the process of the production of high-strength sharp-angle steel. The material yielded has a greater yield strength, tensile strength, elongation, and impact work than the original material, and its overall performance is also improved. Furthermore, the outer radius of the corner of the section formed through cold and hot compound forming was reduced. In contrast, the corner thickness increased considerably compared to the preformed area.
Author Contributions
Funding
Institutional Review Board Statement
Informed Consent Statement
Data Availability Statement
Conflicts of Interest
References
- Efthymiou, E.; Cöcen, Ö.N.; Ermolli, S.R. Sustainable Aluminium Systems. Sustainability 2010, 2, 3100–3109. [Google Scholar] [CrossRef]
- Lee, A.D.; Shepherd, P.; Evernden, M.C.; Metcalfe, D. Optimizing the architectural layouts and technical specifications of curtain walls to minimize use of aluminium. Structures 2018, 13, 8–25. [Google Scholar] [CrossRef]
- Song, Y.W.; Park, J.C.; Chung, M.H.; Choi, B.D.; Park, J.H. Thermal Performance Evaluation of Curtain Wall Frame Types. J. Asian Archit. Build. Eng. 2018, 12, 157–163. [Google Scholar] [CrossRef]
- Valder, G.; Junker, O.; Pfeifer, H. Energy-Optimised Route from Aluminium Scrap to Extruded Semi-Finished Products. Aluminium 2013, 89, 44–48. Available online: https://www.otto-junker.com/cache/dl-5a31cc8e251c20b6014508f9e90e7c1a.pdf (accessed on 6 August 2023).
- Oberhausen, G.; Zhu, Y.; Cooper, D.R. Reducing the environmental impacts of aluminum extrusion. Resour. Conserv. Recycl. 2022, 179, 106120. [Google Scholar] [CrossRef]
- Lugaresi, F.; Sędłak, B.; Kotsovinos, P.; Rein, G. Thermal response of a curtain wall framing system under fire conditions. Fire Saf. J. 2023, 140, 103850. [Google Scholar] [CrossRef]
- Sulik, P.; Kinowski, J.; Sedlak, B. Fire resistance of aluminium glazed curtain walls, Test results comparison depending on the side of fire exposure. In Proceedings of the Applications of Structural Fire Engineering, Dubrovnik, Croatia, 15–16 October 2016; pp. 1–6. [Google Scholar] [CrossRef][Green Version]
- Afkhami, S.; Björk, T.; Larkiola, J. Weldability of cold-formed high strength and ultra-high strength steels. J. Constr. Steel Res. 2019, 158, 86–98. [Google Scholar] [CrossRef]
- Han, F.; Wang, Y.; Wang, Z.-L. Mechanical Bending Property of Ultra-High Strength Steel Sheets IN Roll Forming Process. Int. J. Precis. Eng. Manuf. 2018, 19, 1885–1893. [Google Scholar] [CrossRef]
- Hudgins, A.W.; Matlock, D.K.; Speer, J.G.; Van Tyne, C.J. Predicting instability at die radii in advanced high strength steels. J. Mater. Process. Technol. 2010, 210, 741–750. [Google Scholar] [CrossRef]
- Ma, J.-L.; Chan, T.-M.; Young, B. Material properties and residual stresses of cold-formed high strength steel hollow sections. J. Constr. Steel Res. 2015, 109, 152–165. [Google Scholar] [CrossRef]
- Somodi, B.; Kövesdi, B. Residual stress measurements on cold-formed HSS hollow section columns. J. Constr. Steel Res. 2017, 128, 706–720. [Google Scholar] [CrossRef]
- Xiao, M.; Hu, Y.-F.; Jin, H.; Chung, K.-F.; Nethercot, D.A. Prediction of residual stresses in high-strength S690 cold-formed square hollow sections using integrated numerical simulations. Eng. Struct. 2022, 253, 113682. [Google Scholar] [CrossRef]
- Tayyebi, K.; Sun, M. Stub column behaviour of heat-treated and galvanized RHS manufactured by different methods. J. Constr. Steel Res. 2020, 166, 105910. [Google Scholar] [CrossRef]
- Tayyebi, K.; Sun, M.; Karimi, K. Residual stresses of heat-treated and hot-dip galvanized RHS cold-formed by different methods. J. Constr. Steel Res. 2020, 169, 106071. [Google Scholar] [CrossRef]
- Somodi, B.; Kollár, D.; Kövesdi, B.; Néző, J.; Dunai, L. Residual stresses in high-strength steel welded square box sections. Proc. Inst. Civ. Eng. Struct. Build. 2017, 170, 804–812. [Google Scholar] [CrossRef]
- Zhao, P.; Ban, H.; Hu, Y.-F.; Chung, K.-F.; Shi, Y. Residual stress within stainless-clad bimetallic steel welded box sections. Thin-Walled Struct. 2022, 177, 109395. [Google Scholar] [CrossRef]
- Li, T.; Li, G.; Wang, Y. Residual stress tests of welded Q690 high-strength steel box- and H-sections. J. Constr. Steel Res. 2015, 115, 283–289. [Google Scholar] [CrossRef]
- Khan, M.; Paradowska, A.; Uy, B.; Mashiri, F.; Tao, Z. Residual stresses in high strength steel welded box sections. J. Constr. Steel Res. 2016, 116, 55–64. [Google Scholar] [CrossRef]
- Somodi, B.; Kövesdi, B. Residual stress measurements on welded square box sections using steel grades of S235–S960. Thin-Walled Struct. 2018, 123, 142–154. [Google Scholar] [CrossRef]
- Jiang, J.; Chiew, S.P.; Lee, C.K.; Tiong, P.L.Y. An experimental study on residual stresses of high strength steel box columns. J. Constr. Steel Res. 2017, 130, 12–21. [Google Scholar] [CrossRef]
- Erdem, C.; Riffat, S.B.; Chin-Huai, Y. Thermal insulation, power generation, lighting and energy saving performance of heat insulation solar glass as a curtain wall application in Taiwan: A comparative experimental study. Energy Convers. Manag. 2015, 96, 31–38. [Google Scholar] [CrossRef]
- Chuck, K. Advanced Steel Framing Emerges For Demanding Curtain Wall Applications. Structure Magazine 2011, 10–11. Available online: https://www.structuremag.org/wp-content/uploads/2014/08/C-BuildingBlocks-Knickerbocker-Nov111.pdf (accessed on 7 August 2023).
- Hyun, O.J.; Jung, Y.H.; Sook, K.S. Evaluation of Strategies to Improve the Thermal Performance of Steel Frames in Curtain Wall Systems. Energies 2016, 9, 1055. [Google Scholar] [CrossRef]
- Nandhakumar, S.; Thirumalai, R.; Viswaaswaran, J.; Senthil, T.A.; Vishnuvardhan, V.T. Investigation of production costs in manufacturing environment using innovative tools. Mater. Today Proc. 2021, 37, 1235–1238. [Google Scholar] [CrossRef]
- Zhang, W.; Zeng, L. Experimental investigation and low-cycle fatigue life prediction of welded Q355B steel. J. Constr. Steel Res. 2021, 178, 106497. [Google Scholar] [CrossRef]
- Mei, L. Experimental Study of Shear Fracture on Advanced High Strength Dual-Phase Steels. J. Shanghai Jiaotong Univ. 2008, 45, 41–47. [Google Scholar] [CrossRef]
- Rizzo, L.; Troive, L.; Melander, A.; Rellan, J.J.; Cervetti, M. Improving and Enlarging the Application Field of HSS and UHSS for Automotive Body Components by the Integration of Innovative Technologies Based on Rollforming and Stretch-Bending Processes; Publications Office of the European Union: Luxembourg, 2010. [Google Scholar] [CrossRef]
- Tajik, Y.; Moslemi Naeini, H.; Azizi Tafti, R.; Shirani Bidabadi, B. A strategy to reduce the twist defect in roll-formed asymmetrical-channel sections. Thin-Walled Struct. 2018, 130, 395–404. [Google Scholar] [CrossRef]
- Liang, C.; Li, S.; Liang, J.; Li, J. Method for Controlling Edge Wave Defects of Parts during Roll Forming of High-Strength Steel. Metals 2022, 12, 53. [Google Scholar] [CrossRef]
- Cha, W.-g.; Kim, N. Study on twisting and bowing of roll formed products made of high strength steel. Int. J. Precis. Eng. Manuf. 2013, 14, 1527–1533. [Google Scholar] [CrossRef]
- Woo, Y.Y.; Han, S.W.; Hwang, T.W.; Park, J.Y.; Moon, Y.H. Characterization of the longitudinal bow during flexible roll forming of steel sheets. J. Mater. Process. Technol. 2018, 252, 782–794. [Google Scholar] [CrossRef]
- Saffe, S.N.b.M.; Nagamachi, T.; Ona, H. Residual Stress Around Cut End of Hat Steel Channel by Roll Forming. Procedia Eng. 2014, 81, 239–244. [Google Scholar] [CrossRef][Green Version]
- Moneke, M.; Groche, P. Control of residual stresses in roll forming through targeted adaptation of the roll gap. J. Mater. Process. Techmol. 2021, 294, 117129. [Google Scholar] [CrossRef]
- Tilman, T.; Xin, C.; Peter, G. Experimental and numerical investigation of the bending zone in roll forming. Int. J. Mech. Sci. 2017, 131, 956–970. [Google Scholar] [CrossRef]
- Wang, H.; Yan, Y.; Jia, F.; Han, F. Investigations of fracture on DP980 steel sheet in roll forming process. J. Manuf. Process. 2016, 22, 177–184. [Google Scholar] [CrossRef]
- Rossi, B.; Degée, H.; Boman, R. Numerical simulation of the roll forming of thin-walled sections and evaluation of corner strength enhancement. Finite Elem. Anal. Des. 2013, 72, 13–20. [Google Scholar] [CrossRef]
- Sandeep, P.; Ayush, M.; Nitin, K.; Kumar, S.S. Influence of processing temperature on formability of thin-rolled DP590 steel sheet. Mater. Manuf. Process. 2020, 35, 901–909. [Google Scholar] [CrossRef]
- Ozturk, F.; Toros, S.; Kilic, S. Tensile and Spring-Back Behavior of DP600 Advanced High Strength Steel at Warm Temperatures. J. Iron Steel Res. Int. 2009, 16, 41–46. [Google Scholar] [CrossRef]
- Roohi, A.H.; Gollo, M.H.; Naeini, H.M. External force-assisted laser forming process for gaining high bending angles. J. Manuf. Process. 2012, 14, 269–276. [Google Scholar] [CrossRef]
- Abathun, M.Z.; Han, J.; Peng, X.; Wang, Y. Analysis of stress-strain in the partial heating roll forming process of high strength square hollow steel sections. Int. J. Adv. Manuf. Technol. 2021, 115, 563–579. [Google Scholar] [CrossRef]
- Song, R.; Ponge, D.; Raabe, D.; Speer, J.G.; Matlock, D.K. Overview of processing, microstructure and mechanical properties of ultrafine grained bcc steels. Mater. Sci. Eng. A 2006, 441, 1–17. [Google Scholar] [CrossRef]
- Holzweissig, M.J.; Lackmann, J.; Konrad, S.; Schaper, M.; Niendorf, T. Influence of Short Austenitization Treatments on the Mechanical Properties of Low-Alloy Steels for Hot Forming Applications. Metall. Mater. Trans. A 2015, 46, 3199–3207. [Google Scholar] [CrossRef]
- Liu, B.X.; Fan, K.Y.; Yin, F.X.; Feng, J.H.; Ji, P.G. Effect of caliber rolling reduction ratios on the microstructure and mechanical properties of 45 medium carbon steel. Mater. Sci. Eng. A 2020, 774, 138954. [Google Scholar] [CrossRef]
- Yan, P.; Han, J.; Jiang, Z.; Li, H.; Li, D. Study on Properties of High Strength Steel during Warm Roll Forming. Adv. Mater. Res. 2012, 472–475, 2783–2787. [Google Scholar] [CrossRef]
- Peng, X.; Liu, J.; Han, J.; Wei, D. Effect of hot/warm roll-forming process on microstructural evolution and mechanical properties of local thickened U-rib for orthotropic steel deck. J. Iron Steel Res. Int. 2017, 24, 335–342. [Google Scholar] [CrossRef]
- Wang, Y.; Abathun, M.Z.; Wu, J.; Han, J. Effect of induction heating temperature on the microstructure and mechanical properties of HSLA square tubes. Mater. Res. Express 2022, 9, 106504. [Google Scholar] [CrossRef]
- Zhang, C.; Zhu, H.; Zhu, L. Effect of interaction between corrosion and high temperature on mechanical properties of Q355 structural steel. Constr. Build. Mater. 2021, 271, 121605. [Google Scholar] [CrossRef]
- GB-T229-2007; Metallic Materials—Charpy Pendulum Impact Test Method. Standards Press of China: Beijing, China, 2007.
- Sang-Hyun, C.; Ki-Bong, K.; Jonas, J.J. The Dynamic, Static and Metadynamic Recrystallization of a Nb-microalloyed Steel. ISIJ Int. 2001, 41, 63–69. [Google Scholar] [CrossRef]
- Wang, Y.; Zhang, X.; He, Z.; Zu, G.; Ji, G.; Duan, J.; Misra, R.D.K. Effect of copper precipitates on mechanical and magnetic properties of Cu-bearing non-oriented electrical steel processed by twin-roll strip casting. Mater. Sci. Eng. A 2017, 703, 340–347. [Google Scholar] [CrossRef]
- Huang, S.; Li, C.; Li, Z.; Zhuang, C.; Zeng, Z.; Wang, J. Effect of Thermal Simulation Process on Microstructure of Seismic Steel Bars. Materials 2022, 15, 3438. [Google Scholar] [CrossRef]
- Zurutuza, I.; Isasti, N.; Detemple, E.; Schwinn, V.; Mohrbacher, H.; Uranga, P. Toughness Property Control by Nb and Mo Additions in High-Strength Quenched and Tempered Boron Steels. Metals 2021, 11, 95. [Google Scholar] [CrossRef]
- Shaban, M.; Eghbali, B. Determination of critical conditions for dynamic recrystallization of a microalloyed steel. Mater. Sci. Eng. A 2010, 527, 4320–4325. [Google Scholar] [CrossRef]
- Lewis, A.C.; Wright, S. Advanced Electron Backscatter Diffraction Applications and Techniques. JOM 2013, 65, 1221. [Google Scholar] [CrossRef]
- Lei, Q.; Li, Z.; Wang, J.; Li, S.; Zhang, L.; Dong, Q. High-temperature deformation behavior of Cu–6.0Ni–1.0Si–0.5Al–0.15 Mg–0.1Cr alloy. J. Mater. Sci. 2012, 47, 6034–6042. [Google Scholar] [CrossRef]
- Sarkar, A.; Marchattiwar, A.; Chakravartty, J.K.; Kashyap, B.P. Kinetics of dynamic recrystallization in Ti-modified 15Cr–15Ni–2Mo austenitic stainless steel. J. Nucl. Mater. 2013, 432, 9–15. [Google Scholar] [CrossRef]
- Schuh, C.A.; Kumar, M.; King, W.E. Analysis of grain boundary networks and their evolution during grain boundary engineering. Acta Mater. 2003, 51, 687–700. [Google Scholar] [CrossRef]
- Randle, V. Application of electron backscatter diffraction to grain boundary characterisation. Int. Mater. Rev. 2004, 49, 1–11. [Google Scholar] [CrossRef]















| C | Mn | Si | S | P |
|---|---|---|---|---|
| 0.18 | 0.39 | 0.23 | 0.028 | 0.024 |
Disclaimer/Publisher’s Note: The statements, opinions and data contained in all publications are solely those of the individual author(s) and contributor(s) and not of MDPI and/or the editor(s). MDPI and/or the editor(s) disclaim responsibility for any injury to people or property resulting from any ideas, methods, instructions or products referred to in the content. |
© 2023 by the authors. Licensee MDPI, Basel, Switzerland. This article is an open access article distributed under the terms and conditions of the Creative Commons Attribution (CC BY) license (https://creativecommons.org/licenses/by/4.0/).
Share and Cite
Yao, W.; Han, J.; Wu, C.; Cao, Z. Effect of Cold and Hot Compounds Forming on Microstructures and Mechanical Properties in the Deformation Zone of Sharp-Edged High-Strength Steel Sections. Materials 2023, 16, 6001. https://doi.org/10.3390/ma16176001
Yao W, Han J, Wu C, Cao Z. Effect of Cold and Hot Compounds Forming on Microstructures and Mechanical Properties in the Deformation Zone of Sharp-Edged High-Strength Steel Sections. Materials. 2023; 16(17):6001. https://doi.org/10.3390/ma16176001
Chicago/Turabian StyleYao, Wenqiu, Jingtao Han, Chunjing Wu, and Zhongqian Cao. 2023. "Effect of Cold and Hot Compounds Forming on Microstructures and Mechanical Properties in the Deformation Zone of Sharp-Edged High-Strength Steel Sections" Materials 16, no. 17: 6001. https://doi.org/10.3390/ma16176001
APA StyleYao, W., Han, J., Wu, C., & Cao, Z. (2023). Effect of Cold and Hot Compounds Forming on Microstructures and Mechanical Properties in the Deformation Zone of Sharp-Edged High-Strength Steel Sections. Materials, 16(17), 6001. https://doi.org/10.3390/ma16176001
