Testing Passenger Car Brake Pad Exploitation Time’s Impact on the Values of the Coefficient of Friction and Abrasive Wear Rate Using a Pin-on-Disc Method
Abstract
:1. Introduction
2. Materials and Methods
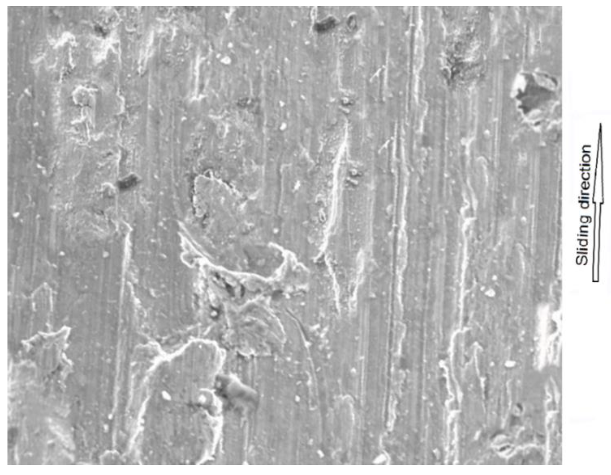
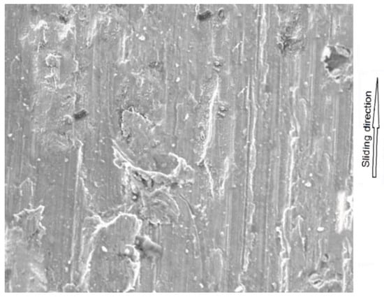
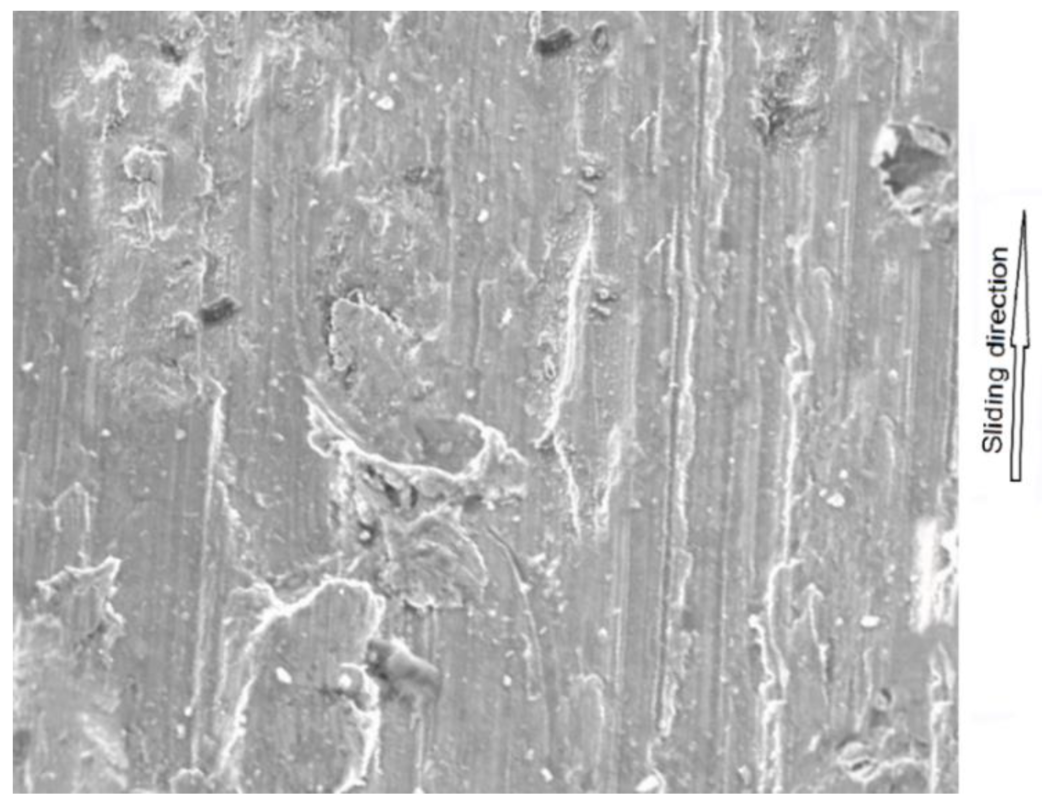
3. Results and Discussion
- -
- For the qualitative factor:
- -
- For random error:
- -
- For total variation:
- -
- For the qualitative factor:
- -
- For random error:
- -
- For total variation:
- -
- For the qualitative factor:
- -
- For random error:
4. Conclusions
- (1)
- The coefficient of friction for all of the tested brake pads decreased as they were used; the biggest changes in the coefficient of friction depended on the changes in the material composition of the brake pad (depending on the degree of wear, the friction in the system was created by the friction material, the adhesive (interlayer) and the back plate);
- (2)
- The highest values of the coefficient of friction were observed in samples collected from completely worn pads; this was most likely due to the strong adhesion in the friction pair (metal back plate and the cast iron pin);
- (3)
- The brake pads showed the fastest wear when they were brand new, which resulted from the need for run-in between the contact surfaces;
- (4)
- The slowest brake pad wear was observed when the back plate constituted the contact surface.
Funding
Institutional Review Board Statement
Informed Consent Statement
Data Availability Statement
Acknowledgments
Conflicts of Interest
References
- Surojo, E.; Jamasri, A.; Malau, V.; Ilman, M.N. Investigation of Friction Behaviors of Brake Shoe Materials using Metallic Filler. Tribol. Ind. 2015, 37, 473–481. [Google Scholar]
- Xingming, X.; Yan, Y.; Jiusheng, B.; Lijian, L. Review on the friction and wear of brake materials. Adv. Mech. Eng. 2016, 8, 1687814016647300. [Google Scholar] [CrossRef] [Green Version]
- Eriksson, M.; Lord, J.; Jacobson, S. Wear and contact conditions of brake pads: Dynamical in situ studies of pad on glass. Wear 2001, 249, 272–278. [Google Scholar] [CrossRef]
- Scieszka, S.F. Friction Brakes–Material, Structural and Tribological Problems; ITE: Radom, Poland, 1998. [Google Scholar]
- Szpica, D. Coefficient of Engine Flexibility as a Basis for the Assessment of Vehicle Tractive Performance. Chin. J. Mech. Eng. 2019, 32, 39. [Google Scholar] [CrossRef] [Green Version]
- Borawski, A.; Szpica, D.; Mieczkowski, G. Verification tests of frictional heat modelling results. Mechanics 2020, 26, 260–264. [Google Scholar] [CrossRef]
- Mieczkowski, G. Static Electromechanical Characteristics of Piezoelectric Converters with various Thickness and Length of Piezoelectric Layers. Acta Mech. Autom. 2019, 13, 30–36. [Google Scholar] [CrossRef] [Green Version]
- Kulikowski, K.; Szpica, D. Determination of directional stiffnesses of vehicels’tires under a static load operation. Maint. Reliab. 2014, 16, 66–72. [Google Scholar]
- Straffelini, G.; Pellizzari, M.; Molinari, A. Influence of load and temperature on the dry sliding behaviour of Al-based metal-matrix-composites against friction material. Wear 2004, 256, 754–763. [Google Scholar] [CrossRef]
- Rynio, C.; Hattendorf, H.; Klöwer, J.; Eggeler, G. On the physical nature of tribolayers and wear debris after sliding wear in a superalloy/steel tribosystem at 25 and 300 °C. Wear 2014, 317, 26–38. [Google Scholar] [CrossRef]
- Kubart, T.; Polcar, T.; Kopecký, L.; Novák, R.; Nováková, D. Temperature dependence of tribological properties of MoS2 and MoSe2 coatings. Surf. Coat. Technol. 2005, 193, 230–233. [Google Scholar] [CrossRef]
- Mieczkowski, G. Criterion for crack initiation from notch located at the interface of bi-material structure. Eksploat. I Niezawodn. Maint. Reliab. 2019, 21, 301–310. [Google Scholar] [CrossRef]
- Szpica, D. New Leiderman–Khlystov Coefcients for Estimating Engine Full Load Characteristics and Performance. Chin. J. Mech. Eng. 2019, 32, 95. [Google Scholar] [CrossRef] [Green Version]
- Kamiński, Z. Experimental and numerical studies of mechanical subsystem for simulation of agricultural trailer air braking systems. Int. J. Heavy Veh. Syst. 2013, 20, 289–311. [Google Scholar] [CrossRef]
- Szpica, D. Fuel dosage irregularity of LPG pulse vapor injectors at different stages of wear. Mechanika 2015, 22, 44–50. [Google Scholar] [CrossRef] [Green Version]
- Chandgude, S.B.; Ganiger, S.G. Review on development of composite material for disc brake pad. J. Emerg. Technol. Innov. Res. 2016, 3, 63–65. [Google Scholar]
- Maluf, O.; Angeloni, M.; Milan, M.T. Development of materials for automotive disc brakes. Minerva 2007, 4, 149–158. [Google Scholar]
- Borawski, A. Conventional and unconventional materials used in the production of brake pads–review. Sci. Eng. Compos. Mater. 2020, 27, 374–396. [Google Scholar] [CrossRef]
- Borawski, A. Impact of Operating Time on Selected Tribological Properties of the Friction Material in the Brake Pads of Passenger Cars. Materials 2021, 14, 884. [Google Scholar] [CrossRef]
- Borawski, A. Simulation Study of the Process of Friction in the Working Elements of a Car Braking System at Different Degrees of Wear. Acta Mech. Autom. 2018, 12, 221–226. [Google Scholar] [CrossRef] [Green Version]
- Yadav, S.M.; Basavarajappa, S.; Chandrakumar, C.; Arun, K.V. The effect of filler on the friction performance of automotive brake friction materials. J. Eng. Res. Stud. 2011, 2, 178–182. [Google Scholar] [CrossRef]
- Khairnar, H.P.; Phalle, V.M.; Mantha, S.S. Comarative frictional analysis of automobile drum and disc brakes. Tribol. Ind. 2016, 38, 11–23. [Google Scholar]
- Talati, F.; Jalalifar, S. Analysis of heat conduction in a disk brake system. Heat Mass Transf. 2009, 45, 1047–1059. [Google Scholar] [CrossRef]
- Baltoin, J.G.; Neis, P.D.; Ferriera, N.F. Analysis of the influence of temperature on the friction coefficient of friction materials. ABCM Symp. Ser. Mechatron. 2010, 4, 898–906. [Google Scholar]
- Chen, L.; Chen, G.; Chang, J. An insight to high humidity-caused friction modulation of brake by numerical modelling of dynamic meniscus under shearing. Lubricants 2015, 3, 437–446. [Google Scholar] [CrossRef]
- Kaleli, H. New Universal Tribometer as Pin or Ball-on-Disc and Reciprocating Pin-on-Plate Types. Tribol. Ind. 2016, 38, 235–240. [Google Scholar]
- Nuraliza, N.; Syahrullail, S.; Faizal, M.H. Tribological properties of aluminum lubricated with palm olein at different load using pin-on-disk machine. J. Tribol. 2016, 9, 45–59. [Google Scholar]
- Tamboli, K.; Sheth, S. An Overview of Some Experimental Methods in Tribology. In Proceedings of the National Conference on “Emerging Trends in Mechanical Engineering (ETME-2008)”, Bangalore, India, 28–29 August 2008. [Google Scholar]
- Li, X.; Olofsson, U.; Bergseth, E. Pin-on-Disc Study of Tribological Performance of Standard and Sintered Gear Materials Treated with Triboconditioning Process: Pre-treatment by Pressure-induced Tribo-film formation. Tribol. Trans. 2016, 60, 47–57. [Google Scholar] [CrossRef] [Green Version]
- ASTM G99-17; Standard Test Method for Wear Testing with a Pin-on-Disk Apparatus. ASTM International: West Conshohocken, PA, USA, 2017.
- Ramesh, B.T.; Arun, K.M.; Swamy, R.P. Dry Sliding Wear Test Conducted on Pin-On-Disk Testing Setup for Al6061-Sic Metal Matrix Composites Fabricated by Powder Metallurgy. Int. J. Innov. Sci. Eng. Technol. 2015, 2, 264–270. [Google Scholar]
- Nair, R.P.; Griffin, D.; Randall, N.X. The use of the pin-on-disk tribology test method to study three unique industrial applications. Wear 2009, 267, 823–827. [Google Scholar] [CrossRef]
- Darius, G.S.; Berhan, M.N.; David, N.V.; Shahrul, A.A.; Zaki, M.B. Characterization of brake pad friction materials. WIT Trans. Eng. Sci. 2005, 51, 43–50. [Google Scholar]
- Ghazali, C.M.R.; Kamarudin, H.; Jamaludin, S.B.; Al Bakri, A.M.M.; Liyana, J. Mechanical Properties and Morphology of Palm Slag, Calcium Carbonate and Dolomite Filler in Brake Pad Composites. Appl. Mech. Mater. 2013, 313–314, 174–178. [Google Scholar] [CrossRef]
- Sivarao, M.; Amarnath, M.S.; Rizal, A.K. An Investigation toward Development of Economical Brake Lining Wear Alert System. Int. J. Eng. Technol. 2009, 9, 251–256. [Google Scholar]
- Yan, W.; O’Dowd, N.P.; Busso, E.P. Numerical study of sliding wear caused by a loaded pin on a rotating disc. J. Mech. Phys. Solids 2002, 50, 449–470. [Google Scholar] [CrossRef] [Green Version]
- Kim, T.K. Understanding one-way ANOVA using conceptual figures. Korean J. Anesthesiol. 2017, 70, 22–26. [Google Scholar] [CrossRef] [Green Version]
- Ostertagová, E.; Ostertag, O. Methodology and Application of One-way ANOVA. Am. J. Mech. Eng. 2013, 1, 256–261. [Google Scholar] [CrossRef]
- Gastwirth, J.; Gel, Y.R.; Miao, W. The Impact of Levene’s Test of Equality of Variances on Statistical Theory and Practice. Stat. Sci. 2010, 24, 343–360. [Google Scholar] [CrossRef] [Green Version]
- Radwan, A.J. On the Lagrange interpolation polynomials of entire functions. J. Approx. Theory 1984, 41, 170–178. [Google Scholar] [CrossRef] [Green Version]
- Hagesh, S.N.; Siddaraju, C.; Prakash, S.V.; Ramesh, M.R. Characterization of brake pads by variation in composition of friction materials. Procedia Mater. Sci. 2014, 5, 295–302. [Google Scholar]
- Coronado, J.J. Abrasive Size Effect on Friction Coefficient of AISI 1045 Steel and 6061-T6 Aluminium Alloy in Two-Body Abrasive Wear. Tribol. Lett. 2015, 60, 40. [Google Scholar] [CrossRef]
- Hull, F.C.; Hwang, S.K.; Wells, J.M. Effect of composition on thermal expansion of alloys used in power generation. J. Mater. Eng. 1987, 9, 81–92. [Google Scholar] [CrossRef]
- McCabe, J.F.; Wassell, R.W. Thermal expansion of composites. J. Mater. Sci. Mater. Med. 1995, 6, 624–629. [Google Scholar] [CrossRef]
- Gao, C.H.; Huang, J.M.; Lin, X.; Tang, X.S. Stress Analysis of Thermal Fatigue Fracture of Brake Disks Based on Thermomechanical Coupling. J. Tribol. 2007, 129, 536–543. [Google Scholar] [CrossRef]
- Grzejda, R. FE-modelling of a contact layer between elements joined in preloaded bolted connections for the operational condition. Adv. Sci. Technol. Res. J. 2014, 8, 19–23. [Google Scholar] [CrossRef]
- Grzejda, R. Determination of bolt forces and normal contact pressure between elements in the system with many bolts for its assembly conditions. Adv. Sci. Technol. Res. J. 2019, 13, 116–121. [Google Scholar] [CrossRef]
- Grzejda, R. Finite element modeling of the contact of elements preloaded with abolt and externally loaded with any force. J. Comput. Appl. Math. 2021, 393, 113534. [Google Scholar] [CrossRef]
- Li, X.; Sosa, M.; Olofsson, U. A pin-on-disc study of the tribology characteristics of sintered versus standard steel gear materials. Wear 2015, 340–341, 31–40. [Google Scholar] [CrossRef] [Green Version]
- Määttä, A.; Vuoristo, P.; Mäntylä, T. Friction and adhesion of stainless steel strip against tool steels in unlubricated sliding with high contact load. Tribol. Int. 2001, 34, 779–786. [Google Scholar] [CrossRef]
- Angsuseranee, N.; Watcharasresomroeng, B.; Bunyawanichkul, P.; Chartniyom, S. Tribological Behavior of Tool Steel Substrate and Solid Films against 304 BA Austenitic Stainless Steel under Dry Sliding. Adv. Tribol. 2020, 2020, 8845548. [Google Scholar] [CrossRef]
- Qin, W.; Kang, J.; Li, J.; Yue, W.; Liu, Y.; She, D.; Mao, Q.; Li, Y. Tribological Behavior of the 316L Stainless Steel with Heterogeneous Lamella Structure. Materials 2018, 11, 1839. [Google Scholar] [CrossRef] [Green Version]
- Ajibade, O.A.; Agunsoye, J.O.; Oke, S.A. A wear rate model incorporating inflationary cost of agro-waste filled composites for brake pad applications to lower composite cost. SN Appl. Sci. 2021, 3, 20. [Google Scholar] [CrossRef]
- Mihu, G.; Mihalache, I.; Graur, I.; Ungureanu, C.P.; Vasile, B. Comparative study regarding friction coefficient for three epoxy resins. IOP Conf. Ser. Mater. Sci. Eng. 2017, 174, 012024. [Google Scholar] [CrossRef] [Green Version]
- Anvient, B.W.E.; Goddard, J.; Wilman, H. An experimental study of friction and wear during abrasion of metals. Proc. R. Soc. Lond. Ser. A 1960, 159–181. [Google Scholar]













| Degree of Wear (%) | 0 | 10 | 20 | 30 | 40 | 50 | 60 | 70 | 80 | 90 | 100 |
|---|---|---|---|---|---|---|---|---|---|---|---|
| Number of samples in group 1 | 3 | 3 | 0 | 3 | 0 | 3 | 3 | 3 | 3 | 3 | 3 |
| Number of samples in group 2 | 3 | 0 | 3 | 3 | 3 | 3 | 3 | 3 | 3 | 3 | 3 |
| Number of samples in group 3 | 3 | 0 | 0 | 3 | 3 | 3 | 3 | 3 | 3 | 3 | 3 |
| Number of samples in group 4 | 3 | 0 | 3 | 0 | 3 | 3 | 3 | 3 | 3 | 3 | 3 |
| Brake Pads Group No. | Layer | Composition (% of Total Mass) |
|---|---|---|
| I | Friction material | Phenolic resin—29.69%; steel fibers—3.81%; glass fiber—7.99%; cast iron fibers—3.48%; silicon carbide—0.92%; zeolites—5.19%; zinc oxide—1.68%; graphite—2.18%; copper—6.46%; barite—15.63%; silicates—9.46%; magnesium oxides—15.52% |
| Binder layer (interlayer) | Phenolic resin—41.99%; steel fibers—2.34%; cast iron fibers—1.58%; glass fiber—3.28%; silicon carbide—0.37%; zeolites—4.34%; zinc oxide—1.51%; graphite—2.18%; barite—14.39%; silicates—5.40%; magnesium oxides—16.15% | |
| Support plate (backplate) | C—0.17%; Mn—1.41%; Si—0.21%; P—0.04%; S—0.02%; Fe—98.14% | |
| II | Friction material | Phenolic resin—18.14%; steel fibers—3.95%; glass fiber—7.43%; cast iron fibers—2.40%; silicon carbide—0.98%; zeolites—5.68%; zinc oxide—1.85%; graphite—2.86%; copper—6.22%; barite—18.58%; silicates—8.36%; magnesium oxides—17.06%; rubber particles—6.22% |
| Binder layer (interlayer) | Phenolic resin—38.33%; steel fibers—2.38%; cast iron fibers—1.45%; glass fiber—3.47%; silicon carbide—0.38%; zeolites—4.40%; zinc oxide—1.27%; copper—6.70%; graphite—2.02%; barite—13.40%; silicates—6.74%; magnesium oxides—17.11%; rubber particles—2.36% | |
| Support plate (backplate) | C—0.16%; Mn—1.34%; Si—0.18%; P—0.02%; S—0.03%; Fe—98.13% | |
| III | Friction material | Phenolic resin—16.85%; steel fibers—4.17%; glass fiber—7.40%; cast iron fibers—2.64%; silicon carbide—0.82%; zeolites—3.80%; zinc oxide—2.33%; graphite—2.85%; copper—8.23%; barite—18.47%; silicates—8.81%; magnesium oxides—16.94%; rubber particles—6.68% |
| Binder layer (interlayer) | Phenolic resin—37.11%; steel fibers—2.53%; cast iron fibers—1.39%; glass fiber—3.84%; silicon carbide—0.48%; zeolites—4.27%; zinc oxide—1.06%; copper—6.48%; graphite—2.18%; barite—14.65%; silicates—6.66%; magnesium oxides—17.28%; rubber particles—2.05% | |
| Support plate (backplate) | C—0.18%; Mn—1.41%; Si—0.26%; P—0.02%; S—0.02%; Fe—98.11% | |
| Friction material | Phenolic resin—30.74%; steel fibers—3.3%; glass fiber—6.09%; cast iron fibers—3.64%; silicon carbide—1.5%; zinc oxide—1.41%; graphite—2.84%; copper—6.03%; barite—17.94%; silicates—9.46%; magnesium oxides—17.04% | |
| IV | Binder layer (interlayer) | Phenolic resin—46.39%; steel fibers—2.25%; cast iron fibers—1.42%; glass fiber—2.28%; silicon carbide—0.41%; zinc oxide—1.42%; copper—6.01%; graphite—2.08%; barite—14.25%; silicates—6.50%; magnesium oxides—16.42% |
| Support plate (backplate) | C—0.18%; Mn—1.39%; Si—0.22%; P—0.03%; S—0.02%; Fe—98.15% |
| Brake Pad Wear (%) | Rockwell Hardness (HRC) | |||
|---|---|---|---|---|
| I | II | III | IV | |
| 10 | 55 | 57 | 57 | 54 |
| 20 | 54 | - | - | - |
| 30 | - | 54 | - | 55 |
| 40 | 53 | 56 | - | |
| 50 | - | 52 | 54 | 54 |
| 60 | 52 | 54 | 55 | 54 |
| 70 | 53 | 52 | 54 | 52 |
| 80 | 53 | 51 | 52 | 52 |
| 90 | 48 | 49 | 47 | 49 |
| 100 | 62 | 62 | 61 | 64 |
| Brake Pad Wear (%) | Test No. | Coefficient of Friction of Brake Pad Samples | |||
|---|---|---|---|---|---|
| I | II | III | IV | ||
| 10 | 1 | 0.391 | 0.469 | 0.441 | 0.342 |
| 2 | 0.385 | 0.459 | 0.544 | 0.361 | |
| 3 | 0.396 | 0.455 | 0.458 | 0.381 | |
| 20 | 1 | 0.389 | - | - | - |
| 2 | 0.446 | - | - | - | |
| 3 | 0.402 | - | - | - | |
| 30 | 1 | - | 0.416 | - | 0.388 |
| 2 | - | 0.497 | - | 0.405 | |
| 3 | - | 0.440 | - | 0.339 | |
| 40 | 1 | 0.359 | 0.367 | 0.438 | - |
| 2 | 0.386 | 0.456 | 0.514 | - | |
| 3 | 0.374 | 0.462 | 0.511 | - | |
| 50 | 1 | - | 0.414 | 0.481 | 0.359 |
| 2 | - | 0.406 | 0.426 | 0.341 | |
| 3 | - | 0.380 | 0.506 | 0.429 | |
| 60 | 1 | 0.355 | 0.382 | 0.412 | 0.376 |
| 2 | 0.357 | 0.434 | 0.428 | 0.341 | |
| 3 | 0.339 | 0.417 | 0.477 | 0.402 | |
| 70 | 1 | 0.331 | 0.352 | 0.414 | 0.348 |
| 2 | 0.294 | 0.377 | 0.389 | 0.340 | |
| 3 | 0.299 | 0.348 | 0.462 | 0.416 | |
| 80 | 1 | 0.281 | 0.343 | 0.297 | 0.332 |
| 2 | 0.277 | 0.308 | 0.329 | 0.368 | |
| 3 | 0.254 | 0.315 | 0.292 | 0.386 | |
| 90 | 1 | 0.134 | 0.168 | 0.264 | 0.315 |
| 2 | 0.171 | 0.207 | 0.286 | 0.352 | |
| 3 | 0.143 | 0.246 | 0.210 | 0.365 | |
| 100 | 1 | 0.192 | 0.221 | 0.218 | 0.199 |
| 2 | 0.169 | 0.323 | 0.262 | 0.150 | |
| 3 | 0.129 | 0.215 | 0.274 | 0.194 | |
| Sample Group | Source of Variation | Df | SS | MS | Ff | p |
|---|---|---|---|---|---|---|
| I | qualitative factor | 10 | 0.832516 | 0.083252 | 26.513 | 0 |
| random error | 22 | 0.006908 | 0.000314 | - | - | |
| total | 32 | 0.839424 | - | - | - | |
| II | qualitative factor | 10 | 0.726189 | 0.072619 | 64.853 | 0 |
| random error | 22 | 0.024634 | 0.001120 | - | - | |
| total | 32 | 0.750823 | - | - | - | |
| III | qualitative factor | 10 | 0.675614 | 0.067561 | 57.696 | 0 |
| random error | 22 | 0.025762 | 0.001171 | - | - | |
| total | 32 | 0.701375 | - | - | - | |
| IV | qualitative factor | 10 | 0.552307 | 0.055231 | 71.031 | 0 |
| random error | 22 | 0.017106 | 0.000778 | - | - | |
| total | 32 | 0.569413 | - | - | - |
| Sample Group | ||||
|---|---|---|---|---|
| I | II | III | IV | |
| FLev | 1.814206 | 2.681519 | 0.782742 | 1.766654 |
| Brake Pad Wear (%) | Average Mass Loss of Brake Pad Samples (g): | |||||||
|---|---|---|---|---|---|---|---|---|
| I | II | III | IV | |||||
| zav | Sd | zav | Sd | zav | Sd | zav | Sd | |
| 0 | 0.6989 | ±0.099 | 0.7409 | ±0.159 | 0.7269 | ±0.190 | 0.5591 | ±0.126 |
| 10 | 0.6710 | ±0.136 | - | - | - | - | - | - |
| 20 | - | - | 0.7129 | ±0.161 | - | - | 0.5731 | ±0.096 |
| 30 | 0.6430 | ±0.164 | 0.6710 | ±0.107 | 0.7269 | ±0.193 | - | - |
| 40 | - | - | 0.6710 | ±0.101 | 0.6989 | ±0.150 | 0.5312 | ±0.174 |
| 50 | 0.6430 | ±0.101 | 0.6570 | ±0.184 | 0.6290 | ±0.178 | 0.5451 | ±0.155 |
| 60 | 0.6150 | ±0.155 | 0.6570 | ±0.095 | 0.6150 | ±0.170 | 0.5591 | ±0.144 |
| 70 | 0.5591 | ±0.148 | 0.6290 | ±0.153 | 0.4892 | ±0.143 | 0.5312 | ±0.105 |
| 80 | 0.4193 | ±0.168 | 0.3914 | ±0.188 | 0.4613 | ±0.096 | 0.5172 | ±0.129 |
| 90 | 0.3634 | ±0.158 | 0.3914 | ±0.159 | 0.4613 | ±0.186 | 0.4193 | ±0.166 |
| 100 | 0.0559 | ±0.125 | 0.0782 | ±0.097 | 0.0643 | ±0.141 | 0.0629 | ±0.113 |
Publisher’s Note: MDPI stays neutral with regard to jurisdictional claims in published maps and institutional affiliations. |
© 2022 by the author. Licensee MDPI, Basel, Switzerland. This article is an open access article distributed under the terms and conditions of the Creative Commons Attribution (CC BY) license (https://creativecommons.org/licenses/by/4.0/).
Share and Cite
Borawski, A. Testing Passenger Car Brake Pad Exploitation Time’s Impact on the Values of the Coefficient of Friction and Abrasive Wear Rate Using a Pin-on-Disc Method. Materials 2022, 15, 1991. https://doi.org/10.3390/ma15061991
Borawski A. Testing Passenger Car Brake Pad Exploitation Time’s Impact on the Values of the Coefficient of Friction and Abrasive Wear Rate Using a Pin-on-Disc Method. Materials. 2022; 15(6):1991. https://doi.org/10.3390/ma15061991
Chicago/Turabian StyleBorawski, Andrzej. 2022. "Testing Passenger Car Brake Pad Exploitation Time’s Impact on the Values of the Coefficient of Friction and Abrasive Wear Rate Using a Pin-on-Disc Method" Materials 15, no. 6: 1991. https://doi.org/10.3390/ma15061991
APA StyleBorawski, A. (2022). Testing Passenger Car Brake Pad Exploitation Time’s Impact on the Values of the Coefficient of Friction and Abrasive Wear Rate Using a Pin-on-Disc Method. Materials, 15(6), 1991. https://doi.org/10.3390/ma15061991
