Bubble Evolution under the Action of Polycarboxylate and Air-Entraining Agent and Its Effects on Concrete Properties—A Review
Abstract
1. Introduction
2. Research Progress in the Mechanism of the Whole Bubble Development Process
2.1. Types of Concrete Bubbles
2.2. The Generation and Growth of Concrete Bubbles
2.3. Movement of Concrete Bubbles
2.4. Stability and Rupture of Concrete Bubbles
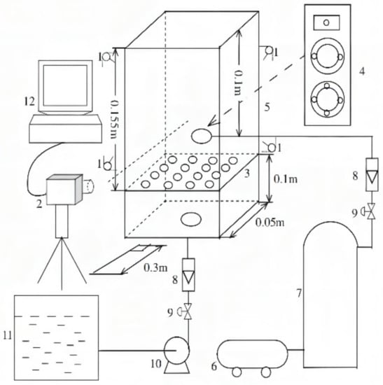
2.5. Research Progress in Computer Simulation
3. Factors Influencing Bubble Generation and Development
3.1. Influence of Different Types of Air-Entraining Agents on Concrete Bubbles
3.2. Influence of the PCE Structure on Concrete Bubbles
4. Influence of the Structure of Concrete Bubbles on the Appearance
5. Effect of Bubbles on Concrete Properties
5.1. Influence of Bubble Size, Specific Area, and Spacing Factor on the Rheological Properties of Concrete
5.2. Effect of Bubble Content on Concrete Compressive Strength, Splitting Tensile Strength, and Drying Shrinkage
5.3. Effect of the Bubble Spacing Coefficient on Concrete Frost Resistance
6. Conclusions and Expectations
- The structural parameters of concrete bubbles greatly affected rheological and mechanical properties of concrete and the appearance quality after hardening. Chemical admixtures such as PCE and air-entraining agents had highly adjustable chemical structures, but the research on their structural design was not sufficient, so it is necessary to further improve the molecular structure and optimize the structural characteristics of the introduced concrete bubbles, thereby increasing the concrete durability and improving the pore quality after concrete hardening. We can also consider using PFC software to simulate the impact of the number and size of bubbles on the mechanical properties of concrete test blocks.
- Bubble stability was affected by bubble film strength. The viscosity, elasticity and permeability of bubble film could be used to characterize the bubble film strength. Research on the bubble film interface characteristics, liquid film drainage, bubble coalescence, etc., mostly target clean water; foam and cement mortar lack systematic quantification. In addition, the reported quantitative research on the stability of foam focused on the stability of foam. However, the mechanism of foam stability cannot be fully applied to the stability of foam in fresh concrete. There is no in situ observation or detection of the bubble behavior of fresh concrete, so it is applicable to study the bubble generation and development via the isotope trace method.
- The “cell model”, as well as the commonly used geometric interface reconstruction VOF-PLIC method, CT three-dimensional reconstruction technology, and the fluid volume VOF model, etc., are mathematical models established for foamed plastics, water, or two-phase systems. Concrete is a three-phase complex system of solid, liquid, and gas. Hence, it is necessary to set reasonable model hypotheses and parameters to qualitatively or semi-quantitatively describe the generation and development of bubbles.
Funding
Institutional Review Board Statement
Informed Consent Statement
Data Availability Statement
Acknowledgments
Conflicts of Interest
References
- Özen, S.; Altun, M.G.; Mardani-Aghabaglou, A. Effect of the polycarboxylate based water reducing admixture structure on self-compacting concrete properties: Main chain length. Constr. Build. Mater. 2020, 255, 119360. [Google Scholar] [CrossRef]
- Schackow, A.; Effting, C.; Folgueras, M.V.; Güths, S.; Mendes, G.A. Mechanical and thermal properties of lightweight concretes with vermiculite and EPS using air-entraining agent. Constr. Build. Mater. 2014, 57, 190–197. [Google Scholar] [CrossRef]
- Mustan, F.; Politova-Brinkova, N.; Vinarov, Z.; Rossetti, D.; Rayment, P.; Tcholakova, S. Interplay between bulk aggregates, surface properties and foam stability of nonionic surfactants. Adv. Colloid Interface Sci. 2022, 302, 102618. [Google Scholar] [CrossRef] [PubMed]
- Zhang, M.Q.; Liu, Z.W. Analysis of karst water inrush characteristics in mountain of Yuanliang tunnel. J. Geotech. Eng. 2005, 4, 422–426. Available online: https://kns.cnki.net/kcms/detail/detail.aspx?dbcode=CJFD&dbname=CJFD2005&filename=YTGC20050400B&uniplatform=NZKPT&v=jg7QhXPOainOK5cbJKALb0wEgjLfEDy4hmYabzTTze7fQGOg_IqTEFNFrJPdRcH0 (accessed on 13 August 2022).
- Lu, Y.C.; Wu, H.N.; Li, J.Y.; Jiang, Y.L. The running law of air bubbles in concrete and its prevention measures. Railw. Constr. Technol. 2021, 09, 29–32+47. Available online: https://kns.cnki.net/kcms/detail/detail.aspx?dbcode=CJFD&dbname=CJFDLAST2021&filename=TDJS202109007&uniplatform=NZKPT&v=H9uV2K7coMz6MIab7jZ0NcVNsfJDP4McxNo8wMJmY4iBCt1G_vXSR4zz5vjOLCT7 (accessed on 13 August 2022).
- Wang, F.G. Application of Delphi method in the optimization of slope retaining design. Subgrade Eng. 2011, 4, 138–140+143. Available online: https://kns.cnki.net/kcms/detail/detail.aspx?dbcode=CJFD&dbname=CJFD2011&filename=LJGC201104045&uniplatform=NZKPT&v=-YF-RJ3HBIzb0Q8EUnHgWpTrvECo9ps0FKsRPmusB2g_A372-g7hdpSbLjOxkqmq (accessed on 13 August 2022).
- Adhikary, S.K.; Rudžionis, Ž.; Vaičiukynienė, D. Development of flowable ultra-lightweight concrete using expanded glass aggregate, silica aerogel, and prefabricated plastic bubbles. J. Build. Eng. 2020, 31, 101399. [Google Scholar] [CrossRef]
- Wang, Y.; Yin, X.; Geng, F.; Jing, H.; Su, H.; Liu, R. Risk Assessment of water inrush in karst tunnels based on the efficacy coefficient method. Pol. J. Environ. Stud. 2017, 26, 1765–1775. [Google Scholar] [CrossRef]
- Mehta, P.K. Concrete: Microstructure, properties, and materials. Preticehall. Int. 2006, 13, 499. Available online: http://www.logobook.ru/prod_show.php?object_uid=12330694 (accessed on 13 August 2022).
- Luo, X.; Wang, L.; Wang, Z.D. Generation and development of bubbles in concrete: Mechanism and influencing factors. Mater. Rev. 2021, 35, 213–217. Available online: https://kns.cnki.net/kcms/detail/detail.aspx?dbcode=CJFD&dbname=CJFDLAST2021&filename=CLDB2021S2042&uniplatform=NZKPT&v=ah_aRqNSDPL4weev_V18qwQ5cLbaqYWkT_wMAktvF-jSc8wvoERUVQ4eQyvS44ti (accessed on 13 August 2022).
- Blander, M. Bubble nucleation in liquids. Adv. Colloid Interface Sci. 1979, 10, 833–848. [Google Scholar] [CrossRef]
- Beeley, N.R.F.; Guo, Z.X. Fluid dynamic simulations of a slurry coating process on a continuous fibre. Mater. Sci. Eng. A 2004, 365, 341–348. [Google Scholar] [CrossRef]
- Amon, M.; Denson, C. A study of the dynamics of foam growth: Analysis of the growth of closely spaced spherical bubbles. Polym. Eng. Sci. 1984, 24, 1026. [Google Scholar] [CrossRef]
- Zeng, X.; Lan, X.; Zhu, H.; Liu, H.; Umar, H.A.; Xie, Y.; Long, G.; Ma, C. A Review on bubble stability in fresh concrete: Mechanisms and main factors. Materials 2020, 13, 1820. [Google Scholar] [CrossRef]
- Hou, D.S.; Zhang, X.; Wang, L. Risk evaluation and application of water inrush in tunnel based on comprehensive weighting TOPSIS method. Tunn. Construction. 2017, 37, 691–699. Available online: https://kns.cnki.net/kcms/detail/detail.aspx?dbcode=CJFD&dbname=CJFDLAST2017&filename=JSSD201706009&uniplatform=NZKPT&v=eSfuZ55FP3FZFWDUHFh82XxamzTyp_yY5ga786yidazPNYJwcunTJgftjEekj204 (accessed on 13 August 2022).
- Xue, Y.G.; Bai, C.H.; Qiu, D.H. Predicting rockburst with database using particle swarm optimization and extreme learningmachine. Tunn. Undergr. Space Technol. 2020, 98, 103287. [Google Scholar] [CrossRef]
- Bhakta, A.; Ruckenstein, E. Decay of standing foams: Drainage, coalescence and collapse. Adv. Colloid Interface Sci. 1997, 70, 1–124. [Google Scholar] [CrossRef]
- Tabakova, S.S.; Danov, K.D. Effect of disjoining pressure on the drainage and relaxation dynamics of liquid films with mobile interfaces. J. Colloid Interface Sci. 2009, 336, 273–284. [Google Scholar] [CrossRef]
- Carey, E.; Stubenrauch, C. A disjoining pressure study of foam films stabilized by mixtures of a nonionic (C12DMPO) and an ionic surfactant (C12TAB). J. Colloid Interface Sci. 2010, 343, 314–323. [Google Scholar] [CrossRef]
- Rosen, M.J.; Kunjappu, J.T. Surfactants and Interfacial Phenomena, 4th ed.; Wiley: Hoboken, NJ, USA, 2012; Volume 40, p. 347. [Google Scholar] [CrossRef]
- Marrucci, G.; Nicodemo, L. Coalescence of gas bubbles in aqueous solutions of inorganic electrolytes. Chem. Eng. Sci. 1967, 22, 1257–1265. [Google Scholar] [CrossRef]
- Moradian, M.; Hu, Q.; Aboustait, M.; Ley, M.T.; Hanan, J.C.; Xiao, X.; Scherer, G.W.; Zhang, Z. Direct observation of void evolution during cement hydration. Mater. Des. 2017, 136, 137–149. [Google Scholar] [CrossRef]
- Zhang, Z. Synthesis of Polycarboxylate Acid Water Reducer and Its Air Entrainment and Early Strength Properties. Master’s Thesis, South China University of Technology, Guangzhou, China, 2010. Available online: https://kns.cnki.net/kcms/detail/detail.aspx?dbcode=CMFD&dbname=CMFD2011&filename=2010228221.nh&uniplatform=NZKPT&v=ZtW81EHW5AnlQlAeZmuG_fU9yhOcFI8bide7qGfFRWa622hvJ2mlGs7f2n7-4-GF (accessed on 13 August 2022).
- Yang, S.D. Study on the Influence of Separation Pressure and Surface Viscosity on Liquid Membrane Drainage Process. Ph.D. Thesis, North China Electric Power University, Beijing, China, 2018. Available online: http://cdmd.cnki.com.cn/Article/CDMD-10079-1018278325.htm (accessed on 13 August 2022).
- Wang, J.; Nguyen, A.V.; Farrokhpay, S. A critical review of the growth, drainage and collapse of foams. Adv. Colloid Interface Sci. 2016, 228, 55–70. [Google Scholar] [CrossRef] [PubMed]
- Sett, S.; Sinha-Ray, S.; Yarin, A.L. Gravitational drainage of foam films. J. Colloid Interface Sci. 2013, 29, 4934–4947. [Google Scholar] [CrossRef] [PubMed]
- James, B.; David, C. Controlling thin liquid film viscosity via modification of substrate surface chemistry. Colloids Surf. A Physicochem. Eng. Asp. 2013, 418, 112–116. [Google Scholar] [CrossRef]
- Li, D.; Jia, S.Y. Effect of surface viscosity on coalescence of small bubbles. J. Chem. Ind. Eng. 1995, 181, 34–44. [Google Scholar] [CrossRef]
- Goldshtein, V.; Goldfarb, I.; Shreiber, I. Drainage waves structure in gas-liquid foam. Int. J. Multiph. Flow 1996, 22, 991–1003. [Google Scholar] [CrossRef]
- Princen, H.M.; Mason, S.G. The permeability of soap films to gases. J. Colloid Interface Sci. 1967, 20, 353–375. Available online: https://www.researchgate.net/publication/27698631_The_permeability_of_soap_films_to_gases_II_A_simple_mechanism_of_monolayer_permeability (accessed on 13 August 2022). [CrossRef]
- Ge, Y.; Chang, C.L.; Yang, W.C.; Zhang, B.S.; Yuan, J.; Yu, J.S. Effects of common inorganic salts on solution surface tension and concrete properties. Concrete 2007, 6, 7–9. Available online: https://kns.cnki.net/kcms/detail/detail.aspx?dbcode=CJFD&dbname=CJFD2007&filename=HLTF200706002&uniplatform=NZKPT&v=OopAAiuOjNRZqQxKOcQQjKtXJL8eBBciv1N_jF-vWqiKG9LWqHvRcLGgj-FU_HUI (accessed on 13 August 2022).
- Wang, H.; Yang, W.; Yan, X.; Wang, L.; Wang, Y.; Zhang, H. Regulation of bubble size in flotaion: A review. J. Environ. Chem. Eng. 2020, 8, 104070. [Google Scholar] [CrossRef]
- Maldonado, M.; Quinn, J.J.; Gomez, C.O.; Finch, J.A. An experimental study examining the relationship between bubble shape and rise velocity. Chem. Eng. Sci. 2013, 98, 7–11. [Google Scholar] [CrossRef]
- Saulnier, L.; Champougny, L.; Bastien, G.; Restagno, F.; Langevin, D.; Rio, E. A study of generation and rupture of soap films. Soft Matter 2014, 10, 2899–2906. Available online: https://www.researchgate.net/publication/261104656_A_study_of_generation_and_rupture_of_soap_films (accessed on 13 August 2022). [CrossRef]
- Naire, S.; Braun, R.J.; Snow, S.A. An insoluble surfactant model for a vertical draining free film with variable surface viscosity. Phys. Fluids 2001, 13, 2492–2502. [Google Scholar] [CrossRef]
- Zhang, C.R. Study on the Interface Expansion Viscoelasticity and Foam Properties of Foam Composite Flooding Simulation System. Ph.D. Thesis, Graduate School of Chinese Academy of Sciences, Beijing, China, 2007. Available online: https://kns.cnki.net/kcms/detail/detail.aspx?dbcode=CDFD&dbname=CDFD9908&filename=2007153490.nh&uniplatform=NZKPT&v=ySXi3ZUhpxs_UsDhbzBXtlzvp0lGmGQjgEtRMgGQ_rF_SQrGWfhG53Xz6mCW-3W_ (accessed on 13 August 2022).
- Ding, P.; Liu, J.P.; Liu, J.Z. Study on foam stabilization mechanism of air entraining agent and its improvement on freeze-thaw durability of concrete. Concrete 2006, 11, 34–35. Available online: https://kns.cnki.net/kcms/detail/detail.aspx?dbcode=CJFD&dbname=CJFD2006&filename=HLTF200611010&uniplatform=NZKPT&v=cjT6kdeDngCirY6uoc4zjPVEXB4_6h1x9gSbulEELwq5zrjZZCbQqIxPy2ZdEtvE (accessed on 13 August 2022).
- Ley, M.T.; Chancey, R.; Juenger, M.C.G.; Folliard, K.J. The physical and chemical characteristics of the shell of air-entrained bubbles in cement paste. Cem. Concr. Res. 2009, 39, 417–425. [Google Scholar] [CrossRef]
- Petit, P.; Javierre, I.; Jézéquel, P.-H.; Biance, A.-L. Generation and stability of bubbles in a cement based slurry. Cem. Concr. Res. 2014, 60, 37–44. [Google Scholar] [CrossRef]
- Lewi, T. On the instability and rupture of droplets and bubbles in strong electric fields. J. Frankl. Inst. 1936, 221, 613–620. [Google Scholar] [CrossRef]
- Yan, X.F.; Wang, G.J.; Wang, Y. Research progress of bubble coalescence in aqueous solution. Chem. Ind. Eng. 2013, 30, 49–55. [Google Scholar] [CrossRef]
- Han, S.J.; Hu, Z.D. Bubble coalescence mechanism model. J. Chem. Ind. Eng. 1997, 1, 73–79. Available online: https://kns.cnki.net/kcms/detail/detail.aspx?dbcode=CJFD&dbname=CJFD9697&filename=HGSZ199701011&uniplatform=NZKPT&v=FyCLzteaNBd6-Oy3YEFJW2SiAz5IO-i6LGwKmYuErNPIJrFKxN4W-fEBSD4bCfW7 (accessed on 13 August 2022).
- Ma, J.F.; Shang, Y.Z. Synthesis, characterization, and performance of novel phosphate-modified polymers as air-entraining agents. Constr. Build. Mater. 2020, 232, 117231. [Google Scholar] [CrossRef]
- Xiang, S.C.; Shi, C.J.; Wu, L.M. Synthesis of comb like polycarboxylate with different length side chain and its effect on the properties of fresh cement paste. J. Chin. Ceram. Soc. 2015, 43, 570–578. [Google Scholar] [CrossRef]
- Jiang, Q.; Yu, C.; Yuan, S.S. Effect of super early strength polycarboxyla acid on rheological and bubble structure of low slump concrete. Mater. Rev. 2021, 35, 20022–20027. Available online: https://kns.cnki.net/kcms/detail/frame/list.aspx?dbcode=CJFD&filename=cldb202120005&dbname=CJFDLAST2021&RefType=1&vl=CHPcj3uNfJ0YtJCJmXvgYDrHuSeNgMNdC8bp9HYFOduY_H5Hx5eiUl_CZ75IVwQ7 (accessed on 13 August 2022).
- Saint-Jalmes, A. Physical chemistry in foam drainage and coarsening. Soft Matter 2006, 2, 836–849. [Google Scholar] [CrossRef] [PubMed]
- Stevenson, P. On the forced drainage of foam. Colloids Surf. A Physicochem. Eng. Asp. 2007, 305, 1–9. [Google Scholar] [CrossRef]
- Hutzler, S.; Weaire, D.; Saugey, A.; Cox, S.; Peron, N. The physics of foam drainage. In Proceedings of the 52nd SEPAWA Congress, Wurzburg, Germany, 12–14 October 2005; pp. 191–206. Available online: https://www.researchgate.net/publication/241060763_The_physics_of_foam_drainage (accessed on 13 August 2022).
- Rosen, M.J.; Kunjappu, J.T. Surfactants and Interfacial Phenomena, 3rd ed.; Wiley: Hoboken, NJ, USA, 2012; p. 464. ISBN 0-471-47818-0. [Google Scholar] [CrossRef]
- Cantat, I.; Cohen-Addad, S.; Elias, F.; Graner, F.; Saint-Jalmes, A. Foams: Structure and Dynamics; OUP Oxford: Oxford, UK, 2013; Available online: http://www.researchgate.net/publication/297667700_Foams_Structure_and_Dynamics (accessed on 13 August 2022).
- Voorhees, P.W.; Glicksman, M.E. thermal measurement of Ostwald ripening kinetics in partially crystallized mixtures. J. Cryst. Growth 1985, 72, 599–615. [Google Scholar] [CrossRef]
- Nguyen, V.-T.; Phan, T.-H.; Duy, T.-N.; Kim, D.-H.; Park, W.-G. Modeling of the bubble collapse with water jets and pressure loads using a geometrical volume of fluid based simulation method. Int. J. Multiph. Flow 2022, 152, 104103. [Google Scholar] [CrossRef]
- Fantous, T.; Hosseinpoor, M.; Yahia, A.; Selma, B. Numerical simulation of static and dynamic stability of air-bubbles in highly flowable cement-based materials. Mater. Today Commun. 2020, 23, 100871. [Google Scholar] [CrossRef]
- Zhang, Y.; Liu, M.; Xu, Y.; Tang, C. Three-dimensional volume of fluid simulations on bubble formation and dynamics in bubble columns. Chem. Eng. Sci. 2012, 73, 55–78. [Google Scholar] [CrossRef]
- Rath, S.; Ouchi, M.; Puthipad, N.; Attachaiyawuth, A. Improving the stability of entrained air in self-compacting concrete by optimizing the mix viscosity and air entraining agent dosage. Constr. Build. Mater. 2017, 148, 531–537. [Google Scholar] [CrossRef]
- Atahan, H.N.; Carlos, C.; Chae, S.; Monteiro, P.J.M.; Bastacky, J. The morphology of entrained air voids in hardened cement paste generated with different anionic surfactants. Cem. Concr. Compos. 2008, 30, 566–575. [Google Scholar] [CrossRef]
- Qiao, M.; Chen, J.; Yu, C.; Wu, S.S.; Gao, N.X.; Ran, Q.P. Gemini surfactants as novel air entraining agents for concrete. Cem. Concr. Res. 2017, 100, 40–46. [Google Scholar] [CrossRef]
- Chen, J.; Qiao, M.; Gao, N.X.; Ran, Q.P.; Wu, S.S.; Qi, S. Sulfonic gemini surfactants: Synthesis, properties and applications as novel air entraining agents for concrete. Colloid Surf. A 2017, 522, 593–600. [Google Scholar] [CrossRef]
- Chen, J.; Qiao, M.; Gao, N.X.; Ran, Q.P.; Wu, J.Z.; Shan, G.C.; Qi, S.; Wu, S.S. Cationic oligomeric surfactants as novel air entraining agents for concrete. Colloid Surf. A 2018, 538, 686–693. [Google Scholar] [CrossRef]
- Shan, G.C.; Zhao, S.; Qiao, M.; Gao, N.X.; Chen, J.; Ran, Q.P. Synergism effects of coconut diethanol amide and anionic surfactants for entraining stable air bubbles into concrete. Constr. Build. Mater. 2020, 237, 117625. [Google Scholar] [CrossRef]
- Qiao, M.; Shan, G.C.; Chen, J.; Wu, S.S.; Gao, N.X.; Ran, Q.P.; Liu, J.P. Effects of salts and adsorption on the performance of air entraining agent with different charge type in solution and cement mortar. Constr. Build. Mater. 2020, 242, 118188. [Google Scholar] [CrossRef]
- He, Y.; Zhang, X.; Hong, W.L. Influence of polycarboxylate acid ether ratio on its air entrainment performance. J. Build. Mater. 2019, 22, 222–226. Available online: https://kns.cnki.net/kcms/detail/detail.aspx?dbcode=CJFD&dbname=CJFDLAST2019&filename=JZCX201902010&uniplatform=NZKPT&v=OKMzsf-1VHzOFqynFA-Z2xzXjcqVWOfSnLmjlVcInT4qcApt9yuHwRrWbmsN-ctz (accessed on 13 August 2022).
- He, Y.; Zhang, X.; Hong, W. Effects of polycarboxylate superplasticisers with various functional groups on the pore structure of cement mortar. Adv. Cem. Res. 2020, 32, 510–518. Available online: https://www.icevirtuallibrary.com/doi/full/10.1680/jadcr.18.00239?src=recsys (accessed on 13 August 2022). [CrossRef]
- Zhang, M. Study on the synthesis and properties of low bleed and shrinkage reducing polycarboxylate acid. J. Chin. Ceram. Soc. 2017, 36, 369–373. [Google Scholar] [CrossRef]
- Mou, Y.M.; Feng, Z.J.; Ding, Q.J. Research and application of low air entraining polycarboxylate acid water reducer for fair faced concrete. Concrete 2014, 8, 140–143. Available online: https://kns.cnki.net/kcms/detail/detail.aspx?dbcode=CJFD&dbname=CJFD2014&filename=HLTF201408043&uniplatform=NZKPT&v=61rSO7BPzidcyltrzQ-uz11924PzwhZM65JsqND0Lwr3w8bTkxmb9gSslWe_IINy (accessed on 13 August 2022).
- Li, W.; Lu, J.Y. Effects of the mixture of the bubble and the air entrained agent on the bubble parameters and appearance of the concrete. Concrete 2016, 08, 103–106. Available online: http://en.cnki.com.cn/Article_en/CJFDTotal-HLTF201608027.htm (accessed on 13 August 2022).
- Puthipad, N.; Ouchi, M.; Rath, S.; Attachaiyawuth, A. Enhanced entrainment of fine air bubbles in self-compacting concrete with high volume of fly ash using defoaming agent for improved entrained air stability and higher aggregate content. Constr. Build. Mater. 2017, 144, 1–12. [Google Scholar] [CrossRef]
- Chen, J.; Shan, G.C.; Wu, J.Z.; Qiao, M.; Gao, N.X.; Ran, Q.P. Branched alkyl polyethers as novel defoamers for concrete. Cem. Concr. Res. 2022, 157, 106821. [Google Scholar] [CrossRef]
- Qiao, M.; Chen, J.; Gao, N.X.; Shan, G.C.; Wu, J.Z.; Ran, Q.P. Synthesis and properties of differentalkyl alcohol polyethers as the defoamers for concrete. Colloid Surf. A 2022, 646, 128998. [Google Scholar] [CrossRef]
- Huang, H. Influence of air entraining agent on characteristic parameters of air bubbles in hardened concrete. Technol. Highw. Transp. 2014, 10, 35–38. Available online: https://kns.cnki.net/kcms/detail/detail.aspx?dbcode=CJFD&dbname=CJFD2014&filename=GLJJ201403012&uniplatform=NZKPT&v=z24_ANLoUUzy2zGpjyB6bONLSarT52ee4uyqGIQxrzJCXmr4_RHPSwwTMTVfQsNz (accessed on 13 August 2022).
- Faleschini, F.; Jiménez, C.; Barra, M.; Aponte, D. Rheology of fresh concretes with recycled aggregates. Constr. Build. Mater. 2014, 73, 407–416. [Google Scholar] [CrossRef]
- Guo, T.F.; Qiao, M.; Shu, X.; Dong, L.; Shan, G.C.; Liu, X.D.; Guo, Y.D.; Ran, Q.P. Characteristic analysis of air bubbles on the rheological properties of cement mortar. Constr. Build. Mater. 2022, 316, 125812. [Google Scholar] [CrossRef]
- Zhang, X.; Zhang, H.; Gao, H.; He, Y.; Jiang, M. Effect of bubble feature parameters on rheological properties of fresh concrete. Constr. Build. Mater. 2019, 196, 245–255. [Google Scholar] [CrossRef]
- De Larrard, F.; Ferraris, C.F.; Sedran, T. Fresh concrete: A herschel-bulkley material. Mater. Struct. 1998, 31, 494–498. [Google Scholar] [CrossRef]
- Khoshroo, M.; Shirzadi Javid, A.A.; Katebi, A. Effects of micro-nano bubble water and binary mineral admixtures on the mechanical and durability properties of concrete. Constr. Build. Mater. 2018, 164, 371–385. [Google Scholar] [CrossRef]
- Awinda, K.; Chen, J.; Barnett, S.J. Investigating geometrical size effect on the flexural strength of the ultra high performance fibre reinforced concrete using the cohesive crack model. Constr. Build. Mater. 2016, 105, 123–131. [Google Scholar] [CrossRef]
- De Olivia Haddad, L.D.; Neves, R.R.; de Oliveira, P.V.; dos Santos, W.J.; de Carvalho Junior, A.N. Influence of particle shape and size distribution on coating mortar properties. J. Mater. Res. Technol. 2020, 9, 9299–9314. [Google Scholar] [CrossRef]
- Brandt, A.M. Fibre reinforced cement-based (FRC) composites after over 40 years of development inbuilding and civil engineering. Compos. Struct. 2008, 1, 3–9. [Google Scholar] [CrossRef]
- Maghfouri, M.; Alimohammadi, V.; Gupta, R.; Saberian, M.; Azarsa, P.; Hashemi, M.; Asadi, I.; Roychand, R. Drying shrinkage properties of expanded polystyrene (EPS) lightweight aggregate concrete: A review. Case Stud. Constr. Mater. 2022, 16, e00919. [Google Scholar] [CrossRef]
- Ankur, M. Strength, permeability and micro-structural characteristics of low-calcium fly ash based geopolymers. Constr. Build. Mater. 2017, 141, 325–334. [Google Scholar] [CrossRef]
- Pigeon, M.; Gagné, R.; Aïtcin, P.-C.; Banthia, N. Freezing and thawing tests of high-strength concretes. Cem. Concr. Res. 1991, 21, 844–852. [Google Scholar] [CrossRef]
- Yamato, T.; Emoto, Y.; Soeda, M. Freezing and Thawing Resistance of Anti-Washout Concrete Under Water. 1991. Available online: https://www.researchgate.net/publication/284884123_Freezing_and_thawing_resistance_of_anti-washout_concrete_under_water (accessed on 13 August 2022).
- Kosmatka, S.H.; Kerkhoff, B.; Panarese, W.C. Design and Control of Concrete Mixtures; Portland Cement Association: Skokie, IL, USA, 2002; Available online: https://www.researchgate.net/publication/284663491_Design_and_Control_of_Concrete_Mixtures (accessed on 13 August 2022).
- Ji, Y.; Dongbin, L. Study on frost resistance of EPS concrete based on EPS beads wrapping modification. Constr. Build. Mater. 2022, 345, 128400. [Google Scholar] [CrossRef]
- Powers, T.C.; Willis, T. The air requirement of frost resistant concrete. Highw. Res. Board Proc. 1950, 1, 184–211. Available online: https://www.researchgate.net/publication/285773603_Air_requirement_of_frost-resistant_concrete (accessed on 13 August 2022).
- Powers, T.C.; Brownyard, T.L. Studies of the physical properties of hardened Portland cement paste. Amer. Concr. Inst. J. 1946, 42, 101–132. [Google Scholar] [CrossRef]
- Powers, T.C.; Helmuth, R.A. Theory of volume changes in hardened Portland cement paste during freezing. Proc. Highw. Res. Board. 1953, 32, 285–297. Available online: https://www.researchgate.net/publication/284872678_Theory_of_Volume_Changes_in_Hardened_Portland_Cement_Paste_During_Freezing (accessed on 13 August 2022).
- Aiken, T.A.; Kwasny, J. Mechanical and durability properties of alkali-activated fly ash concrete with increasing slag content. Constr. Build. Mater. 2021, 301, 124330. [Google Scholar] [CrossRef]
- Yang, H.; Zhou, S.; Jie, S. Effect of air void parameters on properties of air entraining concrete. Water Power 2009, 35, 18–19. Available online: http://en.cnki.com.cn/Article_en/CJFDTOTAL-SLFD200901008.htm (accessed on 13 August 2022).
- Chang-Seon, S.A.; Arman, A.B. Determination of air-void system and modified frost resistance number for freeze-thaw resistance evaluation of ternary blended concrete made of ordinary Portland cement/silica fume/class F fly ash-ScienceDirect. Cold Reg. Sci. Technol. 2018, 155, 127–136. [Google Scholar] [CrossRef]
- Wang, K.; Lomboy, G.; Steffes, R. Investigation into Freezing-Thawing Durability of Low-Permeability Concrete with and without Air Entraining Agent. 2009. Available online: http://ctre.iastate.edu/research/detail.cfm?projectID-370307518 (accessed on 13 August 2022).
- Ley, M.T.; Welchel, D.; Peery, J. Determining the air-void distribution in fresh concrete with the Sequential Air Method. Constr. Build. Mater. 2017, 150, 723–737. [Google Scholar] [CrossRef]





























| Representative Scholar | Main Achievement | Research Method |
|---|---|---|
| Wang et al. [25] | Bubble structures were investigated at different scales, but many problems in the stability mechanism still wait to be resolved. | Literature review |
| Saulnier et al. [34] | Small-surface elastic modulus films had much shorter lifetimes than rigid interface films. | Film rupture test |
| Naire et al. [35] | Stable water films could be formed at high surfactant concentrations. | Mathematical model |
| Zhang et al. [36] | Systems with higher surface elasticity had greater bubble stability, and increasing the surface viscosity of the liquid film inhibited the thinning of the surface film. | Interfacial tension relaxation experiment |
| Representative Scholar | Main Achievement | Research Object |
|---|---|---|
| Moradian et al. [22] | Under low ionic strength, the bubble aggregation tendency increased. | Bubbles in fresh concrete |
| Ding et al. [37] | Under higher strength of the single-molecule liquid film, the bubble stability was greater. | Bubbles in solution |
| Zhang et al. [23] | The surface tension and surface viscoelastic properties of the gas–liquid interface affected its stability. | Bubbles in solution |
| Ley et al. [38] | The solid shell strength affected the bubble stability. | Bubbles in mortar |
| Petit et al. [39] | The interface must be in contact with the particles for at least 0.5 s to form fully covered and stable bubbles. | Bubbles in cement-based slurries |
| Group No. | Splitting Tensile Strength/Mpa | Tensile Ratio |
|---|---|---|
| JZ | 3.016 | 0.0682 |
| A | 2.873 | 0.0736 |
| B | 2.756 | 0.0772 |
| C | 2.403 | 0.0764 |
Publisher’s Note: MDPI stays neutral with regard to jurisdictional claims in published maps and institutional affiliations. |
© 2022 by the authors. Licensee MDPI, Basel, Switzerland. This article is an open access article distributed under the terms and conditions of the Creative Commons Attribution (CC BY) license (https://creativecommons.org/licenses/by/4.0/).
Share and Cite
Xiang, S.; Tan, Y.; Gao, Y.; Jiang, Z.; Liu, B.; Zeng, W. Bubble Evolution under the Action of Polycarboxylate and Air-Entraining Agent and Its Effects on Concrete Properties—A Review. Materials 2022, 15, 7053. https://doi.org/10.3390/ma15207053
Xiang S, Tan Y, Gao Y, Jiang Z, Liu B, Zeng W. Bubble Evolution under the Action of Polycarboxylate and Air-Entraining Agent and Its Effects on Concrete Properties—A Review. Materials. 2022; 15(20):7053. https://doi.org/10.3390/ma15207053
Chicago/Turabian StyleXiang, Shuncheng, Yansheng Tan, Yingli Gao, Zhen Jiang, Bin Liu, and Wei Zeng. 2022. "Bubble Evolution under the Action of Polycarboxylate and Air-Entraining Agent and Its Effects on Concrete Properties—A Review" Materials 15, no. 20: 7053. https://doi.org/10.3390/ma15207053
APA StyleXiang, S., Tan, Y., Gao, Y., Jiang, Z., Liu, B., & Zeng, W. (2022). Bubble Evolution under the Action of Polycarboxylate and Air-Entraining Agent and Its Effects on Concrete Properties—A Review. Materials, 15(20), 7053. https://doi.org/10.3390/ma15207053

