Influence of Fe2O3, MgO and Molarity of NaOH Solution on the Mechanical Properties of Fly Ash-Based Geopolymers
Abstract
1. Introduction
2. Materials and Methods
2.1. Materials
2.2. Synthesis of Geopolymer
3. Results and Discussions
3.1. Flexural Strength
3.2. Compressive Strength
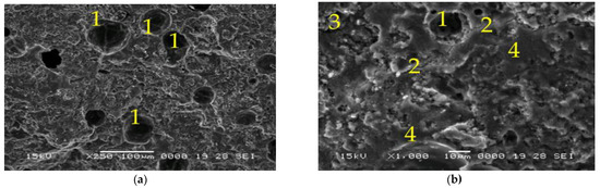
3.3. Scanning Electron Microscopy and Energy Dispersive Spectroscopy Analysis
3.4. X-Ray Diffraction (XRD) Analysis
- -
- The hardness of the crystallites as well as the specific crystallization system directly influences the compressive strength of the material;
- -
- In the crystallite contact zone, for the crystallite combinations identified in the geopolymer material prepared with 6M NaOH solution, the cohesive energy would be higher than the cohesive energy specific to the intercrystallite contact zone of the geopolymer prepared with 8M NaOH solution.
4. Conclusions
- The compressive and flexural strength of the 6MX1 specimen is higher than the other specimens (6M, 8M and 8MX1).
- SEM micrographs reveal areas with fewer pores and fewer cracks for samples obtained with lower molarity of sodium hydroxide solution and smaller pore size.
- XRD analysis shows the presence of quartz, calcite, feldspar and mullite in samples obtained with a molarity of 6M of sodium hydroxide solution, and quartz and feldspar in samples obtained with a molarity of 8M.
- The EDS data show that the major reaction product is formed of zeolitic-type hydroaluminosilicates with slight tendencies to form carbonate varieties of sodium and calcium hydroaluminosilicates.
- The addition of Fe2O3 and MgO to a geopolymer improves its physico-mechanical properties.
- -
- The chemical, oxidic and mineralogical composition of the raw material used (flz ash) is specific only to the main source from which was provided and, according to the literature, has a major influence on the physico-mechanical characteristics of the geopolymer matrix;
- -
- The NaOH solution used to prepare the alkaline liquid was prepared with local raw materials;
- -
- Although some specifications in the literature analyse the influence of Fe and Mg oxides on the performance of geopolymer materials, in this case, these oxides do not represent the input of the basic raw material (fly ash), but are introduced as a controlled addition;
- -
- The mix-design ratio and production technology are obtained following the analysis of literature but customized to the availability of resources and equipment. It is known that reproducibility is strongly influenced by the particularities of the materials and production techniques.
Author Contributions
Funding
Institutional Review Board Statement
Informed Consent Statement
Data Availability Statement
Acknowledgments
Conflicts of Interest
References
- Shahmansouri, A.A.; Yazdani, M.; Ghanbari, S.; Akbarzadeh Bengar, H.; Jafari, A.; Farrokh Ghatte, H. Artificial neural network model to predict the compressive strength of eco-friendly geopolymer concrete incorporating silica fume and natural zeolite. J. Clean. Prod. 2021, 279, 123697. [Google Scholar] [CrossRef]
- Kabirifar, K.; Mojtahedi, M.; Wang, C.; Tam, V.W.Y. Construction and demolition waste management contributing factors coupled with reduce, reuse, and recycle strategies for effective waste management: A review. J. Clean. Prod. 2020, 263, 121265. [Google Scholar] [CrossRef]
- Khasreen, M.M.; Banfill, P.F.; Menzies, G.F. Life-cycle assessment and the environmental impact of buildings: A review. Sustainability 2009, 1, 674–701. [Google Scholar] [CrossRef]
- Fernando, S.; Gunasekara, C.; Law, D.W.; Nasvi, M.C.M.; Setunge, S.; Dissanayake, R. Life cycle assessment and cost analysis of fly ash–rice husk ash blended alkaliactivated concrete. J. Environ. Manag. 2021, 295, 113140. [Google Scholar] [CrossRef]
- Kazmi, S.M.S.; Munir, M.J.; Wu, Y.-F. Application of waste tire rubber and recycled aggregates in concrete products: A new compression casting approach. Resour. Conserv. Recycl. 2021, 167, 105353. [Google Scholar] [CrossRef]
- Munir, M.J.; Kazmi, S.M.S.; Wu, Y.-F.; Patnaikuni, I.; Zhou, Y.; Xing, F. Stress strain performance of steel spiral confined recycled aggregate concrete. Cem. Concr. Compos. 2020, 108, 103535. [Google Scholar] [CrossRef]
- Munir, M.J.; Kazmi, S.M.S.; Wu, Y.-F.; Patnaikuni, I.; Wang, J.; Wang, Q. Development of a unified model to predict the axial stress–strain behavior of recycled aggregate concrete confined through spiral reinforcement. Eng. Struct. 2020, 218, 110851. [Google Scholar] [CrossRef]
- Jamora, J.B.; Gudia, S.E.L.; Go, A.W.; Giduquio, M.B.; Loretero, M.E. Potential CO2 reduction and cost evaluation in use and transport of coal ash as cement replacement: A case in the Philippines. Waste Manag. 2020, 103, 137–145. [Google Scholar] [CrossRef]
- Damtoft, J.S.; Lukasik, J.; Herfort, D.; Sorrentino, D.; Gartner, E.M. Sustainable development and climate change initiatives. Cem. Concr. Res. 2008, 38, 115–127. [Google Scholar] [CrossRef]
- Juenger, M.C.G.; Winnefeld, F.; Provis, J.L.; Ideker, J.H. Advances in alternative cementitious binders. Cem. Concr. Res. 2011, 41, 1232–1243. [Google Scholar] [CrossRef]
- Davidovits, J. Global warming impact on the cement and aggregates industries. World Resour. Rev. 1994, 6, 263–278. [Google Scholar]
- Zhou, W.; Yan, C.; Duan, P.; Liu, Y.; Zhang, Z.; Qiu, X.; Li, D. A comparative study of high- and low-Al2O3 fly ash based-geopolymers: The role of mix proportion factors and curing temperature. Mater. Des. 2016, 95, 63–74. [Google Scholar] [CrossRef]
- Rashad, A.M. A comprehensive overview about the influence of different admixtures and additives on the properties of alkali-activated fly ash. Mater. Des. 2014, 53, 1005–1025. [Google Scholar] [CrossRef]
- Dehghani, A.; Aslani, F.; Ghaebi Panah, N. Effects of initial SiO2/Al2O3 molar ratio and slag on fly ash-based ambient cured geopolymer properties. Constr. Build. Mater. 2021, 293, 123527. [Google Scholar] [CrossRef]
- Toader, T.P.; Mircea, A.C. Self-healing concrete mix-design based on engineered cementitious composites principles. Proceedings 2020, 63, 5. [Google Scholar]
- Toader, T.P.; Mircea, A.C. Designing concrete with self-healing properties using engineered cementitious composites as a model. IOP Conf. Ser. Mater. Sci. Eng. 2020, 877, 012035. [Google Scholar]
- Davidovits, J. Ancient and modern concretes: What is the real difference? Concr. Int. 1984, 9, 23–35. [Google Scholar]
- Palomo, A.; Lopez de la Fuente, J.I. Alkali-activated cementitious materials: Alternative matrices for the immobilisation of hazardous wastes. part I: Stabilisation of boron. Cem. Concr. Res. 2003, 33, 281–288. [Google Scholar] [CrossRef]
- Bland, W.; Roll, D. Weathering: An Introduction to the Scientific Principles; Arnolds: London, UK, 1998. [Google Scholar]
- Gomes, K.C.; Torres, S.M.; De Barros, S.; Barbosa, N.P. Geopolymer Bonded Steel Plates. In Proceedings of the ETDCM8—8th Seminar on Experimental Techniques and Design in Composite Materials, Sant’Elmo Beach Hotel, Castiadas, Costa Rei, Sardinia, Italy, 3–6 October 2007. [Google Scholar]
- Gomes, K.C.; Torres, S.M.; de Barros, S.S.; Barbosa, N.P. Solid Mechanics in Brazil 09. In Associação Brasileira de Engenharia e Ciências Mecânicas; Mattos, H.S.C., Alves, M., Eds.; ABCM: Rio de Janeiro, Brazil, 2009; Volume 2. [Google Scholar]
- Komnitsas, K.; Zaharaki, D. Structure, Processing, Properties and Industrial Applications PART II: Manufacture and Properties of Geopolymers; Provis, J., van Deventer, J.S.J., Eds.; CRC Press: Boca Raton, FL, USA; Woodhead Publishing Ltd.: Oxford, UK, 2009. [Google Scholar]
- Rashad, A.M. A comprehensive overview about the influence of different additives on the properties of alkali-activated slag—A guide for civil engineer. Constr. Build. Mater. 2015, 47, 29–55. [Google Scholar] [CrossRef]
- Palacios, M.; Puertas, F. Effect of shrinkage-reducing admixtures on the properties of alkali-activated slag mortars and pastes. Cem. Concr. Res. 2007, 37, 691–702. [Google Scholar] [CrossRef]
- Collins, F.; Sanjayan, J.G. Effect of pore size distribution on drying shrinking of alkali-activated slag concrete. Cem. Concr. Res. 2000, 30, 1401–1406. [Google Scholar] [CrossRef]
- Lou, Z.; Ye, Q.; Chen, H.; Wang, Y.; Shen, J. Hydration of MgO in clinker and its expansion property. J. Chin. Ceram. Soc. 1998, 26, 430–436. [Google Scholar]
- Gao, P.-W.; Wu, S.-X.; Lu, X.-L.; Deng, M.; Lin, P.-H.; Wu, Z.-R.; Tang, M.-S. Soundness evaluation of concrete with MgO. Constr. Build. Mater. 2007, 21, 132–138. [Google Scholar] [CrossRef]
- Cincotto, M.A.; Melo, A.A.; Repette, W.L. Effect of different activators type and dosages and relation to autogenous shrinkage of activated blast furnace slag cement. In Proceedings of the 11th International Congress on the Chemistry of Cement, Durban, South Africa, 11–16 May 2003; Grieve, G., Owens, G., Eds.; pp. 1878–1888. [Google Scholar]
- Collins, F.; Sanjayan, J.G. Workability and mechanical properties of alkali activated slag concrete. Cem. Concr. Res. 1999, 29, 455–458. [Google Scholar] [CrossRef]
- Bakharev, T.; Sanjayan, J.G.; Cheng, Y.B. Alkali activation of Australian slag cements. Cem. Concr. Res. 1999, 29, 113–120. [Google Scholar] [CrossRef]
- Puligilla, S.; Mondal, P. Role of slag in microstructural development and hardening of fly ash-slag geopolymer. Cem. Concr. Res. 2013, 43, 70–80. [Google Scholar] [CrossRef]
- Shi, C. Strength, pore structure and permeability of alkali-activated slag mortars. Cem. Concr. Res. 1996, 26, 1789–1799. [Google Scholar] [CrossRef]
- Shi, C.; Day, R.L. Some factors affecting early hydration of alkali-slag cements. Cem. Concr. Res. 1996, 26, 439–447. [Google Scholar] [CrossRef]
- Krizan, D.; Zivanovic, B. Effects of dosage and modulus of water glass on early hydration of alkali-slag cements. Cem. Concr. Res. 2002, 32, 1181–1188. [Google Scholar] [CrossRef]
- Andersson, R.; Gram, H.E. Properties of alkali-activated slag. In Alkali-Activated Slag; Sweedish Cement and Concrete Institute Report 1.88; Anderson, R., Gram, H.E., Malolepszy, J., Deja, J., Eds.; Sweedish Cement and Concrete Institute: Stockholm, Sweden, 1988; pp. 9–65. [Google Scholar]
- Hikkinen, T. The influence of slag content on the microstructure, permeability and mechanical properties of concrete Part 1 Microstructural studies and basic mechanical properties. Cem. Concr. Res. 1993, 23, 407–421. [Google Scholar] [CrossRef]
- Kutti, T.; Berntsson, L.; Chandra, S. Shrinkage of cements with high content of blast-furnace slag. In Proceedings of the Fourth CANMET/ACI International Conference on Fly Ash, Silica Fume, Slag and Natural Pozzolans in Concrete, Istanbul, Turkey, 3–8 May 1992; pp. 615–625. [Google Scholar]
- Douglas, E.; Bilodeau, A.; Malhotra, V.M. Properties and durability of alkali-activated slag concrete. ACI Mater. J. 1992, 89, 509–516. [Google Scholar]
- Li, Y.; Sun, Y. Preliminary study on combined-alkali–slag paste materials. Cem. Concr. Res. 2000, 30, 963–966. [Google Scholar] [CrossRef]
- Melo Neto, A.A.; Cincotto, M.A.; Repette, W. Drying and autogenous shrinkage of pastes and mortars with activated slag cement. Cem. Concr. Res. 2008, 38, 565–574. [Google Scholar] [CrossRef]
- Holt, E.E. Early Age Autogenous Shrinkage of Concrete; Technical Research Center of Finland: Espoo, Finland, 2001; p. 446. [Google Scholar]
- Ben Haha, M.; Lothenbach, B.; Le Saout, G.; Winnefeld, F. Influence of slag chemistry on the hydration of alkali-activated blast-furnace slag—Part I: Effect of MgO. Cem. Concr. Res. 2011, 41, 955963. [Google Scholar]
- Shen, W.; Wang, Y.; Zhang, T.; Zhou, M.; Li, J.; Cui, X.J. Magnesia modification of alkali-activated slag fly ash cement. J. Wuhan Univ. Technol. Mater. Sci. Ed. 2011, 26, 121. [Google Scholar] [CrossRef]
- Jin, F.; Gu, K.; Al-Tabbaa, A. Strength and drying shrinkage of reactive MgO modified alkali-activated slag paste. Constr. Build. Mater. 2014, 51, 395–404. [Google Scholar] [CrossRef]
- Marjanović, N.; Komljenović, M.; Baščarević, Z.; Nikolić, V. Improving reactivity of fly ash and properties of ensuing geopolymers through mechanical activation. Constr. Build. Mater. 2014, 57, 151–162. [Google Scholar] [CrossRef]
- Fernández-Jiménez, A.; Palomo, A. Composition and microstructure of alkali activated fly ash binder: Effect of the activator. Cem. Concr. Res. 2005, 35, 1984–1992. [Google Scholar] [CrossRef]
- Kumar, S.; Kristály, F.; Mucsi, G. Geopolymerisation behaviour of size fractioned fly ash. Adv. Powder Technol. 2015, 26, 24–30. [Google Scholar] [CrossRef]
- Davidovits, J. Geopolymer Chemistry and Applications, 3rd ed.; Institute Geopolymer: Saint-Quentin, France, 2011. [Google Scholar]
- Abullah, M.M.; Hussin, K.; Bnhussain, M.; Ismail, K.; Ibrahim, N. Mechanism and chemical reaction of fly ash geopolymer cement—A review. Int. J. Pure Appl. Sci. Technol. 2011, 6, 35–44. [Google Scholar]
- Lăzărescu, A.; Szilagyi, H.; Baeră, C.; Hegyi, A. Alternative concrete—Geopolymer concrete. Emerging research and opportunities. Mater. Res. Found. 2021, 109, 138. [Google Scholar]
- Tahir, M.F.M.; Abdullah, M.M.A.B.; Rahim, S.Z.A.; Mohd Hasan, M.R.; Sandu, A.V.; Vizureanu, P.; Ghazali, C.M.R.; Kadir, A.A. Mechanical and durability analysis of fly ash based geopolymer with various compositions for rigid pavement applications. Materials 2022, 15, 3458. [Google Scholar] [CrossRef] [PubMed]
- Khale, D.; Chaudhary, R. Mechanism of geopolymerization and factors influencing its development: A review. J. Mater. Sci. 2007, 42, 729–746. [Google Scholar] [CrossRef]
- Shukla, A.; Chaurasia, A.K.; Mumtaz, Y.; Pandey, G. Effect of Sodium Oxide on Physical and Mechanical properties of Fly-Ash based geopolymer composites. Indian J. Sci. Technol. 2020, 13(38), 3994–4002. [Google Scholar] [CrossRef]
- Chindaprasirt, P.; Jaturapitakkul, C.; Chalee, W.; Rattanasak, U. Comparative study on the characteristics of fly ash and bottom ash geopolymers. Waste Manag. 2009, 29, 539–543. [Google Scholar] [CrossRef] [PubMed]
- Arafa, T.A.; Ali, A.Z.M.; Awal, A.S.M.A.; Loon, L.Y. Optimum mix of fly ash binder based on workability and compressive strength. IOP Conf. Ser. Earth Environ. Sci. 2018, 140, 01215. [Google Scholar]
- Dong, M.; Elchalakani, M.; Karrech, A. Development of high strength one-part geopolymer mortar using sodium metasilicate. Constr. Build. Mater. 2020, 236, 117611. [Google Scholar] [CrossRef]
- Yousefi Oderji, S.; Chen, B.; Ahmad, M.R.; Shah, S.F.A. Fresh and hardened properties of one-part fly ash-based geopolymer binders cured at room temperature: Effect of slag and alkali activators. J. Clean. Prod. 2019, 225, 1–10. [Google Scholar] [CrossRef]
- Askarian, M.; Tao, Z.; Samali, B.; Adam, G.; Shuaibu, R. Mix composition and characterisation of one-part geopolymers with different activators. Constr. Build. Mater. 2019, 225, 526–537. [Google Scholar] [CrossRef]
- Georgescu, M.; Cătănescu, I.; Voicu, G. Microstructure of some fly ash based geopolimer binders. Rev. Romana De Mater. 2011, 41, 183–191. [Google Scholar]
- Kaya, M.; Koksal, F.; Gencel, O.; Munir, M.J.; Kazmi, S.M.S. Influence of micro Fe2O3 and MgO on the physical and mechanical properties of the zeolite and kaolin based geopolymer mortar. J. Build. Eng. 2022, 52, 104443. [Google Scholar] [CrossRef]
- Lăzărescu, A.-V.; Szilagyi, H.; Baeră, C.; Ioani, A. Parameters affecting the mechanical properties of fly ash-based geopolymer binders—Experimental results. IOP Conf. Ser. Mat. Sci. Eng. 2018, 374, 012035. [Google Scholar] [CrossRef]
- Ng, H.T.; Heah, C.Z.; Liew, Y.M. The effect of various molarities of NaOH soluton on fly ash geopolymer paste. AIP Conf. Proc. 2045 2018, 2018, 020098. [Google Scholar]
- Hardjito, D.; Wallah, S.E.; Sumajouw, D.M.J.; Rangan, B.V. On the development of fly ash-based geopolymer concrete. Mater. J. 2004, 101, 467–472. [Google Scholar]
- Ibrahim, W.M.W.; Abdullah, M.M.A.B.; Ahmad, R.; Sandu, A.V.; Vizureanu, P.; Benjeddou, O.; Rahim, A.; Ibrahim, M.; Sauffi, A.S. Chemical distributions of different sodium hydroxide molarities on fly ash/dolomite-based geopolymer. Materials 2022, 15, 6163. [Google Scholar] [CrossRef] [PubMed]
- Nordin, N.; Abdullah, M.M.B.B.; Tahir, M.F.M.; Sandu, A.V.; Hussin, K. Utilization of fly ash waste as construction material. Int. J. Conserv. Sci. 2016, 7, 161–166. [Google Scholar]
- Burduhos Negris, D.D.; Abdullah, M.; Vizureanu, P.; Tahir, M.F.M. Geopolymers and their uses. IOP Conf. Ser. Mat. Science Eng. 2018, 374, 012019. [Google Scholar] [CrossRef]
- Bouaissi, A.; Li, L.Y.; Moga, L.M.; Sandu, I.G.; Abdullah, M.M.A.; Sandu, A.V. A review on fly ash as a raw cementitious material for geopolymer concrete. Rev. Chim. 2018, 69, 1661–1667. [Google Scholar] [CrossRef]
- Shahedan, N.F.; Abdullah, M.M.A.; Hussin, K.; Sandu, I.; Ghazali, C.M.R.; Binhussain, M.; Yahya, Z.; Sandu, A.V. Characterization and design of alkali activated binder for coaling application. Technology 2014, 51, 258–262. [Google Scholar]
- Razak, R.A.; Abdullah, M.M.A.; Hussin, K.; Ismail, K.N.; Sandu, I.G.; Hardjito, D.; Yahya, Z.; Sandu, A.V. Assessment on the potential of volcano ash as artificial lightweight aggregates using geopolymerisation method. Rev. Chim. 2014, 65, 828–834. [Google Scholar]
- Abdullah, M.M.A.; Tahir, M.F.M.; Hussin, K.; Binhussain, M.; Sandu, I.G.; Yahya, Z.; Sandu, A.V. Fly ash based lightweight geopolymer concrete using foaming agent technology. Rev. Chim. 2015, 66, 1001–1003. [Google Scholar]
- Ibrahim, W.M.W.; Abdullah, M.M.A.; Sandu, A.V.; Hussin, K.; Sandu, I.G.; Ismail, K.N.; Radir, A.A.; Binhussain, M. Processing and characterization of fly ash-based geopolymer bricks. Rev. Chim. 2014, 65, 1340–1345. [Google Scholar]
- Nergis, D.D.B.; Vizureanu, P.; Sandu, A.V.; Nergis, D.P.B.; Bejinariu, C. XRD and TG-DTA study of new phosphate-based geopolymers with coal ash or metakaolin as aluminosilicate source and mine tailings addition. Materials 2022, 15, 202. [Google Scholar] [CrossRef] [PubMed]
- Abdila, S.R.; Abdullah, M.M.A.; Ahmad, R.; Nergis, D.D.B.; Rahim, S.Z.A.; Omar, M.F.; Sandu, A.V.; Vizureanu, P. Potential of soil stabilization using ground granulated blast furnace slag (GGBFS) and fly ash via geopolymerization method: A review. Materials 2022, 15, 375. [Google Scholar] [CrossRef] [PubMed]
- Huang, Y.; Yilmaz, E.; Cao, S. Analysis of strength and microstructural characteristics of mine backfills containing fly ash and desulfurized gypsum. Minerals 2021, 10, 922. [Google Scholar] [CrossRef]
- Li, J.; Cao, S.; Yilmaz, E. Characterization of macro mechanical properties and microstructures of cement-based composites prepared from fly ash, desulfurized gypsum, and steel slag. Minerals 2021, 12, 6. [Google Scholar] [CrossRef]













| Oxides | SiO2 | Al2O3 | Fe2O3 | CaO | MgO | SO3 | Na2O | K2O | TiO2 | L.O.I |
| F.A % | 46.9 | 23.8 | 10.1 | 10.7 | 2.7 | 0.5 | 0.6 | 1.7 | 0.9 | 2.1 |
| Sample (NaOH conc.) | ||||||
|---|---|---|---|---|---|---|
| 6M (6M) | 267 | 240.30 | 2 | 0.9 | ||
| 6MX1 (6M) | 267 | 2.67 | 2.67 | 245.10 | 2 | 0.9 |
| 8M (8M) | 267 | - | - | 240.30 | 2 | 0.9 |
| 8MX1 (8M) | 267 | 2.67 | 2.67 | 245.10 | 2 | 0.9 |
| 6M | Element | O | Si | Al | Na | Fe | Ca | K | Mg | Ti |
| Weight% | 44.9 | 27.4 | 10.1 | 7.9 | 4.1 | 2.4 | 1.5 | 1.2 | 0.5 | |
| σ | 0.2 | 0.1 | 0.1 | 0.1 | 0.1 | 0.1 | 0.0 | 0.0 | 0.1 | |
| 6MX1 | Element | O | Si | Al | Na | Fe | Ca | K | Mg | Ti |
| Weight% | 40.1 | 27.1 | 9.6 | 8.1 | 5.7 | 4.6 | 2.3 | 1.8 | 0.7 | |
| σ | 0.2 | 0.2 | 0.1 | 0.1 | 0.2 | 0.1 | 0.1 | 0.1 | 0.1 | |
| 8M | Element | O | Si | Al | Na | Fe | Ca | K | Mg | Ti |
| Weight% | 42.0 | 28.5 | 9.4 | 9.2 | 4.8 | 2.0 | 2.1 | 1.2 | 0.7 | |
| σ | 0.2 | 0.2 | 0.1 | 0.1 | 0.1 | 0.1 | 0.1 | 0.0 | 0.1 | |
| 8MX1 | Element | O | Si | Al | Na | Fe | Ca | K | Mg | Ti |
| Weight% | 41.7 | 25.2 | 8.9 | 8.1 | 6.5 | 3.8 | 2.7 | 2.8 | 0.4 | |
| σ | 0.2 | 0.2 | 0.1 | 0.1 | 0.2 | 0.1 | 0.1 | 0.1 | 0.1 |
Publisher’s Note: MDPI stays neutral with regard to jurisdictional claims in published maps and institutional affiliations. |
© 2022 by the authors. Licensee MDPI, Basel, Switzerland. This article is an open access article distributed under the terms and conditions of the Creative Commons Attribution (CC BY) license (https://creativecommons.org/licenses/by/4.0/).
Share and Cite
Ionescu, B.A.; Chira, M.; Vermeșan, H.; Hegyi, A.; Lăzărescu, A.-V.; Thalmaier, G.; Neamțu, B.V.; Gabor, T.; Sur, I.M. Influence of Fe2O3, MgO and Molarity of NaOH Solution on the Mechanical Properties of Fly Ash-Based Geopolymers. Materials 2022, 15, 6965. https://doi.org/10.3390/ma15196965
Ionescu BA, Chira M, Vermeșan H, Hegyi A, Lăzărescu A-V, Thalmaier G, Neamțu BV, Gabor T, Sur IM. Influence of Fe2O3, MgO and Molarity of NaOH Solution on the Mechanical Properties of Fly Ash-Based Geopolymers. Materials. 2022; 15(19):6965. https://doi.org/10.3390/ma15196965
Chicago/Turabian StyleIonescu, Brăduț Alexandru, Mihail Chira, Horațiu Vermeșan, Andreea Hegyi, Adrian-Victor Lăzărescu, Gyorgy Thalmaier, Bogdan Viorel Neamțu, Timea Gabor, and Ioana Monica Sur. 2022. "Influence of Fe2O3, MgO and Molarity of NaOH Solution on the Mechanical Properties of Fly Ash-Based Geopolymers" Materials 15, no. 19: 6965. https://doi.org/10.3390/ma15196965
APA StyleIonescu, B. A., Chira, M., Vermeșan, H., Hegyi, A., Lăzărescu, A.-V., Thalmaier, G., Neamțu, B. V., Gabor, T., & Sur, I. M. (2022). Influence of Fe2O3, MgO and Molarity of NaOH Solution on the Mechanical Properties of Fly Ash-Based Geopolymers. Materials, 15(19), 6965. https://doi.org/10.3390/ma15196965

