Synthesis, Linear and Nonlinear Optical Properties of Ag/Al2O3 Nanocomposites
Abstract
:1. Introduction
2. Materials and Methods
2.1. Synthesis
2.2. Characterization
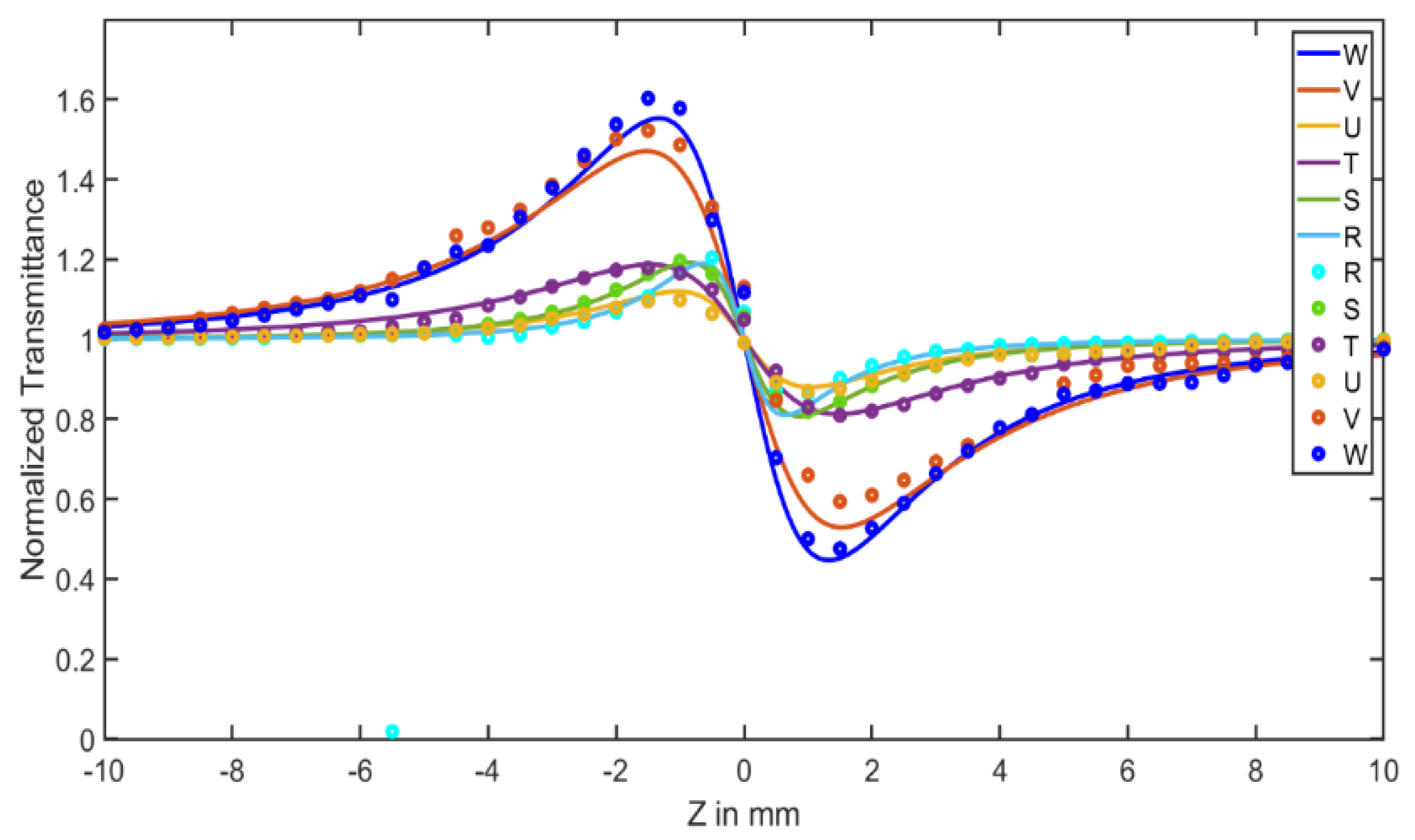
3. Results and Discussion
4. Conclusions
Author Contributions
Funding
Institutional Review Board Statement
Informed Consent Statement
Data Availability Statement
Conflicts of Interest
References
- Arivuoli, D. Fundamentals of nonlinear optical materials. Pramana 2001, 57, 871–883. [Google Scholar] [CrossRef]
- Ricard, D.; Roussignol, P.; Flytzanis, C. Surface-mediated enhancement of optical phase conjugation in metal colloids. Opt. Lett. 1985, 10, 511–513. [Google Scholar] [CrossRef] [PubMed]
- Yang, G.; Wang, W.; Zhou, Y.; Lu, H.; Yang, G.; Chen, Z. Linear and nonlinear optical properties of Ag nanocluster/BaTiO3 composite films. Appl. Phys. Lett. 2002, 81, 3969–3971. [Google Scholar] [CrossRef]
- Huang, W.C.; Lue, J.T. Quantum size effect on the optical properties of small metallic particles. Phys. Rev. B 1994, 49, 17279–17285. [Google Scholar] [CrossRef] [PubMed]
- Chen, P.; Wu, X.; Sun, X.; Lin, J.; Ji, W.; Tan, K.L. Electronic Structure and Optical Limiting Behavior of Carbon Nanotubes. Phys. Rev. Lett. 1999, 82, 2548–2551. [Google Scholar] [CrossRef]
- Awasthi, K.; Singh, A.K.; Srivastava, O.N. Formation of carbon nanotubes without iron inclusion and their alignment through ferrocene and ferrocene-ethylene pyrolysis. J. Nanosci. Nanotechnol. 2003, 3, 540–544. [Google Scholar] [CrossRef]
- Cao, Y.; Li, J.; Sun, M.; Liu, H.; Xia, L. Nonlinear Optical Microscopy and Plasmon Enhancement. Nanomaterials 2022, 12, 1273. [Google Scholar] [CrossRef]
- Smirnova, T.N.; Rudenko, V.I.; Hryn, V.O. Nonlinear Optical Properties of Polymer Nanocomposites with a Random and Periodic Distribution of Silver Nanoparticles. In Proceedings of the International Conference on Nanotechnology and Nanomaterials, Moscow, Russia, 30–31 August 2007; Springer: Cham, Switzerland, 2007. [Google Scholar] [CrossRef]
- Farahmandjou, M.; Golabiyan, N. Synthesis and characterization of Alumina. Int. J. Bio Inorg. Hybr. Nanomater 2016, 5, 73–77. [Google Scholar]
- Sato, R.; Momida, H.; Ohnuma, M.; Sasase, M.; Ohno, T.; Kishimoto, N.; Takeda, Y. Experimental dispersion of the third order optical susceptibility of Ag nanoparticles. J. Opt. Soc. Am. B 2012, 29, 2410–2413. [Google Scholar] [CrossRef]
- Sato, R.; Ohnuma, M.; Oyoshi, K.; Takeda, Y. Experimental investigation of nonlinear optical properties of Ag nanoparticles: Effects of size quantization. Phys. Rev. B 2014, 90, 125417. [Google Scholar] [CrossRef]
- Sato, R.; Ohnuma, M.; Oyoshi, K.; Takeda, Y. Spectral investigation of nonlinear local field effects in Ag nanoparticles. J. Appl. Phys. 2015, 117, 113101. [Google Scholar] [CrossRef]
- Karakurt, I.; Adams, C.H.; Leiderer, P.; Boneberg, J.; Haglund, J.R.F. Nonreciprocal switching of VO_2 thin films on microstructured surfaces. Opt. Lett. 2010, 35, 1506–1508. [Google Scholar] [CrossRef] [PubMed]
- Del Coso, R.; Requejo-Isidro, J.; Solis, J.; Gonzalo, J.; Afonso, C.N. Third order nonlinear optical susceptibility of Cu:Al2O3 nanocomposites: From spherical nanoparticles to the percolation threshold. J. Appl. Phys. 2004, 95, 2755–2762. [Google Scholar] [CrossRef]
- Can-Uc, B.; López, J.; Lizarraga-Medina, E.G.; Borbon-Nuñez, H.A.; Rangel-Rojo, R.; Marquez, H.; Tiznado, H.; Jurado, J.A.; Onzález, G.; Hirata-Flores, G. Third-order nonlinear optical properties of a multi-layer Al2O3/ZnO for nonlinear optical waveguides. Opt. Express 2019, 27, 17359. [Google Scholar] [CrossRef] [PubMed]
- Bakkali, H.; Blanco, E.; Domínguez, M.; Garitaonandia, J.S. Fabrication and optical properties of nanostructured plasmonic Al2O3/Au-Al2O3/Al2O3 Metamaterials. Nanotechnology 2017, 28, 335704. [Google Scholar] [CrossRef] [PubMed]
- Zhang, Y.-X.; Wang, Y.-H. Nonlinear optical properties of metal nanoparticles: A review. RSC Adv. 2017, 7, 45129–45144. [Google Scholar] [CrossRef]
- Shanshool, H.M.; Yahaya, M.; Yunus, W.M.M.; Abdullah, I.Y. Influence of CuO nanoparticles on third order nonlinearity and optical limiting threshold of polymer/ZnO nanocomposites. Opt. Quantum Electron. 2016, 49, 18. [Google Scholar] [CrossRef]
- Sugumaran, S.; Bellan, C.S.; Nadimuthu, M. Characterization of composite PVA–Al2O3 thin films prepared by dip coating method. Iran. Polym. J. 2015, 24, 63–74. [Google Scholar] [CrossRef]
- Soliman, T.; Vshivkov, S.; Elkalashy, S. Structural, linear and nonlinear optical properties of Ni nanoparticles—Polyvinyl alcohol nanocomposite films for optoelectronic applications. Opt. Mater. 2020, 107, 110037. [Google Scholar] [CrossRef]
- Liu, K.; Sun, D.; Xu, X.; Shan, W.; Yao, C.; Sun, W. Ultrafast third-order nonlinear optical response of CdSe/Al2O3/Ag composite films. Optik 2020, 217, 164907. [Google Scholar] [CrossRef]
- Sheik-Bahae, M.; Said, A.; Wei, T.-H.; Hagan, D.; Van Stryland, E. Sensitive measurement of optical nonlinearities using a single beam. IEEE J. Quantum Electron. 1990, 26, 760–769. [Google Scholar] [CrossRef]
- Abbasi, E.; Milani, M.; Aval, S.F.; Kouhi, M.; Akbarzadeh, A.; Nasrabadi, H.T.; Nikasa, P.; Joo, S.W.; Hanifehpour, Y.; Nejati-Koshki, K.; et al. Silver nanoparticles: Synthesis methods, bio-applications and properties. Crit. Rev. Microbiol. 2016, 42, 173–180. [Google Scholar] [CrossRef] [PubMed]
- Ghanipour, M.; Dorranian, D. Effect of Ag-Nanoparticles Doped in Polyvinyl Alcohol on the Structural and Optical Properties of PVA Films. J. Nanomater. 2013, 2013, 1–10. [Google Scholar] [CrossRef]
- Taha, T.A. Optical properties of PVC/Al2O3 nanocomposite films. Polym. Bull. 2018, 76, 903–918. [Google Scholar] [CrossRef]
- Naseri, F.; Dorranian, D. Effect of aluminum nanoparticles on the linear and nonlinear optical properties of PVA. Opt. Quantum Electron. 2016, 49, 4. [Google Scholar] [CrossRef]
- Ma, H.; Zhao, Y.; Shao, Y.; Lian, Y.; Zhang, W.; Hu, G.; Shao, J. Principles to tailor the saturable and reverse saturable absorption of epsilon-near-zero material. Photonics Res. 2021, 9, 678–686. [Google Scholar] [CrossRef]
- Can-Uc, B.; Rangel-Rojo, R.; Peña-Ramírez, A.; De Araújo, C.B.; Baltar, H.T.M.C.M.; Crespo-Sosa, A.; Garcia-Betancourt, M.L.; Oliver, A. Nonlinear optical response of platinum nanoparticles and platinum ions embedded in sapphire. Opt. Express 2016, 24, 9955–9965. [Google Scholar] [CrossRef]
- Ning, T.; Zhou, Y.; Shen, H.; Lu, H.; Sun, Z.; Cao, L.; Guan, D.; Zhang, D.; Yang, G. Nonlinear optical properties of Au/ZnO nanoparticle arrays. Appl. Surf. Sci. 2007, 254, 1900–1903. [Google Scholar] [CrossRef]
- Faraji, N.; Younus, W.M.M.; Kharazmi, A.; Saion, E.; Shahmiri, M.; Tamchek, N.; Yunus, W.M.M. Synthesis, characterization and nonlinear optical properties of silver/PVA nanocomposites. J. Eur. Opt. Soc. Publ. 2012, 7. [Google Scholar] [CrossRef]
- Jacinto, C.; Messias, D.; Andrade, A.; Lima, S.; Baesso, M.; Catunda, T. Thermal lens and Z-scan measurements: Thermal and optical properties of laser glasses—A review. J. Non-Crystalline Solids 2006, 352, 3582–3597. [Google Scholar] [CrossRef]
- Khurgin, J.B.; Sun, G.; Chen, W.T.; Tsai, W.-Y.; Tsai, D.P. Ultrafast Thermal Nonlinearity. Sci. Rep. 2015, 5, 17899. [Google Scholar] [CrossRef] [PubMed]
- Tanabe, T.; Taniyama, H.; Notomi, M. Role of carrier diffusion and recombination in photonic crystal nanocavity optical switches. J. Lightwave Technol. 2008, 6, 139–1403. [Google Scholar] [CrossRef]
- Hartland, G.V. Optical Studies of Dynamics in Noble Metal Nanostructures. Chem. Rev. 2011, 111, 3858–3887. [Google Scholar] [CrossRef] [PubMed]









| Sample | Sample Symbol | × 10−9 (cm2/W) | β × 10−4 (cm/W) | Re χ(3) × 10−6 (cm2/W) | Im χ(3) × 10−6 (cm/W) | χ(3) × 10−6 (esu) |
|---|---|---|---|---|---|---|
| Ag | R | 5.26 | 3.51 | 5.55 | 1.11 | 5.66 |
| Al2O3 | W | 5.57 | 3.79 | 5.78 | 1.31 | 5.93 |
| Ag/PVA | S | 2.25 | 2.80 | 2.33 | 1.68 | 2.87 |
| Al2O3/PVA | V | 2.10 | 2.67 | 2.02 | 1.46 | 2.49 |
| Ag/Al2O3/PVA1 | T | 2.40 | 3.07 | 2.85 | 1.32 | 3.14 |
| Ag/Al2O3/PVA2 | U | 2.92 | 3.16 | 3.03 | 1.65 | 3.46 |
Publisher’s Note: MDPI stays neutral with regard to jurisdictional claims in published maps and institutional affiliations. |
© 2022 by the authors. Licensee MDPI, Basel, Switzerland. This article is an open access article distributed under the terms and conditions of the Creative Commons Attribution (CC BY) license (https://creativecommons.org/licenses/by/4.0/).
Share and Cite
Kaniyarakkal, S.; Thomas, T.; Sadagopalan, S.K.; Jayamohan, L.; Muralimanohar, R.; Vasanthakumaryamma, L.; Sadasivan Nair, V. Synthesis, Linear and Nonlinear Optical Properties of Ag/Al2O3 Nanocomposites. Materials 2022, 15, 6322. https://doi.org/10.3390/ma15186322
Kaniyarakkal S, Thomas T, Sadagopalan SK, Jayamohan L, Muralimanohar R, Vasanthakumaryamma L, Sadasivan Nair V. Synthesis, Linear and Nonlinear Optical Properties of Ag/Al2O3 Nanocomposites. Materials. 2022; 15(18):6322. https://doi.org/10.3390/ma15186322
Chicago/Turabian StyleKaniyarakkal, Sharafudeen, Tiny Thomas, Saravana Kumar Sadagopalan, Lekshmi Jayamohan, Remya Muralimanohar, Lekshmi Vasanthakumaryamma, and Vijayakumar Sadasivan Nair. 2022. "Synthesis, Linear and Nonlinear Optical Properties of Ag/Al2O3 Nanocomposites" Materials 15, no. 18: 6322. https://doi.org/10.3390/ma15186322
APA StyleKaniyarakkal, S., Thomas, T., Sadagopalan, S. K., Jayamohan, L., Muralimanohar, R., Vasanthakumaryamma, L., & Sadasivan Nair, V. (2022). Synthesis, Linear and Nonlinear Optical Properties of Ag/Al2O3 Nanocomposites. Materials, 15(18), 6322. https://doi.org/10.3390/ma15186322

