Life Prediction Method of Dissimilar Lightweight Materials Welded Joints with Precrack under Coupled Impact-Fatigue Loading
Abstract
:1. Introduction
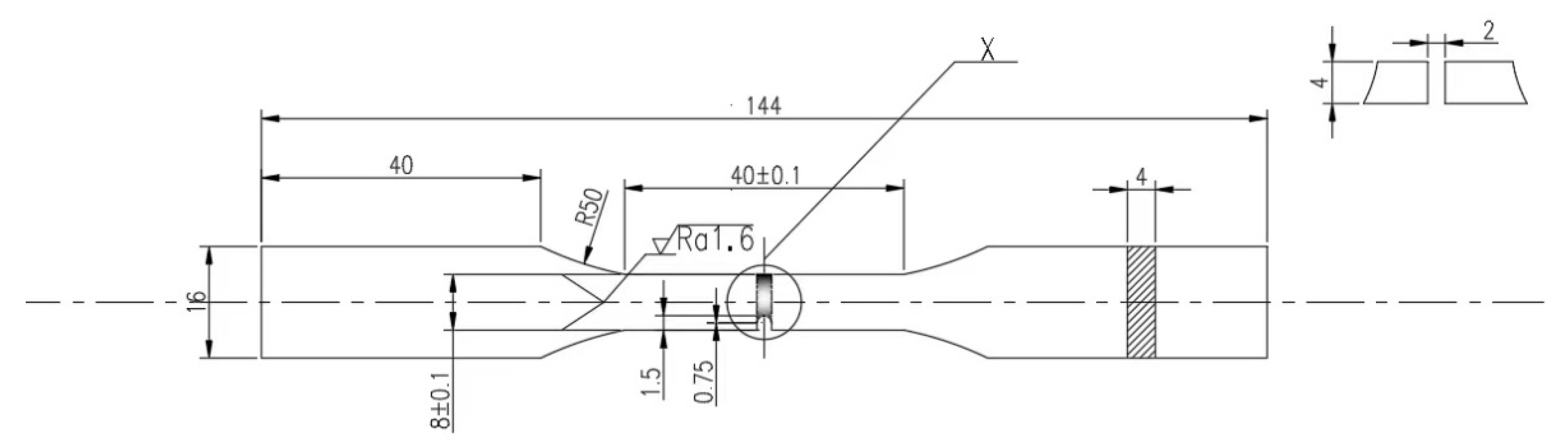
2. Experimental Research
2.1. Mechanical Properties
2.2. Impact Test
2.3. Mechanical Properties of Specimens after Impact Test
2.4. Fatigue Test
3. Finite Element Simulation
3.1. Finite Element Modeling
3.2. Impact Numerical Analysis
4. Fatigue Life Prediction Method
4.1. S-N Curve Life Assessment
4.2. Life Prediction Based on Continuum Damage Mechanics
4.2.1. Plastic Damage Model
4.2.2. Fatigue Damage Model
4.3. Fatigue Life Prediction Based on the Suggested Model
5. Conclusions
Author Contributions
Funding
Institutional Review Board Statement
Informed Consent Statement
Data Availability Statement
Conflicts of Interest
References
- Umesh, K.S.; Avanish, K.D. Study of joining performance of dissimilar Mg alloys in friction stir welding. Proc. Inst. Mech. Eng. Part C-J. Mech. Eng. Sci. 2021, 235, 3554–3562. [Google Scholar]
- Ma, H.; Qin, G. Interfacial microstructure evolution and mechanical properties of inertia friction welded aluminium alloy/stainless steel joint with preheat treatment. Mater. Sci. Eng. A 2022, 836, 142671. [Google Scholar] [CrossRef]
- Haigen, J.; Yedong, W. Effect of Multilayer and Multi-pass Welding on Microstructure and Properties of Al–Mg Alloy Welding Joint. Metallogr. Microstruct. Anal. 2020, 9, 428–437. [Google Scholar]
- Ni, J.; Wahab, M.A. The prediction of residual stress and its influence on the mechanical properties of weld joint. J. Phys. Conf. Ser. 2017, 843, 012001. [Google Scholar] [CrossRef] [Green Version]
- Gao, D.; Wen, W. Critical distance model for the fatigue life analysis under low-velocity impacts of notched specimens. Int. J. Fatigue 2021, 146, 106164. [Google Scholar] [CrossRef]
- Luo, P.; Yao, W.; Luca, S. Assessing variable amplitude multiaxial fatigue lifetime of notched components based on the notch critical plane approach. Int. J. Fatigue 2021, 143, 105991. [Google Scholar] [CrossRef]
- Susmel, L.; Tovo, R.; Benasciutti, D. A novel engineering method based on the critical plane concept to estimate the lifetime of weldments subjected to variable amplitude multiaxial fatigue loading. Fatigue Fract. Eng. Mater. Struct. 2009, 32, 441–459. [Google Scholar] [CrossRef]
- Yao, W.; Shang, D.; Wang, D. Local stress-strain field strength method for random fatigue life prediction. J. Mech. Eng. 2002, 1, 67–70. [Google Scholar]
- Yao, W. Description of the metal fatigue behavior by the stress field intensity method. Chin. J. Solid Mech. 1997, 1, 38–48. [Google Scholar]
- Yao, W. Stress field intensity approach for predicting fatigue life. Int. J. Fatigue 1993, 15, 234–245. [Google Scholar]
- Fomichev, P.A. Prediction of Fatigue Life of a Notched Body by the Local Stress-Strain State. Part 3. Allowing for Stress and Strain Gradients. Strength Mater. 2000, 32, 316–322. [Google Scholar] [CrossRef]
- Fomichev, P.A.; Zarutskii, A.V. Fatigue Life Prediction by a Local Stress-Strain Criterion for Hole-Containing Specimens After Precompression of Their Material. Strength Mater. 2019, 51, 193–201. [Google Scholar] [CrossRef]
- Seshadri, R. Inelastic evaluation of mechanical and structural components using the generalized local stress strain method of analysis. Nucl. Eng. Des. 1995, 153, 287–303. [Google Scholar] [CrossRef]
- Peng, J.B.; Kang, G.Z.; Liu, Y.J. Low-Cycle Fatigue Behavior of 5083H111 Rolled Aluminum Alloy. Mater. Mech. Eng. 2015. [Google Scholar]
- Abdel-Rahman, M. Comparative techniques to investigate plastically deformed 5754 Al-alloy. Mod. Phys. Lett. B 2017, 31, 8. [Google Scholar] [CrossRef]
- Zong, Q.; Sun, H.; Wang, H. GB/T 229-2007 A brief introduction of charpy pendulum impact Test method for metallic materials. Phys. Chem. Anal. 2010, 46, 190–192. [Google Scholar]
- Zan, Z.; Hu, W. Continuum damage mechanics-based approach to the fatigue life prediction for 7050-T7451 aluminum alloy with impact pit. Int. J. Damage Mech. 2016, 25, 943–966. [Google Scholar] [CrossRef]
- Zhan, Z.; Hu, W. Continuum damage mechanics combined with the extended finite element method for the total life prediction of a metallic component. Int. J. Mech. Sci. 2017, 124–125, 48–58. [Google Scholar] [CrossRef]
- Chi, W.; Wang, W. Effects of defects on fatigue behavior of TC17 titanium alloy for compressor blades: Crack initiation and modeling of fatigue strength. Eng. Fract. Mech. 2022, 259, 108136. [Google Scholar] [CrossRef]
- Taom, J.; Jiao, L.; He, W. Interpretation of GB/T 228.1-2010 metallic materials tensile testing Part 1: Room temperature test method. Ship Stand. Qual. 2013, 2, 21–25. [Google Scholar]
- Goo, B.-C.; Mun, H.-S.; Cho, I.-S. Very-High-Cycle Fatigue and Charpy Impact Characteristics of Manganese Steel for Railway Axle at Low Temperatures. Appl. Sci. 2020, 10, 5042. [Google Scholar] [CrossRef]
- Pinto, A.L. Early crack orientation prediction methods under fretting fatigue loading including wear effects. Int. J. Fatigue 2022, 161, 106893. [Google Scholar] [CrossRef]
- Lemaitre, J.; Desmorat, R. Engineering Damage Mechanics; Springer: Berlin/Heidelberg, Germany, 2005. [Google Scholar]
- Chaboche, J.L.; Lesne, P.M. A Non-linear Continuous Fatigue Damage Model. Fatigue Fract. Eng. Mater. Struct. 2010, 11, 1–17. [Google Scholar] [CrossRef]















| Mg | Mn | Cr | Si | Cu | Ti | Fe | Zn | |
|---|---|---|---|---|---|---|---|---|
| 5083H111 | 4.50 | 0.60 | 0.12 | 0.20 | 0.15 | 0.02 | 0.30 | 0.02 |
| 5754 | 3.40 | 0.50 | 0.01 | 0.10 | 0.04 | 0.04 | 0.30 | - |
| Elastic Modulus (GPa) | Yield Strength (MPa) | Tensile Strength (MPa) | Poisson’s Ratio | |
|---|---|---|---|---|
| 5083H111 | 69.50 | 139.00 | 300.00 | 0.33 |
| 5754 | 61.00 | 117.00 | 195.00 | 0.31 |
| Welded joints | 72.30 | 136.00 | 206.90 | 0.31 |
| Material Properties | Elastic Modulus (GPa) | Yield Strength (MPa) | Tensile Strength (MPa) | Poisson’s Ratio |
|---|---|---|---|---|
| 64.90 | 164.00 | 220.60 | 0.33 |
| Nominal Stress/MPa | Specimen Number | Fatigue Life of Welded Joints/Cycle | Average Life Span/Cycle |
|---|---|---|---|
| 100 | 1 | 134,420 | 123,086 |
| 2 | 111,752 | ||
| 140 | 3 | 40,882 | 41,642 |
| 4 | 42,402 | ||
| 180 | 5 | 15,114 | 13,906 |
| 6 | 12,698 |
| S | b | ||||
|---|---|---|---|---|---|
| 1.1 | 3.8 | 0.969 | 1.6 | 75,000 | 0.0011 |
Publisher’s Note: MDPI stays neutral with regard to jurisdictional claims in published maps and institutional affiliations. |
© 2022 by the authors. Licensee MDPI, Basel, Switzerland. This article is an open access article distributed under the terms and conditions of the Creative Commons Attribution (CC BY) license (https://creativecommons.org/licenses/by/4.0/).
Share and Cite
Ni, Z.; Xiong, T.; Lei, J.; Wang, L.; Gao, T.; Yu, J.; Mi, C. Life Prediction Method of Dissimilar Lightweight Materials Welded Joints with Precrack under Coupled Impact-Fatigue Loading. Materials 2022, 15, 5077. https://doi.org/10.3390/ma15145077
Ni Z, Xiong T, Lei J, Wang L, Gao T, Yu J, Mi C. Life Prediction Method of Dissimilar Lightweight Materials Welded Joints with Precrack under Coupled Impact-Fatigue Loading. Materials. 2022; 15(14):5077. https://doi.org/10.3390/ma15145077
Chicago/Turabian StyleNi, Zhengshun, Tao Xiong, Jie Lei, Liuping Wang, Tong Gao, Jianwu Yu, and Chengji Mi. 2022. "Life Prediction Method of Dissimilar Lightweight Materials Welded Joints with Precrack under Coupled Impact-Fatigue Loading" Materials 15, no. 14: 5077. https://doi.org/10.3390/ma15145077
APA StyleNi, Z., Xiong, T., Lei, J., Wang, L., Gao, T., Yu, J., & Mi, C. (2022). Life Prediction Method of Dissimilar Lightweight Materials Welded Joints with Precrack under Coupled Impact-Fatigue Loading. Materials, 15(14), 5077. https://doi.org/10.3390/ma15145077
