Efficient Model of the Interaction of Elastomeric Filler with an Open Shell and a Chrome-Plated Shaft in a Dry Friction Damper
Abstract
1. Introduction
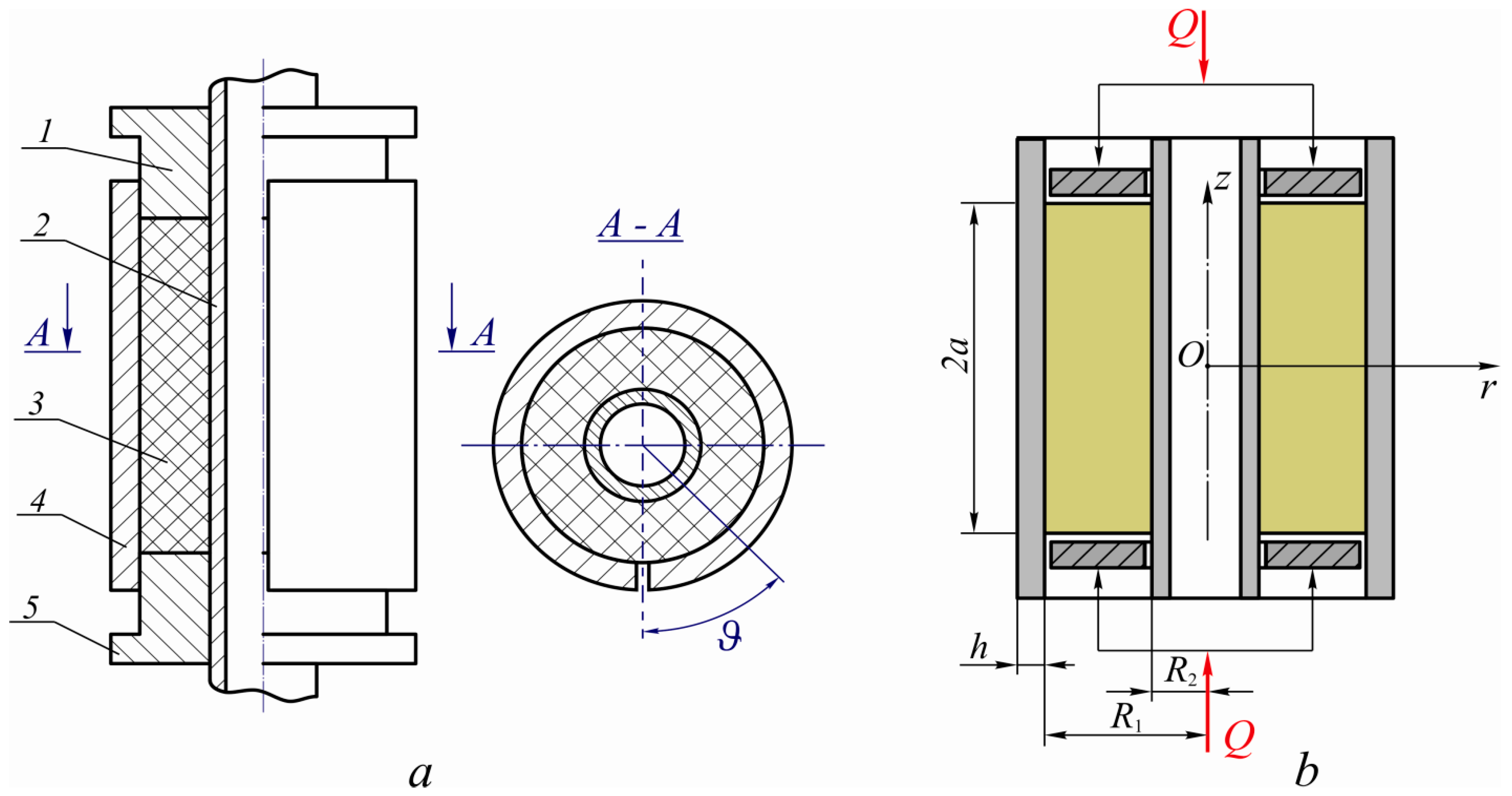
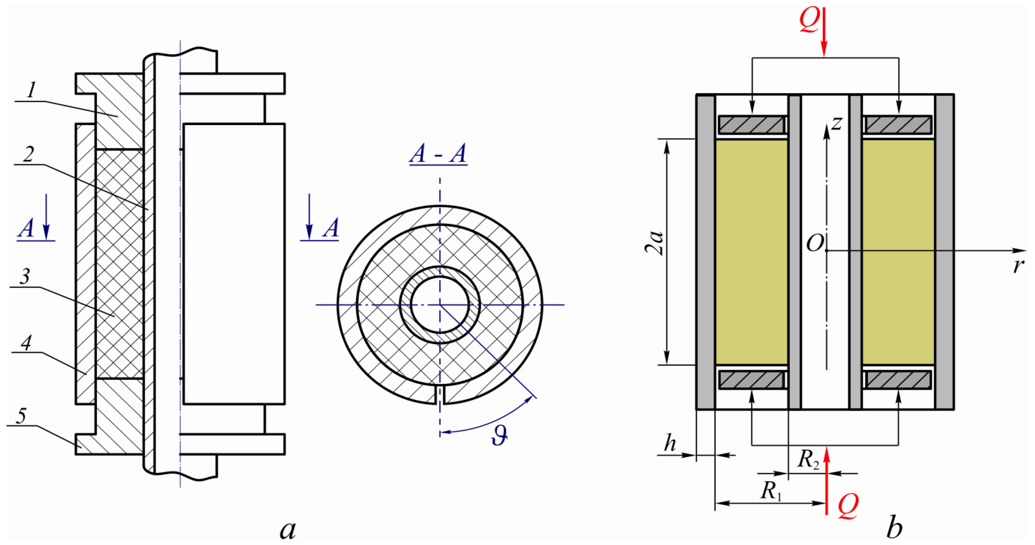
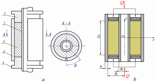
2. Materials and Methods
3. Results and Analysis
4. Discussion
5. Conclusions
Author Contributions
Funding
Institutional Review Board Statement
Informed Consent Statement
Data Availability Statement
Acknowledgments
Conflicts of Interest
References
- Jaisee, S.; Yue, F.; Hao Ooi, Y. A state-of-the-art review on passive friction dampers and their applications. Eng. Struct. 2021, 235, 112022. [Google Scholar] [CrossRef]
- Melatti, V.; D’Ayala, D. Methodology for the assessment and refinement of friction-based dissipative devices. Eng. Struct. 2021, 229, 111666. [Google Scholar] [CrossRef]
- Gao, S.; Wang, Y. An evaluation method for dry friction damping of ring damper in gas turbine engines under axial vibration. Aerospace 2021, 8, 302. [Google Scholar] [CrossRef]
- Duriagina, Z.A.; Kulyk, V.V.; Filimonov, O.S.; Trostianchyn, A.M.; Sokulska, N.B. The role of stress–strain state of gas turbine engine metal parts in predicting their safe life. Prog. Phys. Met. 2021, 22, 643–677. [Google Scholar] [CrossRef]
- He, B.; Ouyang, H.; Ren, X.; He, S. Dynamic response of a simplified turbine blade model with under-platform dry friction dampers considering normal load variation. Appl. Sci. 2017, 7, 228. [Google Scholar] [CrossRef]
- Pesek, L.; Pust, L.; Snabl, P.; Bula, V.; Hajzman, M.; Byrtus, M. Dry-friction damping in vibrating systems, theory and application to the bladed disc assembly. In Nonlinear Structural Dynamics and Damping; Jauregui, J., Ed.; Mechanisms and Machine Science; Springer: Cham, Switzerland, 2019; Volume 69. [Google Scholar] [CrossRef]
- Huang, Z.; Tan, J.; Liu, C.; Lu, X. Dynamic characteristics of a segmented supercritical driveline with flexible couplings and dry friction dampers. Symmetry 2021, 13, 281. [Google Scholar] [CrossRef]
- Wahad, H.S.; Tudor, A.; Vlase, M.; Cerbu, N.; Subhi, K.A. The effect of friction in coulombian damper. IOP Conf. Ser. Mater. Sci. Eng. 2017, 174, 012021. [Google Scholar] [CrossRef]
- Hareen, C.B.; Mohan, S.C. Energy-based seismic retrofit and design of building frames with passive dampers. Eng. Struct. 2022, 250, 113412. [Google Scholar] [CrossRef]
- Aydin, E.; Ozturk, B.; Dutkiewicz, M. Analysis of efficiency of passive dampers in multistorey buildings. J. Sound Vib. 2019, 439, 17–28. [Google Scholar] [CrossRef]
- Golebiowska, I.; Dutkiewicz, M. Application of friction pendulum bearings in multistory buildings. In Acoustics and Vibration of Mechanical Structures—AVMS 2019; Herisanu, N., Marinca, V., Eds.; Springer Proceedings in Physics; Springer: Cham, Switzerland, 2021; Volume 251, pp. 453–461. [Google Scholar] [CrossRef]
- Dutkiewicz, M. Models of strong wind acting on buildings and infrastructure. IOP Conf. Ser. Mater. Sci. Eng. 2019, 471, 052030. [Google Scholar] [CrossRef]
- Paronesso, M.; Lignos, D.G. Experimental study of sliding friction damper with composite materials for earthquake resistant structures. Eng. Struct. 2021, 248, 113063. [Google Scholar] [CrossRef]
- Dutkiewicz, M.; Machado, M. Spectral element method in the analysis of vibrations of overhead transmission line in damping environment. Struct. Eng. Mech. 2019, 71, 291–303. [Google Scholar] [CrossRef]
- Machado, M.R.; Dutkiewicz, M.; Matt, C.F.T.; Castello, D.A. Spectral model and experimental validation of hysteretic and aerodynamic damping in dynamic analysis of overhead transmission conductor. Mech. Syst. Signal Process. 2020, 136, 106483. [Google Scholar] [CrossRef]
- Liu, X.; Lin, Y.; Jiang, H.; Miao, X.; Chen, J. Slippage fault diagnosis of dampers for transmission lines based on faster R-CNN and distance constraint. Electr. Power Syst. Res. 2021, 199, 107449. [Google Scholar] [CrossRef]
- Bazaluk, O.; Slabyi, O.; Vekeryk, V.; Velychkovych, A.; Ropyak, L.; Lozynskyi, V. A technology of hydrocarbon fluid production intensification by productive stratum drainage zone reaming. Energies 2021, 14, 3514. [Google Scholar] [CrossRef]
- Ropyak, L.Y.; Pryhorovska, T.O.; Levchuk, K.H. Analysis of materials and modern technologies for PDC drill bit manufacturing. Prog. Phys. Met. 2020, 21, 274–301. [Google Scholar] [CrossRef]
- Velichkovich, A.S.; Dalyak, T.M. Assessment of stressed state and performance characteristics of jacketed spring with a cut for drill shock absorber. Chem. Pet. Eng. 2015, 51, 188–193. [Google Scholar] [CrossRef]
- Tian, J.; Yang, Z.; Li, Y.; Yang, L.; Wu, C.; Liu, G.; Yuan, C. Vibration analysis of new drill string system with hydro-oscillator in horizontal well. J. Mech. Sci. 2016, 30, 2443–2451. [Google Scholar] [CrossRef]
- Velychkovych, A.; Petryk, I.; Ropyak, L. Analytical study of operational properties of a plate shock absorber of a sucker-rod string. Shock Vib. 2020, 2020, 3292713. [Google Scholar] [CrossRef]
- Dong, G.; Chen, P. A Review of the Evaluation, Control, and Application Technologies for Drill String Vibrations and Shocks in Oil and Gas Well. Shock Vib. 2016, 2016, 7418635. [Google Scholar] [CrossRef]
- Velichkovich, A.; Dalyak, T.; Petryk, I. Slotted shell resilient elements for drilling shock absorbers. Oil Gas Sci. Technol. Rev. IFP Energ. Nouv. 2018, 73, 34. [Google Scholar] [CrossRef]
- Velichkovich, A.S.; Popadyuk, I.I.; Shopa, V.M. Experimental study of shell flexible component for drilling vibration damping devices. Chem. Pet. Eng. 2011, 46, 518–524. [Google Scholar] [CrossRef]
- Dutkiewicz, M.; Golebiowska, I.; Shatskyi, I.; Shopa, V.; Velychkovych, A. Some aspects of design and application of inertial dampers. MATEC Web Conf. 2018, 178, 06010. [Google Scholar] [CrossRef][Green Version]
- Shats’kyi, I.P.; Shopa, V.M.; Velychkovych, A.S. Development of full-strength elastic element section with open shell. Strength Mater. 2021, 53, 277–282. [Google Scholar] [CrossRef]
- Velichkovich, A.S.; Velichkovich, S.V. Vibration-impact damper for controlling the dynamic drillstring conditions. Chem. Pet. Eng. 2001, 37, 213–215. [Google Scholar] [CrossRef]
- Zuo, Y.; Wu, X. A comparative study of four rod load reduction techniques for deep-rod pumping. J. Pet. Explor. Prod. Technol. 2018, 8, 475–483. [Google Scholar] [CrossRef]
- Velichkovich, A.S. Shock Absorber for Oil-Well Sucker-Rod Pumping Unit. Chem. Petrol. Eng. 2005, 41, 544–546. [Google Scholar] [CrossRef]
- Shatskyi, I.; Popadyuk, I.; Velychkovych, A. Modelling of energy dissipation in shell dampers. In Proceedings of the 23rd International Conference Engineering mechanics, Svratka, Czech Republic, 15–18 May 2017; Brno University of Technology Institute of Solid Mechanics, Mechatronics and Biomechanics: Svratka, Czech Republic, 2017; pp. 870–873. [Google Scholar]
- Shatskyi, I.; Popadyuk, I.; Velychkovych, A. Hysteretic properties of shell dampers. In Dynamical Systems in Applications, Proceedings of the DSTA 2017, Lodz, Poland, 11–14 December 2017; Awrejcewicz, J., Ed.; Springer: Cham, Switzerland, 2018; pp. 343–350. [Google Scholar] [CrossRef]
- Shatskyi, I.; Velychkovych, A. Increase of compliance of shock absorbers with cut shells. IOP Conf. Ser. Mater. Sci. Eng. 2019, 564, 012072. [Google Scholar] [CrossRef]
- Velichkovich, A.S. Design features of shell springs for drilling dampers. Chem. Petrol. Eng. 2007, 43, 458–461. [Google Scholar] [CrossRef]
- Panevnik, D.A.; Velichkovich, A.S. Assessment of the stressed state of the casing of the above-bit hydroelevator. Neftyanoe Khozyaystvo Oil Ind. 2017, 1, 70–73. [Google Scholar]
- Belyaev, V.N.; Koslyuk, A.Y.; Lobunets, A.V.; Andreyev, A.S. Quality Improvement of Chrome-Diamond Coatings on Flowing Chrome Plating. IOP Conf. Ser. Mater. Sci. Eng. 2016, 126, 012002. [Google Scholar] [CrossRef]
- Bazaluk, O.; Dubei, O.; Ropyak, L.; Shovkoplias, M.; Pryhorovska, T.; Lozynskyi, V. Strategy of Compatible Use of Jet and Plunger Pump with Chrome Parts in Oil Well. Energies 2022, 15, 83. [Google Scholar] [CrossRef]
- Ropyak, L.; Ostapovych, V. Optimization of process parameters of chrome plating for providing quality indicators of reciprocating pumps parts. East.-Eur. J. Enterp. Technol. 2016, 80, 50–62. [Google Scholar] [CrossRef][Green Version]
- Bokobza, L. Mechanical and Electrical Properties of Elastomer Nanocomposites Based on Different Carbon Nanomaterials. C 2017, 3, 10. [Google Scholar] [CrossRef]
- Takeoka, Y.; Liu, S.; Asai, F. Improvement of mechanical properties of elastic materials by chemical methods. Sci. Technol. Adv. Mater. 2020, 21, 817–832. [Google Scholar] [CrossRef]
- Greene, J.P. Elastomers and Rubbers. In Automotive Plastics and Composits; Elsevier: Amsterdam, The Netherlands, 2021; pp. 127–147. [Google Scholar] [CrossRef]
- Van Engelen, N.C. Fiber-reinforced elastomeric isolators: A review. Soil Dyn. Earthq. Eng. 2019, 125, 105621. [Google Scholar] [CrossRef]
- Tayeb, A.; Le Cam, J.; Loez, B. 3D printing of soft thermoplastic elastomers: Effect of the deposit angle on mechanical and thermo-mechanical properties. Mech. Mater. 2022, 165, 104155. [Google Scholar] [CrossRef]
- Johnson, K.L. Contact Mechanics; Cambridge University Press: Cambridge, UK, 1985. [Google Scholar] [CrossRef]
- Barber, J.R.; Ciavarella, M. Contact mechanics. Int. J. Solids Struct. 2000, 37, 29–43. [Google Scholar] [CrossRef]
- Popov, V.L. Contact Mechanics and Friction: Physical Principles and Applications, 1st ed.; Springer: Berlin/Heidelberg, Germany, 2010. [Google Scholar] [CrossRef]
- Malanchuk, N.; Martynyak, R. Contact interaction of two solids with surface groove under proportional loading. Int. J. Solids Struct. 2012, 49, 3422–3431. [Google Scholar] [CrossRef][Green Version]
- Goryacheva, I.G.; Martynyak, R.M. Contact problems for textured surfaces involving frictional effects. Proc. Inst. Mech. Eng. Part J J. Eng. Tribol. 2014, 228, 707–716. [Google Scholar] [CrossRef]
- Shatskyi, I.; Velychkovych, A.; Vytvytskyi, I.; Seniushkovych, M. Analytical models of contact interaction of casing centralizers with well wall. Eng. Solid Mech. 2019, 7, 355–366. [Google Scholar] [CrossRef]
- Levchuk, K.G. Diagnosis of catches of metal drill pipes by their stress-strain state in a sloping well. Metallofiz. Noveishie Tekhnologii 2018, 40, 701–712. [Google Scholar] [CrossRef]
- Velychkovych, A.S.; Andrusyak, A.V.; Pryhorovska, T.O.; Ropyak, L.Y. Analytical model of oil pipeline overground transitions, laid in mountain areas. Oil Gas Sci. Technol. 2019, 74, 65. [Google Scholar] [CrossRef]
- Grydzhuk, J.; Chudyk, I.; Velychkovych, A.; Andrusyak, A. Analytical estimation of inertial properties of the curved rotating section in a drill string. East. Eur. J. Enterp. Technol. 2019, 1, 6–14. [Google Scholar] [CrossRef]
- Shatskyi, I.; Vytvytskyi, I.; Senyushkovych, M.; Velychkovych, A. Modelling and improvement of the design of hinged centralizer for casing. IOP Conf. Ser. Mater. Sci. Eng. 2019, 564, 12073. [Google Scholar] [CrossRef]
- Vytvytskyi, I.I.; Seniushkovych, M.V.; Shatskyi, I.P. Calculation of distance between elastic-rigid centralizers of casing. Nauk. Visnyk Natsionalnoho Hirnychoho Universytetu 2017, 5, 28–35. [Google Scholar]
- Kryzhanivs’kyi, E.I.; Rudko, V.P.; Shats’kyi, I.P. Estimation of admissible loads upon a pipeline in the zone of sliding ground. Mater. Sci. 2004, 40, 547–551. [Google Scholar] [CrossRef]
- Shats’kyi, I.P.; Struk, A.B. Stressed state of pipeline in zones of soil local fracture. Strength Mater. 2009, 41, 548–553. [Google Scholar] [CrossRef]
- Filippov, A.N. Dynamic impact on a pipeline considering dry friction on its surface. Mech. Solids 2019, 54, 1144–1150. [Google Scholar] [CrossRef]
- Shatskyi, I.; Perepichka, V.; Vaskovskyi, M. Longitudinal waves in an elastic rod caused by sudden damage to the foundation. Theor. Appl. Mech. 2021, 48, 29–37. [Google Scholar] [CrossRef]
- Zharkova, N.V.; Nikitin, L.V. Applied problems in the dynamics of elastic rods. Mech. Solids 2006, 41, 64–79. [Google Scholar]
- Aleksandrova, N.I. Numerical-analytical investigation into impact pipe driving in soil with dry friction. Part 1: Nondeformable external medium. J. Min. Sci. 2012, 48, 856–869. [Google Scholar] [CrossRef]
- Aleksandrova, N.I. Numerical-analytical investigation into impact pipe driving in soil with dry friction. Part 2: Deformable external medium. J. Min. Sci. 2013, 49, 413–425. [Google Scholar] [CrossRef][Green Version]
- Shatskii, I.P.; Perepichka, V.V. Shock-wave propagation in an elastic rod with a viscoplastic external resistance. J. Appl. Mech. Tech. Phys. 2013, 54, 1016–1020. [Google Scholar] [CrossRef]
- Moisyshyn, V.; Levchuk, K. Investigation on Releasing of a Stuck Drill String by Means of a Mechanical Jar. Oil Gas Sci. Technol. 2017, 72, 27–35. [Google Scholar] [CrossRef]
- Shatskyi, I.; Perepichka, V. Problem of dynamics of an elastic rod with decreasing function of elastic-plastic external resistance. In Dynamical Systems in Applications, Proceedings of the DSTA 2017, Lodz, Poland, 11–14 December 2017; Awrejcewicz, J., Ed.; Springer: Cham, Switzerland, 2018; Volume 249, pp. 335–342. [Google Scholar] [CrossRef]
- Rong, L.; Tie, Z.; Wu, X.J.; Wang, C.H. Crack closure effect on stress intensity factors of an axially and a circumferentially cracked cylindrical shell. Int. J. Fract. 2004, 125, 227–248. [Google Scholar] [CrossRef]
- Shats’kyi, I.P. Closure of a longitudinal crack in a shallow cylindrical shell in bending. Mater. Sci. 2005, 41, 186–191. [Google Scholar] [CrossRef]
- Shats’kyi, I.P.; Makoviichuk, M.V. Analysis of the limiting state of cylindrical shells with cracks with regard for the contact of crack lips. Strength Mater. 2009, 41, 560–565. [Google Scholar] [CrossRef]
- Dovbnya, K.; Shevtsova, N. Studies on the stress state of an orthotropic shell of arbitrary curvature with the through crack under bending loading. Strength Mater. 2014, 46, 345–349. [Google Scholar] [CrossRef]
- Shatskii, I.P.; Makoviichuk, N.V. Effect of closure of collinear cracks on the stress-strain state and the limiting equilibrium of bent shallow shells. J. Appl. Mech. Tech. Phys. 2011, 52, 464–470. [Google Scholar] [CrossRef]
- Shatsky, I.P. Bending of the plate weakened by the crack with contacting edges. Dopovidi Akad. Nauk. Ukr. RSR Seriya A—Fiz.—Mat. Ta Tech. Nauk. 1988, 7, 49–51. [Google Scholar] [CrossRef]
- Young, M.J.; Sun, C.T. Influence of crack closure on the stress intensity factor in bending plates—A classical plate solution. Int. J. Fract. 1992, 55, 81–93. [Google Scholar] [CrossRef]
- Shatskii, I.P. Contact of the edges of the slit in the plate in combined tension and bending. Mater. Sci. 1989, 25, 160–165. [Google Scholar] [CrossRef]
- Shatsky, I.P. A cracks closure in combined tension and bending of plates. Fracture from defects. In Proceedings of the 12th Bienniel Conference on Fracture of the European-Structural-Integrity-Society (ECF 12), 14–18 September 1998; Brown, M.W., Ed.; Sheffield, UK, 1998; Volume 2, pp. 733–738. [Google Scholar]
- Shats’kyi, I.P.; Perepichka, V.V. Limiting state of a semi-infinite plate with edge crack in bending with tension. Mater. Sci. 2004, 40, 240–246. [Google Scholar] [CrossRef]
- Shats’kyi, I.P.; Makoviichuk, M.V. Contact interaction of crack lips in shallow shells in bending with tension. Mater. Sci. 2005, 41, 486–494. [Google Scholar] [CrossRef]
- Shatskyi, I.; Makoviichuk, M.; Perepichka, V.; Dalyak, T. Effect of cracks closure in plates and shells under combined tension and bending. In Proceedings of the 23rd International Conference Engineering Mechanics, Svratka, Czech Republic, 15–18 May 2017; Brno University of Technology Institute of Solid Mechanics, Mechatronics and Biomechanics: Svratka, Czech Republic, 2017; pp. 866–869. [Google Scholar]
- Nikolishin, M.M. Influence of an elastic medium on the state of stress of a cylindrical shell with a finite transverse rigidity, weakened by a system of cuts. Sov. Appl. Mech. 1985, 21, 258–262. [Google Scholar] [CrossRef]
- Osadchuk, V.A.; Nikolishin, M.M.; Maselko, T.E. Limiting equilibrium of a crack-weakened spherical shell on an elastic base. Sov. Appl. Mech. 1986, 22, 948–952. [Google Scholar] [CrossRef]
- Nassar, M.; Mohamed, S.; Matbuly, M.; Bichir, S. Analytical solution of cracked shell resting on elastic foundation. Acta Mech. Solida Sin. 1996, 9, 306–319. [Google Scholar]
- Shats’kyi, I.P.; Makoviichuk, M.V. Contact interaction of the crack edges in the case of bending of a plate with elastic support. Mater. Sci. 2003, 39, 371–376. [Google Scholar] [CrossRef]
- Nobili, A.; Radi, E.; Lanzoni, L. A cracked infinite Kirchhoff plate supported by a two-parameter elastic foundation. J. Eur. Ceram. Soc. 2014, 34, 2737–2744. [Google Scholar] [CrossRef]
- Awrejcewicz, J.; Olejnik, P. Analysis of Dynamic Systems with Various Friction Laws. ASME Appl. Mech. Rev. 2005, 58, 389–411. [Google Scholar] [CrossRef]
- Kireenkov, A.; Zhavoronok, S. Coupled dry friction models in problems of aviation pneumatics’ dynamics. Int. J. Mech. Sci. 2017, 127, 198–203. [Google Scholar] [CrossRef]
- Gagnon, L.; Morandini, M.; Ghiringhelli, G.L. A review of friction damping modeling and testing. Arch. Appl. Mech. 2020, 90, 107–126. [Google Scholar] [CrossRef]
- Mathis, A.T.; Balaji, N.N.; Kuether, R.J.; Brink, A.R.; Brake, M.R.; Quinn, D.D. A Review of Damping Models for Structures with Mechanical Joints. ASME Appl. Mech. Rev. 2020, 72, 040802. [Google Scholar] [CrossRef]
- Xu, Y.; Zhang, D. Modeling and simulation of the equivalent material damping loss factor of fixed joint interface. Adv. Mech. Eng. 2016, 8, 1–9. [Google Scholar] [CrossRef]
- Hassani, V.; Tjahjowidodo, T.; Nho Do, T. A survey on hysteresis modeling, identification and control. Mech. Syst. Signal Process. 2014, 49, 209–233. [Google Scholar] [CrossRef]
- Shatsky, I.P.; Shopa, V.M. Contact problem for the beam with allowance for the friction under nonmonotonic loading. Dopovidi Akad. Nauk. Ukr. RSR Seriya A—Fiz.—Mat. Ta Tech. Nauk. 1990, 12, 29–31. [Google Scholar]
- Shyrokov, V.V.; Maksymuk, O.V. Analytic methods of calculation of the contact interaction of thin-walled structural elements (Review). Mater. Sci. 2002, 38, 62–73. [Google Scholar] [CrossRef]
- Kanetsyan, E.G.; Mkrtchyan, M.S.; Mkhitaryan, S.M. Contact interaction of thin-walled elements with an elastic layer and an infinite circular cylinder under torsion. J. Phys. Conf. Ser. 2018, 991, 012037. [Google Scholar] [CrossRef]
- Shopa, V.M.; Shatskii, I.P.; Popadyuk, I.I. Elementary calculation of structural damping in shell springs. Sov. Eng. Res. 1989, 9, 42–44. [Google Scholar]
- Velichkovich, S.V.; Popadyuk, I.I.; Shatskii, I.P.; Shopa, V.M. Structural hysteresis in a shell-type vibration damper with distributed friction. Strength Mater. 1991, 23, 279–281. [Google Scholar] [CrossRef]
- Bedzir, A.A.; Shatskii, I.P.; Shopa, V.M. Nonideal contact in a composite shell structure with a deformable filler. Int. Appl. Mech. 1995, 31, 351–354. [Google Scholar] [CrossRef]
- Popadyuk, І.Y.; Shats’kyi, І.P.; Shopa, V.M.; Velychkovych, A.S. Frictional interaction of a cylindrical shell with deformable filler under nonmonotonic loading. J. Math. Sci. 2016, 215, 243–253. [Google Scholar] [CrossRef]
- Pelekh, B.L.; Marchuk, M.V.; Kogut, I.S. Strength and design of adhesive joints in cylindrical elements made of metal and reinforced polymeric materials. Mech. Compos. Mater. 1992, 28, 259–263. [Google Scholar] [CrossRef]
- Tarel’nik, V.B.; Martsinkovskii, V.S.; Konoplyanchenko, E.V.; Belous, A.V.; Gaponova, O.P. Improvement in Babbit Sliding Bearing Quality with Electrospark Alloying. Chem. Petrol. Eng. 2018, 54, 598–604. [Google Scholar] [CrossRef]
- Konoplianchenko, I.; Tarelnyk, V.; Martsynkovskyy, V.; Gaponova, O.; Lazarenko, A.; Sarzhanov, A.; Mikulina, M.; Zhengchuan, Z.; Pirogov, V. New technology for restoring Babbitt coatings. J. Phys. Conf. Ser. 2021, 1741, 012040. [Google Scholar] [CrossRef]
- Berladir, K.V.; Hovorun, T.P.; Bilous, O.A.; Baranova, S.V. The modeling of the composition and properties of functional materials based on polytetrafluoroethylene. Funct. Mater. 2018, 25, 342–347. [Google Scholar] [CrossRef]
- Shopa, V.M.; Shatskyi, I.P.; Bedzir, O.O.; Velychkovych, A.S. Contact Interaction of Cut Shells with Deformable Bodies; IFNTUOG: Ivano-Frankivsk, Ukraine, 2015. (In Ukrainian) [Google Scholar]
- Popadyuk, I.Y.; Shatskyi, I.P.; Shopa, V.M. Mechanics of Frictional Contact of Shells with Deformable Filler; Fakel: Ivano-Frankivs’k, Ukraine, 2003. (In Ukrainian) [Google Scholar]
- Shopa, V.M.; Popadyuk, I.I.; Bedzir, O.O. Mixed problems on frictional contact between coaxial cylindrical shells and a deformable filler. J. Math. Sci. 2001, 104, 1521–1527. [Google Scholar] [CrossRef]
- Velychkovych, A.; Bedzir, O.; Shopa, V. Laboratory experimental study of contact interaction between cut shells and resilient bodies. Eng. Solid Mech. 2021, 9, 425–438. [Google Scholar] [CrossRef]







Publisher’s Note: MDPI stays neutral with regard to jurisdictional claims in published maps and institutional affiliations. |
© 2022 by the authors. Licensee MDPI, Basel, Switzerland. This article is an open access article distributed under the terms and conditions of the Creative Commons Attribution (CC BY) license (https://creativecommons.org/licenses/by/4.0/).
Share and Cite
Dutkiewicz, M.; Velychkovych, A.; Shatskyi, I.; Shopa, V. Efficient Model of the Interaction of Elastomeric Filler with an Open Shell and a Chrome-Plated Shaft in a Dry Friction Damper. Materials 2022, 15, 4671. https://doi.org/10.3390/ma15134671
Dutkiewicz M, Velychkovych A, Shatskyi I, Shopa V. Efficient Model of the Interaction of Elastomeric Filler with an Open Shell and a Chrome-Plated Shaft in a Dry Friction Damper. Materials. 2022; 15(13):4671. https://doi.org/10.3390/ma15134671
Chicago/Turabian StyleDutkiewicz, Maciej, Andrii Velychkovych, Ivan Shatskyi, and Vasyl Shopa. 2022. "Efficient Model of the Interaction of Elastomeric Filler with an Open Shell and a Chrome-Plated Shaft in a Dry Friction Damper" Materials 15, no. 13: 4671. https://doi.org/10.3390/ma15134671
APA StyleDutkiewicz, M., Velychkovych, A., Shatskyi, I., & Shopa, V. (2022). Efficient Model of the Interaction of Elastomeric Filler with an Open Shell and a Chrome-Plated Shaft in a Dry Friction Damper. Materials, 15(13), 4671. https://doi.org/10.3390/ma15134671

