Study on the Hot Deformation Behavior of Stainless Steel AISI 321
Abstract
:1. Introduction
2. Materials and Methods
3. Results and Discussion
4. Conclusions
- (1)
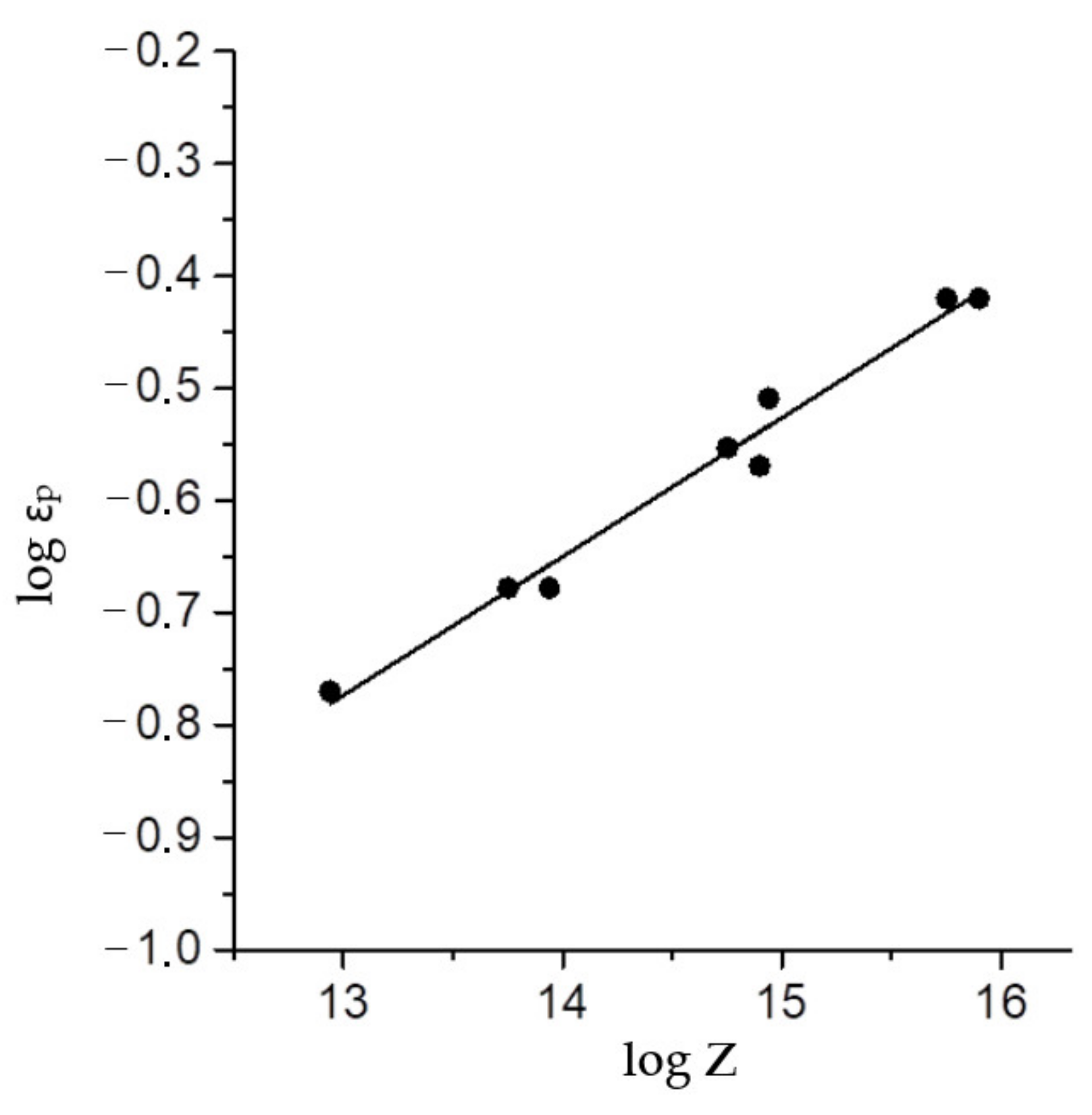
- The apparent activation energy of hot deformation in the Zener–Hollomon parameter Z was 444.2 kJ/mol. The flow stresses decreased with a decrease in the Z parameter, i.e., with an increase in temperature and a decrease in the strain rate.
- (2)
- The hot deformations were accompanied by full dynamic recrystallization if log Z < 15.65 or Z < 5.6 × 1015. The size of recrystallized grains is a power function of the Zener–Hollomon parameter and decreases with increasing temperature and increasing strain rate.
- (3)
- In deformation modes with parameters log Z > 15.65, a sharp suppression of dynamic recrystallization was observed. The reason for the suppression of dynamic recrystallization in AISI 321 steel can be dispersed particles of titanium carbonitrides Ti(C, N), which precipitate before and/or during hot deformation and hinder the growth of new grains.
- (4)
- The analytical expressions obtained in this research for flow stresses, the critical deformation of the onset of dynamic recrystallization, and the size of recrystallized grains are suitable for use in finite element modeling of hot deformation processes in the steel under study.
Author Contributions
Funding
Institutional Review Board Statement
Informed Consent Statement
Data Availability Statement
Conflicts of Interest
References
- Lo, R.H.; Shek, C.H.; Lai, J.K.L. Recent Developments in Stainless Steels. Mater. Sci. Eng. 2009, 65, 39–104. [Google Scholar] [CrossRef]
- Skripalenko, M.M.; Rogachev, S.O.; Romantsev, B.A.; Galkin, S.P.; Kaputkina, L.M.; Skripalenko, M.N.; Danilin, A.V.; Fadeev, V.A. Creation of 3D Model of Stainless-Steel Billet’s Grain after Three-High Screw Rolling. Materials 2022, 15, 995. [Google Scholar] [CrossRef] [PubMed]
- Litovchenko, I.; Akkuzin, S.; Polekhina, N.; Almaeva, K.; Moskvichev, E. Structural Transformations and Mechanical Properties of Metastable Austenitic Steel under High Temperature Thermomechanical Treatment. Metals 2021, 11, 645. [Google Scholar] [CrossRef]
- Perevozchikov, D.V.; Yeremin, V.N.; Radionova, L.V. Mathematical Model for Determining Depth of Deformation Penetration While Pipe Punching. In Proceedings of the 4th International Conference on Industrial Engineering, ICIE 2018, Moscow, Russia, 15–18 May 2018; Radionov, A., Kravchenko, O., Guzeev, V., Rozhdestvenskiy, Y., Eds.; Lecture Notes in Mechanical Engineering. Springer: Cham, Switzerland, 2019. [Google Scholar] [CrossRef]
- Zhong, L.; Wang, B.; Hu, C.; Zhang, J.; Yao, Y. Hot Deformation Behavior and Dynamic Recrystallization of Ultra High Strength Steel. Metals 2021, 11, 1239. [Google Scholar] [CrossRef]
- Mondal, R.; Bonagani, S.; Raut, P.; Kumar, S.; Sivaprasad, P.; Chai, G.; Kain, V.; Samajdar, I. Dynamic Recrystallization and Phase-Specific Corrosion Performance in a Super Duplex Stainless Steel. J. Mater. Eng. Perform. 2022, 31, 1478. [Google Scholar] [CrossRef]
- Nes, E.; Marthinsen, K. Modeling the Evolution in Microstructure and Properties During Plastic Deformation of F.C.C.-Metals and Alloys—An Approach towards a Unified Model. Mater. Sci. Eng. 2002, 322, 176–193. [Google Scholar] [CrossRef]
- Huang, K.; Loge, R.E. A Review of Dynamic Recrystallization Phenomena in Metallic Materials. Mater. Des. 2016, 111, 548–574. [Google Scholar] [CrossRef]
- Ryan, N.D.; McQueen, H.J. Comparison of Dynamic Softening in 301, 304, 316 and 317 Stainless Steels. High Temp. Technol. 1990, 8, 185–200. [Google Scholar] [CrossRef]
- McQueen, H.; Ryan, N. Constitutive Analysis in Hot Working. Mater. Sci. Eng. 2002, 322, 43–63. [Google Scholar] [CrossRef]
- Dehghan-Manshadi, A.; Barnett, M.R.; Hodgson, P.D. Hot Deformation and Recrystallization of Austenitic Stainless Steel: Part I—Dynamic recrystallization. Metall. Mater. Trans. 2008, 39, 1359–1370. [Google Scholar] [CrossRef] [Green Version]
- Poliak, E.I. Dynamic Recrystallization Control in Hot rolling. Procedia Manuf. 2020, 50, 362–367. [Google Scholar] [CrossRef]
- Xiang, C.; Liu, Y.; Liu, B.; Cao, Y.; Gan, Z. Characterization of hot deformation behavior of Ti–3Al–5Mo–4.5V alloy with a martensitic starting microstructure. J. Micromech. Mol. Phys. 2017, 2, 1750011. [Google Scholar] [CrossRef]
- Dehghan-Manshadi, A.; Barnett, M.R.; Hodgson, P.D. Hot Deformation and Recrystallization of Austenitic Stainless Steel: Part II—Post-deformation Recrystallization. Metall. Mater. Trans. 2008, 39, 1371–1381. [Google Scholar] [CrossRef] [Green Version]
- Marchattiwar, A.; Chakravartty, J.K.; Kashyap, B.P. Dynamic Recrystallization During Hot Deformation of 304 Austenitic Stainless Steel. J. Mater. Eng. Perform. 2013, 22, 2168–2175. [Google Scholar] [CrossRef]
- El Wahabi, M.; Gavard, L.; Mohtheillet, F.; Carbera, J.M.; Prado, J.M. Effect of Initial Grain Size on Dynamic Recrystallization in High Purity Austenitic Stainless Steels. Acta Mater. 2005, 53, 4605–4612. [Google Scholar] [CrossRef]
- El Wahabi, M.; Carbera, J.M.; Prado, J.M. Hot Working of Two AISI 304 Steels a Comparative Study. Mater. Sci. Eng. 2003, 343, 116–125. [Google Scholar] [CrossRef]
- Mandal, G.K.; Stanford, N.; Hodgson, P.; Beynon, J. Effect of Hot Working on Dynamic Recrystallization Study of As-Cast Austenitic Stainless Steel. Mater. Sci. Eng. 2012, 556, 685–695. [Google Scholar] [CrossRef]
- Volgina, N.; Shulgin, A.; Khlamkova, S. Possibilities of diagnosis of stress corrosion cracking of main gas pipelines from the point of view of microbiology. Mater. Today Proc. 2021, 38, 1697–1700. [Google Scholar] [CrossRef]
- Bykova, A.E.; Sharipzyanova, G.K.; Volgina, N.I.; Khlamkova, S.S. Methodology of Analyzing the Causes of Accidental Failure of Pipes Made of Various Steel Grades. Russ. Metall. 2018, 2018, 1264–1267. [Google Scholar] [CrossRef]
- Nkhoma, R.K.C.; Siyasiya, C.W.; Stumpf, W.E. Hot Workability of AISI 321 and AISI 304 Austenitic Stainless Steels. J. Alloys Compd. 2014, 595, 103–112. [Google Scholar] [CrossRef] [Green Version]
- Ghazani, M.S.; Eghbali, B.; Ebrahimi, G. Evaluation of the Kinetics of Dynamic Recovery in AISI 321. Trans. Indian Inst. Met. 2016, 74, 1755–1761. [Google Scholar] [CrossRef]
- Ghazani, M.S.; Eghbali, B. Characterization of the Hot Deformation Microstructure of AISI 321 Austenitic Stainless Steel. Mater. Sci. Eng. 2018, 730, 380–390. [Google Scholar] [CrossRef]
- Ghazani, M.S.; Eghbali, B.; Ebrahimi, G. Kinetics and Critical Conditions for Initiation of Dynamic Recrystallization During Hot Compression Deformation of AISI 321 Austenitic Stainless Steel. Met. Mater. Int. 2017, 23, 964–973. [Google Scholar] [CrossRef]
- Ghazani, M.S.; Eghbali, B. Modeling the Flow Behavior of AISI 321 Austenitic Stainless Steel Using a Simple Combined Phenomenological Method. Mech. Mater. 2019, 137, 103–108. [Google Scholar] [CrossRef]
- Haj, M.; Mansouri, H.; Vafaei, R.; Ebrahimi, G.R.; Kanani, A. Hot Compression Deformation Behavior of AISI 321 Austenitic Stainless Steel. Int. J. Miner. Metall. Mater. 2013, 20, 529–534. [Google Scholar] [CrossRef]
- Kratochvíl, P.; Lukáč, P.; Vostrý, P.; Pacák, J.; Tomeš, J. Dynamic Softening and Static Recrystallization of AISI 321 Steel. Mater. Sci. Technol. 1991, 1, 78–82. [Google Scholar] [CrossRef]
- Sellars, C.M.; Tegart, W.J. Hot Workability. Int. Metall. Rev. 1972, 17, 1–24. [Google Scholar] [CrossRef]
- Sherby, O.D.; Klundt, R.H.; Miller, A.K. Flow Stress, Subgrain Size, and Subgrain Stability at Elevated Temperature. Metall. Mater. Trans. 1977, 8, 843–850. [Google Scholar] [CrossRef]
- Frost, H.J.; Ashby, V.F. Deformation Mechanism; Pergamon Press: Oxford, UK, 1982; 166p. [Google Scholar]
- Mirzadeh, H.; Cabrera, J.M.; Najafizadeh, A. Constitutive relationships for hot deformation of austenite. Acta Mater. 2011, 59, 6441–6448. [Google Scholar] [CrossRef]
- Savaedi, Z.; Motallebi, R.; Mirzadeh, H. A review of hot deformation behavior and constitutive models to predict flow stress of high-entropy alloys. J. Alloys Compd. 2022, 903, 163964. [Google Scholar] [CrossRef]
- Liu, W.J.; Jonas, J.J. Nucleation kinetics of Ti carbonitride in microalloyed austenite. Metall. Trans. A 1989, 20, 689–697. [Google Scholar] [CrossRef]







| C | Si | Mn | Cr | Ni | S | P | Mo | Cu | Ti | N |
|---|---|---|---|---|---|---|---|---|---|---|
| 0.07 | 0.30 | 1.33 | 17.7 | 10.3 | 0.005 | 0.025 | 0.19 | 0.19 | 0.50 | 0.014 |
| T (°C) | ε′ (s−1) | log Z | Type of Microstructure | D (μm) | ||
|---|---|---|---|---|---|---|
| 1280 | 0.01 | 12.94 | 29 | 0.17 | R | 105 |
| 1200 | 0.01 | 13.75 | 39 | 0.21 | R | 60 |
| 1280 | 0.1 | 13.94 | 38 | 0.21 | R | 60 |
| 1200 | 0.1 | 14.75 | 59 | 0.28 | R | 38 |
| 1100 | 0.01 | 14.90 | 62 | 0.27 | R | - |
| 1280 | 1 | 14.94 | 58 | 0.31 | R | - |
| 1200 | 1 | 15.75 | 82 | 0.38 | R | 32 |
| 1100 | 0.1 | 15.90 | 88 | 0.38 | PR | - |
| 1000 | 0.01 | 16.23 | 99 | - | NR | - |
| 1100 | 1 | 16.90 | 131 | - | NR | - |
| 1000 | 0.1 | 17.23 | 139 | - | NR | - |
| 1000 | 1 | 18.23 | 188 | - | NR | - |
Publisher’s Note: MDPI stays neutral with regard to jurisdictional claims in published maps and institutional affiliations. |
© 2022 by the authors. Licensee MDPI, Basel, Switzerland. This article is an open access article distributed under the terms and conditions of the Creative Commons Attribution (CC BY) license (https://creativecommons.org/licenses/by/4.0/).
Share and Cite
Radionova, L.V.; Perevozchikov, D.V.; Makoveckii, A.N.; Eremin, V.N.; Akhmedyanov, A.M.; Rushchits, S.V. Study on the Hot Deformation Behavior of Stainless Steel AISI 321. Materials 2022, 15, 4057. https://doi.org/10.3390/ma15124057
Radionova LV, Perevozchikov DV, Makoveckii AN, Eremin VN, Akhmedyanov AM, Rushchits SV. Study on the Hot Deformation Behavior of Stainless Steel AISI 321. Materials. 2022; 15(12):4057. https://doi.org/10.3390/ma15124057
Chicago/Turabian StyleRadionova, Liudmila V., Danil V. Perevozchikov, Aleksandr N. Makoveckii, Victor N. Eremin, Alexander M. Akhmedyanov, and Sergey V. Rushchits. 2022. "Study on the Hot Deformation Behavior of Stainless Steel AISI 321" Materials 15, no. 12: 4057. https://doi.org/10.3390/ma15124057
APA StyleRadionova, L. V., Perevozchikov, D. V., Makoveckii, A. N., Eremin, V. N., Akhmedyanov, A. M., & Rushchits, S. V. (2022). Study on the Hot Deformation Behavior of Stainless Steel AISI 321. Materials, 15(12), 4057. https://doi.org/10.3390/ma15124057

