Effects of Reinforcement Corrosion and Sustained Load on Mechanical Behavior of Reinforced Concrete Columns
Abstract
:1. Introduction
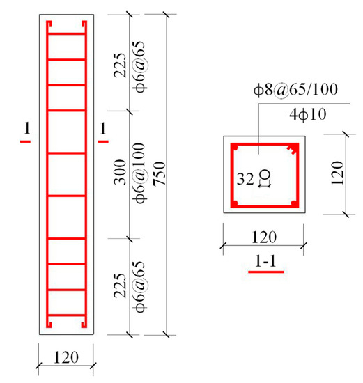
2. Materials and Methods
3. Results and Discussion
3.1. Degree of Reinforcement Corrosion
3.2. Cracking Maps
3.3. Failure Characteristics of Specimens
3.4. Behavior of Specimens
4. Conclusions
Author Contributions
Funding
Data Availability Statement
Conflicts of Interest
References
- Li, Q.; Huang, L.; Ye, H.; Fu, C.; Jin, X. Mechanical degradation of reinforced concrete columns corroded under sustained loads. Int. J. Civ. Eng. 2020, 18, 883–901. [Google Scholar] [CrossRef]
- Liu, X.; Ma, E.; Liu, J.; Zhang, B.; Niu, D.; Wang, Y. Deterioration of an industrial reinforced concrete structure exposed to high temperatures and dry-wet cycles. Eng. Fail. Analy. 2022, 135, 106150. [Google Scholar] [CrossRef]
- Xia, J.; Jin, W.L.; Li, L.Y. Performance of corroded reinforced concrete columns under the action of eccentric loads. J. Mater. Civ. Eng. 2016, 28, 04015087. [Google Scholar] [CrossRef]
- Bertolini, L. Steel corrosion and service life of reinforced concrete structures. Struct. Infrastruct. Eng. 2008, 4, 123–137. [Google Scholar] [CrossRef]
- Ma, Y.; Che, Y.; Gong, J. Behavior of corrosion damaged circular reinforced concrete columns under cyclic loading. Constr. Build. Mater. 2012, 29, 548–556. [Google Scholar] [CrossRef]
- Meda, A.; Mostosi, S.; Rinaldi, Z.; Riva, P. Experimental evaluation of the corrosion influence on the cyclic behaviour of RC columns. Eng. Struct. 2014, 76, 112–123. [Google Scholar] [CrossRef]
- Liu, X.; Zhang, W.; Gu, X.; Ye, Z. Probability distribution model of stress impact factor for corrosion pits of high-strength prestressing wires. Eng. Struct. 2021, 230, 111686. [Google Scholar] [CrossRef]
- Koteš, P.; Vican, J. Influence of reinforcement corrosion on moment and shear resistance in time of RC bridge girder. In Proceedings of the Eighth International Conference on Bridge Maintenance, Safety and Management (IABMAS 2016), Foz do Iguaçu, Brazil, 26–30 June 2016; pp. 26–30. [Google Scholar] [CrossRef]
- Dong, Z.; Gu, X.L.; Jin, Z.H.; Poursaee, A.; Ye, H. Experimental and numerical investigations on the rate-limiting step for macrocell corrosion of reinforcing steel in concrete. J. Mater. Civ. Eng. 2022, 34, 04021407. [Google Scholar] [CrossRef]
- Koteš, P.; Vican, J.; Ivašková, M. Influence of reinforcement corrosion on reliability and remaining lifetime of RC bridges. Mater. Sci. Forum. 2016, 844, 89–96. [Google Scholar] [CrossRef]
- Zhang, W.; Ye, Z.; Gu, X. Effects of stirrup corrosion on shear behaviour of reinforced concrete beams. Struct. Infrastruct. Eng. 2016, 13, 1081–1092. [Google Scholar] [CrossRef]
- Gonzalez, J.A.; Andrade, C.; Alonso, C.; Feliu, S. Comparison of rates of general corrosion and maximum pitting penetration on concrete embedded steel reinforcement. Cem. Concr. Res. 1995, 25, 257–264. [Google Scholar] [CrossRef]
- Zhang, W.; Zhou, B.; Gu, X.; Dai, H. Probability distribution model for cross-sectional area of corroded reinforcing steel bars. J. Mater. Civ. Eng. 2014, 26, 822–832. [Google Scholar] [CrossRef]
- Stewart, M.G.; Al-Harthy, A. Pitting corrosion and structural reliability of corroding RC structures: Experimental data and probabilistic analysis. Reliab. Eng. Syst. Saf. 2008, 93, 373–382. [Google Scholar] [CrossRef]
- Alonso, C.; Andrade, C.; Rodriguez, J.; Diez, J.M. Factors controlling cracking of concrete affected by reinforcement corrosion. Mater. Struct. 1998, 31, 435–441. [Google Scholar] [CrossRef]
- Montemor, M.F.; Simões, A.M.P.; Ferreira, M.G.S. Chloride-induced corrosion on reinforcing steel: From the fundamentals to the monitoring techniques. Cem. Concr. Compos. 2003, 25, 491–502. [Google Scholar] [CrossRef] [Green Version]
- Stewart, M.G.; Rosowsky, D.V. Time-dependent reliability of deteriorating reinforced concrete bridge decks. Struct. Saf. 1998, 20, 91–109. [Google Scholar] [CrossRef]
- Akiyama, M.; Frangopol, D.M.; Suzuki, M. Integration of the effects of airborne chlorides into reliability-based durability design of reinforced concrete structures in a marine environment. Struct. Infrastruct. Eng. 2012, 8, 125–134. [Google Scholar] [CrossRef]
- Hollý, I.; Bilčík, J. Modeling of reinforcement corrosion in concrete. In Proceedings of the 22nd International Conference on Engineering Mechanics, Svratka, Czech Republic, 9–12 May 2016; pp. 206–209. [Google Scholar]
- Bilcik, J.; Holly, I. Effect of reinforcement corrosion on bond behaviour. Procedia Eng. 2013, 65, 248–253. [Google Scholar] [CrossRef]
- Jiang, C.; Wu, Y.F.; Dai, M.J. Degradation of steel-to-concrete bond due to corrosion. Constr. Build. Mater. 2018, 158, 1073–1080. [Google Scholar] [CrossRef]
- Feng, Q.; Visintin, P.; Oehlers, D.J. Deterioration of bond-slip due to corrosion of steel reinforcement in reinforced concrete. Mag. Concr. Res. 2016, 68, 768–781. [Google Scholar] [CrossRef]
- Tapan, M.; Aboutaha, R.S. Strength evaluation of deteriorated RC bridge columns. J. Bridg. Eng. 2008, 13, 258–270. [Google Scholar] [CrossRef]
- Tapan, M.; Aboutaha, R.S. Effect of steel corrosion and loss of concrete cover on strength of deteriorated RC columns. Constr. Build. Mater. 2011, 25, 2596–2603. [Google Scholar] [CrossRef]
- Rodriguez, J.; Ortega, L.; Casal, J. Load bearing capacity of concrete columns with corroded reinforcement. In Corrosion of Reinforcement in Concrete Construction, Proceedings of the Fourth International Symposium, Cambridge, UK, 1–4 July 1996; The National Academies of Sciences, Engineering, and Medicine: Washington, DC, USA, 1996; pp. 220–230. [Google Scholar]
- Li, Q.; Niu, D.; Liu, L. The experimental study on reinforced concrete short-columns restrained by corroded stirrups. Adv. Mater. Res. 2012, 446, 1376–1379. [Google Scholar] [CrossRef]
- Revathy, J.; Suguna, K.; Raghunath, P.N. Effect of corrosion damage on the ductility performance of concrete columns. Am. J. Eng. Appl. Sci. 2009, 2, 324–327. [Google Scholar] [CrossRef] [Green Version]
- Wang, X.H.; Liang, F.Y. Performance of RC columns with partial length corrosion. Nucl. Eng. Des. 2008, 238, 3194–3202. [Google Scholar] [CrossRef]
- Azad, A.K.; Al-Osta, M.A. Capacity of corrosion-damaged eccentrically loaded reinforced concrete columns. ACI Mater. J. 2014, 111, 711–722. [Google Scholar] [CrossRef]
- Chang, Z.Q.; Luo, D.M.; Xing, G.H.; Liu, B.Q. Seismic behaviour and strength prediction of corroded RC columns subjected to cyclic loading. Mag. Concr. Res. 2020, 72, 900–918. [Google Scholar] [CrossRef]
- Zhang, G.; Cao, X.; Fu, Q. Experimental study on residual strength of concrete confined with corroded stirrups. Can. J. Civ. Eng. 2016, 43, 583–590. [Google Scholar] [CrossRef]
- Ahmadi, J.; Shayanfar, M.A.; Ghanooni-Bagha, M.; Nasserasadi, K.; Goharrokhi, A. Effect of transverse reinforcement corrosion on compressive strength reduction of stirrup-confined concrete: An experimental study. Sādhanā 2020, 45, 49. [Google Scholar] [CrossRef]
- Malumbela, G.; Alexander, M.; Moyo, P. Steel corrosion on RC structures under sustained service loads—A critical review. Eng. Struct. 2009, 31, 2518–2525. [Google Scholar] [CrossRef]
- Liu, Y.; Jiang, N.; Deng, Y.; Ma, Y.; Zhang, H.; Li, M. Flexural experiment and stiffness investigation of reinforced concrete beam under chloride penetration and sustained loading. Constr. Build. Mater. 2016, 117, 302–310. [Google Scholar] [CrossRef] [Green Version]
- Zhang, W.; Zhang, H.; Gu, X.; Liu, W. Structural behavior of corroded reinforced concrete beams under sustained loading. Constr. Build. Mater. 2018, 174, 675–683. [Google Scholar] [CrossRef]
- Ye, H.; Fu, C.; Jin, N.; Jin, X. Performance of reinforced concrete beams corroded under sustained service loads: A comparative study of two accelerated corrosion techniques. Constr. Build. Mater. 2018, 162, 286–297. [Google Scholar] [CrossRef]
- Shen, J.; Gao, X.; Li, B.; Du, K.; Jin, R.; Chen, W.; Xu, Y. Damage evolution of RC beams under simultaneous reinforcement corrosion and sustained load. Materials 2019, 12, 627. [Google Scholar] [CrossRef] [PubMed] [Green Version]
- Zhang, Y.; Poursaee, A. Passivation and corrosion behavior of carbon steel in simulated concrete pore solution under tensile and compressive stresses. J. Mater. Civ. Eng. 2015, 27, 04014234. [Google Scholar] [CrossRef]
- Dong, Z.; Fu, C.; Poursaee, A. Galvanic corrosion study between tensile-stressed and non-stressed carbon steels in simulated concrete pore solution. Metals 2022, 12, 98. [Google Scholar] [CrossRef]
- Feng, X.; Lu, X.; Zuo, Y.; Zhuang, N.; Chen, D. Electrochemical study the corrosion behaviour of carbon steel in mortars under compressive and tensile stresses. Corros. Sci. 2016, 103, 66–74. [Google Scholar] [CrossRef]
- Xu, J.; Li, F. Analytical model for load dependence of chloride penetration into concrete. J. Mater. Civ. Eng. 2017, 29, 04016279. [Google Scholar] [CrossRef]
- Xia, J.; Liang, W.; Jin, L.; Li, Y. Shear performance of reinforced concrete beams with corroded stirrups in chloride environment. Corros. Sci. 2011, 53, 1794–1805. [Google Scholar] [CrossRef]
- Xia, J.; Jin, W.L.; Li, L.Y. Effect of chloride-induced reinforcing steel corrosion on the flexural strength of reinforced concrete beams. Mag. Concr. Res. 2012, 64, 471–485. [Google Scholar] [CrossRef]
- ASTM G1-03; Standard Practice for Preparing, Cleaning, and Evaluating Corrosion Test. ASTM: West Conshohocken, PA, USA, 2017. [CrossRef]
- Hong, S.; Shi, G.; Zheng, F.; Liu, M.; Hou, D.; Dong, B. Characterization of the corrosion profiles of reinforcement with different impressed current densities by X-ray micro-computed tomography. Cem. Concr. Compos. 2020, 109, 103583. [Google Scholar] [CrossRef]
- Gu, X.-L.; Dong, Z.; Yuan, Q.; Zhang, W.-P. Corrosion of stirrups under different relative humidity conditions in concrete exposed to chloride environment. J. Mater. Civ. Eng. 2020, 32, 04019329. [Google Scholar] [CrossRef]
- Kashani, M.M.; Crewe, A.J.; Alexander, N.A. Nonlinear stress-strain behaviour of corrosion-damaged reinforcing bars including inelastic buckling. Eng. Struct. 2013, 48, 417–429. [Google Scholar] [CrossRef]
- Wang, H.; Dai, J.; Sun, X.; Zhang, X. Time-dependent and stress-dependent chloride diffusivity of concrete subjected to sustained compressive loading. J. Mater. Civ. Eng. 2016, 28, 04016059. [Google Scholar] [CrossRef]
- Wang, H.; Lu, C.; Jin, W.; Bai, Y. Effect of external loads on chloride transport in concrete. J. Mater. Civ. Eng. 2011, 23, 1043–1049. [Google Scholar] [CrossRef]
- Fu, C.; Jin, X.; Ye, H.; Jin, N.; Wang, L.; Ueda, T.; Fu, C.; Jin, X.; Ye, H.; Jin, N. Theoretical and experimental investigation of loading effects on chloride diffusion in saturated concrete. J. Adv. Concr. Technol. 2015, 13, 30–43. [Google Scholar] [CrossRef] [Green Version]
- Wu, J.; Li, H.; Wang, Z.; Liu, J. Transport model of chloride ions in concrete under loads and drying-wetting cycles. Constr. Build. Mater. 2016, 112, 733–738. [Google Scholar] [CrossRef]
- Mai, A.D.; Sheikh, M.N.; Hadi, M.N.S. Performance evaluation of intermittently CFRP wrapped square and circularised square reinforced concrete columns under different loading conditions. Struct. Infrastruct. Eng. 2019, 15, 696–710. [Google Scholar] [CrossRef] [Green Version]
- Hadi, M.N.S.; Jameel, M.T.; Sheikh, M.N. Behavior of circularized hollow RC columns under different loading conditions. J. Compos. Constr. 2017, 21, 04017025. [Google Scholar] [CrossRef] [Green Version]
- AlAjarmeh, O.; Manalo, A.; Benmokrane, B.; Karunasena, W.; Mendis, P.; Nguyen, Q.T. Compressive behavior of axially loaded circular hollow concrete columns reinforced with GFRP bars and spirals. Constr. Build. Mater. 2019, 194, 12–23. [Google Scholar] [CrossRef]
- Foster, S.J.; Attard, M.M. Experimental tests on eccentrically loaded high-strength concrete columns. ACI Struct. J. 1997, 94, 295–303. [Google Scholar] [CrossRef]










| Material | Content (kg/m3) |
|---|---|
| Type Ⅰ cement | 191 |
| Slag | 191 |
| Water | 203 |
| Fine aggregate | 766 |
| Coarse aggregate | 1149 |
| Column | Sustained Load as % of Ultimate Capacity | Duration of Accelerated Corrosion Test (d) |
|---|---|---|
| C0 | 0 | 0 |
| A0-1 | 0 | 16 |
| A0-2 | 0 | 31 |
| A0-3 | 0 | 63 |
| AⅠ-1 | 30 | 16 |
| AⅠ-2 | 30 | 31 |
| AⅠ-3 | 30 | 63 |
| AⅡ-1 | 60 | 16 |
| AⅡ-2 | 60 | 31 |
| AⅡ-3 | 60 | 63 |
| Column | Ultimate Axial Load (kN) | Axial Deformation at Ultimate Axial Load (mm) | Ductility |
|---|---|---|---|
| C0 | 479.5 | 7.40 | 1.52 |
| A0-1 | 425.5 | 3.82 | 1.07 |
| A0-2 | 257.0 | 3.93 | 1.01 |
| A0-3 | 215.5 | 3.20 | 1.34 |
| AⅠ-1 | 320.0 | 4.34 | 1.61 |
| AⅠ-2 | 310.0 | 4.11 | 1.51 |
| AⅠ-3 | 235.0 | 3.24 | 1.48 |
| AⅡ-1 | 460.0 | 4.42 | 2.63 |
| AⅡ-2 | 440.0 | 3.33 | 1.32 |
| AⅡ-3 | 245.0 | 3.48 | 1.30 |
Publisher’s Note: MDPI stays neutral with regard to jurisdictional claims in published maps and institutional affiliations. |
© 2022 by the authors. Licensee MDPI, Basel, Switzerland. This article is an open access article distributed under the terms and conditions of the Creative Commons Attribution (CC BY) license (https://creativecommons.org/licenses/by/4.0/).
Share and Cite
Li, Q.; Dong, Z.; He, Q.; Fu, C.; Jin, X. Effects of Reinforcement Corrosion and Sustained Load on Mechanical Behavior of Reinforced Concrete Columns. Materials 2022, 15, 3590. https://doi.org/10.3390/ma15103590
Li Q, Dong Z, He Q, Fu C, Jin X. Effects of Reinforcement Corrosion and Sustained Load on Mechanical Behavior of Reinforced Concrete Columns. Materials. 2022; 15(10):3590. https://doi.org/10.3390/ma15103590
Chicago/Turabian StyleLi, Qiang, Zheng Dong, Qi He, Chuanqing Fu, and Xianyu Jin. 2022. "Effects of Reinforcement Corrosion and Sustained Load on Mechanical Behavior of Reinforced Concrete Columns" Materials 15, no. 10: 3590. https://doi.org/10.3390/ma15103590
APA StyleLi, Q., Dong, Z., He, Q., Fu, C., & Jin, X. (2022). Effects of Reinforcement Corrosion and Sustained Load on Mechanical Behavior of Reinforced Concrete Columns. Materials, 15(10), 3590. https://doi.org/10.3390/ma15103590

